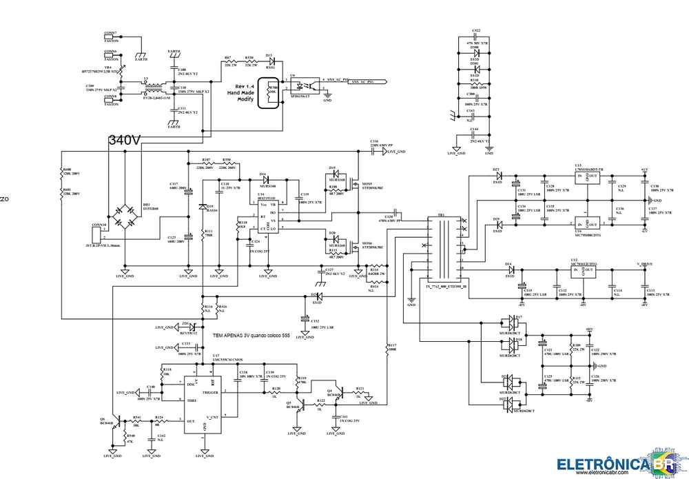
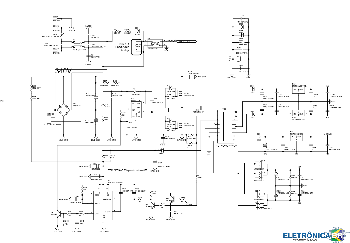
em análise Caixa RCF ART 915 A - Troca de alimentação
Avalie este tópico:
-
Conteúdo Similar
-
- 0 comentários
- 52 visualizações
-
- 0 respostas
- 64 visualizações
-
- 0 respostas
- 66 visualizações
-
- 4 respostas
- 1.350 visualizações
-
- 2 respostas
- 259 visualizações
-
SOBRE O ELETRÔNICABR
Técnico sem o EletrônicaBR não é um técnico completo! Leia Mais...

Posts em destaque
Participe agora da conversa!
Você pode postar agora e se cadastrar mais tarde. Se você tiver uma conta, faça login para postar com sua conta.