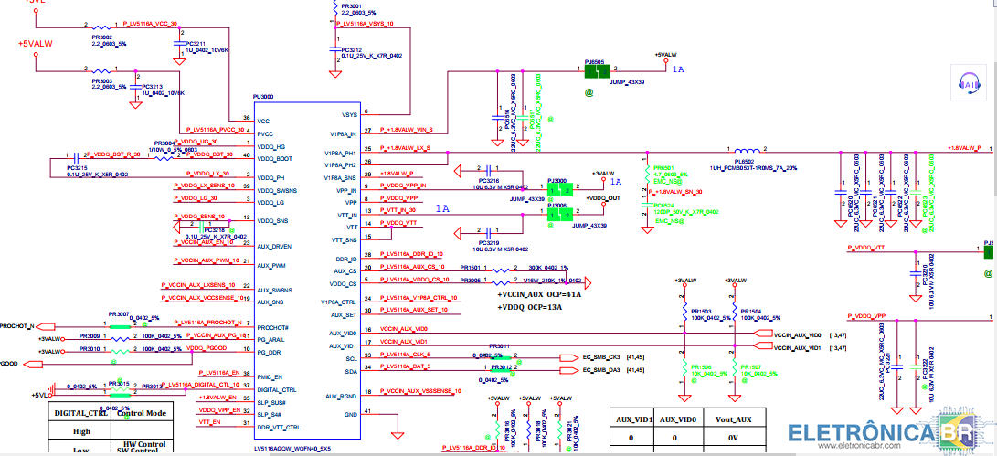
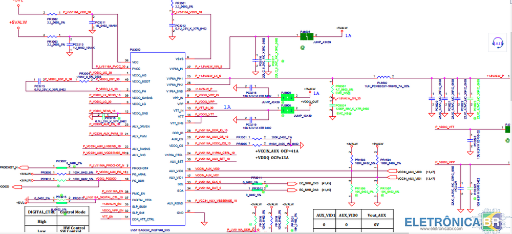
devolvido Lenovo 15ITL6 - NM-D471 - Não Liga, LED de Power pisca 12x em lupi
Avalie este tópico:
-
Conteúdo Similar
-
 em análise Lenovo 15ITL6 - NM-D471 - Não Liga, e quando liga LED de Power fica piscando
Iniciado por valdeson em
- 0 respostas
- 205 visualizações
-
 devolvido Lenovo Ideapad 3 15ITL6 - NHS460/HS560/HS760 NM-D471 - Não dá video e pisca led
Iniciado por rema.rsd em
- 17 respostas
- 5.504 visualizações
-
 em análise tv cce lv40g led power piscando nao liga
Iniciado por mauriciomaira em
- 2 respostas
- 128 visualizações
-
 em análise Itautec Infoway w7535 / 6-71-W24H0-D02A.GP / Led piscando fraco ao apertar o Power e não liga
Iniciado por Daniel Feisltrecker em
- 8 respostas
- 312 visualizações
-
 dúvida Tv Philco PH24T21DMTR não liga, apenas pisca o led de stand-by
Iniciado por Leonardo Luck em
- 2 respostas
- 127 visualizações
-
SOBRE O ELETRÔNICABR
Técnico sem o EletrônicaBR não é um técnico completo! Leia Mais...

Posts em destaque
Participe agora da conversa!
Você pode postar agora e se cadastrar mais tarde. Se você tiver uma conta, faça login para postar com sua conta.