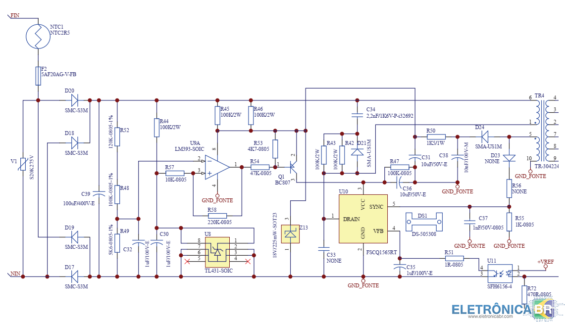
dúvida nobreak nhs premium online gII placa pdvol (pr13) consumo excesivo em standby
Avalie este tópico:
-
Conteúdo Similar
-
- 1 resposta
- 122 visualizações
-
 resolvido Nobreak NHS premium on line G2 3000va pdvol (PR13) alarme ao ligar (resolvido)
Iniciado por Lucas zeliolii em
- 9 respostas
- 572 visualizações
-
 dica Nobreak NHS prime online 3000va não liga, fica chiando a fonte do carregador, não funciona modo bateria.
Iniciado por Rayka Oliveira em
- 1 resposta
- 119 visualizações
-
 dúvida nobreak nhs compact plus III placa compxt(kv30) apito continuo ao desligar
Iniciado por Marcelo Leal Lemos em
- 8 respostas
- 702 visualizações
-
 dúvida Nobreak NHS Compact Plus 4- 1500va -placa kv30-1 . Bipando direto ao desligar
Iniciado por candil em
- 5 respostas
- 148 visualizações
-
SOBRE O ELETRÔNICABR
Técnico sem o EletrônicaBR não é um técnico completo! Leia Mais...

Posts em destaque
Participe agora da conversa!
Você pode postar agora e se cadastrar mais tarde. Se você tiver uma conta, faça login para postar com sua conta.