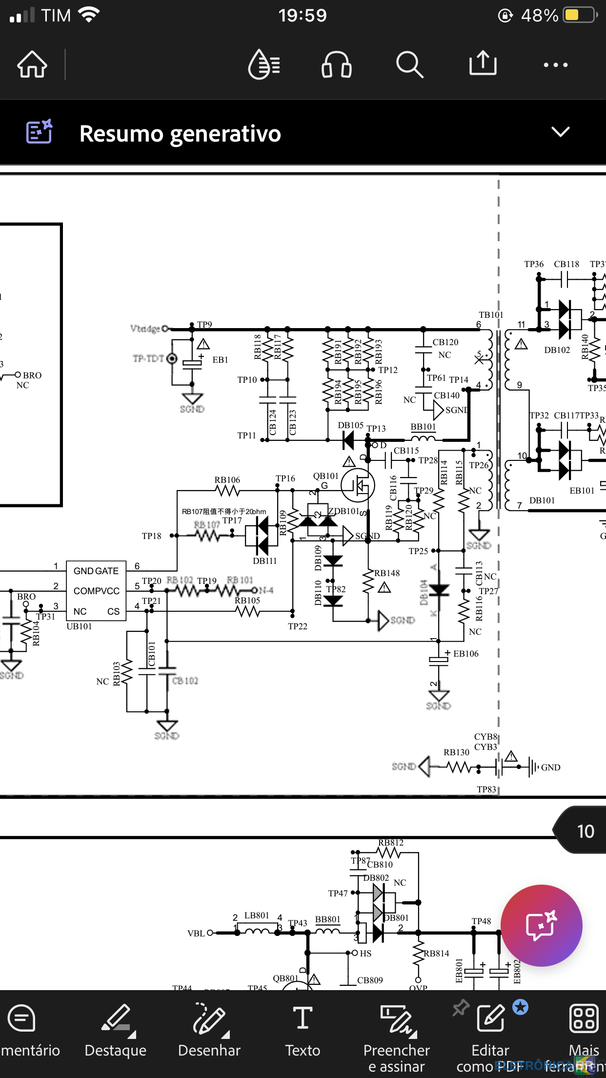
resolvido Tv-philco-ptv39n87d- não liga sem standby
Rate this topic
-
Conteúdo Similar
-
 dúvida Samsung/un40j5200ag/ led standby pisca e não liga
By Andrei_TI,
- samsungun40j5200ag
- standby
- (and 2 more)
- 2 replies
- 472 views
-
 resolvido TV LG 50PB560B pisca led standby e não liga.
By eletronica rw,
- 16 replies
- 1,090 views
-
 dúvida Redragon RGPS 600W - Não segura a tensão do standby quando liga na placa mãe.
By xBeginner,
- 11 replies
- 1,150 views
-
- 2 replies
- 241 views
-
 dúvida Fonte Bestec tfx0250d5wb aquecendo ci tny279pn, e não apresenta pson nem standby
By jorge kist,
- 1 reply
- 195 views
-
SOBRE O ELETRÔNICABR
Técnico sem o EletrônicaBR não é um técnico completo! Leia Mais...

Recommended Posts
Join the conversation
You can post now and register later. If you have an account, sign in now to post with your account.