Pesquisar na Comunidade
Mostrando resultados para as tags ''310-14isk''.
Foram encontrados 14 registros
-
 devolvido PLACA MÃE NM-A754 Ideapad 310-14ISK / BIOS CORROMPIDA
Erick Jankunas postou um tópico em Notebook's
Estou com um lenovo idepad 310-14isk 80UG na bancada com os seguinte defeito, liga, há tensão no jack, chega tensão no processador pois o mesmo esquenta e em todos os componentes, porém não há imagem, creio que seja a bios corrompida, vi no fórum a bios que necessito e deixarei aqui caso dê certo. -
 devolvido Lenovo Ideapad 310-14ISK - NM-A752 Rev:1.0 - Não Liga
yvesmontenegro postou um tópico em Notebook's
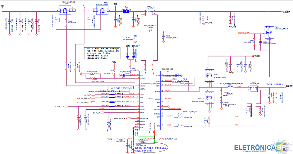
Boa tarde colegas, estou com esse notebook com um problema que aparentemente é comum nele, mas, dentre todos os tópicos existentes aqui no forum nao consegui ainda achar a solução... Problema: Notebook não liga, recebe os 20v da fonte mas o botao power está 0v, e seguindo a linha do power eu cheguei até o mosfet pq311 ao verificar as voltagens encontro os 20v nos DRENOS porém não passa pro source. Ja troquei o pq311 por um outro que acredito ser compatível, queria uma ajuda nisso tbm o PQ311 da placa é o AON6414AL e o que eu coloquei foi o AON6504, mas mesmo com a troca o problema persistiu, estou meio que sem saída por falta de experiência agora solicito a ajuda de vocês, agradeço muito! foto da placa como chegou para mim (muito fluxo no pq311 mostrando que algum outro tecnico ja mexeu nessa placa) Edit1: Fiz um jumper da linha do D para o S do pq311 e chegaram os 20v no source, chegou 3.3v no power mas a placa não startou. Edit2: pino 4 do PU301 não tem voltagem, está em 0.02v, só encontro voltagem no pino 25 os mesmos 19 do dreno do pq311 o resto esta tudo abaixo de 1v -
 devolvido Notebook Lenovo Ideapad 310 Placa EG521/EG522 NM-B452 Rev:1.0 Não Liga
Nogas postou um tópico em Notebook's
Notebook Lenovo Ideapad 310-14ISK Placa NM-A752 Rev:1.0 Não Liga Retiro a PR301 e os mosfets pq311 pq312 trabalham libera os 19V e 24v nos pinos 4 , porem estranho o ACIN fica em 1,07V Esta placa esta dando uma trabalheira .... se faço jumper direto pino 5 pq311 para pr301 o notebook funciona normal só não funciona o circuito de charger ... obvio ... so fiz para testar. -
IDEALPED 310-14ISK Visualizar Arquivo placa mãe: CG411&CG511&CZ411&CZ511 NM-A752 REV. 1.0 MODELO:IDEALPED 310-14ISK 25Q64 (UC3) PROCESSADOR: I3 (SEM VIDEO DEDICADO) Uploader keliton Enviado 02-08-2020 Categoria Lenovo
-
 resolvido Lenovo Ideapad 330-EG431/EG532/FG5N2 - NM-B661 - Não Liga
edson_euro postou um tópico em Casos resolvidos - Notebooks
@R2-D2 Amigo, vi em outro topico que você comentou sobre um problema que acontece nessa placa quando não liga "Para os 19v sairem do outro lado é necessário ter 24v no pino 4 desse PQ311. Sem carregador nem bateria, meça se tem curto em relação ao terra na linha V20B+. Em escala de continuidade: ponta de prova preta no terra da placa, e a vermelha no PR301. Não pode apitar " estou com uma placa que o pr301 esta em curto com o terra, se puder me ajudar agradeço muito -
 dúvida Lenovo ideapad 310-14isk - nm-a752 - dados da bios
Tharysson Victor postou um tópico em Notebook's
Boa tarde amigos, estou com esse notebook que estava com um mosfet em curto e resistor aberto, realizei a troca dos componentes as tensões apareceram normalmente, porém ainda não liga, estou precisando dos dados da memória bios, se alguém puder ajudar, obrigado! -
 em análise Notebook Lenovo Ideapad 310-14ISK Placa NM-A752 Rev:1.0 Não Liga
officinadonotebookecel postou um tópico em Notebook's
Boa Tarde Galera! Estou com esse notebook na bancada que não esta ligando, os 19v chegava ao dreno do pq311 e não passava para o source, no gate aonde deveria haver em torno de 24v existia uma tensão variante. Para fins de teste retirei o pq311 e fiz o jumper no lugar dele, continuou a mesma coisa, retirei o pq312 e tb fiz um jumper no lugar dele, e assim a placa ligou, fiz a substituição dos dois, soldei na placa e ficou do mesmo jeito, achei que seria problema no pu301, substitui e tudo ficou igual, verificando o pu301, ele estava alimentado mas não tinha regn sem acin e prochot# em nível lógico baixo que se não estou enganado, seria a proteção do pu301 por conta de algum sobre consumo ou curto circuito de algum fet na malha v20b+. Alguém poderia me dar uma ajudada na analise desse circuito? @FDONATO @regisfatef @Jack O'Neo @joao lima RV -
 dúvida Preciso Baixar o arquivo regravar a bios do Lenovo ideapad 310-14isk mas n tenho créditos alguém pode me ajudar ?
Luizjf556 postou um tópico em Notebook's
Aciono o power acende uma luz branca por 2 segundos e apaga, coloquei o gravador de bios e vi que a bios esta limpa -
-
 devolvido Notebook Lenovo Ideapad 310-14ISK Placa NM-A752 Rev:1.0 Não Liga
Carson postou um tópico em Notebook's
Boa Tarde amigos. Preciso de ajuda com esse notebook, ele não tem tensão em nenhuma bobina. O 19v chega até a entrada do PQ311, e não saí nada do outro lado dele. Outras tensões que encontro é no CI PU301 PU301 pino6 2.8v pino24 5,9v pino25 5,6v pino28 19v Essas são as únicas tensões nesse PU301 -
Olá! Meu notebook Lenovo, modelo Ideapad 310-14ISK, estava com a imagem meio apagada, com a necessidade de usar a lanterna do celular pra visualizar a tela; no entanto, fui no site da Lenovo e baixei a Bios, mas ele deu um erro ao iniciar, e acabei desligando acidentalmente. Resultado: placa morta! Vi tutoriais na internet e inclusive já procurei a BIN da Bios pra regravar (W25q64BV), mas não encontrei. Gostaria de saber onde posso encontrar pra eu baixar e regravá-la, pra ver se a placa volta. Obrigado!
-
Boa Tarde colegas, estou com esse equipamento na bancada o qual chegou sem ligar, após fazer a regravação do BIOS e EC o equipamento passou a ligar normalmente, porém ao carregar o driver de vídeo o display interno "some" do sistema e o mesmo só da vídeo pelo monitor externo via HDMI. já regravei o I/O com 3 arquivos diferentes e o problema persiste, já atualizei o BIOS (e o EC respectivamente) com o update direto da Lenovo também, sem efeito PS: a gravação do I/O fiz com a SVOD4 normalmente todas as tensões estão normais, se desinstalar o driver de vídeo ai ele reconhece o display interno normalmente é como se o driver desabilitasse o vídeo interno já testei com o driver direto da Intel e também pelo Windows update, mesma coisa, alguma luz?
-
 devolvido notebook lenovo idaepad 310-14isk
MAGNO.ALMEIDA.SANTOS postou um tópico em Notebook's
primeira mente prazer em conhecer vcs. estou precisando da bios do Lenovo Ideapad 310-14ISK ... ficarei grato se vcs conseguir me ajudar . -
Prezados, nessa placa tenho todas as tensões, inclusive as secundarias chegando até o S0, menos a +VCC_GT. Quando ligo a placa sobre um consumo de 0,50A e depois cai para 0.39, nesse momento aparece na PL1003 0,660V. Acredito que deveria ter no mínimo 0,880v para estar normal e subir o vídeo (peço correção se estiver errado). Já troquei o PQ1005, PQ1006 e até o PU901 que envia a tensão pro gate do PQ1005 que tem 0,60v, acredito que deveria ter entre 0.9v e 1v. Está correto? Alguém com experiência nessa MBO poderia me dar uma luz? Agradeço desde já.
SOBRE O ELETRÔNICABR
Técnico sem o EletrônicaBR não é um técnico completo! Leia Mais...
