Pesquisar na Comunidade
Mostrando resultados para as tags ''tensões''.
Foram encontrados 202 registros
-
 em análise Tv LG 32lg30r. Fonte não gera as tensões de 12 e 24V
eletronica rw postou um tópico em TVs de PLASMA, LCD, LED e CRT
Boa tarde, amigos. O aparelho em questão chegou com a fonte completamente inativa. chegou com o U 600 (SG6961SZ) em curto. fiz a substituição por um(TA7AF6961SZB). Aí voltou a tensão de standby e 12V. Porém os 24 não apareceram. Consequentemente nada de 12V no conector. Há de se mencionar ainda, que a tensão no power on na base do Q202 fica oscilando demais como se algo estivesse em curto. Já com a placa desconectada e a ligação direta nesse ponte entre 5,2 e power on, a tensão na base do q 202 fica estável. O CI U102 (NCP1396ADR2G) está devidamente alimentado pela tenão de Vcc, ou seja 13,5V. pensei que esse ci estivesse com problema, pois não havia sinal no gate do mosfeet, então troquei por um NCP1397a e tudo ficou na mesma. O esquema que estou usando é o 32lg3200. Não sei o que posso fazer para encontrar defeitos. Já testei vários componentes e ainda não encontrei avarias. Agradeço se alguém puder me auxiliar. -
 dúvida TV Philco - PH51C21PSG - Tensões VS e VA baixas
MarceloRibeiro94 postou um tópico em TVs de PLASMA, LCD, LED e CRT
Essa TV está intermitente, tem horas que ela liga normal, mas ao desligar e querer ligar de novo ela simplesmente não liga, todas as tensões da placa principal estão presentes, D15v e D5.1v. As únicas que estão baixas ao medir na fonte é a VS, OUT e VA, sendo VS = 10.8v, OUT = 11v e VA = 0v. Os 15V que vai para a Y-sus está normal. Em funcionamento VS tem 205, OUT 90v e VA 58V. Alguém tem alguma ideia? Problema pode ser na fonte talvez?- 2 respostas
-
- philco
- ph51c21psg
-
(mais 2)
Tags:
-
 nand Gosat plus com todas tensões corretas
Andrezão Sat postou um tópico em Resolvidos receptores
Estou com um Gosat plus com todas tensoes normais, acho que pode estar corrompido -
 dúvida TV Philips 40PFL3605D - Tensões da fonte oscilando
Dionatha Alves postou um tópico em TVs de PLASMA, LCD, LED e CRT
Essa tv chegou com a fonte queimada, fiz a troca dos 2 mosfets do pfc, ci pfc NCP1207A, o ci pwm HS01G e do fusível Com a fonte armada na bancada sem carga, as tensões de 12v e 18v aparecem fixas (12.70v, 19.47v), com a principal e lampadas conectadas, as tensões ficam oscilando: linha de 12v oscila entre (9.40v - 11.60v) e os 18v (17v - 24v), fazendo com que a tv fique piscando as lampadas, e sempre reiniciando na logo Philips. Fiz o seguinte, conectei a placa principal + conectores das lampadas na fonte e liguei a fonte de bancada com 12.3v na linha de 12v, e liguei a tv, e na hora ligou e deu imagem dos canais, porem a tensão Vsnd de 18v não apareceu no secundário consequentemente não saiu som. Creio que a fonte por conta da tensao aplicada na linha de 12v ela desarma o chaveamento do chooper. Acredito ter uma falha na linha de 12v que está causando esse defeito, mas ainda não encontrei. Obs: já troquei os capacitores do secundário- 2 respostas
-
- philips
- 40pfl3605d78
- (mais 6)
-
 dúvida Placa RX 580 não liga, preciso saber as tensões e o esquema eletrico
Paulo Davi postou um tópico em Placas de Vídeo
Bom dia/tarde/noite Galera estou com 2 placas de video encostadas e queria ver se ainda tem salvação uma RX 580 8gb Soyo (placa da Asus) e uma RX 5500 Asus Ambas não chegam ligar os Collers a RX 580 o processador dela esquenta o da RX 5500 não esquenta na RX 580 encontrei voltagem em todos os indutores (mas não sei fazer mais testes atem de Voltagem) na RX 5500 na parte superior esquerda não encontro nenhuma voltagem nos indutores. alguem poderia ao menos me ajudar disponibilizando o esquema eletrico delas para que eu consiga fazer medições mais detalhas Ou se puderem me auxiliar neste problema ficarei muito grato -
 dúvida Notebook Lenovo ideapad 320 15lkb não liga e não tem as tensões de 3v e 5v Modelo: NM-B241 PN FRU: 5B20Q74970
dfinformaticafsa postou um tópico em Notebook's
Olá a todos, estou com um notebook na bancada um lenovo idepad 320 15lkb ele não liga e não tem as tensões de 3v e 5v. Preciso de ajuda nisso. -
 resolvido TV Coby CY3359-32FL com tensões normais e só em standby
tekcel reparos postou um tópico em TVs de PLASMA, LCD, LED e CRT
Colegas, recebi a TV do titulo acima com defeito de não funcionar pelo controle remoto e nem pelo botão de liga e desliga. Iniciando a análise no Primeiro passo, pluguei na tomada e medi as Tensões e todas normais, porém o estranho é que tem todas as Tensões sem pressionar o botão liga/desliga. Vendo um video no youtube, o técnico em questão falou que deveria ter metade das tensões em muitos componentes reguladores. Os colegas podem auxiliar nesse defeito?- 6 respostas
-
- coby
- cy3359-32fl
-
(mais 3)
Tags:
-
POSITIVO MOTION C4128-14 / EM_G8319_96B V1.0 / Tensões Mapeadas
Italo Bandeira postou um tópico em Notebook's
Na imagem abaixo vocês podem conferir algumas tensões desta placa em funcionamento. Medições realizadas em aparelho 100% funcional! -
Olá, Com a fonte ou bateria, placa liga (botão power) e desliga alguns segundos depois. Aparentemente não tem curto nas linhas de tensões da placa. Medições das fontes de tensões na placa mãe fora do notebook com a fonte de bancada conectada e sem nenhuma bateria. Quando liga (fonte de bancada 20V, corrente 460 mA) acende LED4 na placa. Cooler liga 3 segundos e desliga. As tensões são: V20B+ (PJ301) : 20 V +3VALW (PJ402) : 3,3 V +5VALW (PJ406) : 5,1 V +1.0VALW (PJ501) : 1,01 V +1.8VALW (PJ509) : 1,8 V +2.5_DDR (PJ503) : 2,5 V +0.6VS (PJ504) : 0,6 V +1.2 (PJ507) : 1,2 V +1.35VGS (PJ1402) : 1,3 V +VGA_CORE (PL801) : 0,8 V +VGA_CORE (PL802) : 0,8 V +VCC_GT (PL1001): 0 V +CPU_CORE (PL1002): 0,8 V +CPU_CORE (PL1003): 0,8 V +VCCSA (PL1004): 1 V Após 13 segundos de ter ligado, corrente na fonte cai para 18 mA e apaga o LED4 na placa. As tensões são: V20B+ (PJ301) : 20 V +3VALW (PJ402) : 3,3 V +5VALW (PJ406) : 5,1 V +1.0VALW (PJ501) : 1,01 V +1.8VALW (PJ509) : 1,8 V +2.5_DDR (PJ503) : 0,5 V (caindo) +0.6VS (PJ504) : 0 V +1.2 (PJ507) : 0 V +1.35VGS (PJ1402) : 0 V +VGA_CORE (PL801) : 0 V +VGA_CORE (PL802) : 0 V +VCC_GT (PL1001): 0 V +CPU_CORE (PL1002): 0 V +CPU_CORE (PL1003): 0 V +VCCSA (PL1004): 0 V Primeiro notebook que reparo. Tenho aqui esquema e boardview da placa. Alguma dica para avaliação? Desde já agradeço!
-
Estou com uma gtx1050 que não tem video, as vezes quando ligo, as tensões oscilam, menos 3.3v e 12v, e o cooler fica girando e parando. Quando desligo e ligo, as tensões fixam, mas nn tenho imagem, sem entender o porque de isso acontecer
-
 em análise Receptor Athomics namods, preciso do esquema de tensões
miguel vitor postou um tópico em Receptores de TV (TV Box, etc)
Boa tarde, estou precisando do esquema de tensões do aparelho Athomics namods, alguém tem para me mandar? Fico agradecido. -
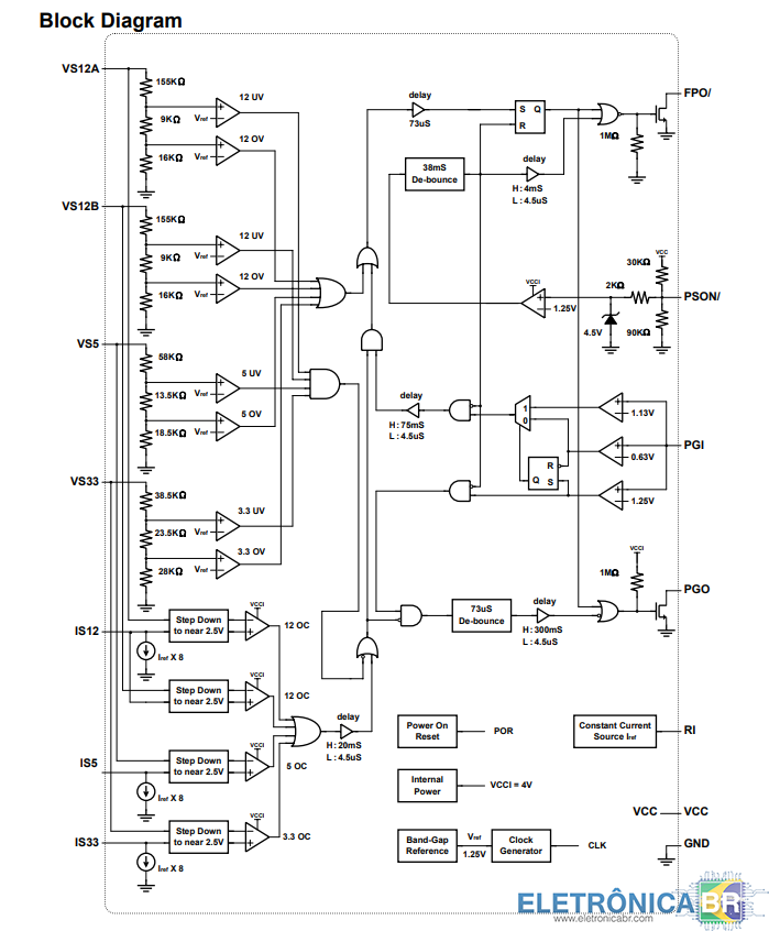
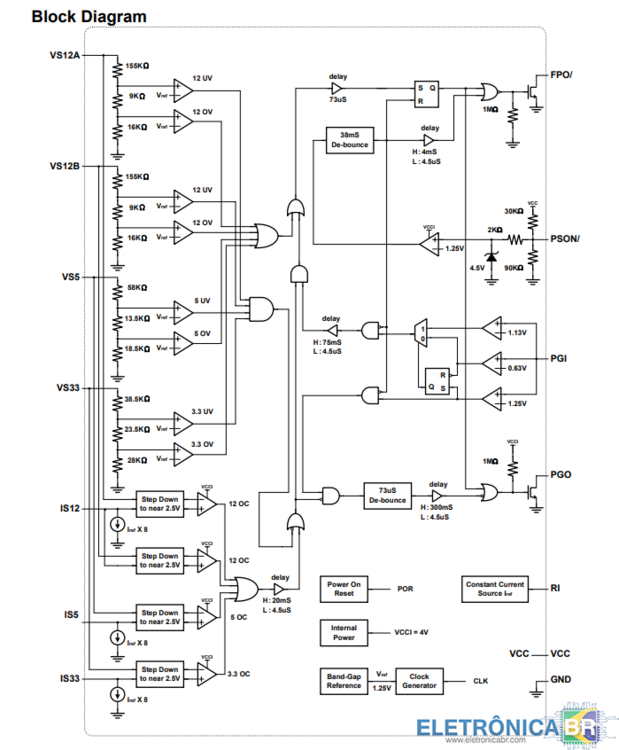
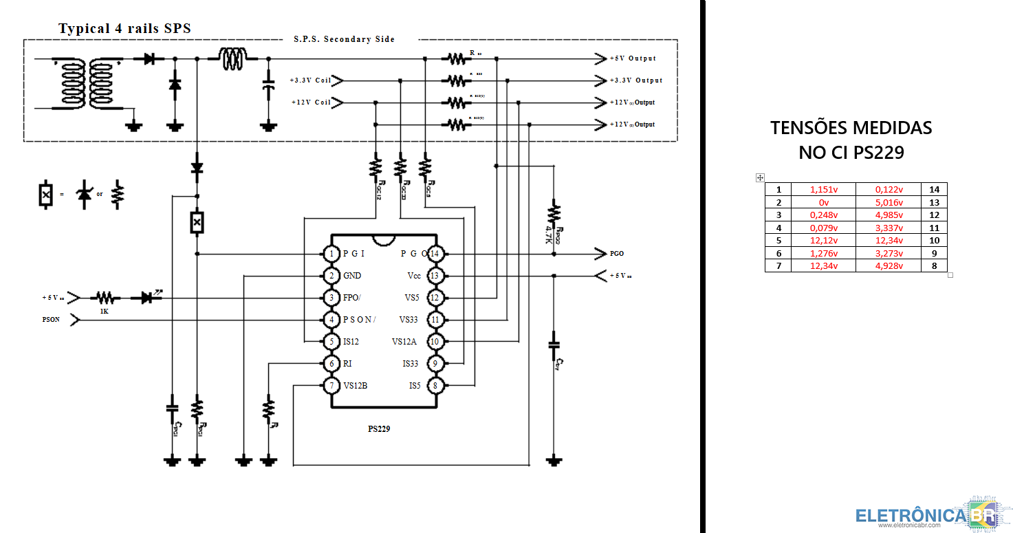
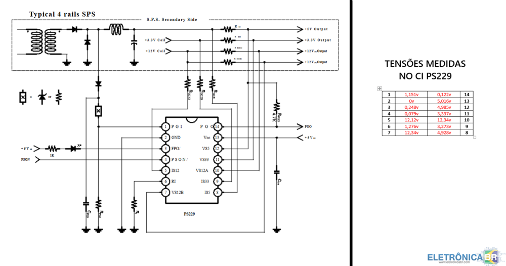
A fonte apresenta todas as tensões de 12v, 5v e 3.3v, só que o PowerGood (PWR_OK) não sobe pra ≥3v, medindo apenas 0,122v, conforme imagem abaixo: NOTA: O esquema elétrico da imagem acima se refere a um esquema sugerido no próprio datasheet do componente PS229, não sendo portanto o esquema da fonte CX 430. Notem na imagem que o componente PS229 tem tensões irregulares nos pinos PGI (Power Good input) e PGO (Power Good) quando a fonte está habilitada. Já isolei o pino 14 (PGO) da placa de circuito da fonte pra verificar se os 5v chegam até ele, e constatei que os 5v chegam sem erro, mas quando o pino é soldado novamente a tensão na linha dropa pra 0,122v novamente. O PGI se mantem a 1,151v tanto com o pino PGO isolado ou não. Estou sem caminho pra tentar solucionar esse problema. Inicialmente, antes de chegar a verificar esse Ci de monitoramento de tensões PS229, eu tinha trocado o Ci OB5269CP que é bem problemático nesse modelo de fonte, mas não surtiu efeito. Algum colega já enfrentou problema similar ? Nessa ultima imagem o pino PGO está dessoldado.
-
 dúvida Notebook Ultra UB420 / Placa SHG20.1 / Não liga, sem tensões secundárias (Solicitação de BIOS)
Cleyson Júnior postou um tópico em Notebook's
Olá, colegas. Estou com este notebook na bancada e gostaria da ajuda de vocês para confirmar um diagnóstico. 1. Descrição do Defeito: O equipamento não inicializa. Ao pressionar o botão de power, o LED de "ligado" acende, porém não há imagem na tela (nem em monitor externo) e o cooler não gira. A placa não completa a sequência de start. 2. Testes Realizados: Tensões Primárias: Tensão de 19.5V do carregador está presente e correta na placa. Tensões de Standby: As tensões de 5V e 3.3V de standby estão presentes e estáveis. O chip de BIOS está sendo alimentado corretamente com 3.3V no pino 8. Sinal de Power: O Super I/O (EC) está respondendo ao comando do botão power, evidenciado pelo acendimento do LED. Tensões Secundárias: Aqui está o problema principal. Após o sinal de power, a fonte principal de 3.3V não estabiliza (fica pulsando entre 0V e 1V). Consequentemente, as demais fontes não são ativadas. Diagnóstico da BIOS: Removi o chip BIOS da placa (um GigaDevice GD25D10BT) para gravação externa. Utilizando um programador CH341A e o software NeoProgrammer, consegui ler o chip com sucesso. O conteúdo não está em branco (não são apenas "FFs"), e fiz um backup do arquivo original. 3. Componentes Trocados: Nenhum componente foi trocado. 4. Suspeitas e Dúvidas: Minha suspeita principal é que, mesmo sendo possível ler o chip, o firmware da BIOS está logicamente corrompido. Isso estaria impedindo o EC de dar a ordem para as fontes secundárias armarem. Para confirmar essa suspeita, gostaria de solicitar aos colegas um arquivo de BIOS que seja sabidamente funcional e testado para este modelo. 5. Esquema Elétrico: Não encontrei o esquema elétrico para esta placa (SHG20.1). Se alguém tiver e puder anexar, agradeço imensamente. Obrigado a todos pela atenção. -
 devolvido Lenovo / Ideapad S320 / NM-B241 / Oscilando Tensões
Luiz Augusto Lossio Seiblitz postou um tópico em Notebook's
Boa tarde a todos, Estou com um Lenovo descrito no título do do tópido que as vezes funciona e as vezes não funciona, a tensão desde a 19v depois do mosfet de entrada tiva oscilando de 0~12v e as secundarias tambem, estou tentando fazer uma analise aqui, pensei que pudesse ser algum ci com mal funcionamento mas não estou encontrando nada, nenhum mal contato ou coisa assim. alguem teria uma dica para coisas como essa, pois ja peguei outros notebooks apresentando sintoma parecidos. desde ja agradeço a todos! -
Bom dia pessoal, vou marcar alguns amigos mas por favor não se acanhem em ajudar, @William_R @ohm @Chagas Moura. Teste básico da TV, ligada na tomada começou a piscar o led da botoeira. TV aberta, constatado muita oxidação nos terminais de capacitores cerâmicos diversos jumpers totalmente oxidados, ausência de contato entre um capacitor e uma bobina devido a trilha ter desaparecido por corrosão, além de diversas soldas frias e outras feias, tudo isso aí eu reparei antes de medir qualquer coisa... Comecei averiguando as fontes, encontrei o standby ok em 3.5V, encontrei o pwr_ON e fiz o jumper, a placa ligou e as fontes ficavam variando, a de 24 ia até uns 15v/16v e a de 12 ficava nuns 8 volts, ligavam e desligavam, eu ouvia uns estalos que não fui capaz de definir exatamente de onde vinham, analisando melhor, vi que os optoacopladores tinham muita ferrugem e zinabre nos terminais, substitui os originais 817BN por PC817C e o defeito permaneceu, substitui o transistor do power on porque estava tendo variação na tensão que o alimentava e em consequência o gate dos mosfets P que ele controla estavam com tensão oscilando também, o defeito se manteve. Desconfiei do SNF431BS e não tendo exato igual substituí por um TL431 daqueles TO-92 mesmo pra testar, neste ponto o defeito mudou, apesar de com valor incorreto de saída as fontes estabilizaram ligadas, a de 24v ficava em 10v e a de 12v ficava com 5. Pensei que devido a troca dos componentes citados poderia haver a necessidade de ajuste no circuito de ajuste do feedback, e assim sendo substitui um dos resistores 9k1 ligado ao pino de referencia por um trimpot 10k, e fui ajustando, com todo o ajuste possível a tensão máxima obtida na linha de 24v foi 12V e na linha de 12v 6v. Não tive oportunidade ainda de colocar o osciloscópio nas saídas do transformador para confirmar, mas me parece que o transformador está entregando a saída apenas em uma fase. A saída da fonte de 12V que é quem alimenta o circuito de feedback tem uma topologia que eu ainda não tinha encontrado e confesso que não entendo exatamente o funcionamento dela, por isso, estou criando esse tópico pra ver se alguém consegue me explicar essa encrenca. Pesquisando pelo modelo da placa encontrei esse esquema que embora pareça estar correto, não está completo, por exemplo, a trilha ausente entre a bobina e um capacitor y que refiz não consta aí, e outros componentes que foram omitidos do projeto não constam também, ou se constam, pode ser que seja um esquema compatível com alguns nomes de componentes trocados. Eu ainda não tinha visto esta topologia onde duas fases passam pelo duplo na saída, e uma terceira fase chega na saída do diodo, com esses capacitores cerâmicos interligando tudo, se vi não recordo, e não sei como isto deveria funcionar. Alguém se habilita pra me dar essa aula?
-
 dúvida Aorus RX6700XT 12GB - Sem vídeo, tensões ok.
LealEletronica postou um tópico em Placas de Vídeo
Bom dia colegas de bancada. Tô com uma Aorus RX6700XT na bancada que está sem video. Essa placa costuma dar muito defeito nos PWM do 1.8V, porém essa placa está com todas as tensões presentes. VCore - 900mV Vmen- 1.35V PEX - 800mV 1.8V 12V 5V 3.3V PEX reset - 3.3V Em fim, tudo que minha experiência permitia aferir eu fiz, e está ok. Algo que notei, não sei se é o funcionamento normal dessa placa, ela tem um led em cada entrada do 12V 6 pinos, pra sinalizar que a entrada está ok. Já notei em outras placas que esse indicativo fica ligado enquanto alimentando com 12V na placa, porém essa RX pisca o led quando liga o 12V e depois apaga. Segue foto da GPU pra reconhecimento. Alguma dica senhores? Qual seria o próximo passo. -
 devolvido Placa VY050MB VER:0.4 Tem tensões mas não Liga
aliber.riopomba postou um tópico em Notebook's
Olá Amigos! Estou com um Notebook Itautec W7655,Placa VY050MB VER:0.4 ,que tem tensões porem não liga,não da sinal nehum. Cheguei a Trocar o D29 que estava em curto porém mesmo após troca-lo a placa ainda não liga. Alguém poderia me ajudar? -
 dica Sansung NP370E4K - Bogota 14IH Rev 1.0 - Mapeamento de tensões
Borges Adriely postou um tópico em Casos resolvidos - Notebooks
Prezados, Com a dificuldade de esquema relativo ao Samsung NP370E4K, busquei colaborar com o site (haja vista que também já recebi ajuda). Estou com a placa em mãos, em perfeito estado de funcionamento, buscando sinalizar as tensões dos setores para que, possa ajudar alguém no futuro. Cada terminal, tem um seta correspondente sinalizando a tensão apresentada. Na 2ª imagem, os valores apresentados no TPS51225. Vale ressaltar que isso é com intuito de ajudar os colegas, auxiliar as medições. Não deve ser usado como único parâmetro de medição. Em anexo:-
- 6
-
-
- mapeamento
- tensões
- (mais 3)
-
 devolvido Gigabyte - H61M-S1 REV2.1 - não liga e sem as tensões
Emanoel_2.0 postou um tópico em Motherboards, PCs, All in One & Cia
Boa Noite.. estou com essa placa mãe na bancada com seguinte defeito.. ela não liga e não possui as principais tensões (3.3 bios, 5v usb) olhando no esquema, vi que ela não tem as tensões 3VDUAL e 5VDUAL... alguma sugestão? -
 resolvido philco 14d - 6-71-c5500-d02 gp c45 não dá video quando tem todas as tensões
vado postou um tópico em Casos resolvidos - Notebooks
PHILCO 14D - 6-71-C5500-D02 GP C45 não dá vídeo quando tem todas as tensões - tensão nas bobinas: - PL4 VDD5 - 5V - PL13 VDD3 - 3,3V - PL6 1.1VS - 1,15V - PL9 1.2VS - 1,2V - PL7 CPU_V DD0 - 0,967V - PL10 CPU_V DD1 - 0,970V - PL11 CPU_ VD DNB - 0,970V - PL12 1.8V - 1,8V - PL8 V_BAT- 0V - curto nas bobinas - OK - tensão no start e zera quando pressiona - OK - tensão na bios pinos 5, 6, 8 no stand e depois do start - OK - tensão da cmos - OFF, foi feita a troca - reset cmos - OK - sinal de adaptador presente sio U5 IT8502E: - 04 AC_IN# - 0v nível baixo - OK - sinais de clock e reset da sio U5 IT8502E: - 35 RSMRST# (vai pro BGA) - 0v / 3,3v depois start / 0v quando desliga - OK - 17 KBC_RST# (vai pro BGA) - 0v / 3,3v depois start / 0v quando desliga - OK - 13 LPC_CLK1 (vem do BGA) - 0v / 1,6v depois do start / 0v quando desliga - OK - 22 BUF_PLT_RST# (vem do BGA) - 0v / 3,3v depois start / 0v quando desliga - OK - 14 KBC_WRESET# (ligado ao +3.3VA) - OK - outros sinais importantes sio U5 IT8502E: - 84 PWR_BTN# - 0v / 3,3v depois start / 0v quando desliga - OK - 124 SYS_PWRGD_R - 0v / 3,3v depois start / 0v quando desliga - OK obs.: quando aparecer o igual "=", significa o caminho percorrido pelo sinal e em que ele se transforma. - sinais importantes na PCH, CPU e BGA VIDEO pra fazer subir video quando temos todas as tensões: - CPU_PROCHOT# sai U15D(CPU) / entra U18A(PCH) - 1,8V - OK - PCH libera CPU_PWRGD = PWRGD = Q12 = CPU_PWRGD_SVID_REG = pino 3 PU1 "ISL6265" - OK - pino 2 PU1 libera PWRGD_VCORE / entra U18D(PCH) SB_PWRGD - OK - PCH libera PCIRST# = U6 = BUF_PLT_RST# resseta os ckts - OK - pino 2 PU1 libera PWRGD_VCORE = SB_PWRGD = U8D = INV_BLON = pino 12 J_LCD1 - não tem - SUS_STAT# sai U18D(PCH) / entra U10C(BGA VIDEO) - não usa - NB_LCD_PWR_EN sai U10C(BGA VIDEO) = Q5 = Q6 = PLVDD = pino 28,30 J_LCD1 - não tem - NB_LCD_BKL_EN sai U10C(BGA VIDEO) - 0V / 0,665V depois do start - errado deveria ser 3,3v - tensão em U8(74LVC08) porta AND: - tabela da verdade: função de transferência: C = A . B A B C 0 0 0 0 1 0 1 0 0 1 1 1 - 01 BKL_EN - 3,3V - OK sai da sio(U5) - 02 NB_LCD_BKL_EN - 0V / 0,665V depois do start - errado deveria ser 3,3v - vem U10C(BGA VIDEO) - 03 - 0V - 04 - 0V - 05 SB_BLON - 0V - errado vem U18B(PCH) - 06 - 0V - 07 - TERRA - 08 INV_BLON - 0V - errado deveria ser 3,3v vai pino 12 J_LCD1 - 09 - 0V / 0,665V depois do start - 10 - 0V / 3,3V depois do start - 11 - 0V / 3,3V depois do start - 12 LID_SW# - 3,3V - OK sai J_SW1 e vai sio(U5), U18D(PCH) - 13 SB_PWRGD - 0V / 3,3V depois do start - OK vem pino 2 PU1 - 14 - 3,3V - tudo tá correto, só não temos esses 03 sinais abaixo que serve pra habilitar o sinal INV_BLON = pino 12 J_LCD1 e PLVDD = pino 28,30 J_LCD1: - NB_LCD_BKL_EN - 0V / 0,665V depois do start - errado deveria ser 3,3v - vem U10C(BGA VIDEO) - SB_BLON - errado deveria ser 3,3v - vem U18B(PCH) - NB_LCD_PWR_EN vem U10C(BGA VIDEO) = Q5 = Q6 = PLVDD = pino 28,30 J_LCD1 - não tem - chegamos a conclusão que o problema pode estar no U10(BGA VIDEO) ou U18(PCH) - defeito tava no U10(BGA VIDEO) obs.: a bios pode dá esse problema também, pois temos os sinais SB_PWRGD e BUF_PLT_RST# que é praticamente o último estágio pra CPU ou PCH ler os dados da bios e da memória(pode ter falta de sinal no conector, já que fazemos troca logo de cara) - por que não fazer logo reball nos BGA'S, regravar a bios e não perder tempo? - sim poderia fazer, mas essa não é a intenção desse tópico, a intenção é mostrar o caminho pra encurralar o defeito.- 1 resposta
-
- 3
-
-
- philco
- 6-71-c5500-d02
- (mais 4)
-
 em análise E-MAX - LA-6121P rev 2.0 - tensões de +5vs e +3.3vs com problema!!
jadeilson123 postou um tópico em Notebook's
estou com essa placa que está dando o seguinte problema: as tensões de +5vs e +3.3vs nem sempre aparecem na placa na tensão correta. quase sempre estão abaixo do valor correto... fazendo uma pesquisa no esquema, vi que a tensão de 3.3vs e 5vs, passam por um mosfet que recebe a tensão de +3.3valw e +5valw... tem um mosfet duplo que arma os mosfets para deixar passar a tensão do dreno pro source... vou colocar a foto abaixo para melhor ilustrar... acima mostro onde tem a tensão de 3.3v alw e a de 5v alw. essas tensões vem das bobinas de 3 e 5v... quando liga a placa, essas tensões "alw" passam a ser "vs" para alimentar os setores que dependem dessa tensão.. só que essa placa está com eses valores alterados... a tensão de 3.3v alw, passa pro outro lado com 1.5, 2v... cada vez que liga a placa ela dá uma tensão diferente... mesma coisa acontece com a tensão de 5v. passa 2.5v, 3v... o mosfet duplo (no esquema é o q34) dá uma frescura nele... sempre que eu ressoldo os terminais dele, as tensões de 3.3 e 5v passam normalmente pelos mosfets u32 e u33... mas depois de um tempo, a placa cai a tensão de novo e o vídeo some... na fonte assimétrica, o consumo quando a tensão fica abaixo, fica em 0.19A... quando ela dá vídeo, dá um consumo de 0.80A e 1.20A quando inicializo um sistema nele (no caso coloquei o winpe, com o aida64 no teste de estresse) aí do nada, a tensão cai, o consumo da fonte cai pra 0.19A, 0.20A e a placa para de dar vídeo... aí eu tirei os mosfets u32 e u33, tirei o q34. limpei tudo, coloquei solda nova nos pads da placa e depois recoloquei os componentes no lugar... a placa deu vídeo de novo... aí fica nesse loop infinito... eu ressoldo o q34 ela volta o vídeo... passa o tempo para de dar vídeo. aí eu vou lá no q34 de novo e ressoldo aí a placa volta de novo.... os resistores r223 e r636 estão dando valor abaixo de 330k. ambos estão dando 170k no máximo... medindo na placa mesmo quem puder me ajudar ficarei grato!!! Abraço à todos!!! obs.: como referência, estou usando esse esquema aqui: -
 em análise Sony sve151j11x - da0hk5mb6f0 mbx-269 - não liga sem tensões primarias 5V e 3v.
Celso Loponi postou um tópico em Notebook's
- 28 respostas
-
- mbx-269
- da0hk5mb6f0
- (mais 6)
-
 resolvido TV Semp Toshiba LC4046FDA - Tensões da Fonte Oscilando
Dionatha Alves postou um tópico em TVs de PLASMA, LCD, LED e CRT
Boa noite, essa tv chegou com a fonte queimada, foi encontrado alguns componentes em curto: os 2 mosfets (F13NK50Z) chaveador do chooper, ci pwm (L6599D), fusível . Feito a troca dos componentes avariados, liguei a fonte na lampada serie. A fonte standby acionou normal com 5.1v estável. Antes de ligar na tv, liguei o standby (5.1v) via resistor de 1k ao ps-on, a fonte pfc acionou, porém as tensões estão oscilando, sim todas as tensões, pfc, 5.1v standby, 12v, 24v. Isso com a fonte armada na bancada, fora da tv, tinha feito o teste na tv tbm, não ligou. Alguma coisa esta fazendo a fonte desarmar/entrar em proteção. -
 dica Macbook A1278 - placa 820-2879-B - todas as tensões e não liga
Roberto275803 postou um tópico em Casos resolvidos - Notebooks
Colegas, Mais uma dica importante. Este Macbook tinha todas as tensões. Acendia o led verde do Magsafe, carregava a bateria, mas ao apertar o botão de ligar nada acontecia. 1 - Retirei a placa do gabinete, fiz uma boa limpeza com álcool isopropílico e depois comecei os testes. 2 - Tinha todas as tensões normais e padrões. Bios tinha 3,3 v. 12,5 v na alimentação do PWM de 3,3 e 5 v. 3,3 v no botão de ligar 3 -Resolvi checar próximo ao MCP se tinha 1.05 v e o cristal 32 k Y2810. Então descobri que 1.05 v estava normal, mas tinha tensão 0,64 v no pino 1 do cristal e 0 v na outra perna do cristal. Coloquei o microscópio e dei um grande zoom e observei a trilha interrompida, oxidada entre o R2810 e cristal pino 2. Refiz a trilha com um fio bem fino e problema resolvido. Importante nesta dica é que muita gente partiria logo para reballing do MCP ou troca dele e também pode ser usada em quase todas as placas de notebook e desktop. Se a dica foi boa manda Abs, Roberto -
 dica samsung rv411 ba41-01433a ou ba41-01882 foto da placa mãe com suas tensões
helpnotebook postou um tópico em Casos resolvidos - Notebooks
Boa noite Caros Colegas coloquei com tutorial mas é uma dica espero que gostem... Sempre tive dificuldades em encontrar as tensões nas placas mãe desses notes da samsung por não ter serigrafia na placa pois bem resolvi pegar uma placa 100% funcionando tirei umas fotos e fui medindo todas as tensões e colocando na placa para facilitar o trampo fiz apenas uns pingos e fiz uma tabela de cores tudo detalhado espero q ajude... OBS: coloquei apenas as tensões que considerei importantes espero que ajude pois deu um trampo... E se ajudar num esquece daquele joinha... FIZ AS MEDIÇÕES COM A PLACA DESLIGADA E DEPOIS LIGADA
SOBRE O ELETRÔNICABR
Técnico sem o EletrônicaBR não é um técnico completo! Leia Mais...
