Search the Community
Showing results for tags 'notbook'.
-
 dúvida Preciso do esquema eletrico, LA-D67 Rev : 1.0, Notbook Acer
madriinfo3 posted a topic in Notebook's
Not liga e logo desliga, não da imagen, existe um capacitor que esta aparentemente ruim, vou trocar, porem preciso do esquema- 1 reply
-
- esquema eletrico
- preciso
- (and 8 more)
-
ola amigos to com esse not que esta apresentando o seguinte defeito eu notei que insta lei o windows 11 e vi que ele nao desligava por completo . ficava o led azul ligado como estivesse ibernando, tinha que segurar o power pra desligar por completo, e percebi que o som tinha um x nao instalou, nem o bluetuoth nao encontrou e o usb nao funciona, instalei o windows 10 mas esta a mesma coisa, nao sei se isso é bios
-
 devolvido notbook lenovo lnv l4070- placa MBPRNCSU44-T810 -bios corrompida
gabrielxdz posted a topic in Notebook's
notebook liga, mas não da imagem, passa um tempo desliga. todas as tenções ok preciso do arquivo pra regravar a bios. -
 devolvido notbook acer aspire e1-571, desligando sozinho, apos 30 minutos
JhonBrito 13 posted a topic in Notebook's
Ola Boa noite pessoal, tenho um notbook (acer aspire e1-57) uso ele como desktop, somente a placa mãe, conseguir a pouco tempo, e ela apresenta um problema estranho ela desliga a cada 30 minutos, quando eu ligo novamente no power, o windows não notifica que o computador foi desligado incorretamente. -
 notebook preciso do esquema do notbook philco 14g nao liga
jandi posted a topic in Requests for schematic or bios of notebooks.
bom dia preciso do esquema do not book 14 g e1xctxx mb rev:1.1 agradeço se alguem poder me ajudar -
 em análise Samsung NP275E4E-KD2BR / BA41-02239A / Liga mais não da video
MITECH ASSISTÊNCIA posted a topic in Notebook's
Boa noite pessoal, estou com um samsung NP275E4E-KD2BR que liga e não da imagem. ja troquei memoria, verifiquei se era a tela, cabo flat, resetei bios sem as baterias e nada, também verifiquei todas as tensões da placa mãe e está tudo ok, 5.5v, 1.5v, 3v... A unica coisa que falta é regravar a bios mais não achei em lugar nem um o arquivo para baixar, a Samsung não disponibiliza. Não disponibiliza o esquema também. caso alguém possa me ajudar eu agradeço... -
 devolvido Notbook Positivo Premium N8040 placa mãe MB40IA1 Rev 01 Acende led vermelho, porém não
CoronelStifler posted a topic in Notebook's
Boa noite. Estou com uma placa mãe MB40IA1 Rev 01. Eu alimentava ela com a fonte e ela não dava nenhum sinal de vida.Porém, ao medir com os multímetro eu encontrava as tensões. Oque me chamou a atenção foi o PF1 um fusível que fica logo no conector que server para conectar o extensor do jack, ele tem uma letra marcada em seu corpo "T" ao medir a tensão nele com o jack conectado passa por ele apenas 14,0V, fora que ele tenha uma marcas pequenas em seu corpo como se fosse ele estivesse queimado. Daí troquei ele por um fusível que tinha em seu corpo a letra "C". Conectei o jack e acendeu um led vermelho. Medi esse fusível novamente e estava passando por ele 19Volts e alguma coisa fui seguindo o circuito e fui encontrando as tensões, não sei mais oque fazer, me ajudem pf kkkk.- 55 replies
-
- placa mãe mb40ia1 rev 01
- notbook
- (and 12 more)
-
 dúvida Toshiba L505D-S5965 Modelo 6050A2250801-MB-A02, Liga e não da Vidio
Diego84 posted a topic in Notebook's
Pessoal Boa Noite estou com um Notbook Toshiba L505D, onde ele liga e não da vido. Quando ligo na fonte de bancada, dou start tem um consumo de 1.24 A, e não da vidio nem externo. Alguem pode me ajuda a detectar defeito nesse not? primeiramente ele estava intermitente hora ligava outra não. ja regravei a Bios e nada, testei a memoria ok. -
 bios Bios do notbook dell inspiron 3420
fscoiety.mr posted a topic in Requests for schematic or bios of notebooks.
Boa tarde, alguém tem a bios do dell inspiron 3420? -
conheço a eletrônica br , pelo Google ,sou estudante em eletrônica e desejo aprender mais aqui no fórum.
-
 esquema Notebook SAMSUNG - RV419 - SCALA2-14R-VE REV: 1.1
cristiano Azevedo posted a topic in Requests for schematic or bios of notebooks.
preciso desse esquema eletrico SCALA2-14R-VE REV: 1.1 -
 devolvido Notbook Positivo Premium N8040 placa mãe MB40IA1 Rev 01 Acende led vermelho de forma continua.
CoronelStifler posted a topic in Notebook's
Pequei esse not com o seguinte problema, ele n ligava, nada, daí comecei a fazer as medições, e logo de cara, vi que estava passando pelo fusível 14V, fiz e a troca o mesmo,daí, a placa passou apresentar um led vermlheo de forma continua enquanto conetado a fonte. Medi o fet de comutação "P2003EVG" canal "P" tendo 11,08volts no gate, 19,13V no source e 19,13V no dreno com o vgs de 7,71V. Creio que o correto deveria ser 8volts fechado. Também percebi que no fet PQ503 canal "N" entra apenas 9,38Volts, porém não saí nada no dreno ou source. O que poderia está causando este problema ? -
meu nome é abimael eu conheci o site pelo google moro na cidade de Goiania Go sou estudante estou buscano conhecimento sobre esquemas eletricos de placa maes
-
 em análise NOTBOOK STI NI 1401 PLACA MÃE 71R-A14HV6-T840 - Não Liga
lufdias posted a topic in Notebook's
Boa tarde estou essa placa mae na bancada e analise onde a mesma nao liga. Eu nao tenho curto nela e so encontro os 19v , analisando ela vi que nao tenho os 5v medido o u 16 vi que tenho alimentacao dele e que ele esta gerando os 5v porem ele nao chega na pl1 entao acredito que esteja algum problema no certo da q40 e q43 se alguem puder me ajudar ? -
boa tarde meus queridos estou com notboock da positivo, 4 gb de ram, hd 500 gb processador i3 de primeira geraçao. o mesmo é o usado apenas para reproduçao de videos como playback em uma igreja estava travando e atrapalhando muito na hora de faser o seu serviço. formatei o bunito e resolveu, porem por aguns dias agora o mesmo voltou a apresentar o mesmo defeito, nao tem nada nele apenas alguns playbacks. constatei ao abrir gerenciador de tarefa que esta tendo picos de 100% de disco sem abrir nada apenas o gerenciador. minha duvida é , pode ser a Hd que esta ruim? existe algum programa que detecta isso? serei grato se alguem puder me ajudar. o winwdos instalado é o 8.1
-
 devolvido Notbook Acer Aspire E1-421-0 / DAOZQZMB6C1 Rev:C
luciano rodrigues martins posted a topic in Notebook's
Olá bom dia Estou com um este aparelho não consigo retirar a senha da bios Já retirei a bateria deixei um dia sem ela já fiz um jumper também já tentei usar os códigos para liberar, mas ele não gera codigos acredito que terei que regravar a bios vou deixar a imagem do modelo da bios Windond 25q32bvsig 1315 -
 em análise Notbook HP 1000 placa 6050A2493101-MB-A02 nao liga
cristiano Azevedo posted a topic in Notebook's
Boa tarde a todos estou com esse notbook da hp o mesmo nao liga ta morto fazendo alguns analize percebi que nao tem as tensoes de 3 e 5 v troquei pwm mosfet mas nao subiu alguem pode me da uma ajuda -
Como coloquei no título, o BIOS e I/O desta mobo ficam com umas tensão de aproximadamente 2.45V antes do start. Detalhe, eu já havia trocado o BIOS esta placa antes, pois o mesmo não apresentava tensão alguma, porém no terminal dele sim, troquei por um BIOS novo e já gravado, a placa voltou a ligar normalmente, instalei o windows 8.1. Mas quase sempre que eu ligava a maquina eu tinha que ir no setup do BIOS e refazer toda a configuração, desabilitar o secure boot, selecionar no sistema de destino e talz... A bateria do RTC tem 2V, eu não tenho uma nova para trocar e também não achei necessário troca-lá. Queria saber se posso fazer um jumper de algum ponto do circuito do RTC direto para o pino 1 de alimentação do BIOS. Desde já, agradeço.
-
ola amigos de bancada estou com um notebook Dell modelo 3421 que ao conectar o carregador ele liga e fica dando 3 bipes, ja verifiquei as tenções estão todas presentes porem ela não dar imagem . modelo da placa : PWB 5J8Y4 REV : A00
-
 em análise notbook samsung rv415 placa rv415 ba92-11022b amd. defeito no Conector Jack Rj45
Rafael Hilbig posted a topic in Notebook's
notbook rv415 defeito no rj45 alguem pode me ajudar a fazer os jumpers ? quebrou as soldas ai precisa fazer os jumpers,eu não entendi muito no diagrama. se alguem puder ajudar -
estou com um asus g751jy as vezes liga as vezes não e o driver de video não intala quando liga ja rodei a placa não achei curto a bios da super IO esta sem voltagem 3v pode ser gpu ?
-
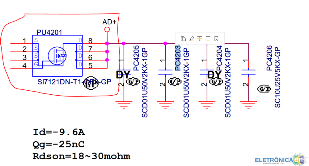
Queria saber se alguem consegue indicar um Mosfet para substituir o SI7121DN-T1-GE3 a placa mae é a FX3MC vou deixa anexado a imagem do coponente da placa vou deixa o datasheet dele anexado
-
notbook dell em curto quando liga a fonte a fonte desliga solicito esquema eletrico ou boardview
-
conheci o EletrônicaBR atrves do Google sou Técnico Conserto de radio, tv, notebook, desktop , amplificadores comecei a mim interessa por eletronica aos 17 anos montando pequenos circuitos eletronicos
-
 resolvido notbook philco 14l mod: 71r-e14rv6-t830 travando na tela de logo da bios
auu.souza posted a topic in Casos resolvidos - Notebooks
Boa tarde galera,to no sufoco danado aq,to com um notbook philco 14l mod: 71r-e14rv6-t830 ele tva funcionando normalmente (diz o cliente) ele desligou ontem e qd foi liga-lo hj acendeu as luzes e nao deu video. eu liguei o notbook e constatei uq o cliente flw.. liguei novamente no monitor externo ele pediu pra entrar em modo de seguranca,eu reiniciei e qd liguei novamente ele ficou travado na tela da logo da philco help-me!!
SOBRE O ELETRÔNICABR
Técnico sem o EletrônicaBR não é um técnico completo! Leia Mais...
