Search the Community
Showing results for tags 'receiver'.
-
 dúvida Ruido em ligação de Toca discos com mixer e receiver Gradiente Spect
Adriano Presley posted a topic in Eletrônica em Geral
Olá amigos estou com um problema de ruido nas caixas de som, que gostaria da ajuda de alguém que puder me ajudar, pois liguei os meus toca discos em um mixer e depois do mixer a um receiver e por fim as caixas de som, porém quando aumento o volume do receiver um pouco mas ele faz um zumbido, pra encargo de conciência, desliguei a conexão dos toca discos e deixei somente ligado o mixer al receiver e mesmo assim faz o zumbido, então acredito eu que o problema esta entre os dois aparelhos, a ligação é feita através da saida phono do mixer a entrada phono do receiver, se eu ligar na saida line do receiver e ligar na entrada auxiliar do receiver não faz barulho porém o som sai muito baixo, então faço a ligação da saida phono do mixer a entrada phono do receiver ai o som sai mais alto porém da este ruido ao aumentar o volume se alguém já pegou algo parecido e puder me ajudar ficarei grato. -
-
Pioneer Digital Media Receiver Ver archivo Pioneer Digital Media Receiver Service Manual Submitter Jorge Miranda Murillo Submitted 27/10/25 Categoría Audio
-
DENON AVR-1908 SURROUND RECEIVER Ver archivo DENON AVR-1908 SURROUND RECEIVER Manual de Servicio Submitter Jorge Miranda Murillo Submitted 27/10/25 Categoría Audio
-
-
 dúvida receiver denon avr-s700w liga e desliga
Marcelo Leal Lemos posted a topic in Aparelhos de Som, GPS, Gadgets e Tecnologia
amigos, ja faz muito que nao conserto som mas caiu este aqui de um amigo pra conserto e tive pesquisando pelo esquema e achei um manual de serviço na net correspondente ao modelo exato, o aparelho liga e fica desligando e ligando em um ciclo interminavel, pesquisei que estes aparelhos tem um circuito de proteçao que e quem faz isto e ai que complica tudo pois constatei tambem que a carcaça esta com 60volts ac e se ligar ela no terra o defeito some isto me indica que o circuito de proteçao e muito sensivel ou ta com defeito, outro fator que constatei e que tem uma fonte standby de 5volts que alimenta o circuito sempre ligada e ela da uma gaguejada na hora que desliga e volta a ligar, tentei ligar ali uma fonte externa de 5volts pra nao gaguejar e tambem o defeito sumiu, mas aparentemente a fonte nao esta com problemas, ela aguenta ate 1,2 amperes estabilizado medido com carga fantasma, pensei tambem em desligar essa proteçao complicada mas nao consegui, a coisa ta complexa de identificar o defeito aqui, se alguem puder ajudar agradeço, vou subir o esquema e postar o link -
-
 esquema receiver denon avr-s700w service manual
Marcelo Leal Lemos posted a topic in File manager
receiver denon avr-s700w service manual Visualizar Arquivo manual de serviço receiver denon avr-s700w Uploader Marcelo Leal Lemos Enviado 11/09/2025 Categoria Áudio -
Bom dia.. sou novo por aqui, acabei de fazer minha conta, e tô tentando consertar um Receiver da Sony que adquiri há alguns dias. Ele não está ligando, somente o barulho do relé. Está inteiro. Um amigo meu que é eletrônico está tentando encontrar o defeito nele, mas ele falou que esse som é um quebra cabeça, e agora estamos precisando do Manual de Serviço dele, onde está o Diagrama Elétrico. Se alguém conhece esse som, me diz.. Ele tem qualidade 4K, algo novo. Mas sem esse Esquema elétrico, não vamos conseguir provavelmente
- 13 replies
-
- 1
-
-
- receiver sony
- alguém
- (and 14 more)
-
NOTA: Veja no final deste tópico (postagem #24) o procedimento completo para o reparo. Click aqui: Postagem #24 =========================================== Prezados, tenho um Akai AA-A35 (foto abaixo da capa do manual) comprei novo no dia 02/09/1992, tenho o manual a caixa original e a nota fiscal que consta o valor de CR$ 1.305.000,00 (que atualizado daria algo em torno de R$ 3.500,00) se alguém tiver curiosidade faço um scam da NF e posto aqui. Reparos que eu fiz: - Conserto do seletor de voltagem; furei e coloquei um micro parafuso central. (ver foto abaixo) - Troquei o super capacitor C8 - 0,047F x 5,5 volts, pois perdia as configurações toda vez que era desligado. Como o Akai AA A35 esta neste momento: - Todas as funções e amplificador inclusive FM Mono e AM funcionam corretamente, com exceção do FM Stereo e do Scam Automático. - Em Scam Manual o AM sintoniza corretamente e aparece o Tuned no display. - Em Scam Manual o FM Mono sintoniza corretamente, mas sem aparecer o Tuned no display - Em Scam Manual O FM Stereo não sintoniza nada nem aparece o Tuned no display. - Em Scam Automático não sintoniza nada em AM, FM Mono ou FM Stereo. O Akai A35, apesar da idade, é todo digital e na tentativa de encontrar uma direção antes de trocar CIs procurei na internet e encontrei que o Akai A35 tem problema crônico no FM, mas ninguém apontou uma solução, quem supostamente encontrou a origem mais comum deste problema guardou para si passando informações sem nenhum sentido induzindo ao erro.
-
 dúvida Receiver Pioneer VSX-D906S - Desligando após alguns segundos que liga
joelsj posted a topic in Aparelhos de Som, GPS, Gadgets e Tecnologia
Olá meus amigos, tudo bem? Estou com esse receiver na bancada para reparo. A princípio eu nada funcionava nele, cliente falou que estava guardado funcionando e quando foi ligar depois de um ano ele não dava sinal nenhum. Abri e estava com muitos pontos de oxidação gerada por alguma umidade, desmontei ele por completo e percebi diversos pontos com solda fria, dei banho químico e refiz todas as soldas frias e outras que não pareciam tão boas. Remontei ele e deu imagem, porém nada de áudio, os transistores de saída estão perfeitos, nenhum sinal de curto, porém, de vez em quando, ao ligar ele fica uns 5 segundos ligados, aparece a mensagem "Power off" piscando na tela e desliga. Já resetei usando o botão de reset na frente do receiver, porém, nada mudou, continua desligando. Não sei se esse modelo tem alguma combinação de teclas. Algum amigo pode me ajudar? -
Receiver Pioneer Vsx-d906s Visualizar Arquivo Esquema completo Receiver Pioneer, modelos: _Vsx-d906s _Vsx-07tx _Vsx-09tx Arquivo possui 113 paginas. Uploader ohm Enviado 21-09-2021 Categoria Áudio
-
 em análise Receiver Yamaha Rx-V463 - Não Liga
wlferreira posted a topic in Aparelhos de Som, GPS, Gadgets e Tecnologia
Boa Tarde a todos! Estou com uma Receiver Yamaha Rx-V463 que não está ligando. Ao pressionar o botão de ligar, faz o barulho do relê porém não liga. Fiz alguns procedimentos e medições porém ainda não consegui resolver o problema. Com o manual service do equipamento fiz o procedimento para retirar do modo de proteção, apertando as teclas indicadas mas sem sucesso. Vi bastaste videos no youtube que indicavam que seria problema em um capacitor especifico, porém a dita placa dos videos é de modelo diferente da minha, mesmo assim, fiz a substituição de todos os capacitores, mas sem sucesso. Medi as tensões no trafo após o acionamento do rele e estão todas corretas segundo o manual . Poderiam me ajudar ? Grato desde já Yamaha RX -V463 -
 resolvido demon 2313ci receiver entrada hdmi nao funciona
geisivan posted a topic in Aparelhos de Som, GPS, Gadgets e Tecnologia
Bom dia, alguém poderia recomendar uma loja online que tenha o ic cu251 Sn74cbt3251 no brasil -
 dúvida Receiver Pioneer VSX-D509S - Volume instável
Carlos s Soares posted a topic in Aparelhos de Som, GPS, Gadgets e Tecnologia
Bom dia, tenho um receiver modelo esquema Pionner VSX-509s , e esta com o volume instavel , ele aumenta e abaixa sozinho , alguém pode me dar uma luz como resolver este problema , ele nao tem potenciômetro mecânico somente digital- 3 replies
-
- volume instavel
- receiver
-
(and 1 more)
Tagged with:
-
 dúvida Duvida transistor Receiver Kenwood KR-5200
oroski posted a topic in Aparelhos de Som, GPS, Gadgets e Tecnologia
Boa tarde a todos, Não tenho muita experiência na área de eletrônica, mas procuro aprender e aprimorar a cada dia, tendo em vista que sou apaixonado pela mesma. Estou tentando reparar um receiver Kenwood kr-5200. Encontrei um transistor 2SC381 com defeito na placa FM-AM IF. No datasheet do componente é apresentado 2 classificações: * 2SC381(O) - hfe min 70 | max 140; * 2SC381(R) - hfe min 40 | max 80; No mercado só encontro o componente sem esta classificação e no manual de serviço indica o transistor 2SC381(R) ou seja, precisaria ser um componente com hfe entre 40 e 80. Gostaria da ajuda de vcs? alguma dica do que poderei fazer neste caso? hfe importa tanto assim? Agradeço desde já.- 4 replies
-
- duvida
- transistor
-
(and 3 more)
Tagged with:
-
 resolvido Receiver Onkyo HT-R592 liga mas não sai som
cmarcelosv posted a topic in Aparelhos de Som, GPS, Gadgets e Tecnologia
Boa tarde amigos do grupo, estou com um receiver Onkyo modelo HT-R592 que de repente parou de sair som, funciona todas as funções mais não sai audio. percebi que uma peça estava esquentando além do normal que é a " Ci Adv7623bstz " e é a controladora hdmi. Não sei porque ficou sem som em outras etapas do receiver como por exemplo o FM. Alguém já pegou esse defeito e resolveu? se sim gostaria que compartilhassem como foi que resolveram e se tem como só eliminar esse CI mais deixando o som funcionando. Pensei em retirar o CI e se isso poderá fazer o som funcionar ou sem ele não funcionaria. Pensei também em substituir o CI por um novo, mais não sei se será só ele ou outra peça também. Aguardo uma dica para tentar solucionar esse problema. -
 bios Dados flash do receptor NanoSat NS-X3 Digital satelite receiver
Username2 posted a topic in File manager
Dados flash do receptor NanoSat NS-X3 Digital satelite receiver Visualizar Arquivo Dados flash do receptor NanoSat NS-X3 Digital satelite receiver W25P16 Uploader Username2 Enviado 23-04-2020 Categoria Receptores Satélite, Cabo, DVR e HDVR -
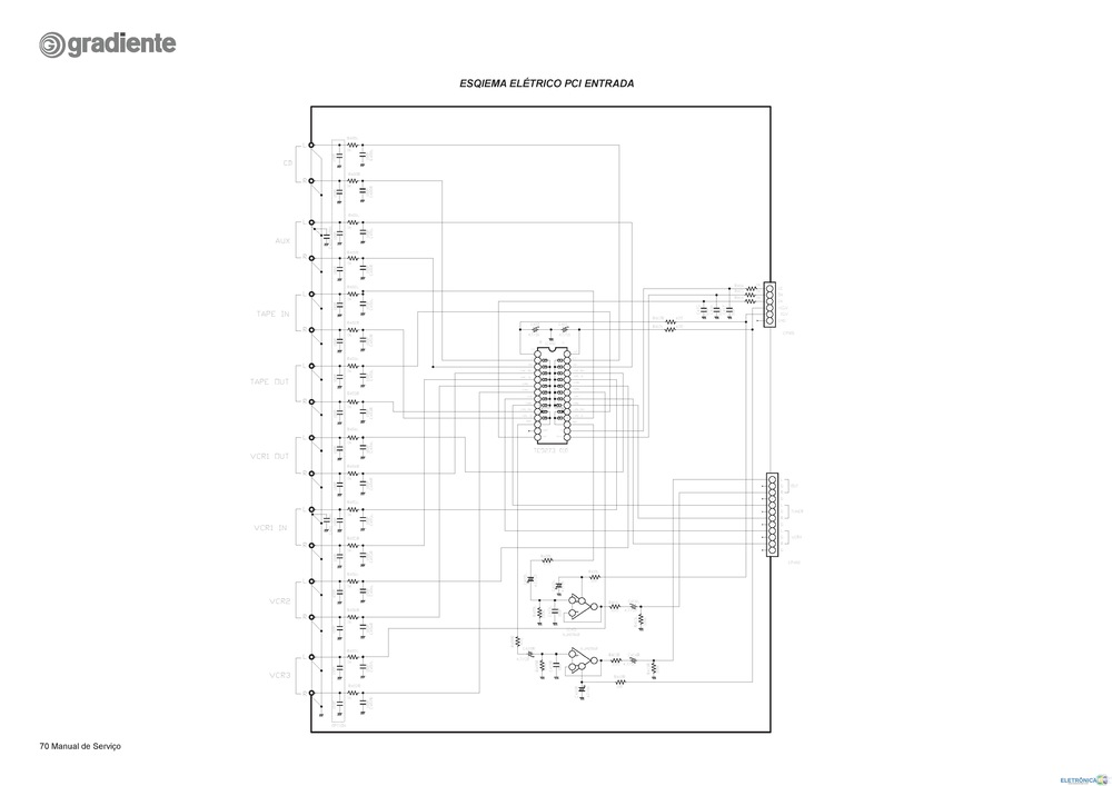
 tutorial Esquema Elétrico Gradiente - RECEIVER ESOTECH DR 5.5 HT
Reginaldo Souza posted a topic in Eletrônica em Geral
-
 bios Dados flash do receptor NanoSat NS-X3 Digital satelite receiver
Username2 posted a file in Satellite Receivers, Cable, DVR and HDVR
-
SOBRE O ELETRÔNICABR
Técnico sem o EletrônicaBR não é um técnico completo! Leia Mais...
