Ir para conteúdo
  • Cadastre-se
  • Posts Por Dia

    0.06
  • Posts

    233
  • Registrado em

  • Última visita

  • Créditos EBR

    738 [ Doar ]

Tudo que Herik publicou

  1. Bom, resumindo... nunca precisei usar na assistência, mas se o valor de um Osciloscópio com essa função não fizer diferença pra você no bolso... vai de você avaliar se precisa ou não. Acho que seria mais como um PLUS e não como algo essencial. Abraço
  2. @Saul B. Britto Não sei se deixei claro, mas eu estava falando sobre o analisador lógico, e não sobre o Osciloscópio. Que o Osciloscópio é e sempre será importante em uma bancada de eletrônica isso não tem nem discussão, o que o amigo @JoãoNeto queria saber é sobre a função de analisador lógico (portas 0 e 1) que alguns modelos possuem. No dia a dia eu uso muito mais o Osciloscópio e até deixo o multímetro encostado, mas nunca precisei utilizar um analisador lógico, acho que isso que o nosso amigo gostaria de saber, correto @JoãoNeto? Abraço
  3. Tem seu valor, mas não é importante. Se você trabalha com manutenção de eletrônicos (tv, monitor, som, etc..), dificilmente você vai usar. Acho que quem mais se beneficia disso são os projetistas de circuitos. Minha opinião
  4. Só consegui fora do Brasil, no site da https://www.fullcompass.com mas aparentemente faz um tempo que eles não tem mais essa placa em estoque pra venda.
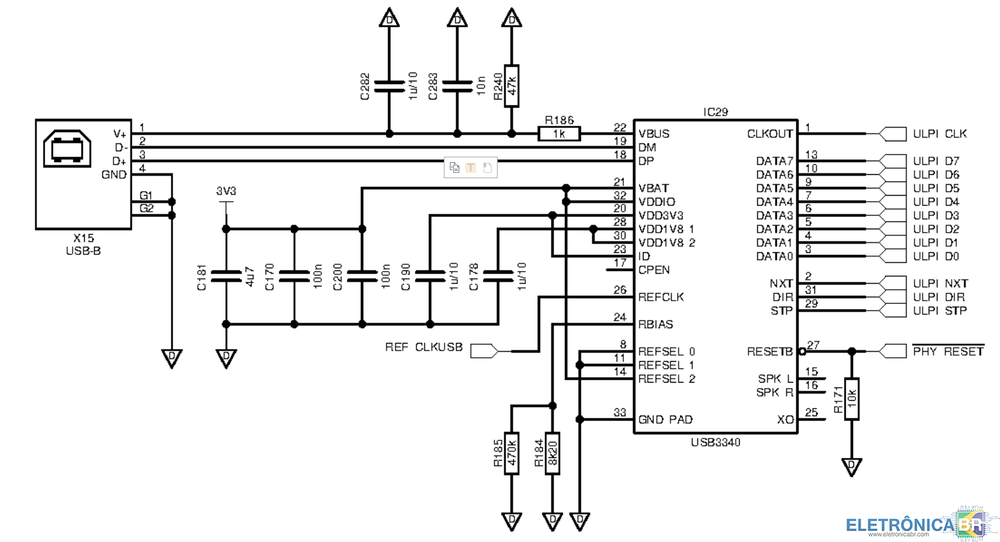
  5. Segue o esquema do USB da XR18 para ajudar na análise. Teste a alimentação de 3V3 em C181, caso esteja normal procure por defeitos em capacitores e resistores, caso todos estejam bons, suspeite do CI USB3340
  6. Quais testes já foram feitos? Parece simples, mas já testou com outro cabo USB e com outro computador? Drivers estão instalados?
  7. Só encontrei para comprar em site americano. A Loja se chama fullcompass https://www.fullcompass.com Mas foi bem difícil conseguir comprar, pois precisei de ajudar de um amigo meu americano, que comprou pra mim, e trouxe para o brasil.
  8. @Gilberto Giardini Weber, eu tenho 2 fontes dessa montada e as duas eu utilizo o volt/amp sem nenhum problema. Já pensou que o problema pode ser no seu volt/amp? já checou a ligação dele se está correta? Qlq coisa posta uma foto da ligação. Abraço
  9. Olá @Thiago Warly ... comprei ela em um site chamado FULLCOMPASS. Porém pelo que vi agora no site deles, infelizmente não tem mais a placa disponível para venda.
  10. Posta o link pra gente, não encontrei na pesquisa
  11. Também estou precisando...
  12. Herik

    em análise Acer E5-574 / MB DAOZRWMB6GO / Não Liga

    Alguém conseguiu o esquema? Resposta da primeira: reduzir R Resposta da segunda: 2,5V Resposta da terceira: Acende em ambos os casos Resposta da quarta: 27 e 3 Resposta da ultima: 1F, 2B, 3M, 4N
  13. O circuito já limita, quem faz esse controle se não me engano é o resistor R7 de 0,47 R
  14. Parabéns pela iniciativa da montagem, espero que consiga monta-la sem problemas. Em relação a tensão ser menor (23V) não há problemas e nem será necessário realizar nenhuma modificação. Eu mesmo já testei esse projeto com Trafo de Nobreak nos primeiros testes e ocorreu tudo bem. Em relação a corrente, tente respeitar o MAX de 3A do projeto para não ter maiores problemas. Att,
  15. Olá a todos, A placa que estava esperando chegar ao Brasil chegou!. Fiz a substituição e agora a mesa de som está como Nova! Agora que já estou com a mesa operacional novamente, vou tentar analisar mais com calma a outra placa para ver se descubro algo. Obrigado!
  16. Olá a todos, Já fiz a atualização do FW e não resolveu, acabei comprando outra mainboard nos EUA, estou aguardando um amigo trazer para o Brasil. O que fiz por ultimo (já que comprei outra mainboard) foi um reflow no BGA do microcontrolador, aparentemente diminuiu o problema, já faz alguns dias que ela não trava mais, nem perde conexão... estou usando ela a umas 2 semanas assim... porém não sei se isso resolveu o problema pois precisaria de mais tempo de testes. Qualquer novidade eu posto aqui pra vocês.
  17. Olá a todos! Estou com uma mesa de som digital modelo XR18 da Behringer, ela apresenta o seguinte sintoma: As vezes quando você liga ela comunica normalmente com o computador / Tablet, as vezes a placa de comunicação não liga ( existe um led vermelho na placa que indica que está funcionando ). As vezes é necessário desligar e ligar algumas vezes até que a placa de comunicação ligue e funcione corretamente. O que já foi feito: Verificado as tensões da fonte ( +15, -15, +48, +5 ).. todas OK e sem ripple, analisadas no osciloscópio. Troca dos capacitores eletrolítico da placa de comunicação. Não encontrei o esquema dessa mesa na internet, se alguém tiver e puder compartilhar. Obrigado.
  18. Brasil 2 x 0 Costa Rica
  19. @dck Outra coisa...várias partes do circuito usam a tensão de 3V3... então pode haver curto ou fuga em outros lugares também que usam essa tensão. Você pode usar uma fonte de bancada ajustada em 3V3, limitando a corrente em 1A e veja se há consumo, e se algum componente esquenta.
  20. @dck Tem um problema na linha de VCC_3v3. Procure por algum capacitor ou componente em curto ou com fuga no circuito onde é gerado os 3V3. Segue no esquema abaixo:
  21. @dck Acredito que cometi um erro... o pino 36 "PROT" é de PROTEÇÃO. Ele vai pra nível baixo quando existe tensão no pino 26 EN. Ou seja, quando é acionado a proteção, o pino 36 vai pra nível alto, fazendo o Mosfet cortar. Verifique se tem a tensão de 3.3V no pino 26. Se possível faça essa medição com o Osciloscópio para ver se não tem nenhum ripple.
  22. @dck Segundo o datasheet do mosfet 9435 a tensão de disparo dele é de -1v até -3v. Se vc encontrou 5,2 no gate, então ele nao esta sendo acionado... O ideal seria ver em um osciloscopio se ele tem uma onda quadrada no gate.

SOBRE O ELETRÔNICABR

EletrônicaBR é o melhor fórum técnico online, temos o maior e mais atualizado acervo de Esquemas, Bios e Firmwares da internet. Através de nosso sistema de créditos, usuários participativos têm acesso totalmente gratuito. Os melhores técnicos do mundo estão aqui!
Técnico sem o EletrônicaBR não é um técnico completo! Leia Mais...
×
×
  • Criar Novo...