Pesquisar na Comunidade
Mostrando resultados para as tags ''mini system''.
Foram encontrados 5 registros
-
 dúvida Panasinic max 770
alanpeçanha postou um tópico em Identificação e Equivalência de Componentes
boa noite amigos estou com um mini system max 770 quando ligo ele aciona o cooler e 3 segundos ele ja deslica , a fonte testei a entrada esta normal e mas a frente esta com 3v mas a placa nao tem prefixos . -
 esquema Mini System Panasonic - SA-AKX72SA - AKX72PN - Service Manual
warezland postou um tópico em Gerenciador de arquivos
Visualizar Arquivo Mini System Panasonic - SA-AKX72SA - AKX72PN - Service Manual Mini System Panasonic - SA-AKX72SA - AKX72PN - Service Manual Uploader warezland Enviado 22-11-2017 Categoria Áudio-
- service manual
- panasonic
- (mais 2)
-
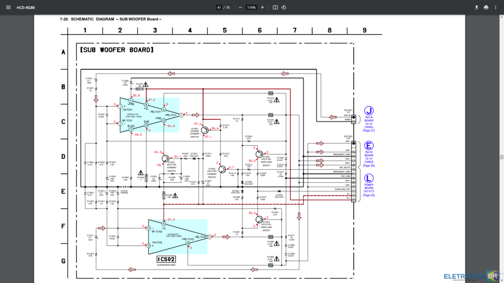
 resolvido Sony MHC-RG88 Sem som no Subwoofer
WillSom Filho postou um tópico em Casos resolvidos -Ap Som, GPS, Gadgets e Tecnologia
Olá! Sou novo aqui, então espero estar criando esse tópico no lugar certo. O primeiro problema que achei, foi no relê so Sub (RY801). Mesmo ele fechando não passava audio. Mas o problema continuou, o audio só começa a sair depois que o aparelho fica um tempo ligado, as vezes iniciando com uns ruidos um pouco alto (mesmo estando em volume baixo) As vezes esses ruidos provocam o desarmamento dos relês e acaba dando proteção (reles RY501 caixas fontais, RY502 caixas surround ). O audio chega na placa pelo o conector NO1001, e tem entrada pelo pino 1 do STK (412-120S). Está faltando -34V no pino 12 e -33,5 no pino 5 do STK, não importa a escala do multimetro, com a pronteira preta em qualquer parte do aparelho (que sirva como GND), e a vermelha na base do transistor (Q1001), ou em qualquer componente da mesma trilha, o som fica OK. No emissor e coletor, está em entre -32/33V Já troquei esse transistor, que tirei de uma outra placa sony, mas o problema persiste. (se eu encostar a ponteira em outros componentes na mesma trilha da base do transistor, o audio também fica OK ) Os transistores Q1004 e Q1054, quando encosto a ponteira no pino do meio (coletor) o relê desarma e aparece a típica mensagem de proteção. Fiz o teste fora da placa e parecem ok. Mesmo assim, devo trocar esses dois transistores? A ultima foto, mostra o transistor original do aparelho em teste (Q1001). Qualquer ajuda eu agradeço. -
 dúvida Mini Hi-Fi System Semp Toshiba MS 7980Mus Não Lê Certos Formatos de Música
João Pedro9800C postou um tópico em Aparelhos de Som, GPS, Gadgets e Tecnologia
Pessoal, quero expor uma dúvida aqui que até hoje eu não vi ninguém falando sobre a mesma em relação ao mini system da Toshiba MS 7980mus... Seguindo a descrição do manual, diz que o aparelho lê pendrive com músicas entre 128kbps e 320kbps, porém no meu pendrive eu tenho músicas de 128kbps, 160kbps e 320kbps, e várias músicas o aparelho não lê. Ele trava totalmente ali no momento de reproduzí-las, e fazendo alguns testes são exatamente as músicas com qualidade de 320kbps... a única forma de o aparelho ler todas, é convertendo para 128 ou 160kbps, porém tenho muitas músicas em boa qualidade que estão em 320kbps... há alguma coisa para fazer no aparelho, atualização ou algum reset, correção ou ajuste? Alguém passou ou passa por isso também? Valeu!! -
-
- service manual
- panasonic
- (mais 2)
SOBRE O ELETRÔNICABR
Técnico sem o EletrônicaBR não é um técnico completo! Leia Mais...
