Ir para conteúdo
View in the app

A better way to browse. Learn more.

EletrônicaBR.com

A full-screen app on your home screen with push notifications, badges and more.

To install this app on iOS and iPadOS
  1. Tap the Share icon in Safari
  2. Scroll the menu and tap Add to Home Screen.
  3. Tap Add in the top-right corner.
To install this app on Android
  1. Tap the 3-dot menu (⋮) in the top-right corner of the browser.
  2. Tap Add to Home screen or Install app.
  3. Confirm by tapping Install.

SMS Power Vision II uPV3000BiFX - [PCIV007240] - Nem liga

Featured Replies

Postado

Olá pessoal,

 

Estou com este SMS, não dá sinal de vida.

 

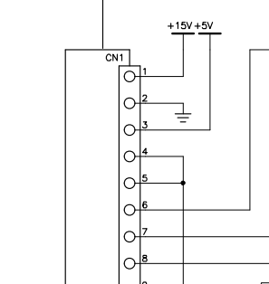
Analisando a placa, identifiquei:

 

Q5 - D44H11 - Em curto

Q1 - D45H11 - Em curto

Diodo D5 - Em curto

 

Na placa do processador, SCMSC106102, nos dois LM, tenho curto do pino 4 pro 11.

Então, suspeito que o processador tenha danificado também. 

 

Dúvidas: Tenho como testar o esse processador de forma simples?

Consigo comprar essa placa do processador em algum lugar?

 

Abraço,

 

Editado: por Thiago Grivot

Postado

A placa com o processador so com o fabricante.

Normalmente retiro o LE50 e alimento a placa do processador com 5V de uma fonte externa, verifico se esquenta

image.png.f71421240c28f652c84272b6a2e2fe4f.png

image.png.b78541add003f3a0962a26020d17fb35.png

A discussão sobre "SMS Power Vision II uPV3000BiFX - [PCIV007240] - Nem liga" rendeu 14 respostas! Cadastre-se agora mesmo ou entre na sua conta para desbloquear a leitura e participar da conversa com a galera.

Participe agora da conversa!

Você pode postar agora e se cadastrar mais tarde. Se você tiver uma conta, faça login para postar com sua conta.

Visitante
Responder

Account

Navigation

Pesquisar

Pesquisar

Configure browser push notifications

Chrome (Android)
  1. Tap the lock icon next to the address bar.
  2. Tap Permissions → Notifications.
  3. Adjust your preference.
Chrome (Desktop)
  1. Click the padlock icon in the address bar.
  2. Select Site settings.
  3. Find Notifications and adjust your preference.