Evangelista Santos
Membros-
Posts Por Dia
0.16 -
Posts
34 -
Registrado em
-
Última visita
-
Créditos EBR
40 [ Doar ]
Tipo de Conteúdo
Fórum
Downloads
Blogs
Galeria
Assinaturas
Calendário
Tudo que Evangelista Santos publicou
-
@FRANCISCO Bom dia, amigo! No meu caso foi resolvido o defeito trocando as barras de leds. O sistema de iluminação voltou a funcionar com a troca, e a tv está funcionando normalmente. Mas no seu caso, vc precisa testar se os sinais de onda quadrada estão chegando no ci que controla as barras de leds, esse ci fica na fonte de alimentação.
-
@ohm Fiz o teste, e a barra de led não permaneceu acessa. A tv assim que liga, liga junto da barra de leds e então, depois de 1 segundo a barra de leds apaga. A barra ou a fonte estão com defeito?
-
Oi, obrigado, amigo! Vou fazer o teste. Quando eu colocar a ponta de prova no pino a-dim o que deverá acontecer?
-
Boa tarde, gente! Eu estou com uma tv 4k de lcd/led de 55 polegadas da tcl, que está com defeito no sistema backlight. Ao ligar essa tv aparece a logo da Tcl e em 3 segundos as barras de led apagam e não ligam mais, ficando assim, a tv sem imagem. Eu já medi as tensões no secundário da fonte de alimentação e percebi o seguinte: 12v, 3v ps-on, 3,2v bl-on, 3,2v a-dim, 3,2v dim-pwm, 0v bl-boost. Eu notei que ao ligar a tv ainda é possivel perceber o sinal pwm de controle dos leds backlight, vindo da placa principal, no pino "a-dim". Porém o sinal de onda quadrada vai sumindo rápido e desaparece exatamente quando as barras de led se apagam, e então o televisor permanece sem iluminação e sem sinal de onda quadrada tbm. Eu estou em duvida se o defeito esta na placa principal ou se estaria nas barras de led, podem me ajudar? Agradeço qualquer dica
-
 dúvida Tv Samsung, un32j4000ag, sem imagem.
Evangelista Santos respondeu o tópico de Evangelista Santos em TVs de PLASMA, LCD, LED e CRT
@ohm Obrigado, mas não consigo ver o tópico. Eu não tenho permissão. Como eu faço?- 7 respostas
-
- sem imagem na tela
- samsung
- (mais 4)
-
Tv Samsung, un32j4000ag, sem imagem.
Evangelista Santos respondeu o tópico de Evangelista Santos em TVs de PLASMA, LCD, LED e CRT
@ohm Essa tv tem v-con. A foto abaixo é de quando vc acaba de ligar a tv, a tela fica completamente branca. @ohm depois de 40 segundos a tela fica assim:- 7 respostas
-
- sem imagem na tela
- samsung
- (mais 4)
-
Tv Samsung, un32j4000ag, sem imagem.
Evangelista Santos respondeu o tópico de Evangelista Santos em TVs de PLASMA, LCD, LED e CRT
Eu tbm não encontrei um esquema dessa placa principal, o esquema da tv un32j4000af não mostra essa placa. A placa dessa tv é a bn94-7831u. Se algum dos colegas puderem me dar uma dica ou indicar um esquema compatível eu ficaria agradecido.- 7 respostas
-
- sem imagem na tela
- samsung
- (mais 4)
-
Tv Samsung, un32j4000ag, sem imagem.
Evangelista Santos respondeu o tópico de Evangelista Santos em TVs de PLASMA, LCD, LED e CRT
Um detalhe... Eu já troquei as barras de led dessa tv, pois quando ela chegou, só havia o defeito que a fazia ficar com o Backlight apagado, e eu acreditei que o defeito estaria no Backlight. Mas não obtive sucesso no conserto, então troquei a placa principal, aí então, o defeito dos leds foi sanado. Mas só naquele momento, porque o defeito dos leds voltou e além dele, a imagem também está completamente branca, como eu já disse acima.- 7 respostas
-
- sem imagem na tela
- samsung
- (mais 4)
-
 dúvida Tv Samsung, un32j4000ag, sem imagem.
Evangelista Santos postou um tópico em TVs de PLASMA, LCD, LED e CRT
Boa tarde, gente! Estou consertando uma tv Samsung em que ela apresenta os seguintes sintomas; as barras de led funcionam corretamente somente algumas vezes, mas funcionam. Porém em muitos momentos o Backlight permanece desligado. Além disso, a tela da tv está completamente branca. Portanto são dois sintomas, a tela branca e o Backlight que liga ocasionalmente. Tirando isso a tv funciona, pois tem som. Quanto ao defeito do Backlight, eu reparei que no ci controlador dos leds (bd9397efv) existe as tensões de 19v (vcc), 0v (fail), 2,2v (PWM). E na placa t-com existem as tensões de 12v (vcc), - 6,5v (vgl), 30v (VGH), 32v (VGhf) 0v (hvaa), 3,3v (vdd33)- 7 respostas
-
- sem imagem na tela
- samsung
- (mais 4)
-
 dúvida Tv Samsung, un32j4000ag, sem imagem.
Evangelista Santos postou um tópico em TVs de PLASMA, LCD, LED e CRT
Boa tarde, gente! Estou consertando uma tv Samsung em que ela apresenta os seguintes sintomas; as barras de led funcionam corretamente somente algumas vezes, mas funcionam. Porém em muitos momentos o Backlight permanece desligado. Além disso, a tela da tv está completamente branca. Portanto são dois sintomas, a tela branca e o Backlight que liga ocasionalmente. Tirando isso a tv funciona, pois tem som. Quanto ao defeito do Backlight, eu reparei que no ci controlador dos leds (bd9397efv) existe as tensões de 19v (vcc), 0v (fail), 2,2v (PWM). E na placa t-com existem as tensões de 12v (vcc), - 6,5v (vgl), 30v (VGH), 32v (VGhf) 0v (hvaa), 3,3v (vdd33)-
- sem imagem na tela
- samsung
- (mais 4)
-
 dúvida Tv Panasonic tc-40c400b, Backlight parcialmente apagado.
Evangelista Santos respondeu o tópico de Evangelista Santos em TVs de PLASMA, LCD, LED e CRT
Quando a tv estava funcionando com o brilho normal da tela, eu aproveitei para medir as tensões e percebi que a fonte libera para as barras de led aproximadamente 46 v, quando está funcionando bem. Quando a tv apresenta o defeito de ficar com a intensidade do backlight baixa, a fonte libera 33 v para as barras de led. @edu_tec obrigado pela dica, amigo!- 6 respostas
-
- panasonic
- tc-40c400b
- (mais 4)
-
@edu_tec Fui testar as barras, então consertei o barramento de leds antigo e liguei o conector da barra de leds nele, quando ligo a tv ela liga todos os leds porém o brilho é fraco. Entende? A tv liga a barra, mas o brilho é fraco e a imagem fica muito difícil de ser vista. Tanto nas barras de led novas que estão instaladas na tv, como na barra antiga consertada.
- 6 respostas
-
- panasonic
- tc-40c400b
- (mais 4)
-
Pelo o que eu conheço, esses sinais estão indicando o correto funcionamento das barras de led e da placa principal também. Por enquanto eu estou meio perdido, acreditando que o defeito está na fonte. Qualquer dica dos amigos, eu agradeço!
- 6 respostas
-
- panasonic
- tc-40c400b
- (mais 4)
-
- 6 respostas
-
- panasonic
- tc-40c400b
- (mais 4)
-
- 6 respostas
-
- panasonic
- tc-40c400b
- (mais 4)
-
 dúvida Tv Panasonic tc-40c400b, Backlight parcialmente apagado.
Evangelista Santos postou um tópico em TVs de PLASMA, LCD, LED e CRT
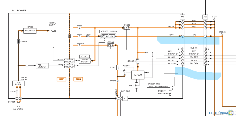
Boa tarde, gente! Eu estou com uma tv de led Panasonic em que a mesma apresenta defeito no sistema de iluminação Backlight. O sintoma é o seguinte: A tv fica por algum tempo ligada com a iluminação dos leds normais, e após um determinado período, que pode levar horas ou até segundos, os leds apagam. Porém não apagam todos os leds. De início, eu troquei as barras de led acreditando que seria essa a causa do defeito, mas esse defeito persiste. Eu notei que os sinais bl_on, bl_pwm que vêem da placa principal estão em nível alto (3,3v) e no caso do sinal bl_pwm, o mesmo está oscilando em nível alto e com forma de onda quadrada indicando que a tv está recebendo os sinais corretos da placa principal. Vi também que o sinal bl_sos da placa da fonte está em nível baixo (0v) quando a tv está ligada.- 6 respostas
-
- panasonic
- tc-40c400b
- (mais 4)
-
 resolvido Tv Philips, 55pug7406/78, Sem imagem
Evangelista Santos respondeu o tópico de Evangelista Santos em Casos resolvidos - TVs
Muito obrigado a todos pela ajuda! Vcs são 10!- 26 respostas
-
- philips
- sem imagem
- (mais 7)
-
 resolvido Tv Philips, 55pug7406/78, Sem imagem
Evangelista Santos respondeu o tópico de Evangelista Santos em Casos resolvidos - TVs
@AMDRÔMEDA @ohm Eu fiz um jamper entre o source e o dreno do Mosfet q401, então liberou a tensão de 12v para a Tcom, ligou a tela e pude fazer ajustes no menu de serviço normalmente. Após isso, eu removi o jamper. Muito obrigado a todos pela ajuda! Vocês são 10!- 26 respostas
-
- 1
-
-
- philips
- sem imagem
- (mais 7)
-
 resolvido Tv Philips, 55pug7406/78, Sem imagem
Evangelista Santos respondeu o tópico de Evangelista Santos em Casos resolvidos - TVs
Bom dia, gente! Consertei a tv. De fato, quando alimentei a placa Tcom com 12v, a imagem do televisor voltou. Então eu vi um menu de serviço onde informava que o software da mesma estava corrompido, acessando as opções do menu dava para apagar os dados corrompidos e restabelecer as configurações de fábrica. Fazendo esse ajuste a tv voltou a ligar normalmente, e então eu removi a alimentação de 12v "artificial". Com o software corrompido, o micro não libera a tensão de ligar a tela nessa tv- 26 respostas
-
- 1
-
-
- philips
- sem imagem
- (mais 7)
-
 resolvido Tv Philips, 55pug7406/78, Sem imagem
Evangelista Santos respondeu o tópico de Evangelista Santos em Casos resolvidos - TVs
@AMDRÔMEDA eu tbm pensei em dar um jamper do Souce para o dreno do Mosfet 401, mas parece que a fonte de bancada é mais segura mesmo- 26 respostas
-
- philips
- sem imagem
- (mais 7)
-
 resolvido Tv Philips, 55pug7406/78, Sem imagem
Evangelista Santos respondeu o tópico de Evangelista Santos em Casos resolvidos - TVs
@AMDRÔMEDA eu tenho uma fonte de bancada, mas ela tem só 2 amperes de corrente. Vai ser seguro?- 26 respostas
-
- philips
- sem imagem
- (mais 7)
-
Tv Philips, 55pug7406/78, Sem imagem
Evangelista Santos respondeu o tópico de Evangelista Santos em Casos resolvidos - TVs
@AMDRÔMEDA Realmente dos dois lados do resistor r464 tem 0v. Então eu vou tentar seguir essa linha- 26 respostas
-
- philips
- sem imagem
- (mais 7)
-
Tv Philips, 55pug7406/78, Sem imagem
Evangelista Santos respondeu o tópico de Evangelista Santos em Casos resolvidos - TVs
@AMDRÔMEDA Gate do Mosfet q401 tem 11,6v. Então o Mosfet q401 tem souce 11,9v, dreno 0v e Gate 11,6v. O transistor q402 tem no coletor 11,8v, na base 0v e no emissor 0v.- 26 respostas
-
- philips
- sem imagem
- (mais 7)
-
Tv Philips, 55pug7406/78, Sem imagem
Evangelista Santos respondeu o tópico de Evangelista Santos em Casos resolvidos - TVs
@AMDRÔMEDA tá certo- 26 respostas
-
- philips
- sem imagem
- (mais 7)
SOBRE O ELETRÔNICABR
Técnico sem o EletrônicaBR não é um técnico completo! Leia Mais...
