Ir para conteúdo
  • Cadastre-se
  • Posts Por Dia

    0.35
  • Posts

    1.400
  • Registrado em

  • Última visita

  • Créditos EBR

    3 [ Doar ]

4 Seguidores

Informação Pessoal

  • Localidade
    Araucaria
  • Texto pessoal
    Se ajudei joinha pra nois.

Últimos Visitantes

O bloco dos últimos visitantes está desativado e não está sendo visualizado por outros usuários.

Conquistas de Nogas

  1. Boa tarde, alguem tem Esquema ou pinout Central Multimidia CA541614 Outlander 2.0L ?
  2. ja estou achando que é defeito do super io. tentei aterrar o acin# direto no super io e nada mudou
  3. Não tem QE2 nesta placa .... esta esta dando dor de cabeça
  4. pino 24 = 6,1v pino 5 não esta sendo aterrado, não gera continuidade até o corpo das usbs com a fonte conectada..... Posso fazer jumper para testar ?
  5. Notebook Lenovo Ideapad 310-14ISK Placa NM-A752 Rev:1.0 Não Liga Retiro a PR301 e os mosfets pq311 pq312 trabalham libera os 19V e 24v nos pinos 4 , porem estranho o ACIN fica em 1,07V Esta placa esta dando uma trabalheira .... se faço jumper direto pino 5 pq311 para pr301 o notebook funciona normal só não funciona o circuito de charger ... obvio ... so fiz para testar.
  6. Bom dia colegas, estou com esta Rx 5600 XT Gigabyte - CAN ICES-3 (B) / NMMB-3 (B) - não da video Ela esta sem VDDCR_GFX, alguma sugestão ? chip gpu com defeito ou trocar o u506 ?
  7. Bom dia colegas, desculpe a demora para finalizar este topico, mas consegui resolver, o que fiz foi adaptar um power button destes de PC dentro da trava dianteira do passageiro pois não achei aquela chave interna da trava para vender em lugar nenhum, então deu certinho, tinha um espaço interno que coube certinho, pena não ter tirado uma foto, depois revisei toda caixa de fusivel, tinha fusivel queimado e fusivel faltando, revisei toda fiação, tinha fio rompido tambem, ai funcionou todas as portas inclusive porta malas, obrigado a todos pelas dicas. Agora estou me batendo para arrumar a direção eletrica que é complicada tambem, pois não achei em lugar nenhum da internet como testa o sensor de rotação, tentei com multimetro em escala de resistencia .... testando em todas as resistencias não obtive resultado nenhum .... se tiver alguma dica como testar com multimetro agradeço, no scanner não apresentou erro no sensor, o modulo da direção ja troquei 2x e queimou os 2.
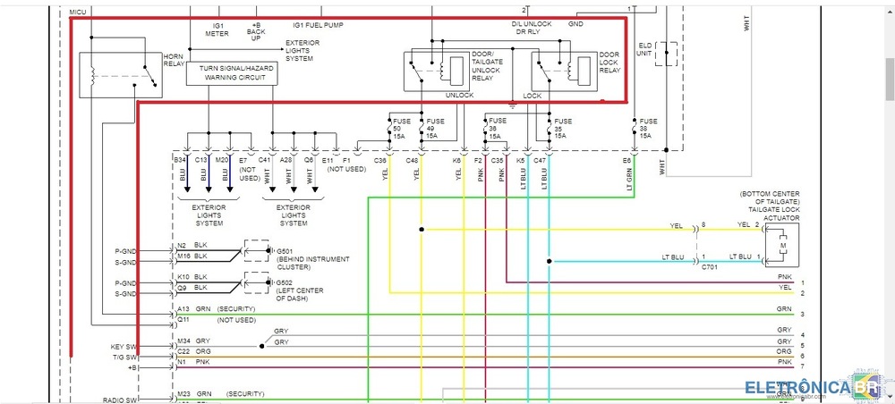
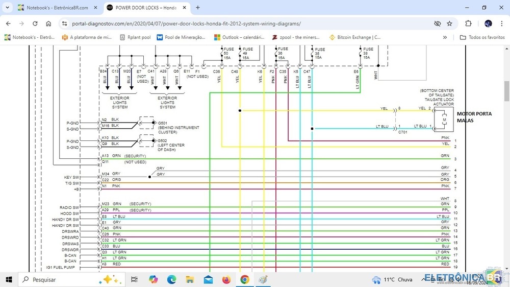
  8. Analisando melhor o esquema são 2 relês internos e 1 relê soquet, o relê soquet controla unlock da porta do motorista e os outros 2 relês controlam unlock das outras 3 portas e o porta-malas, então se a porta traseira direita esta funcionando perfeitamente deduzimos que não temos problemas nos relês, amanhã vou revisar toda fiação do lado direito começando pela do porta malas que é mais simples.
  9. Me corrijam, mas fiz uma linha vermelha indicando pelo que entendi que são os componentes que ficam dentro da caixa de fusivel, então tem 2 reles que ficam dentro da caixa e 1 que fica fora da caixa que controlam as travas. Neste carro a caixa de fusivel foi trocada pois a dele a enchente danificou.
  10. E como faz a programação ?
  11. Uma duvida tambem é que se em unlock uma fase do motor tem que estar em GND, ou troca para gnd quando da o comando lock na chave ?
  12. Bom dia colegas, uma duvida o botão de comando dos vidros elétricos do lado do motorista interfere algo nas travas do lado direito ? Só para relembrar este carro não funciona as travas do lado direito e tambem a do porta malas, outra duvida, achei a pagina 01 do diagrama, se alguem puder olhar e me explicar se esta certo a marcação que fiz dos motores ( M ), não tem no diagrama o motor da porta lado esquerdo traseiro, pois é na pagina 02 e ai só comprando o diagrama, tambem não importa muito pois as 2 portas do lado esquerdo funcionam. Se o diagrama estiver correto proximo passo é testar toda fiação.
  13. esta é a chave sensor de porta trancada ou destravada das portas, fica dentro das travas eletricas.

SOBRE O ELETRÔNICABR

EletrônicaBR é o melhor fórum técnico online, temos o maior e mais atualizado acervo de Esquemas, Bios e Firmwares da internet. Através de nosso sistema de créditos, usuários participativos têm acesso totalmente gratuito. Os melhores técnicos do mundo estão aqui!
Técnico sem o EletrônicaBR não é um técnico completo! Leia Mais...
×
×
  • Criar Novo...
.