Pesquisar na Comunidade
Mostrando resultados para as tags ''bq24780s''.
Foram encontrados 6 registros
-
BQ24780S pdf Visualizar Arquivo Datasheet completo do chip BQ24780S, existe um outro datasheet online mas nao descreve o funcionaemnto completo do chip, este sim. Uploader Marcelo Leal Lemos Enviado 22/08/2025 Categoria Datasheets
-
-
 doc BQ24780S 1 to 4 Cell Hybrid Power Boost Mode Battery Charge Controller
Carlos Porto postou um arquivo em Datasheets
12 downloads
1 to 4Cell Hybrid Power Boost Mode Battery Charge Controller With Power and Processor Hot Monitoring The bq24780S device is a high-efficiency, synchronous battery charger, offering low component count for space-constrained, multi-chemistry battery charging applications. The bq24780S device supports hybrid power boost mode (previously called "turbo boost mode"). It allows battery discharge energy to system when system power demand is temporarily higher than adapter maximum power level. Therefore, adapter does not crash. The bq24780S device uses two charge pumps to separately drive N-channel MOSFETs (ACFET, RBFET, and BATFET) for automatic system power source selection. Through SMBus, system power management microcontroller programs input current, charge current, discharge current, and charge voltage DACs with high regulation accuracies. The bq24780S device monitors adapter current (IADP), battery discharge current (IDCHG), and system power (PMON) for host to throttle back CPU speed or reduce system power when needed. The bq24780S device charges 1-, 2-, 3-, or 4-series Li+ cells. -
BQ24780S 1 to 4 Cell Hybrid Power Boost Mode Battery Charge Controller Visualizar Arquivo 1 to 4Cell Hybrid Power Boost Mode Battery Charge Controller With Power and Processor Hot Monitoring The bq24780S device is a high-efficiency, synchronous battery charger, offering low component count for space-constrained, multi-chemistry battery charging applications. The bq24780S device supports hybrid power boost mode (previously called "turbo boost mode"). It allows battery discharge energy to system when system power demand is temporarily higher than adapter maximum power level. Therefore, adapter does not crash. The bq24780S device uses two charge pumps to separately drive N-channel MOSFETs (ACFET, RBFET, and BATFET) for automatic system power source selection. Through SMBus, system power management microcontroller programs input current, charge current, discharge current, and charge voltage DACs with high regulation accuracies. The bq24780S device monitors adapter current (IADP), battery discharge current (IDCHG), and system power (PMON) for host to throttle back CPU speed or reduce system power when needed. The bq24780S device charges 1-, 2-, 3-, or 4-series Li+ cells. Uploader Carlos Porto Enviado 15/02/2023 Categoria Datasheets
-
 devolvido Lenovo Ideapad 320 NM-B241 Não liga, em proteção.
Technovainf postou um tópico em Notebook's
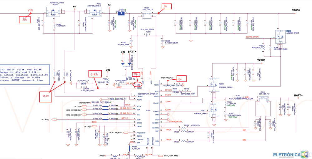
Olá a todos, estou com um notebook ideapad 320 i3 6006u com ram onboard, esse notebook veio com dois problemas sendo o primeiro não ligar e o segundo que ele torrou no conector da tela por fechar um curto na linha dos 20v pinos 1 e 2 do JEDP1. Inclusive já fiz a troca do conector, limpei o local fiz jumper e isolei com mascara UV. Não testei com a tela pois estou sem um flat compativel no momento. E a placa não ligava também, descobri que no PQ311 eu não tinha tensão após ele, verifiquei curto no pad PJ301 e não há curto com o terra. Removendo o PQ312 a tensão aparece após o PQ311, troquei esses mosfets por garantia e os originais estavam chaveando normalmente sem curto, no caso seria o CI de charge o PU301 BQ24780s que não estava liberando tensão para o gate desses mosfets, testei abrindo os jumpers PJ1004, PJ1001, PJ1003 para ver se conseguia algo mas continua da mesma forma, vale ressaltar que a placa funciona se injetar os 20V no PJ301 abri sistema LIVECD e tudo mais. Dessa forma eu optei por trocar o PU301 e não obtive sucesso, permanece da mesma forma, inclusive pelo que parece eu comprei novo, comprei de um site que envia daqui de MG mesmo. Agora mesmo eu até removi os mosfets que geram a alimentação da bateria e também sem resultado sendo esses PQ316 e PQ317, não testei se chaveavam mas não tinham nenhum curto. anteriormente vale ressaltar que também removi o PQ314 que é o mosfet que faz a comutação da tensão da bateria para a linha de alta e o mesmo não tinha curto e chaveava perfeitamente. Alguém tem alguma sugestão? Procurei nos posts do fórum e não encontrei alguém que tenha passado pela situação de trocar o CI de charge BQ24780s e o problema ter continuado. Segue uma imagem do esquema na região em questão com algumas medições: ESQUECI DE COLOCAR O ACOK QUE NO CASO NÃO TEM TENSÃO! -
bom dia irmaos: Peguei esse equipamento, não tem consumo, desarme e o pq312 está danificado. Eu troco e para minha surpresa ainda não consome. então o que eu faço é forçar a ignição injetando 19v no pr301. e liga o vídeo perfeitamente. paso as mediçaos do charger: bq24780s 1 acin 0v 2 acp 0v 4 acdrv 0v 5 acok 0v 6 acdet 2.8v 24 bq24780_vdd 0v 28 vcc 2.4v o que mais posso fazer aqui? reemplazar o charger? muito obg
- 12 respostas
-
- lenovo
- 320-15lkb-
- (mais 5)
SOBRE O ELETRÔNICABR
Técnico sem o EletrônicaBR não é um técnico completo! Leia Mais...
