Pesquisar na Comunidade
Mostrando resultados para as tags ''tv semp''.
Foram encontrados 9 registros
-
Este post não pode ser exibido porque ele está em um fórum que exige ao menos 8 itens de conteúdo para visualizar.
-
Através de pesquisa na internet encontrei esse site maravilhoso e acessei na esperança de resolver meu problema na tv Semp que travou na pagina de inicialização e não obedece nenhum comando. N tenho nenhuma habilidade com eletrônicos, mas não disponho de dinheiro, e por conta do covid não posso chamar técnico e nem levar a tv para uma oficina. Preciso muito dessas atualizações , visto que a TV é o único entretenimento que tenho em casa.
-
- inicialização
- tv semp
-
(mais 4)
Tags:
-
 em análise tv semp mod; L40D2900F defeito em análise, manual de serviço
Claudio som postou um tópico em TVs de PLASMA, LCD, LED e CRT
boa tarde meus amigos, amigo estou com essa tv na minha bancada e ela torrou um componente e não da para identificar a sua referencia, por esse motivo estou precisando do esquema eletrico dessa tv desde já agradeço ah todos. Obrigado!- 1 resposta
-
- tv semp
- mod;l40d2900f
- (mais 9)
-
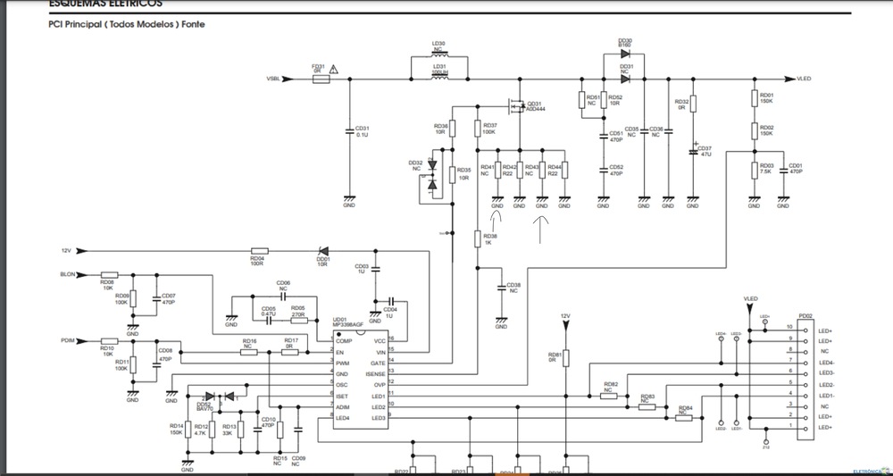
 tutorial Semp Toshiba DL3261AW problema em acender as barras de Led
Ricardo Dapper postou um tópico em Treinamento TVs
Vi em alguns casos aqui no fórum a galera trocando a barra de led por inteiro e mesmo assim o backlight não acender nesse modelo de tv DL3261(A)W. De fabrica a placa dessa tv vem sem dois resistores que são ligados no dren do mosfet que seriam os RD41 e RD43, sem eles chega no máximo 27V, nas barras e com isso elas nem se quer acendem, não consegui identificar a possível causa do "por que não funcionar mais", sendo assim colocando dois resistores de 1R8 nessas posições o ci driver volta a mandar a tensão correta para acender as barras. Uma leve ajuda ai pro pessoal que já teve ou futuramente terá essa dificuldade. Vi que um amigo do fórum atualizou a tv e voltou a funcionar, mas para mim essa não foi a solução. Se precisarem do esquema completo só me pedir. Obrigado! -
Olá galera, meu nome é Bruno Costa, Sou Engenheiro Eletricista, Trabalho em criação de Equipamentos eletrônicos há três anos. Gosto de fazer umas invenções aqui.kkkk. No momento estou com uma tv Semp que queimou com raio e fritou toda a fonte. Isolei a fonte e estou alimentando por fora (duas baterias de 7ah).....Ta funcionando lindamente...kkkk tenho uma fonte de note 90w morta, to querendo consertar para usa-la na tv...
-
 resolvido TV LED SEMP DL3261W Não liga
Alecio Rodrigues postou um tópico em Casos resolvidos - TVs
Olá Amigos, Tenho uma Tv led da marca Semp desde 2014, funcionava bem até agora mas, de repente apareceu um defeito complicado pra mim que sou quase leigo. Quando ligo a tv ela simplesmente aparece a palavra SEMP fica ligada por alguns instantes e depois desliga. Pesquisando na internet descobri que deve ser atualização de software. Mas a Semp não oferece suporte para esse tipo de problema, e aqui estou pedindo ajuda a alguem que se dispor. E agora quem poderá me ajudar? -
Amigos preciso urgente do software semp DL3277i(a). Semp tirou do site. Obgd desde já
-
Como atualizar a TV Semp 3975i?
Riedson Ribeiro Social Media postou um tópico em TVs de PLASMA, LCD, LED e CRT
Não consigo encontrar arquivos de atualizações que funcionam nesse modelo de TV -
Bom dia pessoal estou precisando de um esquema elétrico da Semp tcl 32s615 para medir as voltagens do conector lvds está sem imagem,
SOBRE O ELETRÔNICABR
Técnico sem o EletrônicaBR não é um técnico completo! Leia Mais...
