Jump to content
  • Posts Per Day

    0.01
  • Posts

    20
  • Joined

  • Last visited

  • Créditos EBR

    40 [ Donate ]

Personal Information

  • Location
    Rolante Rio Grande do Sul

Recent Profile Visitors

475 profile views

wagner7.3's Achievements

Apprentice

Apprentice (3/14)

  • Dedicated Rare
  • Collaborator Rare
  • Reacting Well Rare
  • First Post Rare
  • Conversation Starter Rare

Recent Badges

7

Reputation

  1. @Gilson Macedo @infocel technology @LEONTEC Concordo com cada um de seus comentários. Porém vejam, ACOK deve permanecer "aberto", devido ao mosfet interno da porta estar em corte. Com isso um nível alto deveria chegar ao super i/o. Este nível alto seria mantido pela tensão +V3P3A_EC ou +V3P3A através do resistor de pull up R4389. Porém essa tensão +V3P3A somente é gerada quando +VSYS existir, ou seja está além do charger. Desta maneira a sequência não se sustenta.
  2. @Gilson Macedo aqui está.
  3. 9 downloads

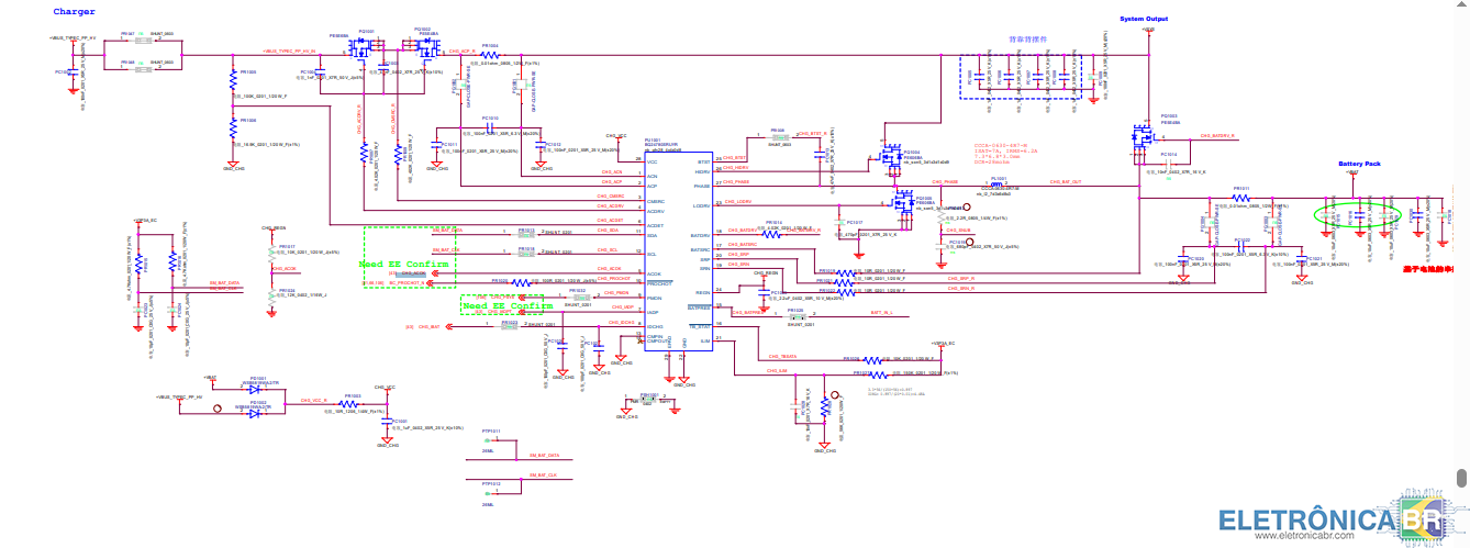
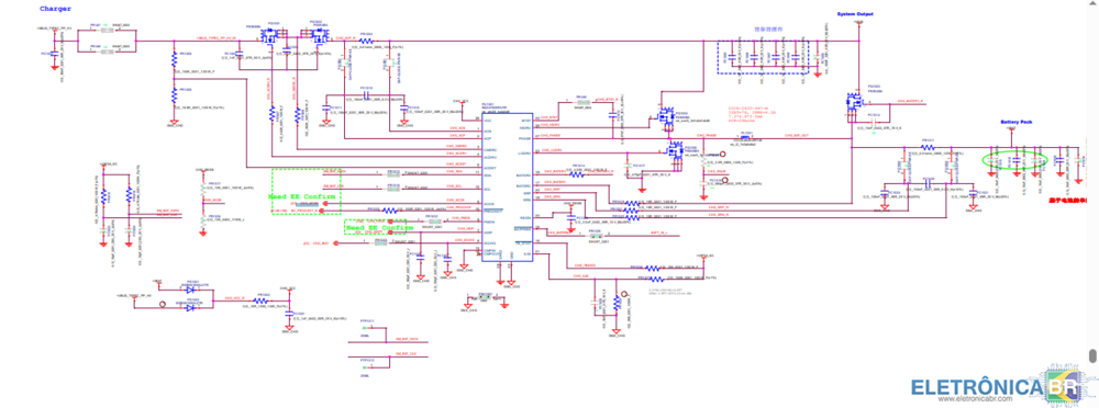
    boardview e esquema.
  4. Acer A315-510P; Placa NB6301A_MB_V3; Visualizar Arquivo boardview e esquema. Uploader wagner7.3 Enviado 13/05/2025 Categoria ACER  
  5. Olá senhores. Notebook não carregava a bateria com ele ligado, evoluiu para não carregar a bateria nunca e agora não liga. A tensão do carregador chega até o charger (BQ2780S), assim como o sinal de ACDET, as tensões estão dentro do esperado. O charger está gerando a tensão regulada correta. Segundo o datasheet com isso deveria haver o sinal de ACOK no pino 5. Porém o que tenho são apenas alguns milivolts. Após substituir o charger e obter o mesmo funcionamento, verifiquei que na verdade a tensão +V3P3A_EC que manteria ACOK em nível alto está ausente. Interpreto que essa tensão +V3P3A_EC viria do super I/O, porém me parece que o super I/O não está ainda alimentado neste estágio. Gostaria de sugestões, pois pois acredito que algo esteja faltando na minha interpretação do esquema elétrico.
  6. @py2eb realmente o título do tópico está errado, na verdade é o inspiron 3584. Quanto aos sinais que você citou, a única divergência é o pino ACOK, onde tenho uma tensão próxima de zero. Ainda sobre esse pino ACOK, minha dúvida é se essa tensão está errada devido a não haver acionamento dos mosfets ou se os mosfets não acionam devido a isso. Ou seja o acionamento dos mosfets deveria ocorrer antes de haver ACOK, ou vai ocorrer apenas se ACOK estiver presente?
  7. Olá senhores, estou com este equipamento, que passou por outra asistência até chegar a mim. O equipamento estava com o ci de charger errado na placa, de modo que dcin estava sendo direcionado para um pino diferente o que danificou o ci. Ao substituir o ci pelo correto, ocorre que não há nenhuma tensão primária. A tensão de +19V chega nos mosfets que deveriam ser habilitados pelo charger, mas não passa por eles. O charger isl95520hrz, recebe dcin, gera os +5V regulados, mas não aciona os mosfets e não gera acok. Testando na placa, não há nenhum sinal de que os mosfets estejam danificados. Não há tensão de gate. Não há consumo injetando tensão na linha de +19V. Gostaria de sugestões à respeito de como proceder.
  8. Olá senhores, estou com um Lenovo placa NM-E331, com o seguinte histórico. Inicialmente não haviam as tensões primárias. Verificado que haviam capacitores em curto na linha de +3VALW. Substituídos os capacitores. Verificado que as tensões primárias agora existem. Ao pressionar o botão de power o led de atividade pisca continuamente, mas o equipamento não liga. Pelo esquema verifiquei que o erro está antes do estágio S3, pois as tensões deste estado não estão presentes. Já regravadas as duas bios com versões diferentes, removida bateria cmos e removida bateria principal. Este notebook possui um super I/O programável, gostaria de saber se este comportamento indica ser causado por um erro neste componente.
  9. Têm muito material no youtube, em canais como WR Kits, GV ensino, Electrolab. Eu indico os livros do Malvino, vão te ensinar muito mais que qualquer curso online.
  10. Hoje em dia utilizo o FlexBV, gratuito e bastante intuitivo.
  11. Olá senhores, estou com uma impressora do modelo descrito acima, que ao testar pela primeira vez funcionou normalmente. Ao segundo dia de testes a impressora não liga. O led de status e do botão power acendem, mas somente enquanto está pressionado o botão. Minha suspeita é que seja um problema na placa lógica. Tenho outra placa lógica aqui de mesmo modelo, porém essa placa está na empresa a mais tempo que eu, de modo que não sei se ela está funcionando. Minha dúvida é se há algum risco em testar esta placa na impressora, não identifiquei nenhum componente danificado nela, mas por minha falta de conhecimento sobre impressoras, surge minha dúvida.
  12. The-Best-of-Laptop-Chip-Level-Repair-Guide Visualizar Arquivo Apostila que descreve o essencial sobre o reparo de notebooks e também descreve a sequência de inicialização de alguns modelos de placas, de diferentes marcas. Uploader wagner7.3 Enviado 02/02/2025 Categoria Eletrônica  
  13. 6 downloads

    Apostila que descreve o essencial sobre o reparo de notebooks e também descreve a sequência de inicialização de alguns modelos de placas, de diferentes marcas.
  14. @crodrigop sim já havia regravado a eprom, mas não resolveu. Porém realizando medições na tela encontrei um capacitor cerâmico em curto no circuito da tela. Agora está ligando e funcionando normalmente, vou deixar testando por algum tempo para verificar se está tudo ok, quando terminar os testes volto aqui para relatar o que houve.

SOBRE O ELETRÔNICABR

EletrônicaBR é o melhor fórum técnico online, temos o maior e mais atualizado acervo de Esquemas, Bios e Firmwares da internet. Através de nosso sistema de créditos, usuários participativos têm acesso totalmente gratuito. Os melhores técnicos do mundo estão aqui!
Técnico sem o EletrônicaBR não é um técnico completo! Leia Mais...
×
×
  • Create New...