Pesquisar na Comunidade
Mostrando resultados para as tags ''s145-15igm''.
Foram encontrados 25 registros
-
 bios lenovo ideapad s145-15igm mb 111
claudio cortez postou um tópico em Gerenciador de arquivos
lenovo ideapad s145-15igm mb 111 Visualizar Arquivo segue ai amigo Uploader claudio cortez Enviado 31-07-2021 Categoria Lenovo -
 esquema Lenovo IdeaPad S145-15IGM LCFC FS440_FS541 nm-c111 Rev 0.2.pdf
FDONATO postou um tópico em Gerenciador de arquivos
Lenovo IdeaPad S145-15IGM LCFC FS440_FS541 nm-c111 Rev 0.2.pdf Visualizar Arquivo Lenovo IdeaPad S145-15IGM LCFC FS440_FS541 NM-C111 Rev 0.2 Uploader FDONATO Enviado 30-07-2021 Categoria Lenovo - IBM -
 boardview Lenovo IdeaPad S145-15IGM LCFC FS440_FS541 nm-c111 boardview
FDONATO postou um tópico em Gerenciador de arquivos
Lenovo IdeaPad S145-15IGM LCFC FS440_FS541 nm-c111 boardview Visualizar Arquivo NM-C111 REV0.2.tvw NM-C111 REV1.0.tvw NSC121 Rev1.0.tvw Uploader FDONATO Enviado 30-07-2021 Categoria Lenovo - IBM -
 bios Lenovo S145-14IGM, S145-15IGM awcn22ww nm-c111 clear cstxe bios + ecrom
FDONATO postou um tópico em Gerenciador de arquivos
Lenovo S145-14IGM, S145-15IGM awcn22ww nm-c111 clear cstxe bios + ecrom Visualizar Arquivo Sempre faça backup antes de gravar a bios! Lenovo S145-14IGM, S145-15IGM awcn22ww nm-c111 clear cstxe bios + ecrom Uploader FDONATO Enviado 30-07-2021 Categoria Lenovo- 1 resposta
-
- lenovo
- s145-14igm
- (mais 7)
-
 bios LENOVO IDEAPAD S145-14IGM S145-15IGM FS440FS541 NM-C111 1.0
claudio cortez postou um tópico em Pedidos de esquemas ou bios de notebooks.
bom dia se alguem tive essa bios com me limpo agradeço ajuda ai amigo fdonato -
 resolvido Lenovo S145-15IGM - fs440fs541 rev1.0 - não reconhece HD
Sousa Ferreira postou um tópico em Casos resolvidos - Notebooks
Estou com esse notebook que não reconhece o HD . No capacitor ao lado do conector chega apenas 1.35v nos pinos do 1,2,3 do HD também . gostaria de saber qual é o componente responsável por jogar os 5v no HD ? ou se essa voltagem de 1.35v está correta mesmo ?- 10 respostas
-
- lenovo
- s145-15igm
- (mais 3)
-
 esquema Lenovo IdeaPad S145-15IGM LCFC FS440_FS541 NM-C111 Rev 0.2
Leandrosouto postou um tópico em Gerenciador de arquivos
Lenovo IdeaPad S145-15IGM LCFC FS440_FS541 NM-C111 Rev 0.2 Visualizar Arquivo ESQUEMA ELETRICO Lenovo IdeaPad S145-15IGM LCFC FS440_FS541 NM-C111 Rev 0.2 Uploader Leandrosouto Enviado 20-05-2022 Categoria Lenovo - IBM -
 dúvida Lenovo Ideapad s145-15igm - fs440fs541 nm-c111 rev 1.0 - não liga
Sousa Ferreira postou um tópico em Notebook's
galera , to com esse notebook na bancada que não liga, led de power fica so piscando! apos analise , percebi que o componente pu6601 ta oscilando bastante , com variação de voltagem no pino 5 da bateria .- 12 respostas
-
 devolvido Lenovo IdeaPad S145-15IGM | NM-C111 | Não liga, tensões de 3 e 5v alteradas
Carlos Alberto Klafke Filho postou um tópico em Notebook's
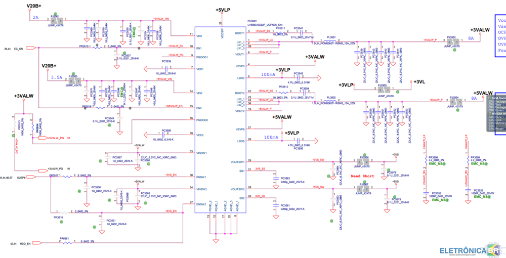
Tenho esse note que não está ligando, tenho 3v no botão power, quando pressionado cai a 0, mas não acontece nada, nenhum consumo na fonte. Analisando, cheguei nas PL3501 (3v) e PL3502 (5v) que apresentam tensões de 2,7v e 4,6v respectivamente. O PWM que gera essas tenões é um LV5083, não tem mosfet ali. As tensões LDO estão normais, acredito que terei que substitui-lo mas gostaria de uma segunda opinião, segue o circuito: Alguém com mais experiência poderia dizer se há possibilidades de algum dos componentes nesse circuito possa estar causando essa alteração? Ia encomendar mas o valor do CI é bem alto. Obrigado -
 devolvido Lenovo Ideapad s145-15IGM - FS440FS541 NM-C111 rev:1.0 - não liga
Leandrosouto postou um tópico em Notebook's
placa nao liga, luz power fica piscando consumo na fonte travado em 0.93mA tem tensão nas pls poderia ser bios? com a bateria conectada placa liga porem nao dá imagem, nem sinal no teclado usb. -
 dúvida Lenovo IdeaPad S145-15IGM LCFC FS440_FS541 NM-C111 Rev 0.2
Marcelo-MSDOS postou um tópico em Notebook's
Boa Noite a Todos, Fiz o reparo da placa mãe deste notebook, estava totalmente morto, após a troca do charger e alguns transistores da placa mãe o mesmo agora esta apresentando um sintoma diferente, ao ligar o carregador o mesmo esta piscando a luz Power e LED branco da placa mãe. alternando em um segundo entre ligado e desligado. percebi que a bateria esta morta. carreguei as células de lítio através de um carregador mais tbm não deu sinal de vida no notebook. alguém ja resolveu este problema? -
 esquema Lenovo IdeaPad S145-15IGM LCFC FS440_FS541 NM-C111 Rev 0.2
Leandrosouto postou um arquivo em Lenovo - IBM
-
 esquema nm-c111 Rev 0.2 - Lenovo IdeaPad S145-15IGM LCFC FS440_FS541
FDONATO postou um arquivo em Lenovo - IBM
-
 boardview nm-c111 - Lenovo IdeaPad S145-15IGM LCFC FS440_FS541
FDONATO postou um arquivo em Lenovo - IBM
-
 em análise Lenovo Ideapad S145-15IGM FS440 FS541 - NM-C111 REV 1.0 - Não Liga
alex costa postou um tópico em Notebook's
Boa noite amigos estou com esse lenovo, esta com todas as tensões mais nao liga led piscando com consumo de 0,05 na fonte assimentrica -
 devolvido Lenovo Ideapad S145-15IGM FS440 FS541 - NM-C111 REV 1.0 - Não Liga
carloshps postou um tópico em Notebook's
Notebook Lenovo Ideapad S145-15IGM placa FS440 FS541 NM-C111 REV 1.0 Não Liga. Colocando 20v no jack, toda linha de 20v depois do primeiro mosfet oscila muito e o consumo na fonte fica direto oscilando de 0.02 a 0.04. Colocando 20v após o primeiro mosfet, os 20v permanecem estáveis e todas as outras tensões aparecem e somem, a placa fica ligando e desligando em loop, o consumo na fonte fica de 0.01 a 0.35. -
 em análise Notebook Lenovo ideapad S145-15IGM demorando muito a iniciar o S.O.
Ander.rj postou um tópico em Notebook's
Prezados, Estou com um Notebook Lenovo ideapad S145-15igm. Ele demora cerca de 30 minutos na tela de boot com a logo da Lenovo e as bolinhas girando para carregar o windows. Cheguei a reinstalar o S.O mas não houve nenhuma evolução. Quando faço boot através do pendrive também demora mais do que o esperado. O notebook está com SSD NVME, tentei também com outro SSD sem sucesso. BIOS está na última versão, drivers e S.O. atualizados. Alguma ideia? -
 em análise Ideapad S145-15IGM / FS440FS541 NM-C111 / Não carrega sistema
tiagho postou um tópico em Notebook's
Esse notebook entrou pra mim ligando e sem apresentar imagem, após regravação da bios aqui do site ele subiu video, porém não carregava o sistema, botei uns 3 hd com sistema e um deles após muito tempo carregou o sistema mas dentro deo sistema não aparecia bateria conectada apesar de durar na bateria, consegui um note igual fiz o backup da bios coloquei e não apresentou video. ja gravei umas 15 bios chip diferente, com a versão 22 que acha no site e sempre da o problema de não carregar o sistema. Não sei mais o que fazer -
Olá a todos, me chamo Ismael Amador sou natural de Salvaterra-PA localizada maior Arquipélago fluvio-marítimo do mundo, atualmente resido em Parauapebas-PA conhecida como a capital do minério, com a graça divina tenho Licenciatura em Computação e amo eletrônica. Estou precisando regravar o chip de BIOS do LENOVO IDEAPAD FS440F S541 NM-C111 REV: 1.0. É pra uma ex-aluna minha, peguei o notebook em janeiro, mas como meu tempo é corridíssimo ainda não fiz. Quero fazer até amanhã pra quando for curtir as férias já entregar, vai ser legal se eu conseguir, ela vai ficar alegre por ter o aparelho de novo e eu de ter ajudado, infelizmente não tenho condições de dar um novo (o que eu desejei). Desde já muito obrigado, independente se for liberado ou não o download, desejo sucesso a todos.
-
 bios LENOVO IDEAPAD S145-14IGM / S145-15IGM FS440/FS541 NM-C111 NM-C111 REV 1.0 AWCN30WW - BIOS + EC
Jhones postou um tópico em Gerenciador de arquivos
LENOVO IDEAPAD S145-14IGM / S145-15IGM FS440/FS541 NM-C111 NM-C111 REV 1.0 AWCN30WW - BIOS + EC Visualizar Arquivo Bios main e ec extraídas do arquivo de atualização (última versão). Uploader Jhones Enviado 01/02/2024 Categoria Lenovo -
LENOVO IDEAPAD S145-14IGM / S145-15IGM FS440/FS541 NM-C111 NM-C111 REV 1.0 AWCN22WW - BIOS 8MB Visualizar Arquivo BIOS LENOVO IDEAPAD S145-14IGM / S145-15IGM FS440/FS541 NM-C111 NM-C111 REV 1.0 AWCN22WW - BIOS 8MB CHIP W25Q64W 8MB/64Mbit 1.8V TESTADA E FUNCIONANDO Uploader dscjunior Enviado 20-08-2020 Categoria Lenovo
SOBRE O ELETRÔNICABR
Técnico sem o EletrônicaBR não é um técnico completo! Leia Mais...
