Pesquisar na Comunidade
Mostrando resultados para as tags ''teather''.
Foram encontrados 9 registros
-
 bios DATA EEPROM DE HOME TEATHER JVC DXU10
eletronica-jtag postou um tópico em Gerenciador de arquivos
DATA EEPROM DE HOME TEATHER JVC DXU10 Visualizar Arquivo DATA EEPROM DE HOME TEATHER JVC DXU10. POR FAVOR CONFIRMAR INTEGRIDAD DE ESOS DATOS, LOS OBTUVE POR MEDIO DE UN CH341 PERO NO PUDE CONFIRMAR SI LA DASTA NO TIENE ERRORES Uploader eletronica-jtag Enviado 12/04/2023 Categoria Firmwares -
 dúvida Home teather lg ht806st nao liga
carlos1412 postou um tópico em Identificação e Equivalência de Componentes
Boa noite , tenho um home da LG HT806st , as voltagens que estão marcado na placa da fonte ,tem 2 conectores cn 901 e cn 902 as voltagens que estão marcadas é com o aparelho ligado, ou em stand by? Pois ele não liga. Tem varia tensões , marcadas na placa 3,7v/6,3v,13v,12v,. Com a fonte ligada na tomada aparece algumas tensoe igual a que esta indicando na placa, outras nao. Minha duvida éestas tensoe teriam que dar mesmos a placa estando em stand by? Ou tenho que tentar armar ela? Obrigado Carlos -
 devolvido Home Teather Philips HTS3410D Defeito na Fonte
Alison crossfire postou um tópico em Aparelhos de Som, GPS, Gadgets e Tecnologia
Boa tarde feras, seguinte entro na bancada este Home T. que não liga. A fonte tem apenas os 5V standy B dele não tenho as outras tensões, não tem curto na placa. Tem um CI DMO365R (IC902) na qual tem tensões variáveis em todo lado dele no outro não possui tensão sera que pode ser ele ? Alguém já se deparou com esse modelo ? Métodos já feitos: Troquei quase todos os capacitores. Já fiz a ligação direta na fonte fora do Home Teather para ter certeza que o problema é na fonte. Revisei os resistores. -
 dúvida Home Teather Philips HTD5580x78
RPL_servicos postou um tópico em Aparelhos de Som, GPS, Gadgets e Tecnologia
Olá a todos! Estou com esse HT, o defeito dele é que ao colocar na tomada ele já liga aparece "on" no display e logo em seguida aparece 'off" e logo volta a "on" no display e "off" posteriormente, ficando nesse loop, notei que a bandeja tenta abrir mas não abre e logo volta a posição inicial, suspeitei da fonte dele, testei seguindo a serigrafia que informa cada pino que vai para a placa principal e está normal, porem fiquei na duvida com o pino 1 que na serigrafia diz"PCON" porem ele registra 2V, abaixo segue fotos da placa. Esse é um link do meu gdrive com o video do mal funcionamento desse equipamento. https://drive.google.com/file/d/1Y5pBOR0q8I9teEfqvL_heL5VUd2Dkihe/view?usp=sharing Obrigado -
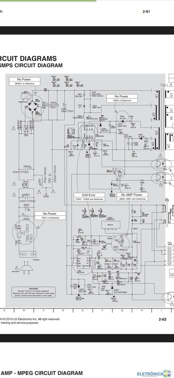
 concluído esquema da placa HT D553K home teather da samsung alguem tem?
chaiane postou um tópico em Assuntos Diversos
ESQUEMA DA PLACA HT D553K DA SAMSUNG ALGUEM TEM? -
 dúvida Home teather LG Lhb645n apenas 2 apps
Albertobaum postou um tópico em Aparelhos de Som, GPS, Gadgets e Tecnologia
Olá, Na aba PREMIUM onde deveriam estar vários APPS para se acessar mais conteúdo pela WEB, os únicos que aparecem são o YOUTUBE e o NETFLIX. Porém ao se reiniciar o equipamento desligando da tomada por alguns segundos aparecem outros APPs como SARAIVA NETSTORE e outros, mas que somem em seguida ficando apenas os dois acima. O SW é o BD24.065.60420.C e o driver H16IM2M0452 Tanto o Netflix quanto o YOUTUBE funcionam bem, mas dá a impressão que existem outros APPs, mas não tem como baixar e o SW aparece como atualizado. Alguma dica para se obter outros APPS? Existe algum firmware mais novo? Obrigado,- 4 respostas
-
- home theater
- firmware
- (mais 7)
-
 dúvida Home teather lg lhd625 não liga
Rogeriokrsantoskr7 postou um tópico em Aparelhos de Som, GPS, Gadgets e Tecnologia
Olá pessoal Estou com Home teather não liga Em análise, a placa fonte tinha Mosfet ( stf13n80k5) estourado Antes de trocar liguei aparelho na lâmpada em série não apresentou curto, mas n ligava. troquei o Mosfet Segui as trilhas troquei dois diodos zener ao lado do Mosfet curto. Curto sumiu Mas assim que conecto a placa placa fonte a placa principal, passa alguns segundos a lâmpada ascende brilho máximo e o Mosfet entra em curto Já troquei 03 Verifiquei tudo na placa principal e não há curto -
 dúvida preciso do esquema eletrico do home teather philips htb 3250x/78
jonatinha conti postou um tópico em Identificação e Equivalência de Componentes
home teather não apresenta a tensão de 34v na placa fonte.-
- esquema elétrico
- preciso
- (mais 6)
-
SOBRE O ELETRÔNICABR
Técnico sem o EletrônicaBR não é um técnico completo! Leia Mais...
