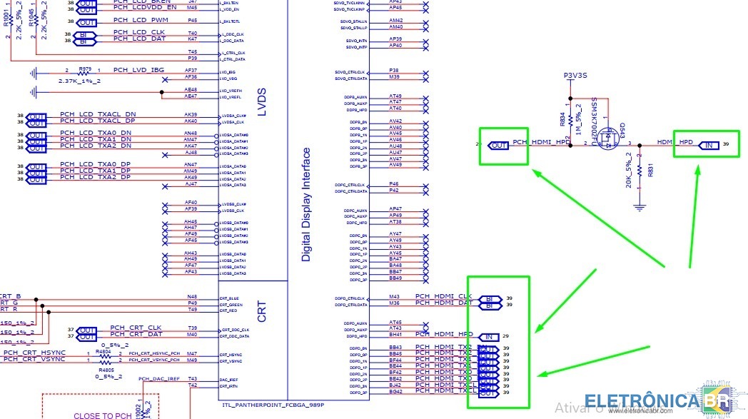
dúvida HP 1000 placa 6050A2493101 nao funciona hdmi
Avalie este tópico:
-
Conteúdo Similar
-
 dúvida philco ph28s86dg hdmi nao funciona
Iniciado por JoseSomacal em
- 2 respostas
- 241 visualizações
-
- 2 comentários
- 270 visualizações
-
- 0 respostas
- 118 visualizações
-
- 0 comentários
- 85 visualizações
-
 devolvido Samsung NP-300E4A - Samsung Petronas-14 DC BA41-01666A funcionar hdmi, wif e rede cabeada
Iniciado por marcondes sjc em
- 1 resposta
- 113 visualizações
-
SOBRE O ELETRÔNICABR
Técnico sem o EletrônicaBR não é um técnico completo! Leia Mais...

Posts em destaque
Participe agora da conversa!
Você pode postar agora e se cadastrar mais tarde. Se você tiver uma conta, faça login para postar com sua conta.