Pesquisar na Comunidade
Mostrando resultados para as tags ''14isk''.
Foram encontrados 6 registros
-
Salve salve amigos, estou com esse dito cujo que trava e reinicia após algum tempo em funcionamento, assim que ele reinicia a ventoinha gira em velocidade máxima por um tempo, visto esse comportamento coloquei uma ventoinha soprando direto no dissipador do Hashwell e então ele parou de desligar, a ventoinha está funcionando mas creio que está girando menos vezes que o necessário, então atualizei a bios pelo arquivo executável mais atual do site oficial, mas não resolveu, atualizei também sem sucesso com o arquivo do firmware do intel management engine 11.8. Enfim, alguém já pegou algum assim e resolveu com a regravação de algum arquivo de bios aqui do fórum? Grato desde já
- 3 respostas
-
 devolvido Lenovo Ideapad 310 14Isk NM-A752 REV 1.0 Liga direto e não dá video
caira_apo2212 postou um tópico em Notebook's
Boa noite Pessoal, estou com esse notebook na minha bancada, todas as medições estão ok, suspeito que o problema dele de ligar direto quando alimentado e não dá video, sejá problema de BIOS, alguém tem uma segunda opinião? -
 boardview Lenovo V310 - 14ISK modelo: 80uf F DA0LV6MB6F0 MODEL: LV6 Não liga
BBcell Conserto postou um tópico em Pedidos de esquemas ou bios de MotherBoards e All-in-One.
Placa aparenta ligar normalmente, cooler dispara na velocidade máxima mas não dá imagem -
 dúvida Lenovo Ideapad 310 14Isk - MB: NM-A752 REV 1.0 - liga direto, apenas sem VCORE
gabrielnote postou um tópico em Notebook's
Essa placa chegou de uma outra assitência,ligava e desarmava rapidamente as BIOS já estavam mexidas, de qualquer forma eu decidi regravar novamente com um arquivo que segundo os técnicos estava 100% Agora conectar o carregador , liga direto e dá todas as tensões exceto a do Vcore! Estou desconfiado da segunda BIOS de 4MB que é a UC6, o problema é que encontro a BIOS principal e a do KBC de 128K, mas a dessa UC6 eu não encontro de forma alguma. Alguém teria como fazer o backup dessa UC6 para me passar? Não tenho nada de curto! Eu tenho todas as tensçoes de entrada no PWM mas não tenho o EN, acredito que pode ser BIOS mesmo. -
Bios Lenovo Ideapad 310 - 14ISK Visualizar Arquivo Bios extraída de arquivo da Lenovo e filtrada com BIOS original em 26/06/2018 e testada. (Bios no formato original, para ser gravado diretamente no chip bios do equipamento) Versão 0XCN44WW de 23/04/2018 Uploader cruzeiro99 Enviado 26-06-2018 Categoria Lenovo
-
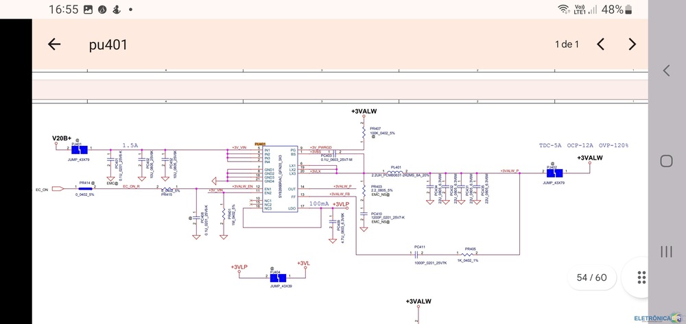
 devolvido Lenovo 310 14isk / NM-A752 rv 1/ Não Liga
Glalber Silva postou um tópico em Notebook's
Senhores, alguém poderia me ajudar ? Estou com a placa lenovo NM- A752 Não tinha 3v na PL401, tirei o PU 401 e encontrei curto na linha +3VALW Abri o PJ 402, J7 , PJ 502 e PJ 504 Com esses jumpers abertos coloquei o PU 401 na placa e voltou os 3v. Porém curto continua. Injeta tensão no PJ 402 e não esquenta nada. Fica consumo de mais de 1A. Se eu fecho o PJ402 os 3v da PL401 somem.
SOBRE O ELETRÔNICABR
Técnico sem o EletrônicaBR não é um técnico completo! Leia Mais...
