Pesquisar na Comunidade
Mostrando resultados para as tags ''guitarra''.
Foram encontrados 10 registros
-
 esquema Esquema Elétrico-Crate-Vtx-200s-Preamp para guitarra
Maru postou um tópico em Gerenciador de arquivos
Esquema Elétrico-Crate-Vtx-200s-Preamp para guitarra Visualizar Arquivo Aqui esta o Esquema Elétrico-Crate-Vtx-200s-Preamp para guitarra, espero ter ajudado a todos Boa Sorte Uploader Maru Enviado 19/11/2025 Categoria Áudio -
-
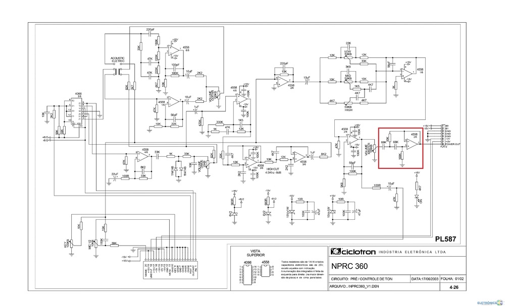
Olá amigos.. me sinto envergonhado ao fazer esta pergunta, mas serei obrigado a fazer! Onde eu ligo esse par de fios? Eu fui consertar uma caixa de guitarra, porém, ela ja foi feita uma manutenção pelo dono anterior, a pintou e mudou outras coisas.. nnão tenho como descobrir o modelo da caixa. Eu esperei por muito tempo alguns componentes chegarem e tambem adiei bastante o serviço, agora eu não lembro onde conecta esse par de fios. pesquisando na internet, percebi que a placa de potencia é igual da Whatsom PRC360. Até ai, blz... Baixei o manual de servicos e não consegui ter certeza. Pelo manual da PRC360, eu acho que seja onde coloquei o quadrado vermelho, porem, na placa o unico lugar que achei parecido, é diferente kkkkk ... Esse 4555 é o unico que tem o pino 6 e 7 ligados direto como no esquema do PRC360...
-
 em análise Amplificador de guitarra Oneal OCG 1002 diagrama
yanderson postou um tópico em Aparelhos de Som, GPS, Gadgets e Tecnologia
Boa tarde, Pessoal, será que alguém teria o diagrama de amplicador de guitarra da marca Oneal, Modelo OCG 1002? Agradecido desde já...- 3 respostas
-
- diagrama
- amplificador
-
(mais 3)
Tags:
-
 dúvida Alteração de um pedal de expressão passivo de guitarra
zecapoa postou um tópico em Eletrônica em Geral
Tenho uma pedaleira zoon g1 e fiz um pedal de expressão passivo com um potenciômetro de 500k b e funciona bem, mas descobri o componente sensor de efeito hall OH49E que seria mais vantajoso que o potenciômetro pois não existiria desgaste mecânico e uma melhor precisão, mas me deparei com um problema, a tensão que sai da pedaleira para o pot é de 3,2 v, quando o pot está todo aberto tenho uma saída de 3,2 v, quando fechado tenho 0 v, mas com o sensor o mínimo valor fica em 0,80 v e no máximo de 2,54 v e com essas tensões não consigo eficiência nos efeitos que exigem a expressão será que existe uma forma de ajustar esse componente nesse circuito, abaixo segue o circuito que já utilizo com o potenciômetro e está funcional, aguardo o auxilio dos membros do grupo e agradeço a atenção. -
Pessoal, O dono da guitarra trocou os captadores e bagunçou tudo sem contar com a peloteira de solda fria que ele fez. a bagunça está nas tres chaves H-H localizadas no corpo vermelho. queria saber se alguem tem o esquema eletrico OBS: Não é Fender, é imitação chinesa abs:
-
Olá pessoal, eu toco guitarra na minha igreja e estou precisando de um retorno, mas ao invez de comprar eu vou fazer um, o retorno que eu preciso é meio especifico, eu preciso que ele pegue a saida da pedaleira da minha guitarra e tenha 2 saidas, uma pra fone de ouvido e a outra saida pra mesa de som, queria que essas duas saidas fossem independentes pra mim poder cortar o som que vai pra mesa e ficar só no fone por exemplo, eu testei com alguns componentes mas o CI que eu usei ficava distorcendo o som da guitarra, eu tenho alguns componentes de umas placas de sucata, alguem pode me ajudar? já tentei varias vezes fazer mas nada da certo.
-
 dúvida pedal para guitarra nig amp simulator as1, valor do resistor r44
samuelrios postou um tópico em Aparelhos de Som, GPS, Gadgets e Tecnologia
Estou com esse pedal para guitarra nig amp simulator e so me falta o valor desse resistor de codigo r44 Se algum dos colegas tiver um na bancada ou mesmo seja guitarrista e tenha equipamento igual e pudesse ajudar ficaria muito grato -
Olá, gente eu tenho uma pilha de sucata aqui de componentes eletronicos e eu tenho um objetivo de montar um retorno de guitarra, com um esquema parecido com essa imagem que mandei aqui, primeiro eu tentei fazer uma ligação direta, mas a energia que sai da pedaleira nao tem força para mandar pra mesa e alimentar o fone, depois tentei com um transistor e com o CI TDA2822 mas todos que testei eles distorcem o som da guitarra, eu queria fazer um retorno simples só para ter controle do volume do fone e da mesa de som, eu tentei também com uma plaquinha que comprei no aliexpress mas tambem nao deu certo, mas o meu objetivo é fazer com componentes que tenho em casa, como ja disse tenho varias sucatas de som, notebooks antigos, placas de TV, se alguem puder me ajudar a desenvolver isso ficaria grato ; )
-
 em análise Electro-harmonics holy grail reverb para guitarra
samuelrios postou um tópico em Aparelhos de Som, GPS, Gadgets e Tecnologia
Estou com esse pedal que tem 1 memoria e eeprom atml h242d8 ou h24208,não consegui identificar se ali é 0(zero) ou letra O e não achei nada na pesquisa.O problema é que tentei fazer backup dela mas nçao consegui fazer leitura de maneira alguma usando varior chips que aparentam ser similares e depois de algumas tentativas o chip parece ter queimado de vez.O pior do problema é que o pedal funcionava mas agora não tem mais o efeito pois é nessa memoria que existem dados para o funcionamento do chip que processa o audio.Gostario de saber se algum colega ja pegou um igual ,se tem esse backup e tambem se alguem tem informações sobre esse chip pra tentar resolver esse abacaxi.Tambem tem a questão aqui de não sber se este tópico esta no lugar certo,se houver área melhor para o tópico so avisar aqui.Desde ja agradeço.- 2 respostas
-
- electro-harmonics
- holy
-
(mais 3)
Tags:
SOBRE O ELETRÔNICABR
Técnico sem o EletrônicaBR não é um técnico completo! Leia Mais...
