Ir para conteúdo
  • Cadastre-se

Julius Rock

Membros
  • Posts Por Dia

    0.03
  • Posts

    28
  • Registrado em

  • Última visita

  • Créditos EBR

    21 [ Doar ]

Informação Pessoal

  • Localidade
    Belo Horizonte

Últimos Visitantes

559 visualizações

Conquistas de Julius Rock

Explorador

Explorador (4/14)

  • Colaborador Rare
  • Um ano de EBR
  • Primeira postagem Rare
  • Reagindo bem Rare
  • Um mês depois

Escudos Recentes

6

Joinhas

  1. Obrigado a todos que tentaram me ajudar. O cliente enviou uma mensagem solicitando retirar a placa amanhã de manhã. Infelizmente, vou ter que jogar a toalha e subir no telhado Obrigado @LEONTEC, @py2eb, @Rods, @vado.
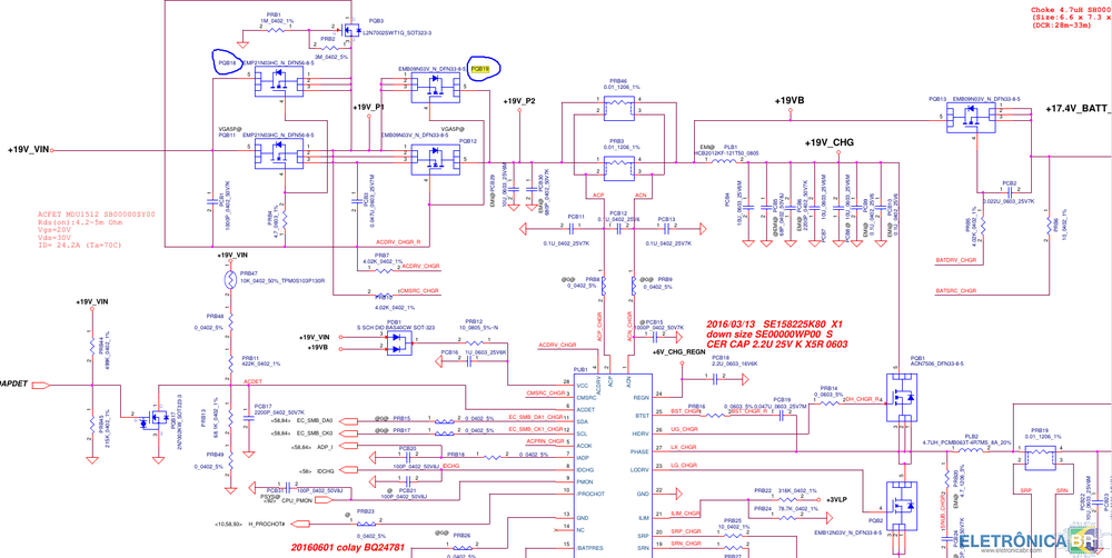
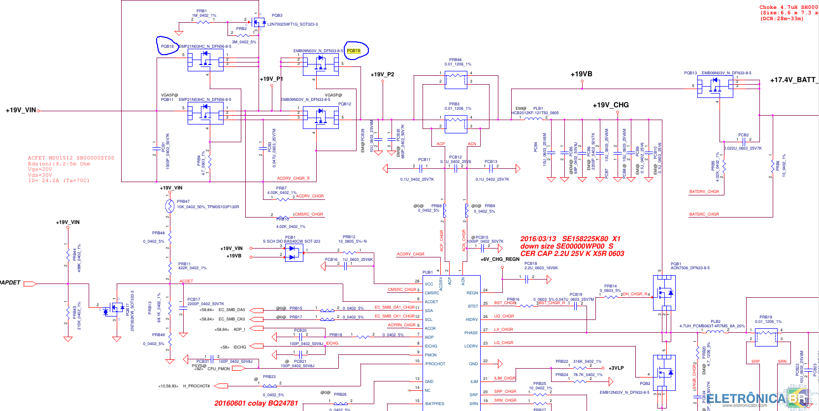
  2. O PDB1 está ok (sai os 19v ou a tensão da bateria no pino 1). O PQB13 eu cheguei a tirá-lo no teste o amigo @vado sugeriu e mesmo assim continuamos com a oscilação. Vou conferir o PQB1 e o PQB2. ACDET está ok (2.6v). O ACOK está com 200mV (me parece errado) e o REGN está com ok (6v). Resolvi fazer essa mesma medição com a bateria plugada e o ACOK foi para 3.2v. Retirando a bateria e refazendo a medição, esses 3.2v continuam presentes.
  3. Ficou oscilando entre 0 e 1v no gate
  4. Vou fazer isso. Quando eu tiro o PQB19 aparece e fica estável os 25v nos gates do PQB18 e 19.
  5. Não chega a dar imagem. Me parece que ele não passa de algum dos "S" (S1, S2, etc.) pois somente os 3 e 5v aparecem. Vou corrigir o título para não dar dúvida.
  6. Sem a bateria estar plugada, os 19v no PQB19 não prosseguem. Logo, as tensões de 3 e 5v não aparecem. Eu percebo que nas linhas de SMB a tensão fica oscilando (provavelmente teríamos os 3.3v neles mas fica oscilando). Um teste que fiz foi plugar a bateria para que os 3 e 5v apareçam e depois eu a removo. Fazendo isso, eu vejo os 3.3v nas linhas de SMB mas o output para carregar a bateria não aparece (creio eu que não libere tensão nesse pino se não há comunicação com a SIO). Com a bateria plugada, eu tenho 3A de consumo e a tensão fica naquele valor que mencionei (18.7v). Vou pegar o osciloscópio para ver se temos muito ruido nessa linha. A parte triste é que não tenho SVOD para gravar a SIO dessa miserável
  7. Que curioso. Sempre achei que os @ eram quando os componentes não estavam presentes naquela revisão. Bom saber
  8. Vou fazer isso. O curioso é que temos só 3 (o PQB12 não está presente e parece ter vindo assim de fábrica pois os terminais estão sem solda). Até achei que o PQB11 também não estaria presente pelo @ no esquema. Contudo, ele está presente. Resolvida essa parte, alguma sugestão do fato dele não subir vídeo (desligar após 5 segundos)?
  9. A tensão nominal das HV é 3.85v e a tensão full é 4.35v. Logo, a tensão que deveria aparecer numa 4S deveria ser 17.4v. No iMax b6 eu costumo carregar externamente essas baterias e ele entrega essa tensão (17.4v) quando habilitamos o carregamento balanceado.
  10. Boa noite, ilustres, alto astral? Chegou um Acer Predator de placa LA-L191P com um comportamento peculiar. Se a bateria e o carregador estiverem plugados, temos carregamento, 3 e 5v mas a mesma não liga (os leds acendem, temos uns 100 mA de consumo e morre logo na sequência). Se eu retirar a bateria e manter a fonte plugada, o gate dos fets de entrada (PQB18 e PQB19) ficam oscilando e os 19v não prosseguem. Se eu fizer um curto entre o dreno e o source do PQB18, as tensões de 3 e 5v aparecem mas continuo não funcionando (liga e desliga uns 5 segundos depois). Se eu retirar o PQB19, os 25v aparecem no gate de ambos os fets. Fiz a substituição do PQB19 por um equivalente mas a oscilação volta. Outro detalhe que percebi é que quando a fonte está plugada, eu tenho 18.7v carregando a bateria (achei essa tensão estranha já que as células são HV 4.35v e daria 17.4v no total). Alguma alma bondosa poderia me dar uma força? Abraço a todos.
  11. Eu lembro de ter visto num Dell ou HP (faz tempo isso) um comportamento parecido e que era por conta do "Smart Charging". Esse mecanismo fazia com que a bateria fosse carregada até uns 80% e, depois disso, ficava alternando entre a bateria e a fonte. Entra na BIOS e confere se tem algo do tipo. Se tiver, habilita o modo de carregamento full.
  12. Só para esclarecer: 1) Ele liga com a fonte plugada (sem bateria); 2) Ele liga na bateria (sem a fonte); 3) Não liga se a bateria e a fonte estivererem plugados Procede?
  13. Se você fizer o jumper do dreno com source no PQ302 as tensões de 3 e 5v aparecem? Se sim, dá uma checada no CI de charge (provavelmente o PU301, pelo layout da placa).
  14. O ACDET nesse valor é em função do divisor de tensão ali presente. De acordo com o datasheet do BQ24781, para que o ACOK esteja presente, o valor do ACDT tem que ser maior que 2.4v e o VCC (carregador ou tensão da bateria) estiver acima do SRN e abaixo do ACOV (overvoltage 24v) Eu imagino o seguinte: se o problema agora é só não carregar a bateria (liga pelo carregador, liga pela bateria), confere o SMBus para ver se está havendo comunicação com a SIO. De cara, já confira se tem 3.3v nos terminais de BUS da bateria. Se não tiver, comece investigando por aí.
  15. Essa máquina veio de outra assistência mas não parece ter sido mexida nesse ponto. Como eu havia mencionado, eu cheguei a pegar uma BIOS que modifiquei na mão o hex para alterar o Service Tag e essa BIOS não dava esse erro de Unidentified System (aparecia como Inspiron 3501) e acho que não aparecia o lance do TPM (só ficava o maldito do Manufacturing Mode). Será que se eu te mandar esse par que usei daria certo?

SOBRE O ELETRÔNICABR

EletrônicaBR é o melhor fórum técnico online, temos o maior e mais atualizado acervo de Esquemas, Bios e Firmwares da internet. Através de nosso sistema de créditos, usuários participativos têm acesso totalmente gratuito. Os melhores técnicos do mundo estão aqui!
Técnico sem o EletrônicaBR não é um técnico completo! Leia Mais...
×
×
  • Criar Novo...