Pesquisar na Comunidade
Mostrando resultados para as tags ''da0r13mb6e1''.
Foram encontrados 9 registros
-
 resolvido Hp G4-1350br DA0R13MB6E1 REV E Não Liga
lord-zeus postou um tópico em Casos resolvidos - Notebooks
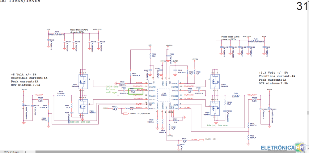
Boa noite pessoal. Gostaria de uma grande ajuda dos amigos. Estou com esse equipamento na bancada, estava funcionando normalmente, foi desmontado para dar uma limpeza geral e troca de teclado. Assim foi feito, porém durante a montagem ocorreu um problema que gerou o defeito citado. O cabo do alto falante que vai para o lado direito (vermelho e preto) (pinos 3 e 4) do Cn1 erroneamente ficaram muito próximo do conector CN7 que vai conectado o cabo que atende ao cd-rom. Quando foi conectado este conector ele trancou o cabo de áudio e junto a carcacinha pelo lado de fora do pino 1 deste conector e perfurando o fio que acabou ficando em contato com o terra do conector e ali ficou furado e preso tanto o preto como o vermelho. Logicamente que não foi notado, máquina montada, ainda com a bateria apenas a máquina foi ligada, e ficou um ruído no alto falante direito, porém foi subindo o sistema, notei um cheiro mais forte (tipo de queimado) e sente ele quente ali na proximidade do leitor de cartão, já mandei logo desligar o sistema. que desligou normal. Fiz o desmonte da peça e aí que notei tudo que relatei acima, tirei o fio do lugar e fiz um teste e a máquina agora não dá mais vídeo e fica apenas ligando e desligando, sem apresentar vídeo. fiz umas medições pela placa e ao ligar ela manda os 3.3 para a bios mas logo em seguida zera. comecei a fazer umas medições e notei que o Pq39 e Pq40 apresentavam curto, tirei eles da placa, e fora tudo certo. continuei os testes, e notei que o Pc255 apresenta curto em relação ao terra em ambos os terminais. Removi ele, medi fora e está ok, porém mesmo sem o componente os terminais apresentam curto em relação ao terra. O PL25 tinha o mesmo curto mas ao remover ele, o curto ficou apenas na linha que ia em direção ao Pc255. Removi todos próximos a esse capacitor, no caso o Pc249, pc250, pc251, pc252, pc253 e Pr239. O curto permanece em ambos terminais do pc255. Olhando o esquema cheguei ao L50 e L53, removi ambos, o curto se mantém, fiz também a remoção do c620 e o mesmo curto permanece nos terminais mesmo sem o componente. Alguém poderia me dar uma luz a mais ? Estou usando esse esquema- 9 respostas
-
- g4-1350br
- da0r13mb6e1
-
(mais 1)
Tags:
-
 dúvida Intel DA0R13MB6E1 Não liga devido ao Capacitor SMD Qual o valor
lalbertorj postou um tópico em Notebook's
Prezados, Bom Dia! Sou amador na área, e preciso de ajuda para encontra o valor do Capacitor SMD desta placa Mãe. É de um notebook Hp Pavilion G4 - Mainboard DA0R13MB6E1 REV E Quero salvar este equipamento. Conforme imagem, observa-se que o Capacitor Cerâmico SMD soltou da placa. Eu não estou sabendo identificar no Schema o seu valor, pois observo que ele atua no micro controlador do barramento de tensão AC/DC Poderiam sinalizado e identifica-lo com o seu valor nos arquivos e imagem anexos Agradeço a ajuda- 3 respostas
-
- intel
- da0r13mb6e1
- (mais 5)
-
 resolvido HP G4-1350BR - DA0R13MB6E1 REV - E - Liga Sem Vídeo
aneenha postou um tópico em Casos resolvidos - Notebooks
Boa tarde amigos, estou com essa placa mãe, ela liga sem imagem e sem processamento. Na fonte de bancada ela trava em 0.22a. CPU não esquenta. Nas bobinas eu tenho todas as tensões, exceto Vcc_core e Vcc_Gfx. No PU5, PU12 e PU10 q são os cis onde são geradas essas tensões eu tenho VCC de 5v mas não tenho EN. A tensão de enable esta 0v, ela vem do sinal DR_ON, esse sinal de DR_ON vem do PU6, NCP6131N, esse CI tb tem alimentação de 5v e 19v porém não tem habilitação no pino 9, essa habilitação vem do sinal VR_ON do super i/o e está com 0v. Estou postando a imagem de algumas tensões q eu tenho no super i/o. Ja regravei as duas bios tb, a EC Bios tem comunicação com o super i/o, eu medi com o osciloscópio, porém a main bios quando eu ligo a maquina não me aparece nenhum dado. Quais seriam meus próximos testes? Será q meu defeito é o i/o ou o chip da main bios?- 26 respostas
-
- g4-1350br
- da0r13mb6e1
-
(mais 2)
Tags:
-
 dúvida HP Pavilion G6 - MB DA0R13MB6E1 REV E - Não liga
christian.ricard postou um tópico em Notebook's
Bom dia a todos, preciso de uma ajuda. Estou com esse G6 que chegou sem liga, analisando eu tenho os 3v e tenho os 5v, essa maquina precisa ter os 28v no Vout do PU2 ( tenho ok ) e chegar no PR129. No PU2 eu tenho essa tensão de 28v, sem PR129 tenho os 28v no mesmo lado que chega no PU2, ok. Quando coloco o PR129 esse valor muda para 19v no mesmo lado que tinha os 28v e do outro um queda para 17v. No PQ52 tenho 19v nos 3 terminais. Alguém poderia me orientar onde estou errando? Muito obg.- 4 respostas
-
- hp
- hp pavilion
- (mais 6)
-
 em análise Pavilion g4 - da0r13mb6e1 rev.e - pisca o led do carregador 3 vezes e não liga
marcondes sjc postou um tópico em Notebook's
Bom dia to com esse notebook que não esta ligando, o pq52 estava em curto substituir ele porem nao ligou tbm voltagem dele G-12V D-19 S-11V alguem poderia da um força -
 bios Hp Pavilion G4 G6 G7 Quanta R13 DA0R13MB6E0 DA0R13MB6E1 REV E UMA-DIS.
Jose luis Millan postou um tópico em Gerenciador de arquivos
Hp Pavilion G4 G6 G7 Quanta R13 DA0R13MB6E0 DA0R13MB6E1 REV E UMA-DIS. Ver archivo Hp Pavilion G4 G6 G7 Quanta R13 DA0R13MB6E0 DA0R13MB6E1 REV E UMA-DIS. Submitter Jose luis Millan Submitted 10/07/24 Categoría HP y Compaq -
 bios Hp Pavilion G4 G6 G7 Quanta R13 DA0R13MB6E0 DA0R13MB6E1 REV E UMA-DIS.
Jose luis Millan postou um arquivo em HP & Compaq
-
 dica Notebook HP G4 - Modelo: 1350BR - Placa Mãe: DA0R13MB6E1 / REV:E, MODEL: R13 - DEFEITO: NÃO DA VÍDEO.
WMS Informatica postou um tópico em Notebook's
Alguem sabe onde consigo a Bios para notebook HP G4 1350br em .bin? -
Boa noite pessoal, estou com um notebook aqui que fui trocar o HD comum dele por um SSD e ao fazer a troca ele não reconhece o SSD. Ai fiz uns testes no SSD e esta normal e funcionando em outros equipamentos porem nesse notebook em questão ele somente reconhece o HD que esta nele ou outro que seja da mesma marca que o original e o restante não reconhece e fica dando erro de disco. Gostaria de pedir ajuda com isso e pensei em atualizar a BIOS dele pra ver se resolve porem o site da HP não tem mais suporte pra ele e no encontrei a versão F66 e atualizei e não adiantou pois era a mesma versão. Caso tenham outra ou outra ideia só me responder.. Obrigado a todos.
SOBRE O ELETRÔNICABR
Técnico sem o EletrônicaBR não é um técnico completo! Leia Mais...
