Ir para conteúdo
View in the app

A better way to browse. Learn more.

EletrônicaBR.com

A full-screen app on your home screen with push notifications, badges and more.

To install this app on iOS and iPadOS
  1. Tap the Share icon in Safari
  2. Scroll the menu and tap Add to Home Screen.
  3. Tap Add in the top-right corner.
To install this app on Android
  1. Tap the 3-dot menu (⋮) in the top-right corner of the browser.
  2. Tap Add to Home screen or Install app.
  3. Confirm by tapping Install.

Ts shara UPS sen 3200 placa TS-141 ,Após desligar por fim de bateria Nao religa ao retornar a rede.

Featured Replies

Postado

Pessoal ja trabalhei bastante com Nobreaks da sms mas esse Ts shara  nao tenho esquema e nem sei por onde começar , Agradeço se alaguem puder ajudar .

Editado: por Marcelo Gastaldi De Andrade

Postado

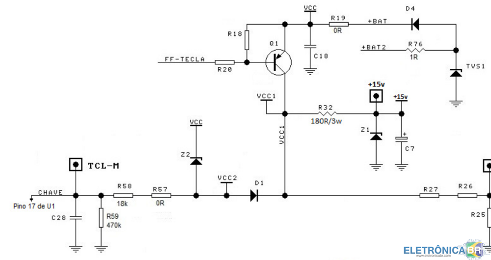
Ao conectar na rede , o trafo se energizara e surgira uma tensão senoidal em G01 que polarizara U8 fazendo que  que FF tecla va para nivel baixo acionando o equipamento atraves de Q1

 

image.png.ae320b40686a8d4e2e4514f96ff75c02.png

Postado
  • Autor

@joao lima RV esqueci de mencionar que essa placa eu retirei de outro nobreak do mesmo modelo mas que agora fui observar que o Trafo do outro e diferente, então deve que tem fazer  alguma alteração nesses componente dessa linha de religar . um Trafo é o TR-404 o outro esta com um numero ilegível mas da para ver que e TR-*83 

Postado

Não creio que a diferença de trafos ira alterar o funcionamento.

Com as baterias carregadas, ao ligar na tomada ele aciona o carregador ?

Qual a tensão das baterias depois que ele desliga por sub tensão de bateria ?

Postado
  • Autor
1 hora atrás, joao lima RV disse:

Não creio que a diferença de trafos ira alterar o funcionamento.

Com as baterias carregadas, ao ligar na tomada ele aciona o carregador ?

Qual a tensão das baterias depois que ele desliga por sub tensão de bateria ?

Ao ligar na tomada nao aciona o carregador so após ligar na chave. a tensão das baterias após desligar fica em 23,5v ,nao estou testando com as baterias originais e sim  usando baterias 7 amp

Postado

Ao conectar na tomada , surge uma senoide em G01, quando a tensão no pino 8 (ref) ultrapassar 2,5 volts o pino 1 (katodo) vai para zero polarizando Q1 alimentando os circuitos da placa

Postado
  • Autor
3 horas atrás, joao lima RV disse:

Ao conectar na tomada , surge uma senoide em G01, quando a tensão no pino 8 (ref) ultrapassar 2,5 volts o pino 1 (katodo) vai para zero polarizando Q1 alimentando os circuitos da placa

ao ligar a rede a senoide aprece em G01 mas a tensão de 2,5 no pino 8 nao fica em 0 

Postado

Se o pino 8 esta baixo ele polariza Q1 (FF-TECLA ) fazendo-o conduzir

 

image.thumb.png.5a0bb30b0f933004da47e0208db21845.png

Postado

@joao lima RV, obrigado por compartilhar as informações tecnicas!

 

Aqui na empresa estamos com este mesmo problema no Tshasa TS-141.

Temos 35 nobreaks deste modelo já fora de garantia e mais de 10 já apresentaram este defeito. Quando a energia cai, o nobreak não religa os switchs de rede.

 

Não analisei em bancada para checar as tensões mas não me parece um defeito isolado.

  • 2 semanas depois...
Postado
  • Autor
Em 01/07/2024 às 07:32, Edwardo Fernandes disse:

@joao lima RV, obrigado por compartilhar as informações tecnicas!

 

Aqui na empresa estamos com este mesmo problema no Tshasa TS-141.

Temos 35 nobreaks deste modelo já fora de garantia e mais de 10 já apresentaram este defeito. Quando a energia cai, o nobreak não religa os switchs de rede.

 

Não analisei em bancada para checar as tensões mas não me parece um defeito isolado.

aqui apesar das ótimas informações passadas pelo companheiro Joao lima ainda nao consegui resolver 

Postado

Ao conectar a rede o trafo é alimentado, a tensão nos fios dos braços polariza U8 fazendo que o pino 8 va para baixo polarizando Q1. #2

Verifique se o pino 8 esta baixo ou sem tensão. Verifique as tensões da fonte e se o rele 127/220 esta acionado conforme a tensão de entrada

 

image.thumb.png.147b84c50bfc45cdabcc48079d92cdb0.png

Postado
  • Autor
Em 12/07/2024 às 16:20, joao lima RV disse:

Ao conectar a rede o trafo é alimentado, a tensão nos fios dos braços polariza U8 fazendo que o pino 8 va para baixo polarizando Q1. #2

Verifique se o pino 8 esta baixo ou sem tensão. Verifique as tensões da fonte e se o rele 127/220 esta acionado conforme a tensão de entrada

 

image.thumb.png.147b84c50bfc45cdabcc48079d92cdb0.png

 

Postado
  • Autor

A tensão do pino do 8 do U8 fica em 0,15v ao conectar na rede as fontes de 5 e 15 estão certas , quanto a entrada do rele ele fica na posição original que seria 220v , no momento de religar após termino da bateria  nao bate rele nenhum .  

Postado

Estas medidas teriam que ser realizadas apos o desarme de sub de bateria

Postado
  • Autor
7 horas atrás, joao lima RV disse:

Estas medidas teriam que ser realizadas apos o desarme de sub de bateria

após desarme de sub de bateria as fontes de 15  e 5v ficam em zero e ao retornar a energia a fonte de 15 fica em 8V e a fonte de 5v fica em 4V e o nobreak nao religa 

Participe agora da conversa!

Você pode postar agora e se cadastrar mais tarde. Se você tiver uma conta, faça login para postar com sua conta.

Visitante
Responder

Account

Navigation

Pesquisar

Pesquisar

Configure browser push notifications

Chrome (Android)
  1. Tap the lock icon next to the address bar.
  2. Tap Permissions → Notifications.
  3. Adjust your preference.
Chrome (Desktop)
  1. Click the padlock icon in the address bar.
  2. Select Site settings.
  3. Find Notifications and adjust your preference.