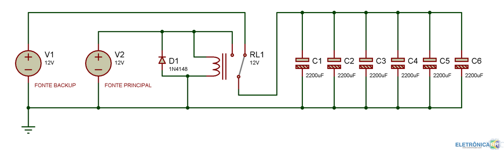
dúvida Chaveamento entre duas fontes com mosfet
Avalie este tópico:
-
Conteúdo Similar
-
 dúvida XBOX one S queimando constantemente o mosfet Q9F1
Iniciado por Tiago Afonso em
- 4 respostas
- 2.296 visualizações
-
 dúvida Substituto mosfet - FDMS 3602s - Qual poderia usar?
Iniciado por VitoC em
- 7 respostas
- 433 visualizações
-
 em análise robozinho oester modelo oasp302 não gira as duas cerdas laterais inferiores (debaixo)
Iniciado por eletmoraes em
- 1 resposta
- 113 visualizações
-
 devolvido escolher fonte de alimentacao duvida 1 2
Iniciado por Gamer87fan em
- 35 respostas
- 908 visualizações
-
- 2 respostas
- 148 visualizações
-
SOBRE O ELETRÔNICABR
Técnico sem o EletrônicaBR não é um técnico completo! Leia Mais...

Posts em destaque
Participe agora da conversa!
Você pode postar agora e se cadastrar mais tarde. Se você tiver uma conta, faça login para postar com sua conta.