Vitor Rafael Bandeira
Membros-
Posts Por Dia
0.01 -
Posts
20 -
Registrado em
-
Última visita
-
Créditos EBR
32 [ Doar ]
Sobre Vitor Rafael Bandeira
- Data de Nascimento 01/09/2000
Informação Pessoal
-
Sexo
Masculino / Male
-
Localidade
Toledo-PR/BRASIL
Últimos Visitantes
Conquistas de Vitor Rafael Bandeira
-
Ola amigos, tudo bom com vocês? Estou com esta caixa de som a qual foi ligada em 220V e sua tensão de trabalho e unicamente 110V. Ela chegou pra mim já mexida por outra pessoa, pelo que notei os capacitores do primário haviam explodido e foram trocados por valores inferiores, eu substitui, a ponte retificadora havia sido trocada por uma de 10A e eu mantive, além de trocar vários outros componentes os quais identifiquei com defeito. Identifiquei diversos componentes danificados e fiz a troca de todos, usei de base o esquema eletrônico que encontrei e assim tentei o reparo. Porem quando fui realizar o teste ligando a placa fonte na lâmpada serie de 100w, ela carregou os capacitores, armou o Drive PWM e em seguida entrou em curto (ascendeu a lâmpada totalmente), ela simplesmente queimou o o controlador (U104 NCP1271) o Fet (Q103 12N60) recém trocado por um 13N50 e também o diodo (D103 IN4148) que fica no acoplamento do gate do Fet. Os componentes que eu havia substituído na tentativa de reparo foi: Depois que queimou novamente o controlador e o fet, eu aferi todos os componentes novamente, agora fiz pedido de mais unidades desse NCP1271 e comprei o original 12N60 para tentar novamente o reparo, também já substitui o IN4148 que havia entrado em fuga na segunda vez que queimou. O que eu gostaria de pedir aos amigos técnicos e sábios em fonte chaveada com esse controlador, é se tem mais algo que pudesse levar a queima após trocar todos estes componentes, estou cogitando a troca do (U102 Tl431). Segue um PNG do esquema com legenda daquilo que já mexi.
-
 esquema Dell vostro 5470 - a50 Quanta JW8C JW8B-C DAJW8CMB8E1
Vitor Rafael Bandeira comentou no arquivo de Daniel em: DELL
- 3 comentários
-
- 1
-
-
- dell vostro 5470
- 5470
- (mais 3)
-
 esquema ESQUEMA Dell 5566 5468 - Bal60 LA-D871P Rev 1.0
Vitor Rafael Bandeira comentou no arquivo de ribeirodanilo93 em: Esquemas
-
Vitor Rafael Bandeira começou a seguir: Esquema Dell 5468 e 5566 - BAL60 LA-D871P Rev 1.0
-
 esquema Esquema Dell 5468 e 5566 - BAL60 LA-D871P Rev 1.0
Vitor Rafael Bandeira respondeu o tópico de pedrorosasb em Gerenciador de arquivos
Arquivo diferente do informado. O arquivo é postado como LA d871p mas na verdade é o LA-D071P -
Vitor Rafael Bandeira começou a seguir: Esquema Dell 5468 e 5566 - BAL60 LA-D871P Rev 1.0
-
 esquema Esquema Dell 5468 e 5566 - BAL60 LA-D871P Rev 1.0
Vitor Rafael Bandeira comentou no arquivo de pedrorosasb em: DELL
-
 atualização Bios Rom - Notebook Dell / Inspiron 3442 / MB 13269-1 FX3MC Rev: A00 (Região ME Limpa) Testado
Vitor Rafael Bandeira postou um tópico em Gerenciador de arquivos
Visualizar Arquivo Bios Rom - Notebook Dell / Inspiron 3442 / MB 13269-1 FX3MC Rev: A00 (Região ME Limpa) Testado Arquivo criado a partir de um download aqui do forum o qual não era compativel com placas com GPU dedicada. A baixo link fonte: Utilizei da ferramenta Intel ME System Tools v9.5 r5 e repositorio Intel 9.5.15.1730_1.5MB_PRD_RGN. Arquivo foi testado em uma maquina Dell, Post de bios rapido. Testado em notebook com processador i5. Como o arquivo esta com a região Me limpa, funcionara em qualquer placa de mesmo modelo e que tenha qualquer CPU, com ou sem GPU. Uploader Vitor Rafael Bandeira Enviado 12-01-2023 Categoria Limpeza de regiões ME/TXE -
 atualização Bios Rom - Notebook Dell / Inspiron 3442 / MB 13269-1 FX3MC Rev: A00 (Região ME Limpa) Testado
Vitor Rafael Bandeira postou um arquivo em Limpeza de regiões ME/TXE
82 downloads
Arquivo criado a partir de um download aqui do forum o qual não era compativel com placas com GPU dedicada. A baixo link fonte: Utilizei da ferramenta Intel ME System Tools v9.5 r5 e repositorio Intel 9.5.15.1730_1.5MB_PRD_RGN. Arquivo foi testado em uma maquina Dell, Post de bios rapido. Testado em notebook com processador i5. Como o arquivo esta com a região Me limpa, funcionara em qualquer placa de mesmo modelo e que tenha qualquer CPU, com ou sem GPU. Se este arquivo lhe ajudou ou foi util de alguma maneira, me da uma força e senta o click no like. Obrigado! -
 soft Intel ME 8-10 TXE 1-2 (CS)ME 11-14 (CS)TXE 3-4 System Tools
Vitor Rafael Bandeira comentou no arquivo de FDONATO em: Windows
Muito util as ferramentas, ajudou de mais! Graças aos seus videos, consegui realizar a limpeza de 2 bios, possibilitando a mim reparar duas maquinas. Eu sempre tentei usar o MeInjector e com ele dava erro, a bios não inicializava etc, bem como explicou no tutorial. Infelizmente por não ter acesso vip contratado no momento, não consegui baixar todos os arquivos e estou pegando alguns fora do forum, mas todo arquivo por mim limpo e testado, estou enviando para o forum! Muito grato! -
 bios Asus x540ub x540ubr bios + ec
Vitor Rafael Bandeira comentou no arquivo de FDONATO em: ASUS
-
 bios Bios + EC .Rom Notebook LG / Gran 15z980 - g.bh72p1 Mb: 14/15z980 rev1.3 eax67862715 Hannstar i7 e i5
Vitor Rafael Bandeira comentou no arquivo de Vitor Rafael Bandeira em: LG
-
 em análise LG Gran 15z980 - g.bh72p1 - 1415z980 rev1.3 eax67862715 Hannstar - Não carrega
Vitor Rafael Bandeira respondeu o tópico de Vitor Rafael Bandeira em Notebook's
Continuo na mesma ate o momento, sem novas alterações ou melhoras do quadro tecnico da placa.- 8 respostas
-
- notebok
- não carrega
- (mais 12)
-
 em análise LG Gran 15z980 - g.bh72p1 - 1415z980 rev1.3 eax67862715 Hannstar - Não carrega
Vitor Rafael Bandeira respondeu o tópico de Vitor Rafael Bandeira em Notebook's
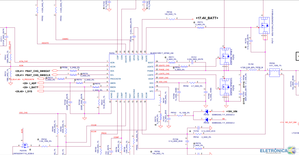
Pior que é isso mesmo ISL 95520 or 95521. Consegui um esquema de placa mãe que usa um como este e refiz os testes aqui, ate mesmo troqui os dois mosfet que neste esquema é retratado como PQ708 e PQ704, coloquei 2 AON 7410 no lugar os originais AON 7400A, mas nada mudou (fiz este teste para ter certeza que não era mosfet avariado). Fiz o teste também do resitor do gate do mosfet positivo que neste esquema seria o PQ704, esta ok também, resoldei mais uma vez o CI charge e nada- 8 respostas
-
- 1
-
-
- notebok
- não carrega
- (mais 12)
-
 em análise LG Gran 15z980 - g.bh72p1 - 1415z980 rev1.3 eax67862715 Hannstar - Não carrega
Vitor Rafael Bandeira respondeu o tópico de Vitor Rafael Bandeira em Notebook's
Já adiciono aqui mais informações Esta placa esta equipada com um Ci de Charge isl 95520 hrz e eu não acho o datasheet desse cara- 8 respostas
-
- notebok
- não carrega
- (mais 12)
-
 em análise LG Gran 15z980 - g.bh72p1 - 1415z980 rev1.3 eax67862715 Hannstar - Não carrega
Vitor Rafael Bandeira respondeu o tópico de Vitor Rafael Bandeira em Notebook's
@Rods Muito grato pelo joinha amigo! Já tenho uma certa experiencia aqui no forum de outra conta que utilizava da empresa onde trabalhei. Então, esta placa não tem esse switch e ate cheguei a observar isso, mas descartei a hipotese de ser algo assim quando vi a bateria nova sendo drenada para manter ele ligado, mas não carregando, quando tem essa chave, a bateria é literalmente desconectada do circuito e não alimentaria ele também. Mas agradeço mesmo assim parceiro!- 8 respostas
-
- notebok
- não carrega
- (mais 12)
SOBRE O ELETRÔNICABR
Técnico sem o EletrônicaBR não é um técnico completo! Leia Mais...
