Pesquisar na Comunidade
Mostrando resultados para as tags ''mesa''.
Foram encontrados 36 registros
-
 em análise Mesa Som behringer x2222, problema na fonte.
daniel dan postou um tópico em Aparelhos de Som, GPS, Gadgets e Tecnologia
Boa noite, na bancada hoje temos uma mesa som da behringer , a mesma entrou na oficina totalmente inoperante, chegando a fonte encontrei ela totalmente sem sinal de vida. Iniciando os testes com lâmpada em serie a mesma não acendeu, checando a tensão sobre o capacitor principal C7, o mesmo tem uma tensão de 170v volts, o integrado top245yn aquece mesmo sem ter carga alguma. Não há capacitores estufados ou rasgados, aparentemente todos em ordem visualmente é claro. Estudando o datasheet do top245 e comparando ao circuito da fonte notei que tem um curto entre o pino1 e o negativo da fonte primária , no diagrama da fonte tem um capacitor de 100nf , na placa ele é o C26, SMD, preciso ver se o mesmo não se encontra em curto. Detalhe o capacitor principal se descarrega muito rapido após a fonte ser desligada , como se algo estivesse em curto. Minha suspeita e sobre o top245, mas a minha duvida e se tem mais componentes em curto ou fuga. Alguém já teve êxito no reparo dessa fonte pra me dar alguma dica. Segue o esquema da fonte para ajudar no reapro Att daniel -
 resolvido Mesa lexsen pm12
Wallace Valladares postou um tópico em Casos resolvidos -Ap Som, GPS, Gadgets e Tecnologia
Boa noite estou com essa placa da mesa lexsen pm12 ela estava com capacitores estourados e 4 resistores fritos,eu fiz a susbistituiçao deles só que a mesa ela até liga mais só acende o power e não da mais sinal em nenhum led alguém tem o esquema eletrico desta mesa que possa me ajudar, n encontrei placa de reposição nem esquema desta mesa- 1 resposta
-
- não resolvido
- mesa
-
(mais 2)
Tags:
-
 resolvido Mesa de som Behringer x1622.preciso do esquema elétrico.
Geraldo Guimaraes postou um tópico em Aparelhos de Som, GPS, Gadgets e Tecnologia
Bom dia pessoal..eu estou com essa mesa na bancada pra reparar e estou precisando muito do esquema elétrico pra fazer uma análise..ela liga acende . obedece comando mas está sem áudio na saída..me ajudem por favor.. obrigado. -
 em análise Mesa de Som 12 canais Oneal OMX 1200 só tem audio usando PFL+fones
Tallescg postou um tópico em Aparelhos de Som, GPS, Gadgets e Tecnologia
Bom dia, estou com uma mesa Oneal 12 canais que não ligava. Troquei os CIs 4558 da placa que controla o volume do USB, AUX Efeito e Fones. A mesa voltou a ligar, o seletor de efeitos voltou a acender, mas quando testo os canais não tenho audio nas saídas, o interessante é que se seu prescionar PFL nos canais consigo audio nos fones, mas continuo sem audio nas saídas. E a partir do canal 6 em diante, só tenho audio bem baixo mesmo. Testei os CIs dos canais( 4558) e tenho -14v e +14v nos pinos 4 e 8, todos os transistores tenho 4v no coletor. Alguém poderia me dar uma luz? Não tenho esquema. @Átomos @ohm podem dar uma força?- 5 respostas
-
- oneal
- mesa de som
- (mais 6)
-
 dúvida Mesa de som Oneal OMX 8 - Identificação do pwm e mosfet da fonte
Átomos postou um tópico em Identificação e Equivalência de Componentes
Olá, gostaria de saber quem tem uma fonte dessas na bancada para me ajudar a identificar esses componente que vieram trocados de outra assistência. u3 e n1 -
MESA CICLOTRON AMW ESD Visualizar Arquivo ESQUEMA MESA SOM CICLOTRON AMW Uploader Claudiopy4ys Enviado 30-11-2021 Categoria Áudio
-
 apresentação Paulo Cesar Garcia - Londrina - Paraná
emanuel3182 postou um tópico em Apresentações
Meu nome é Paulo Cesar Garcia sou de Londrina Paraná trabalho com eletrônica há 10 anos e conheci o fórum através do Google e estou precisando do esquema da mesa Behringer x 1832 usb se alguém puder me ajudar agradeço -
 em análise Mesa behringer Europowe PMP 4000 / fica piscando ao ligar
guilherme Bucceni Alves postou um tópico em Eletrônica em Geral
Olá Amigos. boa tarde!! Recebi esta mesa amplificada da Behringer, o cliente diz que ligou no 220V e a mesma é 110V. Sintoma: Ao conectar na tomada e ligar ela fica piscando todos os leds, após desligar os leds continuam piscando e depois param. Estou com duvida em ser a placa principal onde ficam os controles, ou a placa de power, isolei a placa de aplificação e mesmo assim o problema continua Alguma dica ou esquema eletrico? Obrigado -
 dúvida Mesa de Som Phonic AM125 FX
robson lima postou um tópico em Aparelhos de Som, GPS, Gadgets e Tecnologia
Olá a todos, estou com uma mesa de som Phonic AM 125 FX que o cliente improvisou uma fonte de alimentação e aí... PUFFF ! Eu recuperei a parte de alimentação mas ela está sem áudio e com um ruído parecendo uma "sirene" ! Então, estou dependendo de um diagrama para solucionar essa parada. Agradeço desde já qualquer ajuda. Abraços Robson -
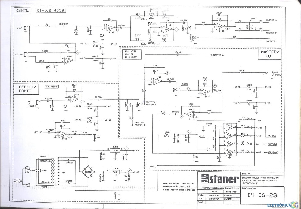
 dúvida Staner 04-2S Ajuda para remover fonte original
AndersonAvila postou um tópico em Aparelhos de Som, GPS, Gadgets e Tecnologia
Olá, pessoal! Sou novo por aqui e também novo em eletrônica! Estou fazendo uma reforma em uma mesa de som Staner antiga modelo 04-2S e estou com vontade fazer algumas modificações nela. Com isso acabei me deparando com um grande interesse em eletrônica e vontade de aprender mais. Sendo mais direto, vou postar junto o esquema da mesa, que achei aqui no site, e apresentar as modificaçoes que desejo fazer. - modificar ela para funcionar apenas em 127V - retirar o fusível - retirar o seletor 110/220 Sei dos riscos de fazer essa modificação. Mas como vou usar ela apenas como objeto decorativo e para mandar o audio de minha interface para duas caixas de som, podendo assim ajustar principalmente o grave, não terei problemas com tensão. Já estou fechando os rasgos do chassis onde eles eram encaixados para ficar com uma estética melhor. Desejo então a ajuda de você em quais fios cortar e quais deixar, e também saber se posso remover aquele transformadorzinho que tem dentro dela. Vou postar uma foto interna dela tambem para avaliaçao. Desde já, muitíssimo obrigado! -
 dúvida Mesa Yamaha 01v96 problemas de calibração
Marcelo l domingos postou um tópico em Eletrônica em Geral
Olá a todos, peguei essa mesa para trocar faders, troquei 9, 10, 11, 12 e 16 agora ligo ela e tento calibrar os faders, e o 10, 11, 12 não acompanha os outros e ela não conclui o processo de calibração, vou postar uma foto ou vídeo para vcs terem uma ideia, e me ajudarem a solucionar o problema IMG_4557.MOV -
 dúvida Mesa Ciclotron CSM 12-A4 pedido de esquema
Aecioflaviodasilvafilho postou um tópico em Aparelhos de Som, GPS, Gadgets e Tecnologia
Alguém tem esquema da mesa Ciclotron CSM 12-A4 ? Essa mesa usa fonte chaveada !!!!! -
-
 dúvida Ligar notebook a mesa de som
GuEmBoW postou um tópico em Aparelhos de Som, GPS, Gadgets e Tecnologia
Desculpa se não estou no lugar certo no forum, peço que me encaminhe se for o caso. Preciso por em prática essa situação: Usar o notebook com uma webcam em uma reunião, onde se usa um sistema sonoro, vários auto falantes, microfones, que estão ligados em uma mesa sonora e a mesa em um amplificador. Preciso de ajuda em como posso fazer o audio dessa reunião ir para o notebook que vai ter transmissão online via zoom, quem estiver conectado precisa ver e escutar e precisam falar também, ou seja o audio do zoom precisa ir para os auto falantes. -
Prezados, boa noite... Preciso de um auxilio na XAIR 18. Não tenho muito conhecimento.... Já faz uns 3 anos que temos essa mesa, alguns meses pra cá no meio do culto o som aumente do nada sem ninguém mexer nela e doa nada abaixo, fica nessa oscilação sobe e abaixa sem ninguém mexer. O que poderia ser? Preciso de ajuda?
-
 dúvida Como ligar auxiliar em caixa de som ativa sem usar mesa de som?
rodrigo calado postou um tópico em Eletrônica em Geral
bom dia a todos. Tenho uma caixa de som da TSI modelo CS6 com as seguintes especificações: https://www.soulmusic.com.br/produto/caixa-de-som-ativa-tsi-6-polegadas-preta/ • Caixa de som ativa com um falante de 6 polegadas e um Dome de 75 polegadas. • Sensibilidade de 89 db. • Resposta de frequência de 45HZ A 20KHz. • Suporte para a fixação. • Potência de 1500W PMPO. • Potência de 100W RMS. • Potência de 90W (uso contínuo). • Impedância 8 Ω. AMPLIFICADOR: • Potência de saída de 100W. • Resposta de frequência de 20Hz A 20KHz. • Equalização de duas bandas EQ+OU- 15db. • Ganho máximo de 30 db. • Entrada combo (XLR+ p10 6,3mm). • Saída XLR (BF). Atualmente é utilizada apenas com mesa de som devido à ela ter apenas uma entrada de 8ohms. Como consigo utilizar uma entrada auxiliar ou p2, celular por exemplo ou aquelas plaquinhas bluetooh pra usar nela sem a mesa de som? Existe algum modulo ou conversor de impedancia? de preferência algo que seja bem barato, porque se o custo for alto, melhor continuar usando uma mesinha de som simples.. -
 resolvido Mesa de Som Behringer X18 - Defeito fonte de alimentação
Ricardo_niba postou um tópico em Casos resolvidos -Ap Som, GPS, Gadgets e Tecnologia
Olá colegas, estou com uma mesa behringer x18 que veio de outra oficina com defeito na fonte, porem, com vários componentes queimados, tem um diodo na pcb que não possui a sua nomenclatura, sua posição na pcb é D8 ele está ligado em paralelo com o capacitor que alimenta o vcc do IC OB2269...tudo indica de ser um zener -
 em análise Behringer - Mesa de Som XR18 - Possível Defeito na Fonte
rmcoelho postou um tópico em Aparelhos de Som, GPS, Gadgets e Tecnologia
Boa noite a todos! Uso esta mesa desde 2019, e em 2022 ela simplesmente não ligou, como se tivesse sem o cabo de força. Tirei ela do estúdio e levei para casa. Para minha surpresa, ela ligou em casa. Desde então, ela estava funcionando normalmente, até a última sexta feira, quando ocorreu exatamente o mesmo defeito, ela não ligou. Novamente, antes de desmontar ela, eu tentei ligar e ela ligou. Mesmo assim, desmontei, retirei a fonte, medi tudo que pude e ressoldei a fonte toda. Ao testar ela, seguiu funcionando, e no mesmo dia, algumas horas depois, ela não ligou novamente. Tentei achar o esquema, para descobrir o resistor de start, e achei aqui no fórum, porém, não consegui baixar. Neste link abaixo: Gostaria de saber se alguém poderia me mandar ou disponibilizar o esquema. Desde já ageadeço, Raphael. -
-
 esquema Esquema Mesa de Som Behringer Xenyx 1832fx
Chagas Moura postou um tópico em Gerenciador de arquivos
Esquema Mesa de Som Behringer Xenyx 1832fx Visualizar Arquivo Esquema Mesa de Som Behringer Xenyx 1832fx Uploader Chagas Moura Enviado 20/11/2024 Categoria Áudio -
Tenho uma Behringer Xr18 que parou de funcionar, levei na assistência e já identificaram que a fonte parou. Porém ninguém consegue uma fonte nova nem o esquema elétrico dessa fonte.
-
 resolvido mesa de xenyx x1832usb desligando apos um tempo
Renan Gislon Lacerda postou um tópico em Aparelhos de Som, GPS, Gadgets e Tecnologia
estou analizando uma mesa de som behringer, a mesma funciona tudo corretamente, alguns ci's noto que tem um leve aquecimento em relação a outros do mesmo codigo, mas a fonte aquece o transistor do +15vdc e aquece o ci que chaveia a fonte, e apos um tempo se desliga, creio que proteção do ci da fonte, verifiquei os capacitores da fonte e estavam ok, mesmo assim coloquei novo mas nao resolveu, alguem pegou algum defeito parecido? -
 dúvida Esquema Mesa de Som BEHRINGER XENIX 1832 USB
Ezequiel Felix Martins Tosta postou um tópico em Eletrônica em Geral
Olá boa noite, estou com problemas na placa de entrada da mesa X1832USB, o canal 2 não está entrando sinal, já troquei o ci de entrada e não consigo encontrar o problema. Gostaria se alguém tiver para disponibilizar o esquema elétrico dela. -
 esquema Esquema Mesa Behringer SL3242 + Fonte UB SPSU2 Com Circuito Integrado Sop8
Felix_FX postou um tópico em Gerenciador de arquivos
Visualizar Arquivo Esquema Mesa Behringer SL3242 + Fonte UB SPSU2 Com Circuito Integrado Sop8 Disponibilizo Esquema mesa Behringer SL3242 - Fonte dificil de encontrar esquema. Com Circuito integrado Sop8 Uploader Felix_FX Enviado 25/07/2023 Categoria Áudio -
Olá amigos! Paz e felicidade a todos. Estou consertando uma mesa Oneal Omx 80 e estou com dificuldade de entender a exigência de uma tensão de -48v na placa, visto que a fonte deste modelo fornece tenções de: +15v, -15, +48v. o que mega mais também é que eu recebi o equipamento com todos os fios arrebentados e o cliente já teria feito várias tentativas de ligar os fios, com isso encontrei vários ic4580 danificados, mas, o que eu preciso amigos é do diagrama esquemático deste aparelho, alguém poderia me ajudar?
SOBRE O ELETRÔNICABR
Técnico sem o EletrônicaBR não é um técnico completo! Leia Mais...
