Pesquisar na Comunidade
Mostrando resultados para as tags ''pwb.''.
Foram encontrados 11 registros
-
 dúvida Dell Inspiron 3442 / Cedar_Intel-MB 13269-1 PWB. FX3CM REV:A00 / Não dá imagem no hdmi
Eduardo cavalcanti dos reis postou um tópico em Notebook's
Estou com a placa de um dell inspiron 3442 que liga mas não sei muito bem se ele está funcionando direito, já que a tela dele tá quebrada e por algum motivo não dá sinal nenhum no HDMI (Sendo que é a única saída de vídeo da placa). Eu percebi esse capacitor carbonizado na placa mas não sei exatamente de que setor ele pertence e não sei se tem alguma ligação. Qualquer ajuda é muito bem vinda. -
 em análise Dell Inspiron 15-3542 Cedar Intel-MB 13269-1 PWB. FX3MC rev. A00 aparece o post e em menos de um segundo desliga
plannet postou um tópico em Notebook's
Prezados deste fórum, boa tarde. Este notebook entrou aqui inicializando assim que liga ele ao carregador, aparece o post e quando a barra de inicialização Dell começa a carrregar, o notebook desliga, isso em pouco menos de 1 segundo. De cara retirei a BIOS para regravá-la, que nem chegou a ser reconhecido (bios com problema) no meu gravador (MINI PRO). Importei este C.I (MX25L6473E) através do ALI e, de posse deste c.i., gravei o arquivo baixado aqui mesmo no ELETRÔNICA BR. Repus o componente novo e devidamente gravado na placa e, ao ligar o notebook no carregador, ele aparece semelhantemente ao defeito anterior, desligando ainda mais rápido. Usei mais 2 arquivos de diferentes usuários e o resultado foi o mesmo. Obviamente só está aplaca do notebook sem mais periffericos, apenas a memória RAM (que foi substituída) e o cabo do display. Se algum colega puder me dar um norte, desde já estarei grato. -
 bios Dell Inspiron 3542 Cedar_Intel-MB 13269-1 PWB. FX3MC REV-A00
MMattjie postou um tópico em Gerenciador de arquivos
Visualizar Arquivo Dell Inspiron 3542 Cedar_Intel-MB 13269-1 PWB. FX3MC REV-A00 Bios testada, funcionando 100% Service Tag: 3X1SVC2 Uploader MMattjie Enviado 06-06-2022 Categoria DELL -
 resolvido Dell Inspiron 3437 DOE40-HSW GDDR5 MB 12314-1 PWB. VF0MH REV.A00 não carrega bateria
paulocoob postou um tópico em Casos resolvidos - Notebooks
Bom dia amigos. Estou há alguns dias com essa placa na bancada, e nao carrega bateria de jeito algum. Trocados CI charger (PU4404), testado em outra placa. Esta OK Trocado mosfet (PU4403) S 17.42v G 17.42 D 1.8 ~ 2.49 PL4401 com 17.42v Nao encontrei curto na linha do charger. Se alguém puder me ajudar nesse diagnóstico. Placa funciona perfeitamente só na bateria ou só no carregador. Juntos reduz o desempenho. Trocado BIOS. -
 devolvido dell inspiron 14 3443 séries Cedar_Intel_MB 13269-1 pwb. fx3mc rev A00 não liga
samueleugenio postou um tópico em Notebook's
estou com esse notebook na bancada nao liga tenho 19v na entrada 3v no conector bateria e na bios tenho 0,90v e nao encontrei porque esta assim encontrei no pmw 3v 5v 19v -
 em análise Dell Inspiron 15 - MB Cedar_Intel_MB 13269-1 PWB. FX3MC REV:A00 - Não liga
Israel Limonge postou um tópico em Notebook's
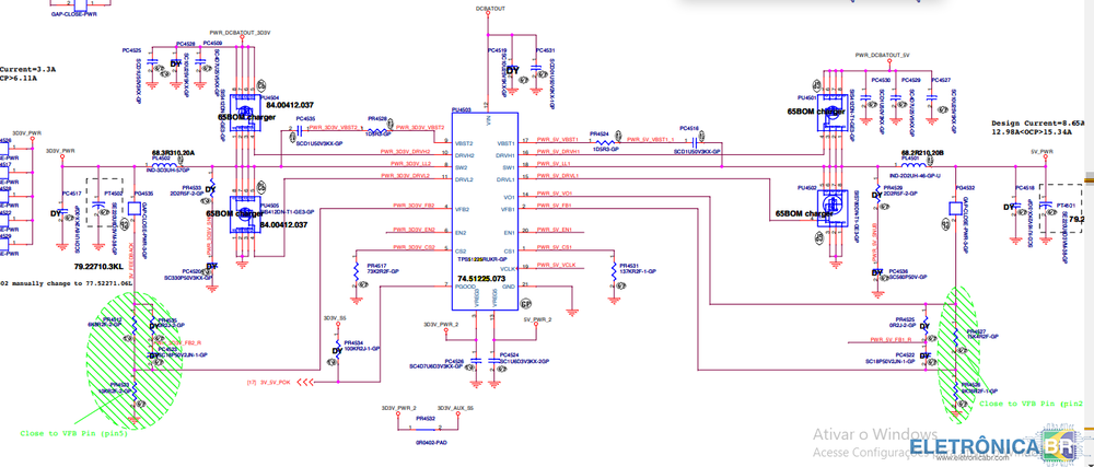
Este notebook apareceu com um formigueiro dentro. Havia uma oxidação no SIO e como uma das chapinas metálicas da carcaça solta que encostaram no circuito de 3 e 5 volts. O CI's de tps51225 estava em curto, foi substituido Foi resoltado o SIO (removido, reconstruido trilhas oxidadas e reinstalado o SIO) Esta é a situação atual do TPS51225 ESTES ERAM OS TERMINAIS QUE FORAM OXIDADOS PELAS FORMIGAS. *ja foram ressoldados existem muitos videos falando sobre este circuito mas estao em Indiano e eu nao entendi nada kkkkk mas vou postar quais sao as tensoes encontradas ai. *os mosfets PU4501, PU4502, PU4504, PU4505 foram aferidos e nao estao nem em curto nem em fulga, foram removidos da placa e com multimetro eles chaveavam normalmente. Não sei mais o que procurar ou o que medir. Algum dos mestres poderia me ajudar? -
 em análise Dell 3442 3443 3542 - MB 13269-1 PWB. FX3CM - Não Liga
Jorge Perpetuo postou um tópico em Notebook's
Boa Tarde Pessoal ,estou com notebook dell 3442 Cpu i3 UMA ,que não liga de jeito nenhum ,se possível me ajudem com esse diagnósticos tem 3V3 S5, 5VA PCH ,5V S5 Não tem Curto nas bobinas -
 em análise Dell Inspiron 14 - p53g / Pwb. Fx3mc Rev: aoo / não carrega bateria
willian490ms postou um tópico em Notebook's
Fiz teste com outra bateria mas não resolveu. Olhando o esquema, fiz as medições dos pinos. pino 1-2.7v b+ pino 2-2.7v b+ pino 3-3.2v PBAT_SMBCLK1 pino 4-3.2v PBAT_SMBDAT1 pino 5-3.2v PBAT_PRES1# pino 7-0v BAT_ALER o restante dos pinos é gnd. pino 1 e 2 com voltagem errada. troquei o PU4405 e tensão de 19v voltou no pino 1 e 2. Porém está como na foto e a bateria não sobe carga. -
 bios BIOS NOTEBOOK DELL INSPIRON 14 SÉRIES 3000 I14-3443-B30 CEDAR_INTEL- MB 13269-1 PWB. FX3MC REV:AOO
eletrorocha postou um arquivo em DELL
SOBRE O ELETRÔNICABR
Técnico sem o EletrônicaBR não é um técnico completo! Leia Mais...
