Ir para conteúdo
  • Cadastre-se
  • Posts Por Dia

    0.04
  • Posts

    182
  • Registrado em

  • Última visita

  • Créditos EBR

    353 [ Doar ]

Tudo que Carapixo publicou

  1. @nmercker, o curto ainda esta ali, removendo esses jumpers ele some... @FLAVIOTECH, não tenho certeza, mas acredito sim que foi ligada num carregador universal... mas porque diz que ficou chocado por ter furado mais? já li em outro post, não lembro se foi aqui no fórum ou em outro, mas no caso foi aumentado o furo para eliminar o curto entre as camadas, já que ali esquentou e derreteu.... Bom, tirei os jumpers como o nmercker mencionou, o curto sumiu, injetei 19v logo no source do mosfet e a principio as tensões primárias estão presentes.... agora vou colocar o jack e fazer a ponte pra ver no que dá e posto os resultados....
  2. Olá, essa placa deu algum curto na entrada dos 19v do jack, chegou a fumacear e torrar a parada... rsrs Já removi o jack e com uma broca fina abri mas o furo para tentar tirar o curto das camadas da placa.... Meu objetivo agora é fazer uma ponte do pino do jack até o mosfet ou algum outro componente dessa linha, porém não há esquema dessa placa, já rodei tudo quando é fórum e não existe. Alguém com mais experiência que já tenha feito algo parecido pode indicar onde fazer essa ponte para voltar a ligar a maquina? Aguardo sugestões...
  3. @Maxx7, então, segue todas as tensões: P1 = 1.0V P5 = 0.7V P9 = 4.7V P12 = 19.5v P13 = 1.8V P17 = 2.2V P20 = 2.9V O restante tudo com 0v. Pelo que percebi tá muito estranho esses valores ai, parece realmente que ele é o defeituoso da vez.....
  4. Olá, esquema para Asus placa K43L Rev. 4.1, só achei um tal de BoardView e não é PDF, não abre o arquivo. Não existe esse esquema ainda?
  5. @Maxx7, exatamente, é esses EN1 e EN2 que estão faltando, não consegui identificar quem gera eles, é o próprio PU4503? ou eles vem de outro lugar? Um pouco acima na mesma página 45, tem uma referencia que mostra eles recebendo do 3V_5V_EN, ai já não consegui mais identificar e entender.... @marcos__mat, não é questão de memória pois a placa está sem as tensões primárias.
  6. :-* ainda não posso fazer a assinatura, mas logo logo já vou fazer uma de 12 meses, só conseguir arrumar mais algumas maquinas pra ajuntar uma graninha, rsrs. Show de bola.
  7. Estou com a placa fora ligando somente na fonte normal.
  8. Olá, Esse acer está somente com led, não sobe vídeo... Na entrada, aparentemente onde deveria ter os 19v está tendo. Porém não possui 3.3v nem 5v nas bobinas, no PU4503, onde as bobinas estão ligadas, o pino 12 recebe 19.5v, mas os pinos 8 e 18 estão com 0v. A bios também não está recebendo nenhuma tensão, creio que deveria ter 1.8v no pino 8. Além disso não sei mais onde prosseguir.... Aguardo ajuda dos colegas. Esquema: https://eletronicabr.com/files/file/21737-esquema_schematic_all_in_one_acer_aspire_es1-512_ea53-bm-eg52-bm_15965-eletronicabrcompdf
  9. Bom, finalizando o tópico, não era a Bios o problema, acabei voltando o chip original. Fiz o ME, a maquina chegou a ligar, porém desligava com alguns segundos, acabei fazendo o reballing e voltou a funcionar. Tudo certo. Agradeço aos amigos.
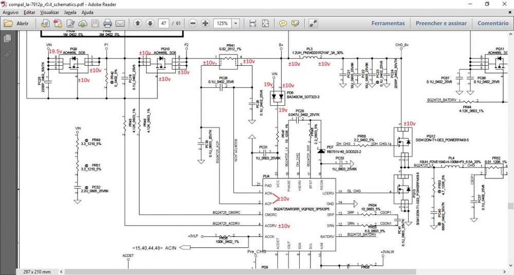
  10. @Gunsr7, a bios original tem 1mb, não regravei o mesmo chip, usei outro até por questão de segurança. @FLAVIOTECH, a comparação com tamanho sempre faço, minha dúvida maior é quanto ao tamanho do chip, o original é de 1mb, o novo que gravei é de 2mb mas com o arquivo de 1mb, e sim a pilha tem os 3v, sempre confiro isso também. @Douglas Grillo, vou fazer o ME agora cedo, deixei a placa na estufa durante a noite, assim que tiver notícias posto os resultados.
  11. @Douglas Grillo, @Gunsr7, regravei essa bios: https://eletronicabr.com/files/file/10367-acer_aspire_4252_-_v492_mb_daozqamb6c1_rev_c_6770-eletronicabrcombin em um ci de 2mb pelo que diz no esquema (pag 34), e não ainda não deu vídeo, será que o chip não é correto ou nada a ver?
  12. Boas tardes, Mais uma placa pra trocarmos uma ideia.... Um acer que liga leds mas não sobe vídeo, nem externo. Processador AMD e chip AMD 216-0752001 ainda intacto até com os silicones. A placa possui todas as tensões, 19v, bobinas de 3.3v e 5v, e também 3.3v nos pinos 3,7 e 8 da bios. o Pino 1 da bios apresenta 2.6v. Visualmente a placa está toda normal, com exceção de um conector USB que está com oxidação, mas não está nas conexões da placa, então acredito que não seja esse o problema. Quando ligada o processador chip gráfico esquentam. A partir daqui o que posso estar verificando? Esquema: https://eletronicabr.com/files/file/4716-esquema_schematic_acer-_aspire_4552_emachines_d442_-_quanta_zqa_da0zqamb6c1_5687-eletronicabrcompdf Aguardo sugestões.
  13. Devolvido sem conserto. Acabei comprando o equipamento do cliente para aproveitamento de peças e componentes.
  14. Então galera, substitui o PQ9 por outro e tudo voltou ao normal, tensões corretas, maquina ligando, carregando bateria, ligando só com bateria. Perfeito... Agradeço a ajuda de todos, joinhas serão distribuídos. Gostaria que me dessem também como incentivo e poder contribuir como fórum. Agradecimentos: @Gilson Macedo, @Jakers Binder, @jennytech, @t-info, @NandoZimba, desculpa de esqueci alguém.
  15. @jennytech, já estava pesquisando e já vi essa datasheet ai, , em outra placa sucata achei esse aqui: http://www.vishay.com/docs/74030/si4634dy.pdf, vou substituir e ver o que dá. Já posto o resultado.
  16. @Jakers Binder, fonte ruim? não entendi... fiz o jumper como o colega @jennytech disse e a maquina voltou a ligar com a fonte normal, não uso fonte de cliente, tenho uma na bancada que uso para todas os acer que entram. Agora só preciso saber se é mesmo o PQ9 que tá com problema.
  17. @jennytech, seguindo essa sugestão, todas as tensões voltam ao normal e a maquina voltou a ligar. Mas agora onde está o defeito? No PQ9?
  18. @FLAVIOTECH, estou usando fonte normal de acer. @Jakers Binder, mesma tensão de antes, não fica uma tensão fixa, fica variando entre 9~10v. @t-info, visualmente não há nenhuma oxidação. @Gilson Macedo, PQ11 não seria o comutador da bateria, estou ligando somente na fonte(carregador), sendo assim teria alguma interferência nesse sentido?
  19. @Jakers Binder, na imagem que postei tem todas essas tensões... mas vamos lá.... - Pino 8 do PQ10 -> ±10v; - Pinos 01 e 20 do PU4 -> ±10v e 19v respectivamente; - PR41 (os dois lados) -> ±10v; Quando falo ±10v, o multímetro não fica estável, oscila um pouco abaixo e um pouco acima.
  20. Boas tardes, Seguinte, esse Acer não está ligando, dependendo de como apertava o botão power, até piscava o led, mas nada de ligar. Analisando as tensões da placa, descobri que em muitos lugares, está a metade do que deveria ter, na imagem abaixo mostro as tensões medidas. Onde mostro ±10v, o multímetro não fica estável, oscila um pouco abaixo e um pouco acima. As bobinas de 3v e 5v também apresentam metade do que deveriam, inclusive o multímetro não mostra o valor parado, fica variando entre 1.7v->2v e 2.6v e 3v respectivamente. Já troquei o PU4 achando que era ele o responsável, mas ficou mesma coisa, na outra placa que tirei o componente, medi antes de tirar e por exemplo, no pino 4 tem 25.5v Se puderem me ajudar nesta batalha, agradeço. Esquema: https://eletronicabr.com/files/file/4899-esquema_schematic_acer-_aspire_e1_v1_v3-531_571_la-7912p_3385-eletronicabrcomrar
  21. @hackit, voltei a mexer nesta máquina, agora estou com a seguinte situação: -> Recoloquei a bobina, percebi que o chiado nem era nela, removi o PQ101, o chiado continuou, então removi o PQ103, o chiado parou, porém o PU100 está fritando. -> No pino 5 do PQ101 e PQ103 está chegando 12v. -> As bobinas PL100 e PL101 estão zeradas Será que esse PU100 tá zoado? Bom, enquanto escrevia este texto e medindo tensões do PU100, acabei encostando em dois pinos e de vez fritei esse cara, levantou fumaça, iuhaihiha. (Riscos da profissão). Bom, agora vou tentar providenciar outro pra substituir e ver o que dá pra frente. rsrsrs
  22. @William_R, o que acontece é que na minha cidade não sei de ninguém que faça esse serviço, e sempre tem clientes querendo algum tipo de conserto, então penso em começar com esse serviço vendo como anda e talvez até conseguindo fazer alguns e fidelizando clientes. Obrigado pelas informações, vou vendo aqui e quando surgir as dúvidas vou postando. rsrs
  23. Olá a todos, se postei em lugar errado me corrijam por favor. Minha dúvida é se vale a pena o conserto de projetores. Atualmente consegue-se o conserto de maneira rápida e fácil? Quando necessário conseguimos o esquema da placa? Consegue-se peças de reposição? Estou pensando em entrar nesse ramo, vários clientes pedem se consertamos mas sempre recusamos o serviço. Aguardo sugestão dos colegas.
  24. @hackit, estou com outra maquina na bancada agora fazendo um reball, assim que liberar faço esses testes e posto. Obrigado por enquanto.
  25. @hackit, qual seria a função dessa bobina? esta chegando nela 12v, posso fazer uma ponte direta ali passando essa tensão pra ver se a placa vai ligar e é só ela o problema? ou não devo fazer isso?

SOBRE O ELETRÔNICABR

EletrônicaBR é o melhor fórum técnico online, temos o maior e mais atualizado acervo de Esquemas, Bios e Firmwares da internet. Através de nosso sistema de créditos, usuários participativos têm acesso totalmente gratuito. Os melhores técnicos do mundo estão aqui!
Técnico sem o EletrônicaBR não é um técnico completo! Leia Mais...
×
×
  • Criar Novo...