Pesquisar na Comunidade
Mostrando resultados para as tags ''3542''.
Foram encontrados 22 registros
-
 devolvido Dell 3542 13269-1 FX3MC RevA00 Desarmando fonte.
alexklein postou um tópico em Notebook's
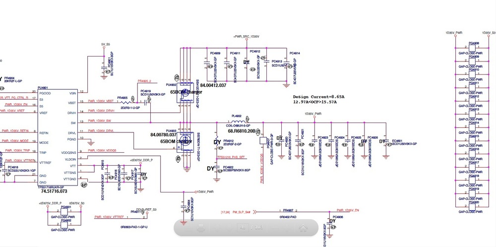
Estou com esse equipamento na bancada que desarma ao plugar a fonte original. > Na assimétrica, começa a apresentar curto após injetar 2v no Jack. > Levantei todas as bobinas e subi a foto com as medições de continuidade para o terra. > Todos os capacitores do circuito 1D35V_S3 e do 1D35V_PWR estão fechando com o terra, retirei todos os maiores da placa e nenhum está em curto ou aberto. > Injetei 1v no pino2 da PL4902 e gerou alto consumo sem esquentar nada. Agradeço de antemão a ajuda Segue esquema da placa que estou acompanhando: -
 devolvido Dell inspiron 15 3542 - mb-13269-1 pwb fx3mc rev a00 - não carrega bateria
Marcelo Leal Lemos postou um tópico em Notebook's
bom dia amigos, estou com este aparelho dell inspiron 15 3542 com placa mb-13269-1 pwb fx3mc rev a00 que não carrega bateria, porem tem um comportamento estranho por que só não carrega com o sistema operacional funcionando, mas se o computador esta desligado a bateria carrega normalmente, já verifiquei carregador, já verifiquei pino ID, já testei com outro carregador, já atualizei bios pelo site, já troquei de bateria, o computador reconhece normalmente o carregador, ao ligar o aparelho e no inicio do sistema operacional ele para de carregar a bateria e somente fica indicando que esta conectado mas não carrega, ao desligar o aparelho com o carregador ligado ele começa a carregar a bateria novamente. isto já não e a primeira vez que acontece com aparelhos da dell, outras vezes troquei de carregador e o defeito sumiu, outras vezes atualizei bios e o defeito desapareceu, no fim nunca fiquei sabendo realmente qual a causa deste defeito recorrente nos aparelhos da dell. alguém já passou por isto? poderiam me indicar uma linha para buscar a falha? Obs: o carregador e original. -
 bios Dell Inspiron 3542/ Placa FX3MC REV:A00/ Versão da bios A13
TecnicoBlumenau postou um tópico em Gerenciador de arquivos
Visualizar Arquivo Dell Inspiron 3542/ Placa FX3MC REV:A00/ Versão da bios A13 Feito backup e testado, bios 100% segue foto da bios rodando no note, abraços Uploader TecnicoBlumenau Enviado 17-08-2020 Categoria DELL -
 devolvido Inspiron 3542 13269-1 CEDAR FX3MC Erro PSA Temperatura Se desliga
carlos noteblu postou um tópico em Notebook's
Estou com esse equipamento em bancada que liga fica 1 minutos e ja se desliga. Está apresentando mensagem de temperatura, porém não consegui localizar esse sensor de temperatura ambiente, não achei nenhum componente aquecendo, acredito que o sensor possa estar com problema ou trilha rompida. Pelo que havia lido o esquema parece que é um sensor interno do super i/o .... Até tinha outro aqui troquei porém não resolveu. Esquema https://eletronicabr.com/forums/topic/155722-esquema-dell-inspiron-3542-mb-13269-1-fx3mc-rev-x02/ -
 devolvido Dell Inspiron 3542 - MB 13269-1 FX3MC rev A00 - Não liga
Italo Resende postou um tópico em Notebook's
Pessoal, boa tarde. Estou com essa placa na bancada com um problema bem estranho, queria ver se alguém já passou por isso ou consegue me ajudar na análise. O que acontece é o seguinte, esse note chegou sem ligar, como sempre, se tratando de um notebook dell, fui logo tirando a bateria CR2032 e ele ligou normalmente, pra mim, resolvido, contando que isso acontece muito em notebooks dell, chega morto e assim que tiramos a CR2032 ele liga sozinho e funciona normalmente posteriormente. Só que nesse notebook em específico, estou enfrentando outro problema, após um tempo desligado, ele simplesmente não liga mais e aí preciso fazer esse mesmo processo para que ligue novamente. Enquanto está funcionando, não tem nada de errado, todas as funções estão normais, bateria segura carga, carregador ok, tudo certo. Já troquei a CR2032, já regravei a bios com uma nova imagem e atualizei pra mais recente... continua na mesma. Funciona tudo, porém, se eu deixar desligado até amanhã, ele só liga se eu remover a CR2032, depois liga e desliga normalmente, se eu deixar um tempo desligado, volta a ocorrer a mesma coisa. Alguém tem ideia de quais testes posso fazer aqui? -
 bios Dell Inspiron 3542 Cedar_Intel-MB 13269-1 PWB. FX3MC REV-A00
MMattjie postou um tópico em Gerenciador de arquivos
Visualizar Arquivo Dell Inspiron 3542 Cedar_Intel-MB 13269-1 PWB. FX3MC REV-A00 Bios testada, funcionando 100% Service Tag: 3X1SVC2 Uploader MMattjie Enviado 06-06-2022 Categoria DELL -
 resolvido Dell Inspiron 3542 | FX3MC REV: A00 | Desarmando a fonte
Carlos Alberto Klafke Filho postou um tópico em Casos resolvidos - Notebooks
Pessoal, esse dell entrou aqui desarmando a fonte quando conectado, na fonte de bancada bateu quase 7A de consumo. Nos testes, com a corrente limitada a 2A, o PU4402 esquentava. Testei a resistencia das bobinas e a PL4502 (5v) estava em curto, removi ela, o curto está para frente, injetei tensão no pad o consumo vai a 2A (limitado) e nada esquenta, liguei a placa sem a PL e o consumo vai 0,16A, o PU4503 esquenta, troquei ele ficou na mesma, coloquei de volta. Alguma sugestão? Estou a desconfiar da PCH. -
 esquema Dell Inspiron 15 3542 wistron cedar 13269 1 fx3mc Schematics
diegoO.O postou um arquivo em All in One - Esquemas
-
 esquema Dell Inspiron 15 3542 wistron cedar 13269 1 fx3mc Schematics
diegoO.O postou um tópico em Gerenciador de arquivos
Dell Inspiron 15 3542 wistron cedar 13269 1 fx3mc Schematics Visualizar Arquivo Dell Inspiron 15 3542 wistron cedar 13269 1 fx3mc Schematics Uploader diegoO.O Enviado 09-12-2022 Categoria All in One - Esquemas -
 boardview DELL INSPIRON 3542 - FX3MC 12369 REV A00
juliano basso postou um tópico em Gerenciador de arquivos
DELL INSPIRON 3542 - FX3MC 12369 REV A00 Visualizar Arquivo BOARDVIEW + ESQUEMA ELETRICO. OBSERVAÇÃO!!! BOARDVIEW SÓ ABRE COM ALLEGRO Uploader juliano basso Enviado 24-06-2021 Categoria DELL -
 devolvido Dell Inspiron 3542 - FX3MC REV A00 - Não Liga CI carbonizado
juliano basso postou um tópico em Notebook's
Bom dia galera Seguinte, chegou esse dell aqui pra mim, não estava ligando, fonte sem consumo, logo abri e fui verificar as tensões primárias, e tinha curto na linha 3V e 5V fui fazer uma analise visual e encontrei o D4301 completamente fritado, então fiz a remoção, e fiz a limpeza. os pads e a placa naquele local estavam destruidos ja. então fui verificar novamente as bobinas primárias o curto continuou, injetei 2v de tensão na linha 5V e esse U3601 aqueceu. removi ele e a resistência na linha 5V subiu pra 300 ohms, então ok porém na linha 3V o curto continuou, removi a bobina e o curto estava pra frente, então injetei 2.5V e apresentou 2.8A de consumo, beleza, só que nada, absolutamente NADA aquece. fiz um carinho na placa inteira procurando alguma coisinha que aquece mas nada, nem I/O, nem PCH, nada! todo esse consumo ta indo pra onde afinal? segue fotos e esquema q estou usando -
pessoal,ola; essa placa não liga, esta aqui aguardando componentes. o PWM 51225 PU4503 estava aquecendo, tinha curto em um dos indutores( não lembro), enfim agora fiz toda uma inspeção e não vi curto. coloquei o 51225 e os 4 mosfet ( 4501, 4502, 4503 e 4504), ligo a placa na fonte e nos 8V apresenta um consumo e o 51225 aquece. não vejo curto gente
-
 devolvido Dell Inspirion 15 - 3542 / Wistron Cedar 13269-1 - fx3mc/ Curto linha B+
MAICON.DRC postou um tópico em Notebook's
Olá a todos! Peguei um Dell, modelo no título, que estava matando a fonte. Então injetei tensão na entrada deu um falso positivo em um mosfet de entrada. Retirei o mesmo e injetei tensão a diante e aí encontrei realmente a origem do curto principal, isso é o que eu achava. Retirei o mosfet PU4902 que estava em curto e percebi que o curto continuou na bobina PL4902. Retirei a bonina e injetei 5v do lado 2 dela pois do lado 1 o curto havia desaparecido. Meu problema é o seguinte: Depois de injetar a tensão do lado 2 nada esquenta e não encontro o curto em nenhum desses capacitores na linha. Sem a bobina a placa gera as tensões 3v e 5v. Preciso de ajuda para continuar analisando. -
 bios Dell Inspiron 3542 13269-1 FX3MC REV A00
000notebooks postou um tópico em Gerenciador de arquivos
Dell Inspiron 3542 13269-1 FX3MC REV A00 Visualizar Arquivo Bios extraída de maquina funcionando. Processador I5 SIO NPCE285P Sem video dedicado Uploader 000notebooks Enviado 03-09-2018 Categoria Dell -
Meu notebook dell inspiron 15 3542 está ligando porem permanece em tela preta e apita 3 vezes. Liguei para a assistência da dell e eles informaram que eu teria q trocar a placa mãe inteira, que sai o valor de um notebook novo. Queria saber se eu levar para uma outra assistência eu poderia não ter que trocar a placa inteira. Obrigada
-
 esquema Dell Inspiron 3542 Wistron Cedar MB FX3MC 13269 1 Boardview cad.
Welington Vesener postou um tópico em Gerenciador de arquivos
Dell Inspiron 3542 Wistron Cedar MB FX3MC 13269 1 Boardview cad. Visualizar Arquivo Arquivo em formato Cad pode ser aberto em qualquer leitor de boardview, pelo que vi no fórum só tem um que é aberto pelo allegro, se ajudei deixem aquele joinha Uploader Welington Vesener Enviado 23/08/2024 Categoria DELL -
 esquema Dell Inspiron 3542 Wistron Cedar MB FX3MC 13269 1 Boardview cad.
Welington Vesener postou um arquivo em DELL
-
 em análise Dell 3442 3443 3542 - MB 13269-1 PWB. FX3CM - Não Liga
Jorge Perpetuo postou um tópico em Notebook's
Boa Tarde Pessoal ,estou com notebook dell 3442 Cpu i3 UMA ,que não liga de jeito nenhum ,se possível me ajudem com esse diagnósticos tem 3V3 S5, 5VA PCH ,5V S5 Não tem Curto nas bobinas
SOBRE O ELETRÔNICABR
Técnico sem o EletrônicaBR não é um técnico completo! Leia Mais...
