Pesquisar na Comunidade
Mostrando resultados para as tags ''la-4851p''.
Foram encontrados 6 registros
-
 resolvido Acer 5732 - kawf0 la-4851p - Não carrega se estiver com a bateria conectada
felipecrestanibjj postou um tópico em Casos resolvidos - Notebooks
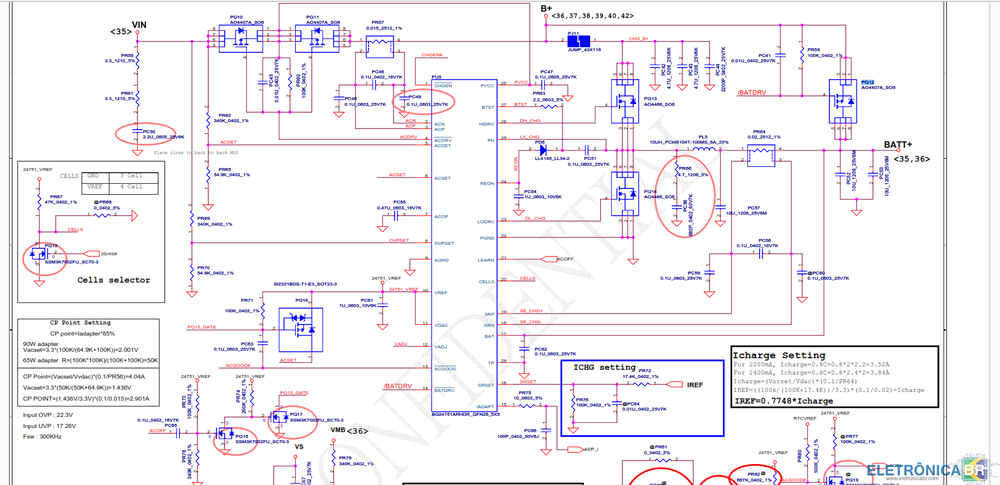
Óla, essa placa está com o seguinte sintoma. Se conecto o carregador ou fonte de bancada primeiro e depois conector a bateria carrega normalmente. Mas se conectar a bateria primeiro e depois o carregador não carrega. Na fonte de bancada fazendo dessa segunda forma o consumo fica oscilando sem parar de 0.006 a 3.400ah ( que é o limite que coloquei) a tensão no pino do jack oscila de 16v a 19v o led de carga liga e desliga. nenhum componente aquece e ambos os casos. link do esquema: -
-
 em análise Emachines E725 - LA-4851P - Não liga
Rogerio Nascimento postou um tópico em Notebook's
Prezados, essa maquina chegou sem ligar. Notei que os 19v chegava no PQ10 e nos pinos 1,2,3 e 4 do PQ11, mas não havia nos pinos 8,7,6 e 5 e com isso não alimentava a PR57. Fiz um jumper no PQ11 a nível de teste e a maquina ligou, porém ao substituir ele o problema continua, já fiz duas substituições do PQ11 e o problema continua. Alguma diretriz que eu possa seguir? Agradeço desde já as ajudas prestadas. -
Compal- LA-4851P Visualizar Arquivo Compal- LA-4851P BoardView Uploader kotnatan Enviado 19-04-2017 Categoria COMPAL
-
Boa tarde, tenho uma motherboard LA-4851P retirada de um portátil Acer Aspire 5732Z, a board, tem quando ligada a corrente as tensões de 19v, 3.3v e 5V quando carrego no botão de ligar que tem 3v ele fica a zero a ventoinha move ligeiramente e reparo num consumo momentaneo de 10mah e a board permanece desligada. A minha pergunta tendo em atenção este modelo existe aqui algo que me esteja a escapar não vejo qualquer sinal de ic danificado ou condensador. Existe algum problema crónico neste modelo para ter este comportamento? Todas as dicas são bem vindas. Obrigado.
-
 em análise Emachines e725 - LA-4851P rev 1.0 - só liga na bateria
flaviosilvapereira postou um tópico em Notebook's
galera preciso de ajuda estou com essa placa que ela so liga na bateria! se eu ligar sem a bateria ela liga o led power e desliga se eu ligar ela em standy bay com a bateria e carregador ela carrega a bateria e fica 0,5a de consumo na fonte se eu ligar ela na bateria e depois colocar o carregador nao carrega fica zero amperes na fonte os 19v esta chegando no mosfet comutador estou um tempo sem pegar notebook alguem pode me ajudar?
SOBRE O ELETRÔNICABR
Técnico sem o EletrônicaBR não é um técnico completo! Leia Mais...
