Pesquisar na Comunidade
Mostrando resultados para as tags ''e5-574g''.
Foram encontrados 11 registros
-
 bios ACER E5-574G da0zrwmb6g0 rev G
Joao Vitor Santos Bezerra postou um tópico em Pedidos de esquemas ou bios de notebooks.
ACER E5-574G/ da0zrwmb6g0 / rev G Sou novo na área de eletrônica voltada p notebook, após uma atualização do windows meu equipamento não da mais video e ao ligar apenas acende o led azul e pisca a tela (somente na bateria) na tomada acende o led laranja. preciso do esquema da placa e da bios para o processador I5-6200u- 2 respostas
-
Olá boa tarde! Tenho um Acer E5-574G com placa mãe DA0ZRWMB6G0, que inicialmente chegou com um curto na linha VIN causado pelo CHIP PU7 (AOZ5029QI-5). Depois de substituir o PU7, o curto desapareceu, e quando pressiono power on, o notebook continua ligado mas não envia sinal para a tela, nem para VGA externa. O teclado também não responde ao Caps Lock. A tela LCD muda de tom, mas não há luz de fundo nem imagem. Verifiquei as tensões nas páginas 43-46, todas as tensões presentes. O valor de +VCCGT, gerado em PU7 e PU6, me deixa em dúvida. Há uma tensão de 0,66V. Está correto ou está baixo? O teclado, por outro lado, responde à combinação de teclas Fn + Esc. Mantendo Fn + Esc pressionados, e depois pressionando power, parece que entra no modo BIOS Recovery, e o led azul começa a piscar e faz uma pequena leitura na memória USB. Descompactei o arquivo BIOS baixado do site oficial e copiei o conteúdo desse arquivo para uma caneta. Quando ligo o laptop mantendo as teclas pressionadas, vejo que por um momento há uma leitura no USB, mas depois ela para e o LED azul muda de estado de piscando para fixo. A caneta deve ser inicializável ou deve conter apenas o arquivo BIOS? Preciso de ajuda ......................................... Hello, good afternoon! I have an Acer E5-574G with motherboard DA0ZRWMB6G0, which initially arrived with a short on the VIN line caused by CHIP PU7 (AOZ5029QI-5). After replacing PU7, the short has disappeared, and when I press power on, the laptop stays on but does not send a signal to the screen, nor to external VGA. The keyboard also does not respond to Caps Lock. The LCD screen does a tone change but there is no backlight and no picture. I have checked the voltages on pages 43-46, all voltages being present. The value of +VCCGT, generated in PU7 and PU6, leaves me in doubt. There is a voltage of 0.66V. Is it correct or is it low? The keyboard on the other hand responds to the combination of keys Fn + Esc. Keeping Fn + Esc pressed, and then pressing power, it seems that it enters the BIOS Recovery mode, and the blue led starts blinking and makes a small reading on the USB memory. I have unzipped the BIOS file downloaded from the official website, and copied the contents of that file to a pen. When I turn on the laptop keeping the keys pressed, I see that for a moment there is a reading on the USB, but later it stops, and the blue LED changes state from flashing to fixed. Should the pen be Bootable or should it just contain the BIOS file? I need help ..................................... Hola buenas tardes! Tengo un Acer E5-574G con placa base DA0ZRWMB6G0, el cual inicialmente llegó con un corto en la linea VIN provocado por el CHIP PU7 (AOZ5029QI-5). Tras sustituir PU7, el corto ha desaparecido, y al pulsar power on, el portátil se mantiene encendido pero no manda señal ni a pantalla, ni tampoco a VGA externo. El teclado tampoco responde a Bloqueo Mayusculas. La pantalla LCD hace un cambio de tono pero no hay retroiluminación ni imagen. He comprobado los voltajes de las paginas 43-46, estando todos los voltajes presentes. Me deja la duda el valor de +VCCGT, generado en PU7 y PU6. Hay una tensión de 0,66V. ¿Es correcto o es bajo? El teclado en cambio si responde a la combinación de Teclas Fn+Esc. Manteniendo pulsado Fn + Esc, y posteriormente pulsando power, parece que entra en el modo BIOS Recovery, y el led azul comienza a parpadear y hace una pequeña lectura en la memoria USB. He descomprimido el archivo BIOS descargado desde la Web oficial, y he copiado el contenido de ese archivo a un pen. Cuando enciendo el portatil manteniendo las teclas pulsadas, veo que por un momento hay lectura en el usb, pero posteriormente se detiene, y el led azul cambia de estado parpadeando a fijo. ¿El pen debe ser Bootable o solo debe contener el archivo BIOS? Necesito ayuda
-
 devolvido Acer e5-574g mb da0zrwmb6g0 rev:g Não liga
Albert Ricardo postou um tópico em Notebook's
Boa tarde pessoal, Quem puder ajudar, agradeço desde já... Estou com um acer e5-574, placa da0zrwmb6g0 rev:g com curto no VIN, 0,002 de resistência no multímerto HM-2090 na escala ohmíca, a problemática é que nada esquenta, injetando tensão na fonte assímetrica (2v/2a) na linha a mesma já cai a voltagem e a amperagem sobe até o máximo ajustado. O problema mesmo é nenhum componente esquentar, estou retirando componentes de modo a tentar isolar o curto para uma área especifica que reduza a quantidade a ser analisada, mas nada ainda. Vou postar o link do esquema e a foto abaixo: Os componentes circulados em vermelhos são os que eu já removi, o curto está do segundo pad do resistor shunt em diante, se alguém tiver alguma técnica que possa facilitar a análise agradeço. o link do esquema é esse vou seguir trabalhando aqui nessa placa, toda ajuda é bem vinda. -
 devolvido Acer E5-574G da0zrwmb6g0 rev G Liga sem video.
AlexandeDominio postou um tópico em Notebook's
bom dia pessoal tudo joia! estou com esse notebook acer na bancada que não gera vídeo! liga tudo certinho mais não sobe o video.! regravei a bios com todos os arquivos aqui do forun mais nenhum a apresentou video, ja troquei o chip, por um novo mais não sobi video. a Placa Possui quase todas as tensões. exceto as marcadas na foto abaixo. detalhe o chip de video não aquece. o processador aquece normal. -
 devolvido Acer Aspire E5-574G DA0ZRWMB6G0 REV G Não liga
Mateus Kempin postou um tópico em Notebook's
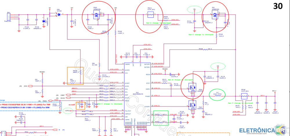
Bom dia, pessoal! Estou com esse notebook que não liga e não é o primeiro que eu pego com esse tipo de comportamento e que não consigo achar a causa do defeito. Coincidentemente, os três últimos usam o CI charger BQ24780s. Certamente, está faltando alguma coisa na minha análise, que não estou sabendo fazer. Estou seguindo esse manual: Nas minhas medições, não tenho 19V após o PQ22 e a tensão no gate fica oscilando em torno de 3,4~3,7V. O PU5 (BQ24780s) está recebendo alimentação no pino 28, tem 2,7V no pino 6 (ACDET) e libera 6v no pino 24 (REGN6V), que forma divisor resistivo para gerar o sinal ACIN/ACOK no pino 5, porém, este, continua zerado. Injetando tensão no source do PQ22, não há consumo. Após o PR213 também não. E, aproveitando, uma dúvida teórica que tenho, na hora de gerar a tensão/sinal no gate, qual a função dos capacitores PC133 e PC136 que ficam "antes" e "depois" do PQ22, conectados entre o gate e dreno e gate e source, respectivamente. Desde já, agradeço a quem dispor um pouco do tempo e do conhecimento para me auxiliar. -
 bios Acer Aspire E5-574 E5-574G / DA0ZRWMB6G0 Rev. G / BIOS Ver. 1.13 / Intel ME Limpo
e1D postou um tópico em Gerenciador de arquivos
Visualizar Arquivo Acer Aspire E5-574 E5-574G / DA0ZRWMB6G0 Rev. G / BIOS Ver. 1.13 / Intel ME Limpo DA0ZRWMB6G0 Rev G - ZRW - Qualquer processador (i3/i5/i7), com ou sem chip grafico dedicado. EPROM gigadevice 25B64CSIG (GD25B64CSIG) Se for gravar em chip Winbond gravar no W25Q64FVSIQ final Q ou em um chip mais novo. Pode não dar video se usar Winbond W25Q64FVSIG ou W25Q64BV. A BIOS original foi retirada de uma placa com processador i7 e GPU dedicada mas a região da BIOS foi substituida pela BIOS extraida do arquivo de atualização v1.13 e está sem a chave do Windows. Firmware do intel ME foi limpo, testado, e está funcionando OK. Se quiser inserir a chave do Windows é relativamente fácil. Eu não usei a ultima versão da BIOS porque se a BIOS estiver desatualizada e for gravado a ultima versão diretamente o firmware do EC não vai ser atualizado. BIOS testada e funcionando. E como ela nunca foi ligada em nenhuma placa ela funciona sem problemas independentemente do modelo do processador ou de ter video dedicado ou não. Uploader e1D Enviado 11-07-2018 Categoria ACER -
 bios Acer Aspire E5-574G / DA0ZRWMB6G0 Rev. G
Miguel7875 postou um tópico em Gerenciador de arquivos
Acer Aspire E5-574G / DA0ZRWMB6G0 Rev. G Visualizar Arquivo testada 100% Uploader Miguel7875 Enviado 03-06-2018 Categoria ACER -
 devolvido Acer E5-574G - Placa DA0ZRWMB6G0 - Liga sem imagem
lucaspolli postou um tópico em Notebook's
senhores estou com essa plaquinha que esta ligando sem imagem e cooler disparado, chegou sem ligar, e bastante mexida, troquei e regravei SIO e voltou a ligar, pwm do vcore estava em curto, trocado e tensao do Processador esta Ok agora, porem não sobe a tensão da GPU e a PL14 (1,05v_GFX) zerada tb, alguem tem alguma dica? (ja testei várias bios inclusive com CIs diferentes) -
Bom dia estou com uma placa mãe acer modelo DAOZRWMB6GO que está sem 3v E 5v e dessa forma não liga, ao fazer medições na placa percebi que as tensões ficam variando muito após muita análise e troca de alguns componentes estou suspeitando do super I/O, estou começando agora nos reparos em placa e gostaria de tirar uma duvida sobre a troca desse super I/O, pesquisando verifiquei que alguns modelos de placa tem o super I/0 com um arquivo gravado nele, é o caso dessa placa mãe ? se eu encontrar um super I/O de mesmo modelo, só que de uma placa diferente, posso efetuar a troca sem precisar regravar esse arquivo ?
-
Versão 1.13
1.200 downloads
DA0ZRWMB6G0 Rev. G / Quanta ZRW - Qualquer processador (i3/i5/i7), com ou sem chip grafico dedicado. EPROM gigadevice 25B64CSIG (GD25B64CSIG) Se for gravar em chip Winbond gravar no W25Q64FVSIQ final Q ou em um chip mais novo. Pode não dar video se usar Winbond W25Q64FVSIG ou W25Q64BV. A BIOS original foi retirada de uma placa com processador i7 e GPU dedicada mas a região da BIOS foi substituida pela BIOS extraida do arquivo de atualização v1.13 e está sem a chave do Windows. Firmware do intel ME foi limpo, testado, e está funcionando OK. Se quiser inserir a chave do Windows é relativamente fácil. Eu não usei a ultima versão da BIOS porque se a BIOS estiver desatualizada e for gravado a ultima versão diretamente o firmware do EC não vai ser atualizado. BIOS testada e funcionando. E como ela nunca foi ligada em nenhuma placa ela funciona sem problemas independentemente do modelo do processador ou de ter video dedicado ou não.
SOBRE O ELETRÔNICABR
Técnico sem o EletrônicaBR não é um técnico completo! Leia Mais...
