Gabrowsk
Membros-
Posts Por Dia
0.03 -
Posts
40 -
Registrado em
-
Última visita
-
Créditos EBR
4 [ Doar ]
Últimos Visitantes
Conquistas de Gabrowsk
-
Reparo antena Trimble AG-372 / Sem resposta do MPU
Gabrowsk respondeu o tópico de Gabrowsk em Aparelhos de Som, GPS, Gadgets e Tecnologia
Esqueci de atualizar o post, mas consegui fazer o reparo. Quando recebi meu rt809h realizei a retirada do memoria NOR flash do aparelho e analisei ela com o rt809h, a mesma estava com problema. Coloquei uma nova memoria no lugar e o aparelho voltou a funcionar normalmente. -
Reparo antena Trimble AG-372 / Sem resposta do MPU
Gabrowsk respondeu o tópico de Gabrowsk em Aparelhos de Som, GPS, Gadgets e Tecnologia
Fiz as verificações que recomendou, aparentemente esta tudo correto. Realizei mais algumas analises e encontrei alguns sinais lógicos com o osciloscópio em baixo da memoria NOR flash do aparelho, Vou fazer a compra de um rt809h para analisar esta memoria e se possível gravar um novo firmware neste aparelho. Assim que receber o aparelho novo atualizo o tópico com os resultados. -
 resolvido Reparo antena Trimble AG-372 / Sem resposta do MPU
Gabrowsk postou um tópico em Aparelhos de Som, GPS, Gadgets e Tecnologia
Bom dia, Pessoal, estou com um reparo de um receptor GNSS que está congelado e não dá nenhuma resposta. Fiz alguns testes na placa e tenho as seguintes observações: Todas as fontes de alimentação estão entregando a tensão correta. Todos os cristais osciladores estão funcionando corretamente. Não encontrei nenhum curto-circuito na placa. Suspeito que o problema possa estar no MPU presente na placa, um MPC5121YVY400B da NXP. Quando tento fazer o flash de uma nova versão do firmware, a placa não responde. Testei as duas portas RS232 e as duas portas CAN do aparelho, mas não há resposta. Já verifiquei ambos os circuitos de comunicação RS232 e CAN, injetando um sinal lógico na porta e medindo com o osciloscópio, e os sinais chegam corretamente até os testpoints embaixo do MPU. Alguém tem alguma dica de como confirmar se o problema está realmente no MPU? Se for o caso, precisarei comprar uma máquina para realizar o re-chip, então preciso ter certeza. Outra possibilidade é que o problema esteja nas memórias NOR flash conectadas ao MPU, mas também não tenho o equipamento necessário para testar essas peças. Alguém tem alguma ideia de como prosseguir? -
Lenovo Ideapad 330-15IKBR / EG521EG522EZ511EG721NM-B451 REV:1.0 / Placa não liga
Gabrowsk respondeu o tópico de Gabrowsk em Notebook's
fiz igual recomendou, parece que o problema não esta apenas no SIO como também no CI PU500 (Lenovo LV5028RPC). Mesmo ao levantar o pino 97 do SIO e injetar 3V, com as tensões de habilitação agora presentes o CI PU500 não gerou as tensões que precisava e também aproveitei para medir o pino 97 da SIO e o mesmo não estava gerando o sinal PCH_PWR_EN no pino 97. -
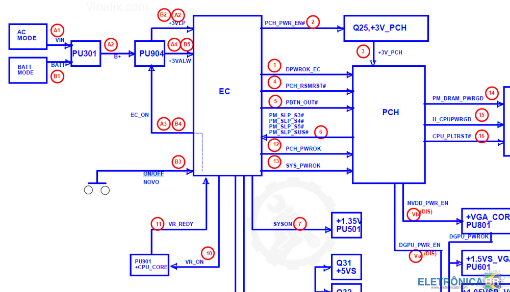
Olá, Estou enfrentando um problema com uma placa de notebook e preciso ajuda de vocês para diagnosticar e resolver o defeito. A placa do notebook não está completando a sequência de Power up (S0, S3, S4 e S5). Parece haver um problema com algumas tensões que não estão sendo geradas corretamente. fiz medições para identificar quais tensões estão presentes e quais estão ausentes. Tensões Presentes: +3VALW, +5VALW, +3VALW_PCH Tensões Ausentes: +1.8VALW, +1.0VALW, +1.2V, +2.5V_DDR. O sinal responsável por habilitar as tensões +1.8VALW e +1.0VALW é o PCH_PWR_EN, que deveria ser emitido diretamente do Super I/O, mas não está presente. Fiz a medição da resistência da trilha para verificar a possibilidade de curto-circuito, obtendo uma leitura de 12 ohms, mas não tenho certeza se está dentro do normal. Suspeito que o problema esteja no Super I/O, que parece estar falhando na habilitação das tensões +1.8VALW e +1.0VALW. Outros sinais, como DPWROK_EC e PCH_RSMRST#, estão funcionando normalmente. -Existe algum outro requisito para que o Super I/O ative o sinal PCH_PWR_EN além da alimentação e da pressão do botão Power? -Há alguma forma de testar o Super I/O além dos métodos que já utilizei, sem necessariamente substituí-lo?
-
 em análise Lenovo ideapad 330s - 13IKB 330S_KBL_MB_V06 não liga
Gabrowsk postou um tópico em Notebook's
Aparelho foi molhado com bebida alcoólica, na hora identifiquei componentes com oxidação e retirei eles pois estação em curto e fiz uma limpeza com álcool isopropílico em toda a placa. Eram alguns capacitores na linha 19V e alguns capacitores em linhas não descobri ainda. A placa sem esse componentes está dando start e gerando a tensão correta em todas as bobinas, porém tem consumo travado na fonte de bancada em 0.20V - 0.30V. Não chega a acender o backlight da tela. Já foi trocada a bios e não deu em nada. Infelizmente o esquema elétrico não passa os valores daqueles componentes e não tenho uma sucata parecida para retirada. Alguma dica para proceder essa análise? -
 dúvida Itautec infoway note n8519 W540EUMB-0D Não liga após inversão de polaridade do carregador
Gabrowsk respondeu o tópico de Gabrowsk em Notebook's
infelizmente fiz exatamente isso sem saber, obrigado por me passar o video e explicação, acho que a placa já nao vale a pena a tentativa de conserto. ainda bem que era uma placa de treino. -
 dúvida Itautec infoway note n8519 W540EUMB-0D Não liga após inversão de polaridade do carregador
Gabrowsk respondeu o tópico de Gabrowsk em Notebook's
-
 dúvida Itautec infoway note n8519 W540EUMB-0D Não liga após inversão de polaridade do carregador
Gabrowsk postou um tópico em Notebook's
Bom dia, tenho um infoway note n8510 que após a inversão da polaridade do carregador, estou procurando os componentes com defeito. o primeiro problema que encontrei foi o pino VIN do pwm com resistencia baixa, cerca de 3,8 ohms. retirei um capacitor e o proprio pwm da placa para ver se não era eles. apos retirar eles, o mosfet de alta que gera o 5V da placa começou e esquentar muito, retirei eles tambem, apos isso quem começou a esquentar muito foi o Super I/O, retirei da placa tb, ai quem começou a esquentar foi o CI RTL8411 após isso parei de retirar componentes. Sei que muitos componentes da placa são alimentados pela tensão VIN que e gerada logo no começo daa placa. Sera que tantos componentes queimaram com essa inversão de polaridade? Sei tambem que algumas placa tem um circuito que proteje a placa contra inversão de polaridade, mas essa infelizmente nao tinha. -
DELL inspiron 14 P89G - edi54 LA-G712P rev:1.0 - Esta superaquecendo
Gabrowsk respondeu o tópico de Gabrowsk em Notebook's
video realmente intereçante, não fazia ideia disso. Mas não acho que a falta do liquido refrigerador seja o problema. O notebook é novo(6 meses), eu fui o primeiro a abrir, e não havia sinal de dano no dissipador.- 8 respostas
-
- superaquecimento
- dell
- (mais 9)
-
DELL inspiron 14 P89G - edi54 LA-G712P rev:1.0 - Esta superaquecendo
Gabrowsk respondeu o tópico de Gabrowsk em Notebook's
fiz o teste dnv com uma pasta melhor, demorou um pouco mais para bater 97C, mais ainda sim bateu. sim, acontecia com a pasta original. retirei o cooler, fiz uma limpeza, apesar de quase nao ter sujeira, e coloquei de volta apertando os parafusos ate o limitador que vc mencionou. infelizmente continuou da mesma forma- 8 respostas
-
- superaquecimento
- dell
- (mais 9)
-
 em análise SAMSUNG NP500P4CH - XIDAN-14 REV:1.2- BA41-01938A - acende led pwr, mas placa não liga!
Gabrowsk respondeu o tópico de Gabrowsk em Notebook's
840mA, não chegou a bater 1A. sim, vc está certo, era isso mesmo. ontem mesmo consegui fazer a placa ligar por completo. Primeira coisa que fui fazer era um backup dos dados, mas no meio do processo a placa desligou, e agr vou recomeçar a analise com todas as dicas que os colegas deixaram aqui no tópico. Logo posto atualizações. -
 em análise SAMSUNG NP500P4CH - XIDAN-14 REV:1.2- BA41-01938A - acende led pwr, mas placa não liga!
Gabrowsk respondeu o tópico de Gabrowsk em Notebook's
@LEONTEC vou tentar ser o mais claro possivel, acho que teve falha de comunicação minha nos posts anteriores sim, tem 1.1V. a placa está com o led power aceso e cooler esta funcionando e não esta gerando imagem no meu monitor. minha fonte indica que a placa esta com consumo travado em 0,84A. Não sei se isso é o suficiente para dizer que a placa esta ligando. o aquecimento no chipset foi um erro meu, eu injetei uma tensão maior doque normalmente passa por aquela bobina, acredito que isso causou o aquecimento. e eu acabei não mencionando isso, como eu havia dito, falha de comunicação minha. fiz a analise com base na foto que vc recomendou, todas as bobinas estão com a tensão certo, com exceção de uma bobina, aquela que eu marquei 0V perto do slot do cpu na imagem que mandei acima. retirei os mosfets mencionados acima e testei eles; estão funcionando normalmente, mas não estão sendo chaveados pelo CI aparentemente. -
DELL inspiron 14 P89G - edi54 LA-G712P rev:1.0 - Esta superaquecendo
Gabrowsk postou um tópico em Notebook's
Ola, estou com esse aparelho da dell, relativamente novo, cerca de 5-6 meses. fui fazer alguns testes nele com CPUZ e HWMONITOR e a temperatura da cpu aumenta absurdamente quando inicio o teste de stress da cpu. Ja tentei trocar a pasta termica, quando ele esta em uso normal, fica entre 55-65 graus, mas assim que inicio o stress ele da um salto para 98 graus em questao de 2 segundos, não acho que essa temp seja normal para essa cpu. Cooler tambem esta funcionando normalmente. alguem sabe dizer se isso é normal ou se tem algum problema de hardware ou ate mesmo ser um erro do HWMONITOR (apesar de nunca ter me falhado antes).- 8 respostas
-
- superaquecimento
- dell
- (mais 9)
-
 em análise SAMSUNG NP500P4CH - XIDAN-14 REV:1.2- BA41-01938A - acende led pwr, mas placa não liga!
Gabrowsk respondeu o tópico de Gabrowsk em Notebook's
@LEONTEC bom dia, fiz oque vc recomendo e tenho os seguintes resultados: tirando aquelas 3 bobinas demarcadas, as outras estão normal. A que esta marcando 0V descobri que é gerada aqui: os mosfets são controlados pelo CI gerando os 0.98V. pelo que sei, o CI manda "ondas eletricas" para fazer o chaveamento dos mosfets bem rapido, mas n tenho ociloscópio para fazer este teste. existe algum jeito de saber se o problema esta no CI ou nos mosfets? ou so trocando mesmo?
SOBRE O ELETRÔNICABR
Técnico sem o EletrônicaBR não é um técnico completo! Leia Mais...
