Pesquisar na Comunidade
Mostrando resultados para as tags ''c14cu51''.
Foram encontrados 32 registros
-
 em análise Positivo Unique S1991 | C14CU51 | Liga mas não da video, e ventoinha desliga em 10 segundos | continuação
Batida Nostálgica postou um tópico em Notebook's
Minha outra conta foi banida por eu ter tentado burlar o sistema de créditos, mas antes da tentativa, eu já tinha conseguido o arquivo para gravar a BIOS Mxic MX25L6575E da placa Positivo C14CU51. Eu fiz a gravação da BIOS como os colegas me orientaram, mas da mesma forma ainda não deu video, pelo menos agora ele voltou a ligar, pois antes, sem experiencia, eu tinha apagado a memoria da BIOS e não fiz a gravação ( Imaginei que o programa já tivesse gravado a memoria ). Como eu sou novo na eletronica e na manutenção, isso já foi aprendizado, de que o Notebook não vai ligar com a BIOS defeituosa. Recapitulando o topico anterior O aparelho tem o seguinte sintoma, eu ligo o notebook, mas ele não aparece imagem, apenas o led do power fica aceso. Inclusive a ventoinha que desliga em 10 segundos. Os procedimentos de testes foram os seguintes Medi a tensão da pilha da BIOS, deu 3.3v Liguei o notebook conectado a um monitor, para ter certeza que não é a tela Retirei a bateria e a placa de rede Limpei e troquei a memoria Fiz um reset da BIOS vendo tutorial sobre o S1991 não dar video Medi as tensões dos capacitores do U19 e U18 e estavam todos corretos de acordo com o esquema elétrico [ Agora ] Fiz a regravação da BIOS Quais outros testes eu posso fazer? Alem de que eu não posso fazer gravação de BIOS ( Agora eu posso! ) -
 devolvido Positivo Unique S1991 | C14CU51 | Liga mas não da video, e ventoinha desliga em 10 segundos
Ghost Lixo postou um tópico em Notebook's
Ola, eu recebi de um amigo meu um Notebook Positivo Unique S1991 placa C14CU51 O aparelho tem o seguinte sintoma, eu ligo o notebook, mas ele não aparece imagem, apenas o led do power fica aceso. Inclusive a ventoinha que desliga em 10 segundos. Os procedimentos de testes foram os seguintes Medi a tensão da pilha da BIOS, deu 3.3v Liguei o notebook conectado a um monitor, para ter certeza que não é a tela Retirei a bateria e a placa de rede Limpei e troquei a memoria Fiz um reset da BIOS vendo tutorial sobre o S1991 não dar video Medi as tensões dos capacitores do U19 e estavam todos corretos de acordo com o esquema eletrico Quais outros testes eu posso fazer? Alem de que eu não posso fazer gravação de BIOS ( Agora eu posso! ) -
 bios Esquema placa 71R-C14CU4-T810 C14CU51
Hard Cell postou um tópico em Gerenciador de arquivos
Esquema placa 71R-C14CU4-T810 C14CU51 Visualizar Arquivo Espero que seja de ajuda para todos Uploader Hard Cell Enviado 29-07-2020 Categoria CLEVO -
Olá! O notebook citado não reproduz o som nos alto-falantes, mas ao conectar caixas externas o som passa a ser reproduzido tanto nos alto-falantes como nas caixas externas. Poderiam ajudar no sentido de solucionar esse problema?
-
 devolvido Positivo sim 2540 - C14CU51 V1.0 - liga e não dá vídeo
ljainfor postou um tópico em Notebook's
Olá! O notebook em análise chegou sem ligar. Tinha as tensões na PL12 3v e na PL11 5v. O U19 já havia sido removido há algum tempo e feito o famoso jumper. Feita essas verificações parti para regravação do BIOS, o notebook volta a ligar e deu vídeo. Desliguei e voltei a ligar, ligou porém não deu mais vídeo nem mesmo externo. Preciso da ajuda dos amigos. Devolvido sem reparo -
 devolvido Positivo S1991 - 71R-C14CU4-T810 - C14CU51 - Não liga, U20 ok mas sem 3,3v
Tallescg postou um tópico em Notebook's
Recebi esse note já com a adaptação de jumpers no u19, o u18 ok, tenho tenho os 5v, mas de inicio apenas 400mV na L12( deveria ser os 3v). levantei a L12 pra testar, e surge 4,6V, mas não tenho curto do outro lado da L12. Se injeto 3V após a L12 com a fonte, o notebook liga. Desconfio que tem algo matando os 3v, e para testes troquei sem sucesso o u2o e TODOS os capacitores e resistores da linha entre u20 e L12. Alguma sugestão? -
 bios Positivo s1991 71RC14CU4-T810 C14CU51
Eduardo Vitor Oliveira postou um tópico em Gerenciador de arquivos
Positivo s1991 71RC14CU4-T810 C14CU51 Visualizar Arquivo Esquema Eletrico Positivo s1991 71RC14CU4-T810 C14CU51. Uploader Eduardo Vitor Oliveira Enviado 06-04-2021 Categoria Positivo-
- esquema eletrico.
- positivo
- (mais 3)
-
 dúvida Positivo Unique S1991 - C14CU51 v1.0 - Não liga
ribeirodanilo93 postou um tópico em Notebook's
Boa noite amigos do fórum ! Estou com esse notebook aqui, o mesmo apresenta todas as tensões primárias 5va/3.3va, bios sendo alimentada, 9,5v no botão power, mas a placa não starta. Pressiono o botão power e nada ocorre, nenhum consumo na fonte assimétrica. Já foi feita a regravação da bios, já verifiquei inclusive o sinal de PWRSW, está chegando 3.3 no pino 125 do SIO, alguma luz aí ? Estou desconfiado do cristal oscilador, mas não encontrei ele na board. -
 devolvido CCE Ultra Thin U25 - C14CU51 V 1.0. - adaptação de placa ?
pedroraugusto postou um tópico em Notebook's
Seguinte estou com este notebook cce u25, ele não ligava, tentei regravar a bios e nada mudou, fiz o jump no u19 e nada aconteceu, fiz o jumper no u18 e ele voltou a ligar sem dar vídeo, já testei umas 5 bios diferentes, algumas a placa nem inicia e outras ela liga sem dar imagem, nesta de ligar sobe todas as tensões normais, já conferi no esquema, o consumo com a placa energizada fica em 10mA o consumo da fonte fica em torno de 600mA e o processador fica morno mas não da vídeo e após uns 10 segundos ligados o cooler para de girar mas o led azul segue acesso, ja procurei curto na placa mas na encontrei nenhum estou sem ideia do que fazer com esta placa, fui procurar uma placa nova e não estou encontrando para o modelo exato deste notebook, encontrei a placa "Cce Ultra Thin N325" ela aparenta ser igual, os conectores são na mesma posição o do teclado, tela os conectores externos usb, etc ..., o processador fica em outro local, teria que trocar o dissipador, minha duvida é a seguinte consigo colocar a placa n325 no u25 e ? alguém ja fez esta adaptação ?, sabe alguma placa que posso colocar no lugar desta ? Obrigado. -
 esquema positivo unique s2660 mb c14cu51 v1.0
joedson dodoia postou um tópico em Pedidos de esquemas ou bios de notebooks.
bom dia! estou precisando do esquema eletrico positivo unique s2660 71r-c14cu4-t810 -
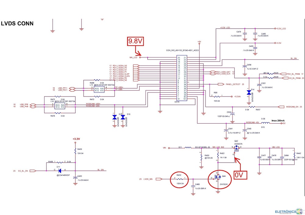
 dúvida Notebook CCE Ultra Thin U25 - 71r-c14cu4-t810 - Tela Branca
Oselio postou um tópico em Notebook's
Boa noite amigos, estou com um Notebook CCE Ultra Thin U25, Placa NH4CU53 com tela branca ,porém funciona com monitor externo perfeitamente. AS tensóes no conector CN16 estão corretas, porém não tenho tensão no gate do transistor Q42.Não consigo encontrar o transistor Q44 e nem o resitor R422.Esse esquema em anexo é o LVDS -
 concluído Notebook positivo sim+ 2550m placa mãe C14CU51 M/B V.1 travado na tela positivo
Phlotz postou um tópico em Assuntos Diversos
Pessoal alguém pode me ajudar estou com um notebook sim + modelo 2550m e preciso fazer a gravação da bios mas não acho o arquivo da BIOS em lugar nenhum só acho do modelo 2540m ou 2560m se alguém tiver o arquivo e puder me enviar agradeço muito ou puder me dizer se eu consigo usar um desses 0 2540m ou 2560m. O notebook liga mas fica na tela da positivo não entra na bios nem nada -
 dúvida POSITIVO S1991 MB C14CU51 V1.0 Somente vídeo VGA
NICKCASSIO postou um tópico em Notebook's
Boa tarde Estou com Positivo S1991 foi corrigido problema U18 e U19 funcionava perfeitamente sem motivo display parou de funcionar, somente vídeo externo funciona. Alguém poderia me ajudar. Obrigado https://eletronicabr.com/files/file/7436-esquema_schematic_positivo-_unique_s1991_-_71r-c14cu4-t810_c14cu51_10030-eletronicabrcompdf -
 bios Positivo s1991 71RC14CU4-T810 C14CU51
Eduardo Vitor Oliveira postou um arquivo em Positivo
-
- esquema eletrico.
- positivo
- (mais 3)
-
-
 resolvido CCE U45L - 71R-C14CU4-t810 MB V1.0 - não liga
ljainfor postou um tópico em Casos resolvidos - Notebooks
Oi!! A placa do famoso U19 não está ligando, o jumper do U19 já foi feito a bastante tempo e vinha funcionando bem. As tensões dos bobinas L11 5v e L12 3v, L8, L9 e L10 0v Os pinos 1, 7 e 8 do BIOS medem 3v o pino 3 0v. Gostaria da orientação dos colegas. -
-
Então, to com uma mobo aqui na bancada que liga e não sobe vídeo. Percebi que na assimétrica quando atinjo os 5v a mobo começa a chiar no chipset e o consumo sobe, porém componente nenhum esquenta! De 5v pra cima na chia e o consumo fica normal! Já removi o u19 e fiz as pontes! Já regravei Bios! PS: Sou iniciante na eletrônica, então qualquer termo ou erro podem corrigir!
-
Visualizar Arquivo C14CU51 Bios C14CU51 Testada e Aprovada Uploader c2028 Enviado 05-08-2017 Categoria Positivo
-
71RC14CU4-T810 C14CU51 Visualizar Arquivo essa bios corrige as teclas fn Uploader crazyfrog Enviado 21-07-2017 Categoria CCE
-
Nome do arquivo: 71RC14CU4-T810 C14CU51 arquivo enviado: June 16, 2017, 4:03:28 PM essa bios corrige as teclas fn Clique Aqui para Baixar o Arquivo
-
 dica Positivo S1991 - Placa C14CU51 - Sem Vídeo
RRRM postou um tópico em Casos resolvidos - Notebooks
Notebook Chegou não gerando vídeo, foram efetuados os jumpers nas U18 e U19 e continuaram na mesma, verifiquei que não chegava tensão na bobina L1 responsavel pela alimentação do processador, verificando junto ao esquema o pwm U2 que chaveia os mosfets q5 e q4 estava sem tensão de alimentação CPU_Vin, efetuei um Jumper da linha Cpu_vin dos capacitores C41, C42 e C40 até o resistor R73 que alimenta o pwm U2. Após o processo notebook voltou a gerar o vídeo normalmente e é partir pro abraço. espero ter ajudado e se ajudei não esquece aquele Like maroto vlw -
 resolvido Notebook cce u45w - placa c14cu51 - não liga
NandoZimba postou um tópico em Casos resolvidos - Notebooks
Olá estou com outra placa C14cu51 agora de um cce quando ligo ele pisca uma luz e apaga A voltagem de 5v está dando 4,97 e de 3.3 está 2,25 já fiz o jamper no u19 e nada -
 devolvido Notebook CCE Ultra Thin U25. Placa C14CU51 V. 1.0. Não liga, morta.
junior_master postou um tópico em Notebook's
Essa não dá sinal nenhum ao pressionar o power. Chegou aqui sem tensão na L11 (+5VA). O U17 (OZ8153LN) tava em curto aquecendo, troquei pelo OZ815LN, os terminais são identicos. Então subiu +5va na L11, porém não tem +3.3va na L12 (nao tem curto nessa bobina), também nao tenho certeza se só aprece depois do start da placa. Tenho tensão 9v no botão de power e vai a zero quando pressiono porém a placa nao liga, continua morta. Esquema: https://eletronicabr.com/files/file/21691-esquema_schematic_lenovo_ibm-_lnv_71r-nh4cu6-71rc14cu4-t810_c14cu51_14417-eletronicabrcompdf Quem ajudar retribuirei. -
 dúvida CCE Ultra Thin U45B - placa mãe 71R C14CU4 T810 C14CU51 - Liga, mas não dá vídeo
Dennis José postou um tópico em Notebook's
Olá a todos! Estou com esse notebook da CCE Win que não está dando vídeo, o cooler gira, quando pressiono o power, acende um led azul. O carregador chegou até mim todo estourado, remendei e testei, está entregando 19v. Comecei testando a memória RAM em outro notebook, ela está OK. Limpei os contatos do slot e nada, testei a saída VGA, troquei bateria CMOS sem carga, desconectei tudo que não seja necessário para o notebook ligar (HD, teclado, placa de rede, auto falantes), nada me deu vídeo. Importante ressaltar que quando peguei olhei a placa, tinha um velho adesivo de garantia em cima da área do componente U19, pesquisando sobre, descobri que é o problema mais constante nessa placa mãe. Removi o adesivo com muito álcool isopropílico, aproveitei pra limpar a placa num geral. Quando terminei, notei que o U19 já havia sido removido, e o jumper do C438 para o C439 já havia sido feito, o que inicialmente achei estranho, foi todo vídeo e fórum recomendar outro jumper do C464 para o C471. O estranho é que fiz um teste de continuidade e esses terminais já estão em curto (multímetro indica 0 ohms), concluí que não havia a necessidade desse jumper, os 3 terminais que recomendaram o jumper, estão recebendo a mesma tensão. Peguei um multímetro e testei as bobinas: L11 tem 5.12v. A bobina L9 tem 1.1v, L12: 3.33v O negócio é que no começo dos meus testes, o Vcore não apresentava tensão, cheguei a pensar que tinha algum componente queimado, acabei chegando nesse componente: OZ8293LN-B4-0-TR (ele já tinha tensão de 5v e 3.33v que o esquema diz chegar), no esquema diz que ele devia enviar o sinal do gate para os mosfets, não é o que estava acontecendo. Fui estudar mais um pouco, acabei desmontando tudo de novo, a placa pegou poeira com o tempo, limpei de novo, conectei só a RAM e a bateria do CMOS (a nova), fui testar os locais que deviam apresentar sinais, vulgo o clock do PWM, sinais no esquema descritos como "SVIDSOUT" e "VCORE_ON" e acabei encontrando tensão (não tenho osciloscópio ainda, não cheguei a verificar o sinal), daí fiquei confuso por um segundo, porque meu problema antes é que o OZ8293LN não estava enviando sinal para os gates, agora ele passou a enviar, não sei dizer se foi pela limpeza novamente, a desmontagem ou se foi por medir os sinais que ele deveria receber. Como estava desmontado, o processador começou a esquentar (pela primeira vez). Montei a placa para ver se estava dando vídeo, não foi o caso. Fui medir as bobinas do Vcore e obtive as seguintes tensões: L4: 1.17 L1: 1.11v A partir daí comecei imaginar se seria um problema da BIOS, vi um vídeo de um técnico com a mesma placa mãe e as mesmas tensões, ele regravou a BIOS e obteve sucesso. Comprei um gravador de BIOS Eprom Ch341 e estou esperando chegar, ainda não baixei um arquivo de BIOS desse modelo, mas vi que por aqui tem e gostaria de testar. Entendo de solda, tenho um bom ferro de solda, estanho, fluxo, malha dessoldadora e me sinto preparado para remover esse CI se necessário. Vi que tem uma pinça jacaré para evitar isso, vou tentar utilizar ela primeiro. Na compra enviaram um tutorial e o software para usar junto com a gravadora, vou me basear nisso por enquanto. Mas gostaria de mais dicas a respeito, eu cheguei a conclusão que o problema poderia ser a BIOS, mas também encontrei vídeos de técnicos trocando diversos pequenos componentes dessa placa (resistores, capacitores, etc).
SOBRE O ELETRÔNICABR
Técnico sem o EletrônicaBR não é um técnico completo! Leia Mais...
