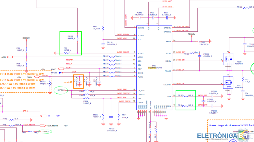
devolvido Samsung Np350xaa - BA41-02648A rev1.0 - Não liga
Avalie este tópico:
-
Conteúdo Similar
-
 bios bios SAMSUNG NP350XAA-KF1BR placa BA41-02639A REV1.0
Iniciado por Marcelo Leal Lemos em
- samsung
- np350xaa-kf1br
- (mais 3)
- 0 comentários
- 139 visualizações
-
 bios bios SAMSUNG NP350XAA-KF1BR placa BA41-02639A REV1.0
Iniciado por Marcelo Leal Lemos em
- samsung
- np350xaa-kf1br
- (mais 3)
- 0 respostas
- 136 visualizações
-
 devolvido Samsung NP350XAA- MB BA41-02639A rev 1.0 - Liga sem vídeo 1 2
Iniciado por Oseiasgs22 em
- 25 respostas
- 1.173 visualizações
-
 dúvida Samsung NP350XAA, placa mãe BA41-02639A liga mas não da imagem
Iniciado por rpm.pablo em
- 6 respostas
- 696 visualizações
-
 bios Samsung - NP750XDA NB3586NB3587_PCB_MB_V5 REV1.0
Iniciado por BetaAssistencia em
- 0 comentários
- 32 visualizações
-
SOBRE O ELETRÔNICABR
Técnico sem o EletrônicaBR não é um técnico completo! Leia Mais...

Posts em destaque
Participe agora da conversa!
Você pode postar agora e se cadastrar mais tarde. Se você tiver uma conta, faça login para postar com sua conta.