Ir para conteúdo
  • Cadastre-se

Meu Mundo Info

Membros
  • Posts Por Dia

    0.04
  • Posts

    139
  • Registrado em

  • Última visita

  • Créditos EBR

    12 [ Doar ]

2 Seguidores

Sobre Meu Mundo Info

  • Data de Nascimento 23/01/1987

Informação Pessoal

  • Sexo
    Masculino / Male
  • Localidade
    Lavras / MG / Brasil
  • Texto pessoal
    "Se ao menos interessei em ajudar, mereço 1 joinha?"

Últimos Visitantes

2.079 visualizações

Conquistas de Meu Mundo Info

Contribuinte

Contribuinte (5/14)

  • Dedicado Rare
  • Iniciador de conversa Rare
  • Reagindo bem Rare
  • Primeira postagem Rare
  • Colaborador Rare

Escudos Recentes

40

Joinhas

  1. Sei que o tópico já faz tempo, mas muitos virão aqui para tentar resolver esse problema. Existe um atuador (é como se fosse um pequeno câmbio que engata engrenagens) que depende da posição do carro de impressão para selecionar qual bandeja que puxa a folha. Ou seja, se o carro de impressão estiver desalinhado, folga de correia, falta de lubrificação, ou mesmo desgaste no carro e no motor, isso influencia diretamente na posições corretas de engate do atuador com as engrenagens de seleção das bandejas de papel. Em último caso, já peguei uma em que o plástico da carcaça que segura o eixo da engrenagem de seleção das badejas, simplesmente quebrou e com isso não engatavam as engrenas e não puxava folhas na badeja superior. Usei Durepoxi para resolver! Achei muita economia na mecânica e construção dessa impressora (para não dizer outra coisa) por parte da Epson. Espero ajudar. Deixo abaixo para referência, o atuador em questão:
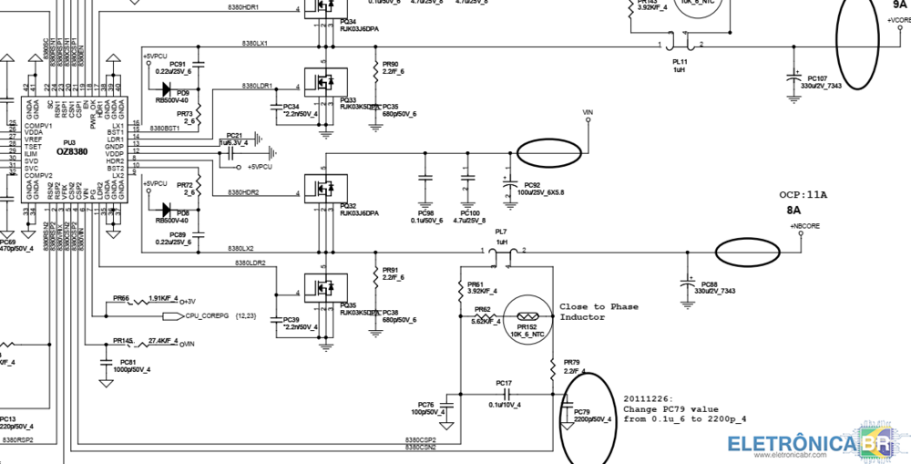
  2. Att: a linha do pl7 é o +nbcore, removi o pl7, e injetei 1v de tensão, o único lugar que aquece é no processador
  3. @fpizzinato Se tiver de alguma placa de sucata, ao menos pra testar antes de comprar, melhor ainda.
  4. Comece verificando tensão de saída do trafo, e segue os capacitores... Isopropílico nos potenciômetros e chaves pra testar se estão fazendo seu papel corretamente. Por ser aparelho antigo, é normal o desgaste de algum componente, mas é difícil dizer qual.
  5. Vejo que é novato aqui, e precisa de créditos para baixar qualquer arquivo no site, o sistema de créditos funciona na forma de ajuda: quanto mais você ajuda outros usuários, eles te dão joinhas que são créditos, quanto mais créditos você ganhar, poderá baixar o arquivo que deseja. Vou lhe ajudar com meu joinha!
  6. Olá, a maior probabilidade é que seja bios (eprom) e a melhor opção vai ser retirar o chip da placa e usar gravadora de eprom, igual nesse tópico aqui:
  7. Que bom que resolveu, solda fria costuma ser também um dos problemas nesse sensores, e eu não lembrei de falar isso ontem. Mas o importante é que deu certo, meu parabéns.
  8. Normalmente, em 99% das vezes e sempre deu certo pra mim, eu testo os sensores na escala de diodo e com os conectores desligados da placa principal.
  9. Multímetro na escala de semicondutores (diodo), no youtube tem vídeo mostrando com mais detalhes
  10. Vejo que é novata aqui, precisa de créditos para baixar a bios no site, o sistema de créditos funciona na forma de ajuda: quanto mais você ajudar outros usuários, eles te dão joinhas que se tornam em créditos, quanto mais créditos você ganhar, poderá baixar o arquivo que deseja. Vou ajudar com meu joinha!
  11. Se está parando nesse ponto igual na imagem, verifica continuidade nos fios dos sensores, e limpe os sensores (lave) com isopropílico. Algumas perguntas que parecem bobas: aí está chovendo? Umidade do tempo está alta? os papéis usados na impressora estão muito finos? Em dias de alta umidade, algumas impressoras tem esse problema, onde os papéis mais finos principalmente, garram na saída, devido morgar ao passar na saída, mesmo com a fusão aquecendo bem o papel.
  12. Isso, teste a placa, principalmente esses capacitores eletrolíticos, que desgastam com o tempo.
  13. Infelizmente agora apareceu um novo problema: o PQ20 logo na entrada dos 19v da fonte está fritando, vou tentar encontrar o que está realmente em curto, pois não parece ser que ele esteja em curto. O CN12 está perfeito sem oxidação nenhuma. Já o pino 95 do sio, quando fiz o teste, esta em nível baixo, não totalmente fechado com o gnd mas no ponto suficiente para dar o "start". Havia testado ele como resistência apenas.

SOBRE O ELETRÔNICABR

EletrônicaBR é o melhor fórum técnico online, temos o maior e mais atualizado acervo de Esquemas, Bios e Firmwares da internet. Através de nosso sistema de créditos, usuários participativos têm acesso totalmente gratuito. Os melhores técnicos do mundo estão aqui!
Técnico sem o EletrônicaBR não é um técnico completo! Leia Mais...
×
×
  • Criar Novo...
.