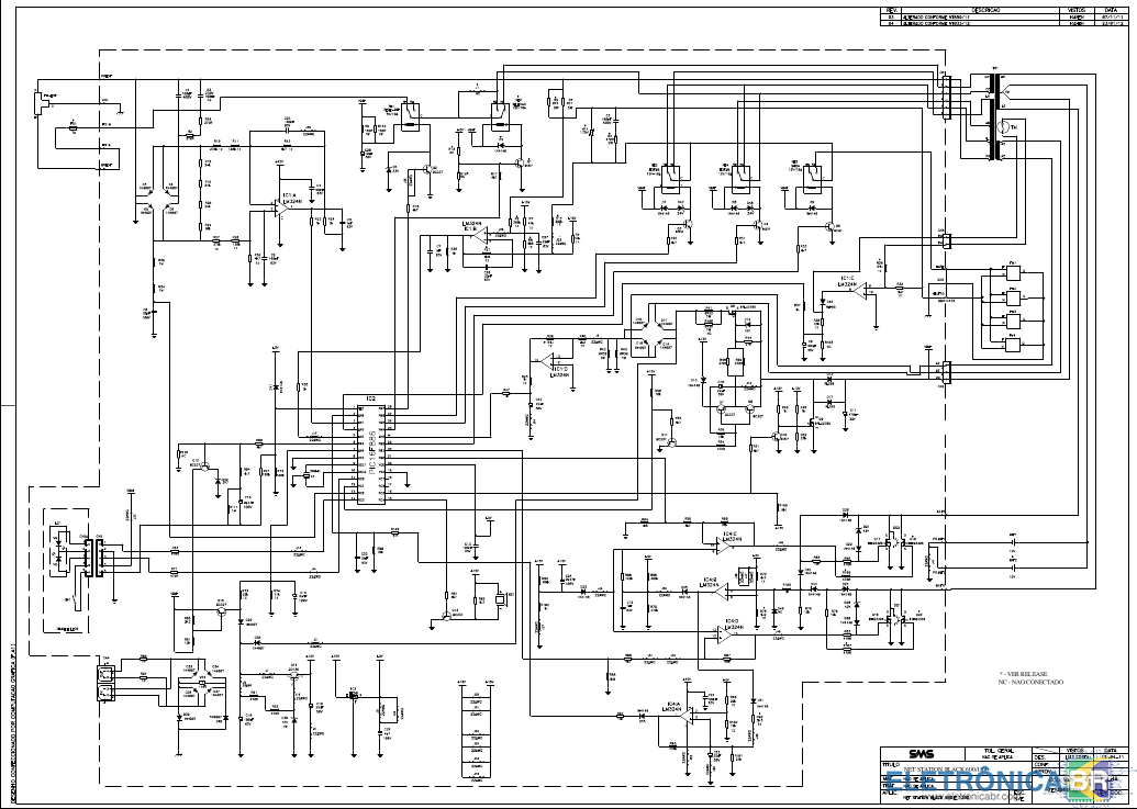
dúvida Placa nobreak SMS net station mst1200s [PCIV008900] não carrega baterias
Avalie este tópico:
-
Conteúdo Similar
-
 em análise Nobreak SMS Station II uST1400Bi PCIV031341 não carrega as baterias
Iniciado por Ian Taylor De Jesus Andrade em
- sms
- station ii
- (mais 6)
- 7 respostas
- 414 visualizações
-
 em análise Nobreak SMS STATION II uST1200bi -Placa PCIV031341 - Não liga
Iniciado por LuisMassocato em
- 13 respostas
- 262 visualizações
-
 dúvida SMS - NET WINNER 18000BiFX (PCIV011040) - Falha de carregamento da bateria
Iniciado por Arthur Pauluno em
- 3 respostas
- 273 visualizações
-
 esquema nobreak sms station 2 1200/1400 pciv 025441
Iniciado por claudio cortez em
- 0 respostas
- 47 visualizações
-
 em análise Nobreak Marca SMS modelo station II 1200-1400 placa PCIV031330problema de travamento no modo bateria ou rede após desligar Com baterias novas
Iniciado por Eletron Tec em
- 22 respostas
- 1.499 visualizações
-
SOBRE O ELETRÔNICABR
Técnico sem o EletrônicaBR não é um técnico completo! Leia Mais...

Posts em destaque
Participe agora da conversa!
Você pode postar agora e se cadastrar mais tarde. Se você tiver uma conta, faça login para postar com sua conta.