Pesquisar na Comunidade
Mostrando resultados para as tags ''la-a995p''.
Foram encontrados 16 registros
-
 em análise HP - 14-r050br - Tela Azul em qualquer instalação.
Tecmix Assistencia postou um tópico em Motherboards, PCs, All in One & Cia
Bom Dia, estou com esse HP em mãos que sempre que tento instalar qualquer windows, no inicio na leitura do Pendriver ou cd o mesmo apresenta tela azul. já efetuei alguns testes porem sempre chego no mesmo resultado "Tela Azul". já tentei instalar windows XP, 7, 8, 8.1 e 10. Já troquei memoria e HD. Já atualizei a Bios minha ultima tentativa foi iniciar com o hirens boot, ele inicia normal o sistema Dos, se eu mandar ele iniciar o windows xp ou 7 integrado ao hirens ele apresenta tela azul. alguém já viu algo parecido? que possa ajudar. obrigado. -
 em análise notebook hp 14-r050br placa zs040 la-a995p nao gera video
rivaldo martins postou um tópico em Notebook's
to com notebook que liga ascende o led e fica tipo reinicando todas as tensoes estao ok alguma dica -
 esquema esquematico zs040 la-a995p
quickler postou um tópico em Pedidos de esquemas ou bios de notebooks.
algin tiene algun esquematico de este modelo ya que no me enciende- 1 resposta
-
- esquematico
- zs040
-
(mais 1)
Tags:
-
 devolvido hp 14-r026tu zs040 - la-A995p rev 2.0 nao liga
valdeson postou um tópico em Notebook's
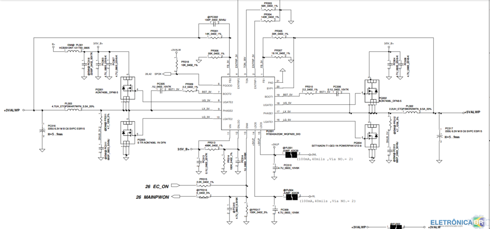
boa note to com esse notebook na bancada mais ele nao gera 3v e 5v, e nao tem nem um curto bobina pwm tenho tensao pu301 pino 7 5v pino 11 19v pino 12 3v pino 14 5v pino 15 3v pino 19 5v alguem ja pegou esse defeito que pude ajuda agradeco -
HP 14 R050BR Z5040 LA-A995P Visualizar Arquivo Disponibilizado pelo amigo "cassio10.com" HP 14 R050BR ZS040 LA-A995P KB9012.bin HP 14 R050BR ZS040 LA-A995P.bin Uploader RoniMota Enviado 22-03-2022 Categoria Firmware KB9012QF
-
Notebook HP 14-r050br - ZSO40 la-a995p Visualizar Arquivo Arquivo baixado no site da Hp E extraído do exe usando LBE. 100% Funcionando. Uploader Átomos Enviado 04-03-2022 Categoria HP e COMPAQ
-
Olá amigos, estou com esse notebook aqui na bandaca, ele não tem as tensões de EC_ON, +3VALW, +5VALW suspeito do super io. o problema é que essa placa usa kb9012qf e não tenho o gravador svod (e o preço não é muito acessivel), então eu teria que comprar já gravado no mercadolivre e correr o risco de não funcionar. Estou olhando o gravador RT809F, será que ele me atenderia bem com esses Sio com eprom interna? me ajudem com esse caso pf, estou na duvida se compro o Sio já gravado ou devolvo o note sem solução. kkk desde já agradeço!!
-
 resolvido Notebook HP 14-R050BR - placa ZS040 LA-A995P - liga e não gera imagem
Magno Silvestre postou um tópico em Casos resolvidos - Notebooks
Boa tarde meus amigos, estou com esse note HP 14-R050BR - placa ZS040 LA-A995P na bancada que chegou ligando e sem imagem. De cara eu percebi que havia 03 componentes oxidados em baixo do slot de memoria ram. bem, fiz a limpeza dos mesmo e o note voltou a gerar imagem, mas por pouco tempo. Ai que está o meu problema, resolvi substituir os componentes oxidados, porém não tenho o esquema dessa placa e nem serigrafia próximo a esses componentes. O capacitor não tem segredos para trocar, substituo outro pelo mesmo tamanho, agora os resistores que é o problema, não sei a resistência certa deles. com o multímetro na escala de 20 ou 200k, eles apresentam 4.7 ohms. Não sei se estão corretos. alguém pode me ajudar? -
 devolvido HP 14-R050BR - LA-A995P - LIGA E NÃO GERA IMAGEM !
Peixe1000 postou um tópico em Notebook's
boa noite à todos ! Estou com este note na bancada, o mesmo não gera imagem, mas o LED do power acende, ja fiz a medição tem energia de entrada, estou apostando na " regravação de bios " ? Alguém pode me ajudar, com esquema elétrico e arquivo para bios ! Resposta: Amigos foi trocado a bios, porém o mesmo não ligou, pelo testes que fiz, estava com problemas no super i/o ou BGA, tentei procurar peças de substituição para este modelo, porém, não achei peças para este modelo, a única saída foi informar o cliente para comprar uma placa nova, o cliente fará o serviço em data futura. Obrigado à todos que tentou me ajudar ! -
 devolvido Hp 14-r050br / zs040 la-a995p Rev:2.0 / não liga nada
Lupeja13 postou um tópico em Notebook's
Boa tarde senhores , estive analisando entra 19v passa pela bobina e mosfet 19v normal , no conector da bateria tem os 3,3v na BIOS nao tem nada em nenhum pino no conector power tb não tem nada , não consegui achar o esquema da placa precisava saber onde gera tensão pro conector power pois deve ser o mesmo para a BIOS . não aquece nada. alguém ja pegou algo parecido Obrigado -
 em análise HP 14, PLACA LA-A995P - TENSÃO DE 19V INVERTIDA - LIGA SOMENTE O LED DO JACK QUANDO CONECTA
DJNaHDinHo LOTADO postou um tópico em Notebook's
Preciso encarecidamente da ajuda de vocês, estou com essa mobo na bancada qual eu tive a sorte de conseguir inverter a polaridade dos 19v, primeiro eu havia aberto o conector do carregador q estava c defeito, so q coloquei os 19v no pino central por ignorancia, depois que vi q era na lateral os 19v, o pior esta por vir, dai fiz uma ligação direta na placa, so q por falta de atenção, invetir o terra com o positivo, consertei a polaridade do carregador, mas agora a placa ja liga o led do dc jack ao conectar e a placa n starta, primarias Tenho as tensões de 19v Bobina PL PL 102 = 2.85V Bobina PL 303 = antes do power 0v, depois que que aperta o power um lado fica variando 2.0 a 5.5 e o outro 3.4 fixo Bobina PL 302 = antes do power 0v, depois que que aperta o power um lado fica variando 0.0 a 0.2 e o outro 5.17 fixo lembrando q esse lado que fic variando era 19v que chegava quando a placa funcionava. Bios so chega 1.8v depois do power Botão power recebe as tensões de 3v secundarias Bobina PL 1002 = depois que que aperta o power um lado fica 0.0 a 1.0 e o outro 1.0 fixo Bobina PL M2= depois que que aperta o power um lado fica 0.0 e o outro 0.0 fixo, ANTES CHEGAVA A TENSÃO DA MEMORIA n tem tensão nas bobinas do processador PL g1 e pl zz2 -
 bios Bios HP 14-r026tu Zs040 - LA-A995P Rev 2.0
XKing Infinityx postou um tópico em Gerenciador de arquivos
Bios HP 14-r026tu Zs040 - LA-A995P Rev 2.0 Visualizar Arquivo LA-A995P Rev 2.0 Uploader XKing Infinityx Enviado 15/06/2024 Categoria HP e COMPAQ -
-
 bios Bios HP 14-r026tu Zs040 - LA-A995P Rev 2.0
XKing Infinityx postou um arquivo em HP e COMPAQ
-
 devolvido Notebook HP 14 R050BR Z5040 LA-A995P Liga, mas não da vídeo.
Lucas Nanas postou um tópico em Motherboards, PCs, All in One & Cia
Esse notebook, poderá ser a bios ou BGA pois fiz os testes e aparentemente tudo está ok. Porém Aceito qualquer dica ou sugestão. Alguém poderia me fornecer um joinha e bios para eu baixar? Gratidão eterna!!!
SOBRE O ELETRÔNICABR
Técnico sem o EletrônicaBR não é um técnico completo! Leia Mais...
