Pesquisar na Comunidade
Mostrando resultados para as tags ''p5we6''.
Foram encontrados 11 registros
-
 dúvida Acer- Aspire 5250 / Placa p5we6 la-7092p- rev 1.0 - sem video
Herdeiros da Pesca postou um tópico em Notebook's
Placa p5we6 la-7092p-rev1.0 Nao gera imagem, tem todas as tensoes, acredito que seja bios! mas nao tenho pra regravar e testar! -
 dúvida motebok Emachines em443 p5we6 placa mae HMA51-BZ defeito bios
dalison rocha postou um tópico em Notebook's
ola pessoal tenho um notebook emachines eme443 nao consigo instalar o windows xp sim windows xp pois so preciso para realizar tafefas aonde presiso salva aquivos porem tanto windows xo 86 ou 64 dao tela azul pelo q entendo pode ser erro na bios alguem pode mi auxiliar lembrando mudei de hci para ide mesmo assim nao vai help- 4 respostas
-
- windows xp
- windows
- (mais 10)
-
Boa tarde estou com esse notebook na bancada onde ele liga e depois desliga, ja medi as tensoes eu tenhos as tensoes primarias e nas tensoes segundarias eu nao tenho voltagem nenhum nas bobinas pl 13 e pl19 verificando aqui no esquema eu vi que na bobina pl13 eu teria que ter 1.05 e nela nao tenho nada. Gostaria de saber se posso injetar 1v na bobina para eu poder ver se tem algum curto nessa linha ?
-
 em análise Acer Aspire 5733Z - MB P5WE6 LA-7092P REV 1.0 - Liga rapidamente e desliga
Oseiasgs22 postou um tópico em Notebook's
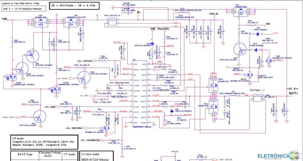
Boa tarde, amigos. Essa placa da descrição ao tentar liga-la pelo botão power, nada acontece. Quando a ligo fechando curto direto, liga rapidamente (porém, LED nenhum acende nesse momento). O consumo na assimétrica vai entre 200 e 500mA em questão de milissegundos e desliga. As fontes primárias de 3,3 e 5v estão ok. Testei os sinais principais do super I/0 e não encontrei defeito, regravei o BIOS por desencargo de consciência, mas não resolveu. A placa não possui curto. Suspeitei de alguma tensão transferida, mas não encontrei no esquema elétrico, esses circuitos que pudessem ser analisados. Até encontrei uma parte que eu poderia supor que fosse sobre essas tensões, só que no esquema elétrico, não há indicação VIN ou B+ entrando nos gates desses mosfest transferidores, que eu pudesse concluir que seriam eles a serem testados (vou mandar foto em anexo dessa parte do esquema). Se alguém puder dar uma luz sobre isso, se já pegaram problema semelhante e resolveram, agradeço muito! -
 bios P5WE6 LA- 7092 P rev: 1.0
mariscoo postou um tópico em Pedidos de esquemas ou bios de notebooks.
boa tarde estou precisando dessa bios e não achei nenhum topico com ela, sera que alguem poderia estar me ajudando ? -
 bios ACER Aspire 5250 P5WE6 LA-7092P Rev 1.0 Funcionando
Kingeek_info postou um tópico em Gerenciador de arquivos
ACER Aspire 5250 P5WE6 LA-7092P Rev 1.0 Funcionando Visualizar Arquivo Baixei 2 arquivos do fórum e dois do site oficial da Acer e não funcionou no meu equipamento, consegui esse arquivo por fora e funcionou no meu equipamento. Então está testada e aprovada. CHIP: W25Q16BV (U27) Uploader Kingeek_info Enviado 25-05-2021 Categoria ACER -
 dúvida Acer Aspire 5250-0465 - P5WE6 LA-7092P - CI charger entrando em curto
Zoom1966 postou um tópico em Notebook's
Olá amigos! Estou precisando de uma ajuda para tentar entender um problema que está me assombrando a vida. O notebook da descrição chegou em minhas mãos sem sinal de vida. Analisando, vi que não havia alimentação no CI charger (PU1, ISL6251AHAZ). Encontrei o resistor PR22 de 10 ohms aberto. É por ele que passa a alimentação do CI charger, indo ao pino 24 do mesmo. Substituí o CI charger e o resistor, fazendo o note voltar a funcionar normalmente, carregando a bateria e com todas as funções normais. Após 20 dias, o note retornou, exatamente com o mesmo defeito. Porém, dessa vez a substituição dos mesmos componentes não ajudou. A fonte 3VALW estava com o mosfet de alta e o capacitor PC42 em curto. Ao injetar 3.3V na saída dessa fonte, descobri a FCH em curto também. Nessa altura, resolvi encontrar uma outra placa e substituir, pois o custo compensava. Todos os testes OK, enviei ao cliente. Mais uns 20 dias e o note voltou com o mesmo defeito!!! Aí eu pergunto aos amigos mais experientes aqui do forum: Que diabos é isso?? Eu testei o carregador (aparentemente original) e não houve variação de tensão ou ripple aparente. Inclusive o cliente o usa em outros notes iguais a esse. Poderia ser algum defeito na bateria? Ou algum defeito de série? No Mercado Livre há muitas placas dessa com defeito à venda, o que me levanta a suspeita. Agradeço a todos que puderem opinar. PS: Não lembro de onde baixei o esquema, mas aqui no fórum tem.- 5 respostas
-
- aspire 5250
- p5we6
- (mais 8)
-
 bios ACER Aspire 5250 P5WE6 LA-7092P Rev 1.0 Funcionando
Kingeek_info postou um arquivo em ACER
-
 devolvido Emachines E443 series Placa P5WE6 LA 7092P - Nao Liga
Recieri Batista postou um tópico em Notebook's
Caros tenho 3v na bios tenho 3v na PL4 tenho 5v na PL5 na pinha de bios tenho 3v nos pinos da bateria tenho 3v. O note ao pressionar o power liga o led Azul e desliga não aciona cooler só liga o led e desliga mais nada. Ja regravei BIOS e nada !!! ja Troquei a Bios e também nada. Conto com a ajuda dos colegas para a solução. Um abraco do tamanho do rio Grande do Sul a todos. -
Olá, Pessoal, estou precisando de uma força para esta resolução... Estou com uma notebook para reparo onde inicialmente estava apresentando o defeito de não carregar a bateria (Ficava piscando o LED de carregamento), fiz a troca da CI PU1 e a bateria está carregando normalmente, porém, se seu ligar o equipamento com o carregador desconectado (Apenas na bateria), no sistema operacional apresenta apenas um alerta que a bateria precisa ser carregada (Mesmo estando com 80%) e não acende o LED de carregamento quando conectado o carregador (Depois de ligado o notebook). Agora se eu ligar o notebook com o carregador conectado, funciona normalmente. Todas as tensões foram tiradas sem startar a placa. Tensões no conector da Bateria (PJP2) equipamento desligado sem bateria: GND - GND GND - GND 6 - 3.30v 5 - 3.30v 4 - 3.30v 3 - 0v 2 - 0.60v 1 - 0.60v Tensões no conector da Bateria (PJP2) equipamento desligado com bateria: GND - GND GND - GND 6 - 3.30v 5 - 3.30v 4 - 2v 3 - 0v 2 - 12.52v 1 - 12.52v Tensões na CI PU1 com a bateria e carregador conectados. Agradeço desde já!
-
 dúvida Lenovo G450 - placa LA-5081P - Defeito tela branca confuso
filipe gomes ferreira postou um tópico em Notebook's
Peguei esse notebook e de primeiro momento parecia estar funcionando normalmente, porem as vezes depois do sistema suspender, ele voltava com uma tela inteira branca ou as vezes somente metade, movimentando a tela já voltava ao normal, imaginei que poderia ser o flat então desmontei retirei passei limpa contato e remontei novamente, continua com o mesmo sintoma! oque eu acho estranho é que com o notebook funcionando ele não chega a apresentar esse defeito, somente depois de suspender ou hibernar (e nem sempre também)
SOBRE O ELETRÔNICABR
Técnico sem o EletrônicaBR não é um técnico completo! Leia Mais...
