alejeff
Membros-
Posts Por Dia
0.15 -
Posts
674 -
Registrado em
-
Última visita
-
Créditos EBR
185 [ Doar ]
Tipo de Conteúdo
Fórum
Downloads
Blogs
Galeria
Assinaturas
Calendário
Tudo que alejeff publicou
-
LENOVO G40-70-80GA Placa ACLU1ACLU2 UMA NM-A272 Não Carrega Bateria
alejeff respondeu o tópico de luciana336 em Casos resolvidos - Notebooks
Thanks, Parabéns pela resolução do problema- 1 resposta
-
- lenovo
- g40-70-80ga
- (mais 6)
-
Realme 200W Charger No dia 21/02/2022, a Realme anunciou que lançará a tecnologia de carregamento de smartphones mais rápida do mundo em 28 de fevereiro no MWC 2022. Fontes ligadas ao assunto revelaram que a Realme projetou o carregador VCK8HACH, com capacidade de recarga de 200 W, permitindo alimentar uma bateria de 4.000 mAh em menos de oito minutos. A nova solução da marca será apresentada juntamente com o Realme GT2 Pro para mercados internacionais. As classificações de energia dizem que o carregador atinge no máximo 200W de saída (20V-10A). Isso sugere que a solução de carregamento de smartphones mais rápida do mundo da Realme pode chegar a 200W. Além disso, o texto também confirma o suporte para USB PD (Power Delivery). Mas é limitado a 45W (15V-3A, 20V-2.25A). Fontes: https://www.gizmochina.com/2022/02/21/exclusive-realme-200w-charger-first-look/
-
 resolvido Fonte ATX Defeito na linha de -12
alejeff respondeu o tópico de Sued Costa em Casos resolvidos - Fontes e NoBreakes
Opps, reparei agora que já foi resolvido -
 resolvido Fonte ATX Defeito na linha de -12
alejeff respondeu o tópico de Sued Costa em Casos resolvidos - Fontes e NoBreakes
-
 resolvido ISO Personalizada
alejeff respondeu o tópico de guilherme.babroza em Redes e Internet
Este aplicativo é antigo, mas tem recursos interessantes. Deixei um tutorial sobre o mesmo em 2014, e fiz um upload em Power pointer agora. Dê uma pesquisada no site sobre MagicIso. -
Tutorila MagicISO Visualizar Arquivo Tutorial de como usar o MagicIso Uploader alejeff Enviado 26-11-2021 Categoria Software
-
-
 resolvido ISO Personalizada
alejeff respondeu o tópico de guilherme.babroza em Redes e Internet
Bom dia, ele tem a possibilidade de personalização da iso com softwares instalados para novos desktops? Sim, tem.... -
 resolvido ISO Personalizada
alejeff respondeu o tópico de guilherme.babroza em Redes e Internet
MagicISO é um utilitário de compartilhamento de imagem de CD / DVD que pode extrair, editar, criar e gravar arquivos de imagem de disco. Oferece a possibilidade de conversão entre ISO e CUE / BIN e seu formato de imagem de disco proprietário do Universal Image Format. -
 resolvido ISO Personalizada
alejeff respondeu o tópico de guilherme.babroza em Redes e Internet
Use o magiciso.exe -
 em análise Notebook Samsung NP300E4C MB Scala a3-14 CRV Rev1.2 liga mais não dá vídeo
alejeff respondeu o tópico de Rafael Tavares Dias em Notebook's
Tem este link, casa com o seu modelo, mas a versão desta é 1.0, dê uma pesquisada no setor de download de BIOS Samsung para achar uma da mesma versão -
 em análise Notebook Samsung NP300E4C MB Scala a3-14 CRV Rev1.2 liga mais não dá vídeo
alejeff respondeu o tópico de Rafael Tavares Dias em Notebook's
Baixe o BIOS e tente regravar. Dica, mantenha sempre o BIOS atual salvo para comparações -
 dúvida Geforce gt620 ccurto na gpu?
alejeff respondeu o tópico de Jean Garoni em Placas de Vídeo
`Conforme mencionei antes a GPU consome muita energia, portanto a resistência apresentada na bobina e nos capacitores em relação ao GND é baixa mesma. Com um multímetro de boa qualidade você verá que medindo por exemplos os capacitores de desacoplamento um lado deles (-) dará 0 absoluto enquanto o lado positivo que está ligado na bobina dará 004, isto é, bem próximo de ZERO. Sé der ZERO absoluto no lado da bobina, ai provavelmente você tem um curto-circuito nesta linha. Por isto o teste com uma fonte de bancada ajustada para 1V ou menos é o ideal.- 5 respostas
-
- 1
-
-
- placa de video
- curto
- (mais 6)
-
 resolvido Lenovo G40-70 - ACLU1ACLU2 NM-A272 - Não Liga
alejeff respondeu o tópico de hanzzo em Casos resolvidos - Notebooks
-
 dúvida Geforce gt620 ccurto na gpu?
alejeff respondeu o tópico de Jean Garoni em Placas de Vídeo
Você chegou a medir alguma tensão nesta placa? Tem certeza que a linha que alimenta a GPU está em curto? , pois se você estiver só se baseando no bip gerado no multímetro, pode não caracterizar curto circuito (o multímetro na escala de buzzer apita quando encontra resistência com valores abaixo de aproximadamente 50 Ohms) . Como a GPU apresenta baixa resistência na linha VCC parece estar em curto, o ideal seria testar com uma Fonte Assimétrica esta linha de energia que vc diz estar em curto- 5 respostas
-
- 1
-
-
- placa de video
- curto
- (mais 6)
-
Físico
-
Mais um detalhe, tem certeza que o modelo é e200s , ou seria s200e
-
Normalmente o Hardware já vêm amarrado para gerar linhas de endereçamento de acordo com a capacidade do chip de memória. Os fabricantes neste caso deixam no placement local para adicionar mais memórias, isto é, espaços vazios no layout para este upgrade. O ideal seria verificar nas especificações deste projeto, de preferência baixando o esquemático do modelo em questão, para verificar se há linhas de endereçamento para este aumento.
-
 resolvido Avell Titanium B153 Max DA0TWSMB6E0 REV:E Não liga
alejeff respondeu o tópico de Gonçalo Graça em Casos resolvidos - Notebooks
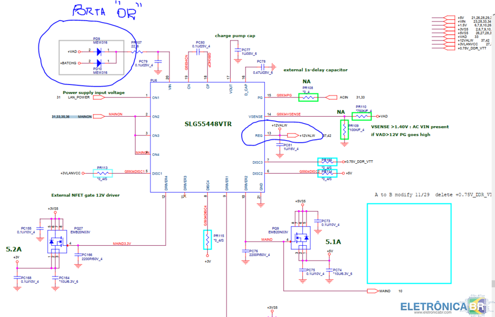
Sim, qualquer diodo retificador deve servir, pois o papel deles no circuito é somente uma porta lógica "OR"- 9 respostas
-
- da0twsmb6e0
- avell
- (mais 5)
-
Transístor de luz Uma equipe da IBM e do Instituto de Tecnologia Skolkovo, na Rússia, criou um transístor óptico com potencial para substituir os transistores eletrônicos atuais em uma nova geração de computadores que funcionam com fótons em vez de elétrons. Além da economia de energia direta, o transístor de luz não requer resfriamento e é muito rápido: Quando trabalha na faixa de 1 trilhão de operações por segundo, ele é entre 100 e 1.000 vezes mais rápido do que os transistores eletrônicos de primeira linha de hoje. "O que torna o novo componente tão eficiente em termos de energia é que basta apenas alguns fótons para fazê-lo chavear," comentou o professor Anton Zasedatelev. "Na verdade, em nossos laboratórios aqui no Skoltech, conseguimos chaveá-lo com apenas um fóton em temperatura ambiente!" E não é só isso: Além de sua função primária de transístor, a chave óptica pode atuar como um componente que conecta dispositivos transportando dados na forma de sinais ópticos. Ou também pode servir como um amplificador, aumentando a intensidade de um feixe de laser de entrada por um fator de até 23.000. O componente também tem outras funções, como integração de redes ópticas e amplificador para lasers. Como o transístor de luz funciona Assim como um transístor comum alterna entre um 0 e um 1 ligando ou desligando a corrente elétrica que passa por ele, o transístor óptico faz esse chaveamento manipulando dois feixes de laser: Um feixe de laser de controle muito fraco é usado para ligar ou desligar outro feixe de laser mais brilhante. E não são lasers de alta potência: Basta apenas alguns fótons no feixe de controle para ligar ou desligar o feixe mais forte, o que explica a alta eficiência energética do componente. A comutação ocorre dentro de uma microcavidade - um polímero semicondutor orgânico de 35 nanômetros ensanduichado entre estruturas inorgânicas altamente reflexivas. A microcavidade é construída de forma a manter a luz que entra presa em seu interior pelo maior tempo possível, para favorecer seu acoplamento com o material da cavidade. Este acoplamento de luz-matéria forma a base do novo componente: Quando os fótons se acoplam fortemente aos pares de elétron-lacuna - também conhecidos como excitons - no material da cavidade, isso dá origem a entidades de curta duração, chamadas de exciton-polaritons, que são uma espécie de quasipartículas. Quando o laser de bombeamento - o mais brilhante dos dois - chega ao transístor, isso cria milhares de quasipartículas idênticas no mesmo local, formando um condensado, que codifica os estados lógicos "0" e "1" do transístor. Para alternar entre os dois estados do componente, um pulso do laser de controle "ativa" o condensado pouco antes da chegada do pulso de laser de bombeamento. Isto estimula a conversão de energia do laser de bombeamento, aumentando a quantidade de quasipartículas no condensado: Uma grande quantidade de partículas ali corresponde ao estado "1" do transístor óptico. Bibliografia: Artigo: Single-photon nonlinearity at room temperature Autores: Anton V. Zasedatelev, Anton V. Baranikov, Denis Sannikov, Darius Urbonas, Fabio Scafirimuto, Vladislav Yu. Shishkov, Evgeny S. Andrianov, Yurii E. Lozovik, Ullrich Scherf, Thilo Stöferle, Rainer F. Mahrt, Pavlos G. Lagoudakis Revista: Nature Vol.: 597, pages 493-497 DOI: 10.1038/s41586-021-03866-9 Fonte: https://www.inovacaotecnologica.com.br/noticias/noticia.php?artigo=transistor-luz-acelera-computacao-1-000-vezes&id=010110210924#.YXMRgZ7MLIU
- 2 respostas
-
- 4
-
-
-
- transístor
- acelera
- (mais 7)
-
 dúvida PASTA TÉRMICA DELL Inspiron 3583
alejeff respondeu o tópico de fabio_scherer em Assuntos Diversos
Parece ser a OCZ FREEZE EXTREME TERMAL, ela é bem densa e grudenta, -
 dúvida Notebook Everex / Starter Nea232w
alejeff respondeu o tópico de Manoel74 em Windows - Aplicativos e Sistemas Operacionais
Quando do acesso ao SETUP aparece a opção "Security Boot" ? -
 resolvido Avell Titanium B153 Max DA0TWSMB6E0 REV:E Não liga
alejeff respondeu o tópico de Gonçalo Graça em Casos resolvidos - Notebooks
Verificando a página 37, temos o PD9 que faz uma função de Porta "OR" onde a alimentação deste pode vir do VAD ou VBATTCHG. Não consegui encontrar o DataSheet do SLG55448, mas parece que quem libera o CHIP é o MAINON (que é gerado no Super I/O). E provavelmente gera os 12VALW- 9 respostas
-
- 1
-
-
- da0twsmb6e0
- avell
- (mais 5)
-
 resolvido Avell Titanium B153 Max DA0TWSMB6E0 REV:E Não liga
alejeff respondeu o tópico de Gonçalo Graça em Casos resolvidos - Notebooks
Depois vou dar uma olhada com mais detalhes no esquemático, mas de cara o fato dos 12VALW estar zerado, é estranho, pois o temo ALW = Always ou seja, teria que ter esta energia somente com a entrada dos 19V DC IN, independente do Botão de Power ser acionado- 9 respostas
-
- da0twsmb6e0
- avell
- (mais 5)
-
 resolvido Avell Titanium B153 Max DA0TWSMB6E0 REV:E Não liga
alejeff respondeu o tópico de Gonçalo Graça em Casos resolvidos - Notebooks
- 9 respostas
-
- da0twsmb6e0
- avell
- (mais 5)
SOBRE O ELETRÔNICABR
Técnico sem o EletrônicaBR não é um técnico completo! Leia Mais...
