JoeRob
Membros-
Posts Por Dia
0.08 -
Posts
346 -
Registrado em
-
Última visita
-
Créditos EBR
53 [ Doar ]
Tipo de Conteúdo
Fórum
Downloads
Blogs
Galeria
Assinaturas
Calendário
Tudo que JoeRob publicou
-
AKASA - VIPER 600 - Falha nas saidas +5v, +12v2, +12v1
JoeRob respondeu o tópico de Oseiasgs22 em Fontes & No-Breakes
@Oseiasgs22 esse acoplador é o LTV-817 fabricado pela LiteOn. Os números na parte superior, ao lado da letra L, referem-se ao ano e a semana de fabricação. No mercado existem vários equivalentes (EL817, PC817), de uma forma geral ele é conhecido apenas com foto-acoplador 817. -
AKASA - VIPER 600 - Falha nas saidas +5v, +12v2, +12v1
JoeRob respondeu o tópico de Oseiasgs22 em Fontes & No-Breakes
Parece ser um anel de ferrite (ferrite bead) e é usado para reduzir o ruído no sinal de acionamento do gate. Pelo que pesquisei não colocar o anel pode levar a alterações no tempo de chaveamento ou a danos ao MOSFET. Meus conhecimentos são limitados nessa área, talvez o amigo @ohm possa explicar melhor. -
 dúvida Controle Remoto da LG (vários modelos) - cristal com problema
JoeRob respondeu o tópico de MoacirJP em TVs de PLASMA, LCD, LED e CRT
Olá @MoacirJP . O encapsulamento desse cristal é cerâmico, PVC ou metálico ?Teria como postar uma foto? -
AKASA - VIPER 600 - Falha nas saidas +5v, +12v2, +12v1
JoeRob respondeu o tópico de Oseiasgs22 em Fontes & No-Breakes
@Oseiasgs22 O engano foi meu, eu achei que 227 fosse a marcação do resistor. Qual o código dos 2 CIs que estão marcados na imagem abaixo? -
AKASA - VIPER 600 - Falha nas saidas +5v, +12v2, +12v1
JoeRob respondeu o tópico de Oseiasgs22 em Fontes & No-Breakes
Boa noite @Oseiasgs22 . A marcação no resistor é essa mesma? Se a marcação no corpo do resistor é 227 o valor dele seria de 220 MΩ e não 227 ohms. Confesso que nunca encontrei em uma fonte ATX resistores com valor tão alto e se o valor for esse mesmo, acho que todos os multímetros digitais irão mostrar esse resistor como aberto já que o range de medida de resistência deles normalmente vai até 99,99 MΩ. -
 dúvida Placa Mãe NM70-I(V1.0), Conexão com os cabos frontais da Fonte
JoeRob respondeu o tópico de D-Ghoul em Motherboards, PCs, All in One & Cia
Olá @D-Ghoul . Chegou a trocar a bateria que fica próxima ao conector da fonte? Muitas placas não ligam se a tensão dessa bateria estiver baixa.- 9 respostas
-
- placa
- nm70-iv1.0
- (mais 5)
-
AKASA - VIPER 600 - Falha nas saidas +5v, +12v2, +12v1
JoeRob respondeu o tópico de Oseiasgs22 em Fontes & No-Breakes
Olá @Oseiasgs22 . Se possível poste algumas fotos com boa resolução dos 2 lados da placa. -
Olá @sanmarino2.50 . O vendedor do ML disse que são 34 LEDs. Você poderia postar o link? Iria ajudar muito o colega @sanmarino2.50 .
- 12 respostas
-
- 22mt45
- lm21911031a
-
(mais 6)
Tags:
-
Não tinha atentado para o campo de perguntas, mas a foto é de uma barra com 34 LEDs. Tentei perguntar ao vendedor, mas o ML diz que "Não foi possível enviar a pergunta. Por favor tente mais tarde" (talvez por causa do horário). Vou tentar novamente amanhã, mas se você tiver cadastro no ML tente também perguntar ao vendedor.
- 12 respostas
-
- 22mt45
- lm21911031a
-
(mais 6)
Tags:
-
Olá @sanmarino2.50 , boa noite. Achei essa no ML, veja se lhe atende. https://produto.mercadolivre.com.br/MLB-3617672616-barra-de-led-monitor-22mp55hq-p-_JM
- 12 respostas
-
- 22mt45
- lm21911031a
-
(mais 6)
Tags:
-
 dúvida Ajuda a procurar a especificação do diodo zener L2
JoeRob respondeu o tópico de nexthor em Eletrônica em Geral
A princípio qualquer zener de mesma tensão e potência serviria como substituto, mas sem saber o tipo de encapsulamento e onde ele é usado fica difícil indicar um equivalente. Por isso eu e o colega @predosa pedimos mais detalhes do equipamento, já que colocar o zener errado (usar um zener de 9V no lugar de um de 6V) fatalmente causará problemas. -
Ajuda a procurar a especificação do diodo zener L2
JoeRob respondeu o tópico de nexthor em Eletrônica em Geral
Olá @nexthor . Esse diodo é de qual equipamento? Se for possível poste uma foto com boa resolução do local da placa onde ele está instalado. Encontrei dois diodos zener com a marcação L2 mas eles possuem tensões diferentes. Um é o BZX384-B6V2, de 6,2 volts e 300 mW fabricado pela NXP. O outro é o UDZS9.1B, de 9,1 volts e 200mW. Sem saber ao certo onde ele é usado não dá para indicar qual deles é. -
fonte de PS4 Fat ADP-240-AR - Não tem voltagem
JoeRob respondeu o tópico de Ian Barddal em Vídeo Games
Verifique o cabo que conecta a fonte a rede elétrica, se possível utilize um cabo sabidamente bom. Refaça as soldas do conector e veja também se os pinos dele estão escuros ou apresentam oxidação, se for o caso substitua o conector. E quando for fazer algum teste sempre use uma lâmpada série para evitar danos a fonte. O varistor e os capacitores normalmente apresentam valores de resistência muito altos, valores baixos normalmente indicam fuga nesses componentes. Já as bobinas apresentam valores baixos, entre algumas dezenas de ohms até próximos de zero ohms. Mas os testes com multímetro não são muito conclusivos pois alguns componentes podem só apresentar falhas quando submetidos a tensão de trabalho no circuito. Esse é o tipo de teste básico nesses componentes, o que me leva a seguinte pergunta: você fez algum curso básico de eletrônica? O motivo da pergunta não é desmotivar e sim orientar. Como eu disse no outro post, reparo em fontes chaveadas é um trabalho que exige um bom conhecimento técnico para saber como testar os componentes, além de muito cuidado pois um curto acidental com a ponta do multímetro pode danificar ainda mais a fonte, além do risco de choque elétrico. Aqui no fórum há vários cursos e apostilas para para quem está iniciando, sugiro que dê uma olhada no post abaixo. -
fonte de PS4 Fat ADP-240-AR - Não tem voltagem
JoeRob respondeu o tópico de Ian Barddal em Vídeo Games
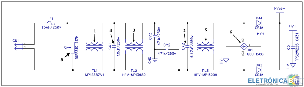
Tranquilo, eu só expliquei porque não aparece a opção de tag Em análise para você. Sobre sua pergunta: - Os componentes 1, 3 e 5 são indutores que fazem parte do filtro de entrada da fonte; - Os componentes 2 e 4 são capacitores, assim como os dois componentes azuis que aparecem logo acima do capacitor marcado com o 2. Eles também fazem parte do filtro de entrada; - O componente 6 é uma ponte retificadora; - O componente 8 é um varistor; Na imagem abaixo tem um esquema parcial do circuito de entrada CA dessa fonte, onde eu marquei esses componentes. - O componente 9 é o indutor do PFC; - Os componentes 12 e 13 são capacitores; - Os componentes 14, 15 e 17 são transformadores. Como você é iniciante, tome muito cuidado ao trabalhar em fontes chaveadas como essa. Nos capacitores pretos (C1 e C2) a tensão pode chegar a quase 400V o que pode causar choques elétricos violentos e curto-circuito que pode causar um grande estrago. Todo cuidado é pouco. O plug ao qual você se refere no primeiro post é o grande preto (CN101) ou o branco menor (CN121)? -
fonte de PS4 Fat ADP-240-AR - Não tem voltagem
JoeRob respondeu o tópico de Ian Barddal em Vídeo Games
Não estou conseguindo. Olá @Ian Barddal . Você não está conseguindo mudar o prefixo porque o tópico foi aberto na área de Treinamento, para que você possa mudar para "Em Análise" será preciso que um dos moderadores mova o seu tópico para a área correta. Infelizmente não sei quem é o moderador da Área de Vídeo Games. Para instruções sobre como criar seu tópico na área correta clique aqui. -
Não consigo instalar aplicativo de microscópio usb
JoeRob respondeu o tópico de morfeo em Windows - Aplicativos e Sistemas Operacionais
Realmente, com o Windows 7 a coisa fica complicada justamente pela falta de suporte. Qual a configuração da máquina? Não consegue instalar o Windows 8.1 ou o Window10 de 32bits? Se precisar continuar com o Windows 7, veja se este vídeo ajuda na instalação do Java. O link para baixar os arquivos que ele usou está abaixo. https://linktr.ee/anderinfo Boa sorte.- 8 respostas
-
- 1
-
-
 dica Filtro de linha aterramento acende luz de chave de teste
JoeRob respondeu o tópico de edson1sousa em Fontes & No-Breakes
Olá @Priscila Cristiane , bom dia. Não fui eu que criei o tópico, apenas citei você por conta da necessidade de mudar a área para que o @edson1sousa pudesse alterar o prefixo. De qualquer forma obrigado.- 8 respostas
-
- filtro de linha
- filtro
- (mais 5)
-
Filtro de linha aterramento acende luz de chave de teste
JoeRob respondeu o tópico de edson1sousa em Fontes & No-Breakes
Olá @edson1sousa . Você não consegue mudar porque o tópico foi aberto na área de "Dicas e Tutoriais de Fontes e Nobreaks" quando deveria ter sido aberto em "Fontes e Nobreaks". Só a moderadora @Priscila Cristiane poderá mover o tópico para a área correta para que você possa fazer a mudança. Uma pergunta, as tomadas da foto são de um filtro de linha ou uma daquelas extensões com várias tomadas?- 8 respostas
-
- filtro de linha
- filtro
- (mais 5)
-
Não consigo instalar aplicativo de microscópio usb
JoeRob respondeu o tópico de morfeo em Windows - Aplicativos e Sistemas Operacionais
Olá @morfeo . A primeira mensagem indica que falta a biblioteca VCRUNTIME140.dll do Visual C++ da Microsoft, que provavelmente já estava instalada no HD antes da formatação. Siga as instruções do link abaixo para baixar o pacote de instalação dessa dll no site da Microsoft e veja se resolve o problema. https://answers.microsoft.com/pt-br/windows/forum/all/erro-ao-iniciar-jogo-vcruntime140dll/48ba7d07-f530-4843-90c4-3507d0120c5d Com relação ao Java o problema pode ter duas causas: 1 - Pode ter havido algum problema com a instalação do Java, por isso tente desinstalar e reinstalar novamente. Eu já tive alguns problemas com a instalação on-line do Java e por isso prefiro baixar o instalador off-line. 2 - A versão do Java que está instalada pode não ser compatível com o aplicativo. Segundo a Oracle embora as versões mais novas do Java sejam compatíveis com as mais antigas, alguns aplicativos podem funcionar apenas com alguma das versões antigas. Veja no aplicativo qual a versão do Java é compatível. Qual versão do Windows você está usando? As atualizações disponíveis no Windows Update foram instaladas?- 8 respostas
-
Processador AMD FX com pinos tortos / tem como re
JoeRob respondeu o tópico de Alef44 em Eletrônica em Geral
Olá@Alef44 . Já consegui desentortar pinos de um Athlon X4 usando um estilete fino e uma agulha. Usei a mesma técnica mostrada no vídeo abaixo e deu certo. Para o pino quebrado a solução correta é muito mais complicada, pois envolve retirar um pino de um processador defeituoso e soldar no lugar do que foi quebrado, o que não é um trabalho simples além de exigir o uso de ferramentas adequadas. -
A Posilixo está cada vez pior. Há mais uma possibilidade, alguns notebooks da HP tinham um sistema parecido com esse, mas ao contrário dos DELL eles não usavam um chip de identificação na fonte. Aparentemente o sistema da HP era baseado no valor da tensão que a fonte mandava pelo pino central. Dê uma olhada no post abaixo e veja se lhe ajuda. Mas cuidado, aplicar tensão no pino central desse computador pode causar danos a placa mãe. Sugiro começar com o esquema que usa apenas o resistor de 330k do positivo da fonte para o pino central, se não funcionar tente usar um resistor de 33k entre o pino central e o negativo da fonte. Os outros esquemas aplicam uma tensão entre 6V e 6,3V ao pino central e como eu disse existe o risco de danificar a placa, use por sua conta e risco.
-
Olá @Daniel Plácido . Se você apertar F11 ele e escolher o SSD ele continua com o boot? Se continuar procure no BIOS alguma opção para ignorar esse aviso. Os notebooks da Dell também param a inicialização com esse aviso, mas há uma opção no BIOS que desabilita o aviso e continua normalmente com o boot.
-
 dúvida Fonte de computador desktop CORSAIR VS500 não liga
JoeRob respondeu o tópico de Claudio Lima Lopes Ferreira em Fontes & No-Breakes
Olá @JESSEJSILVA . Para que você possa receber ajuda precisamos de mais detalhes, por exemplo se os capacitores de filtro após a ponte retificadora tem tensão e qual o seu valor e se a tensão +5VSB - Fio Roxo está presente (sem ela a fonte não liga). Precisamos de mais informações, por isso as perguntas abaixo: - O TNY279 que foi substituído estava em curto? - Chegou a fazer as verificações que os colegas @Maru e @Claudio Lima Lopes Ferreira sugeriram? Vi que você fez um post em outro tópico sobre uma fonte que suponho seja esta mesma, só que aquele tópico está "parado" desde Outubro de 2020 e a última visita do autor foi em Janeiro de 2022. Uma sugestão, evite fazer posts duplicados sobre o mesmo equipamento, isto torna mais difícil para você acompanhar as respostas (são 2 tópicos que você terá que seguir) e provavelmente você receberá as mesmas sugestões de reparo. Ah, e só lembrando, isto é uma orientação, não uma "bronca" ok. Faça as verificações sugeridas aqui e poste os resultados. E seja bem vindo ao fórum.- 11 respostas
-
- 1
-
-
- fonte
- computador
- (mais 4)
-
Olá @trcdl . Pela sua descrição parece ser ruído de centelhamento. Veja se a chave ou o cabo de alimentação apresentam algum aquecimento. Veja também o estado dos encaixes do cabo e os pinos do conector de alimentação da fonte, observe se algum deles apresenta uma coloração diferente dos outros o que pode indicar mau contato. Também verifique se as soldas nessa pcb menor estão ok, se não há nenhuma solda com aspecto duvidoso ou algum terminal solto dentro da solda. Finalmente verifique se o interruptor não apresenta mau contato, se você tiver dúvidas substitua o interruptor por um novo (isto vale também para o cabo de alimentação, na dúvida substitua por um novo). Enquanto não descobrir a origem desse ruído, aconselho evitar o uso do computador para não haver danos sérios a fonte ou a outros componente do mesmo.
SOBRE O ELETRÔNICABR
Técnico sem o EletrônicaBR não é um técnico completo! Leia Mais...
