Pesquisar na Comunidade
Mostrando resultados para as tags ''5558''.
Foram encontrados 16 registros
-
 devolvido Dell Inspiron 5558 xfv4p-A00_AAL10-LA-B843P-Rev-1.0_(Não liga) completando a sequencia de start!
LEONTEC postou um tópico em Notebook's
Essa placa veio de outra assistência com o defeito de não ligar! Percebi que o PU4201 mosfet de entrada estava faltando, alguns capacitores também, e os risco que tem na placa não foi eu hahaha parece que removeram os componentes na força! O mosfet de entrada já coloquei outro no lugar. Antes de colocar outro mosfet, aferir os pads e foi constatado curto no dreno, injetando tensão na placa, a simétrica desamava em qual quer tensão que foce regulada. Como não conseguir injetar tensão, fui abrindo os pads para isolar os setores e fui aferindo pra constatar qual lado tava em curto, acabei achando o lado em curto na linha da PL4701, no D1 do Pu4701 que vai na linha do vcore! Era um capacitor em curto. O capacitor mostrado na imagem abaixo tava em curto! Foi removido,e o curto parou, e com isso conseguir injetar tensão e a placa não tem consumo em stand-by. Tem as tensões de 3v e 5v stand-by! Testado com outra memoria! Tem tensão no bios! Tem tensão nos pinos da bateria! Bateria do bios tensão normal e é original! O botão power ta zerando! Quando coloco o carregador o cooler gira e para, o LED acende na cor branca e pisca 2 vezes. Obs: Carregador original! Essa placa tem vídeo dedicado. Nas PLs 8201, 8202, 4902 e 4801 sobem sempre que pressiono o botão power, e some segundos depois! A placa gira o cooler e para, o led acende na cor branco pisca e apaga! Estou pensando aqui que pode ser o processador com defeito! Mas quem puder ajudar a confirmar isso, ou mesmo ajudar a solucionar o problema, ficarei grato! -
 em análise DELL Inspiron 5558 - AAL10 LA-B843P - Não Carrega Bateria
rafaelsfm postou um tópico em Notebook's
Bom dia Pessoal, Estou com esse equipamento que só funciona na tomada. Na bios o carregador aparece "Not Installed". A bateria aparece "Health Excellent" e do lado Descarregando. Ja testei com outros carregadores, e outra bateria nova. Mesmo a bateria estando com 45% de carga, ao retirar o carregadror o notebook ja desliga. Medindo o conector DCIN1 na placa o pino do meio PS_ID que deveria ter 3,3V nao apresenta voltagem. Gostaria da ajuda dos colegas para identificar o defeito. O Super IO que é responsavel por enviar esses 3,3v, ou poderia ser o ci charger? Agradeço desde ja -
 apresentação Solicitação esquema eletrco dell inspiron 15 5558
Annibal.7 postou um tópico em Apresentações
1. Como conheceu o EletrônicaBR? R. Curso 2. Qual seu nível técnico? (Amador, Estudante, Técnico, Engenheiro, Empresário) r. Técnico, 3. Quais habilidades relacionadas a eletrônica/informática você tem ou pretende adquirir? R. adquirir eletronics 4. Conte um pouco de você. Qualquer coisa. Técnico em informativa a 19 anos autônomo- 2 respostas
-
- solicitação
- esquema
- (mais 4)
-
 em análise Dell Inspiron 15 5558 - Aal10 LA-B843P rev 1.0 - sem vídeo
Diego Caires Castro postou um tópico em Notebook's
Amigos, estou com esse aparelho na bancada que liga mas sem imagem. Quando pressiono o botao ele liga e desliga e depois de um tempo volta a ligar. fica nesse loop, mas depois de um tempo desliga sozinho. Consigo encontrar 3 e 5 v . mas nao encontro tensao na pl do processador. Se algum dos amigos puder dar uma ajuda. -
 em análise DELL Inspiron 5558 - AAL10 LA-B843P - Não dá vídeo, 2 bips
lucasmedeiros postou um tópico em Notebook's
Olá amigos, estou com essa placa na bancada, ela apresenta tensão em todas bobinas, sei que esses beeps teoricamente seria memória, mas eu troquei e não adiantou, tentei regravar a bios e a mesma coisa, a placa liga e o consumo fica travado na média dos 0.320a, alguma dica? Sou iniciante, to fazendo uns cursos mas não tenho muito conhecimento, se puderem ajudar eu agradeço! -
 bios Dell Inspiron 5558 / AAL10 LA-B843P
000notebooks postou um tópico em Gerenciador de arquivos
Dell Inspiron 5558 / AAL10 LA-B843P Visualizar Arquivo BIOS em modo manufatura. Testado em um Dell Inspiron 15 5558, processador I3, sem video dedicado. Funcionando 100% Supostamente também funciona em DELL INSPIRON 5458 e 5557, necessário confirmar. Uploader 000notebooks Enviado 06-09-2018 Categoria Dell -
 foto Dell Inspiron 15 5558 Compal AAL10 LA-B843P Rev:1.0 UMA
kotnatan postou um tópico em Gerenciador de arquivos
View File Dell Inspiron 15 5558 Compal AAL10 LA-B843P Rev:1.0 UMA Dell Inspiron 15 5558 Compal AAL10 LA-B843P Rev:1.0 UMA Submitter kotnatan Submitted 12/13/2020 Category DELL -
 dúvida Dell 5558 / LA-D071P / Consumo anormal de hardware
diogotecnico postou um tópico em Notebook's
Oi pessoal. É o seguinte. Trabalho com TI e já tive assistência técnica, mas há alguns anos parei de trabalhar com manutenção, ficando somente no atendimento de empresas. Esses dias acabei pegando esse note de um cliente e queria saber a opinião de vocês antes de abrir, já que tem um bom tempo que estou sem mexer com isso e meu foco também não era em eletrônica. Esse note está extremamente lento, extremamente mesmo. E ele tem uma configuração até que bem razoável para uso do dia a dia. Parece um AMD C60 de tão lento. Sem nada aberto ele demora até para abrir uma pasta. Já troquei o SSD, mesmo nos testes não acusando ser isso. Mas observei que ele dá um aviso de carregador ao ligar. Notei também, que fazendo alguns testes superficiais, o note parece não estar usando o hardware que tem. Como se estivesse com o uso deles restrito. Então pensei se poderia ser a fonte do note ou algum problema de placa mãe. Ainda tenho minha fonte assimétrica aqui, mas estou sem o pino para esse note, estou vendo se consigo para poder testar ele nela. Enquanto isso, poderiam ver os prints que tirei do consumo de energia pelo AIDA64, e ver se acham alguma anormalidade? * Tenho fonte assimétrica, multímetro, regravador de eeprom e outras coisas, ainda do tempo da assistência. Mas vou optar não mexer na placa se for preciso, por falta de prática "e tempo". Desde já, agradeço pela ajuda. Um abraço. https://imgur.com/a/vp19Txy -
 dica Dell Inspiron 5558 Placa AAL10 La-B843p Liga e Desliga
Alexandre Skull postou um tópico em Notebook's
Bom dia pessoal, estou com esse dell na bancada e preciso de ajuda. Ele liga e desliga tenho presente os 19v 5v e 3v. Não tenho o 1.5v mas não tenho curto na linha. Percebi algo estranho no circuito charger.- 1 resposta
-
- em análise
- dell
- (mais 7)
-
Bom dia, estou com um problema estranho, notebook já chegou mexido com um cabo flat novo, mas aparentemente não foi feito nada na placa. sem o cabo flat conectado o note liga e da vídeo no monitor externo. Ao conectar o cabo flat o note acende os led mas sem vídeo, o curioso é que a tensão da bobina da memória some. pela análise do esquema não tenho as tensões nos pinos 20, 21, 22, seguindo a linha quem larga essa tensão é o SIO, substitui ele e se manteve na mesma. testei outras telas e também, injetar 3v nesses pinos sem tensão. sem sucesso... Se alguém tiver um tempinho para ajudar agradeço muito! esquema:
-
Ola a todos da comunidade, sou novo por aqui, e estou precisando muito do arquivo ROM BIOS para Dell Inspiron 15 5558. Agradeceria muito se algum pudesse ajudar. Obrigado
-
DELL Inspiron 5558 - AAL10 LA-B843P - Não dá vídeo, 2 bips
Mega Not Informática postou um tópico em Notebook's
TO COM ESSA PLACA DELL LA-B843P com 2 bipes indicando erro de memória, sem imagem JA TROQUI 5 memória Ddr3 PC3L mesmo trocado as memorias ele da os 2 bips com a memoria ou sem a memoria- 15 respostas
-
- 1
-
-
- inspiron 5558 - compal la-b843p
- 5558
- (mais 3)
-
 dúvida Notebook Dell Inspiron 5558 / la-b843p / tela branca
ricradotashiro postou um tópico em Notebook's
Olá sou novo aqui, estou precisando de uma ajuda nesse modelo de notebook Dell Inspiron 5558 / la-b843p. Ao ligar ele apresenta tela branca! Alguém já pegou esse modelo com o mesmo problema? -
Dell Inspiron 5558 Placa AAL10 La-B843p rev1.0 Liga e Desliga
stillmito postou um tópico em Notebook's
estou com essa placa na bancada e o consumo sobe pra exatos 0.222A fica 2 segundos e desliga , tenho as tensões 3v 5v nas bobinas primarias ( sempre presente) , tem 3v no carregamento da bateria tem 3.3v no botao power, tem 3.3v na bios. quando aperto o power sobre 1.35v na bobina da memoria. sobe 1.7v na pl4701, na pl4801 sobe 1.062v. gravei 3 arquivos diferentes na bios e o resultado é o mesmo -
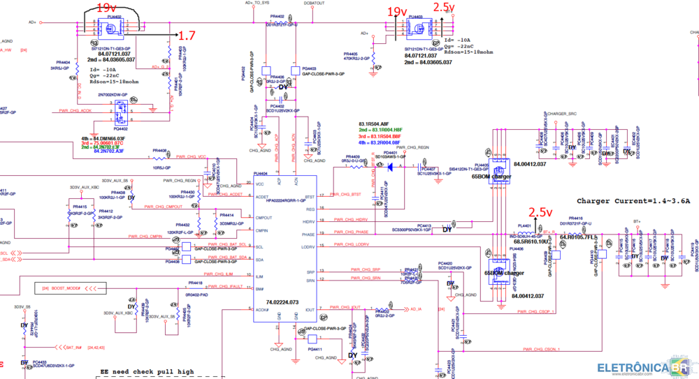
Olá Tenho aqui este Dell, que o cliente diz que ha relativamente pouco tempo(1 ano,talvez) comprou uma bateria de substituiçao,mas ele nao carrega nada. Quando me pediu os meus serviços, a idea seria substituir a bateria,mas estou desconfiado que o problema nao será a bateria e sim o circuito de charger que nao está a funcionar. Uma bateria nao deveria durar tao pouco tempo. No HW monitor apresenta 30% de degradaçao, e a carregar,um consumo de zeros watts. Medi na Pl4401 e só tem 2,5v. Nos pinos do meio tem 3,3v.O mosfet Pu4405 tem 19v na entrada e so tem 2,5v na saida , Nao deveria haver 14v na saida destes mosfets e consequentemente no pino 1 do conector da bateria para esta ser carregada? Com a fonte de bancada nao consigo carregar a bateria fora do laptop
- 31 respostas
-
- 1
-
-
- bateria não carrega
- circuito charger
- (mais 9)
SOBRE O ELETRÔNICABR
Técnico sem o EletrônicaBR não é um técnico completo! Leia Mais...
