JAROD
Membros-
Posts Por Dia
0.13 -
Posts
546 -
Registrado em
-
Última visita
-
Vitórias
3 -
Créditos EBR
791 [ Doar ]
Tipo de Conteúdo
Fórum
Downloads
Blogs
Galeria
Assinaturas
Calendário
Tudo que JAROD publicou
-
Testador de Chopper..só funciona com o flyback
JAROD respondeu o tópico de Geraldo Guimaraes em Eletrônica em Geral
- 13 respostas
-
- testador
- chopper..só
-
(mais 2)
Tags:
-
Testador de Chopper..só funciona com o flyback
JAROD respondeu o tópico de Geraldo Guimaraes em Eletrônica em Geral
Se bem estou lembrado, o Burgos não utiliza transistores da linha BC.... mas vou rever o vídeo.... também pretendo montar um.- 13 respostas
-
- testador
- chopper..só
-
(mais 2)
Tags:
-
para efetuar testes, coloque só um transistor em cada braço.... evita um prejuizo enorme.... e veja se tem os dois pulsos na saida do lm324
- 24 respostas
-
- powervision
- t08263-03
-
(mais 1)
Tags:
-
Nobreak SMS Manager Net 4+ Placa T0726707 - PICO000902 Não Recarrega Bateria
JAROD respondeu o tópico de GameMax em Fontes & No-Breakes
coloca as fotos da placa aí.... -
Nobreak SMS Manager Net 4+ Placa T0726707 - PICO000902 Não Recarrega Bateria
JAROD respondeu o tópico de GameMax em Fontes & No-Breakes
Primeira coisa é que existe um erro nesse esquema (curto entre o positivo e o negativo da ponte retificadora). Para que o transistor Q14 conduza e envie a tensão de carga para as baterias, é necessário que o transistor Q19 esteja cortado e o transistor Q15 conduzindo. Q16 também estará cortado, já que irá receber em sua base uma tensão positiva. Desta forma, no gate do transistor haverá uma tensão proveniente de Q15 e desta forma ele conduzirá. Este processo deverá ser acompanhado via osciloscópio, já que não é uma tensão constante, mas em forma de pulsos. -
Nobreak SMS Manager Net 4+ Placa T0726707 - PICO000902 Não Recarrega Bateria
JAROD respondeu o tópico de GameMax em Fontes & No-Breakes
Na verdade muda pouca coisa... esse jumper está ligado entre o positivo da ponte e o dreno do Q14. Verifique qual a tensão presente nesse jumper. Em minhas anotações, essa tensão fica em torno de 19 volts. -
Nobreak SMS Manager Net 4+ Placa T0726707 - PICO000902 Não Recarrega Bateria
JAROD respondeu o tópico de GameMax em Fontes & No-Breakes
como esta? -
 resolvido SMS station ii [PCIV013846] liga e desliga
JAROD respondeu o tópico de davidegn em Casos resolvidos - Fontes e NoBreakes
Veja se a tensão de 15 volts está normal.... Os 5 volts são gerados a partir desta tensão. Outra coisa que pode provocar isso é algum curto ou relé colado que está fazendo com que o selo não esteja presente na base do Q2.- 4 respostas
-
- station
- [pciv013846]
-
(mais 2)
Tags:
-
Nobreak SMS Manager Net 4+ Placa T0726707 - PICO000902 Não Recarrega Bateria
JAROD respondeu o tópico de GameMax em Fontes & No-Breakes
É esta placa? -
 dúvida no-break Ragtech infinium digital 3200Va Não liga e queimando resistores
JAROD respondeu o tópico de leco2021 em Fontes & No-Breakes
-
Nobreak SMS -uST1400Bi -PCIV025442 - tensão do carregador alta
JAROD respondeu o tópico de MoacirJP em Casos resolvidos - Fontes e NoBreakes
Qual a tensão estava apresentando no ponto PM1? E qual ficou depois da troca do capacitor? .... é bom anotar... é um defeito pouco comum.- 9 respostas
-
- nobreak
- -ust1400bi
- (mais 4)
-
Nobreak SMS -uST1400Bi -PCIV025442 - tensão do carregador alta
JAROD respondeu o tópico de MoacirJP em Casos resolvidos - Fontes e NoBreakes
Alguns nobreaks da SMS mudam só o modelo, mas o esquema é igual ou parecido.... veja se não bate esse que foi postado pelo colega Zazulak:- 9 respostas
-
- nobreak
- -ust1400bi
- (mais 4)
-
SMS SM1400S PCIV014843 apitando e desligando
JAROD respondeu o tópico de Cassio Queiroz em Fontes & No-Breakes
fotos da placa ajudaria a identificar o equipamento....- 4 respostas
-
- 1
-
-
 dúvida SMS Manager net4+ 1400BiFX - Desativar função SAVE BATTERY
JAROD respondeu o tópico de Frank Neroz em Fontes & No-Breakes
Já fiz ajustes no valor desse resistor, mas foi para aumentar a potência do nobreak. Explico: O nobreak era um de 1400VA 980W, mas quando ligado com carga resistiva, ao chegar nos 600W o nobreak entrava em alarme e desligava. Acredito que no seu caso, não seja a solução. A solução é desligar um dos fios do termostato do transformador. Faço esse teste, com a placa em bancada, alimentada pela fonte ajustável em 13,5 volts, com os cabos todos desligados, inclusive o CN6 e o circuito simplesmente não desliga. Resta agora fazer um teste com os demais cabos ligados (menos os do fusível interno do transformador) e ver se o comportamento vai ser o mesmo. Faça o teste aí e me avise o resultado. -
 dúvida SMS Manager net4+ 1400BiFX - Desativar função SAVE BATTERY
JAROD respondeu o tópico de Frank Neroz em Fontes & No-Breakes
@joao lima RV Como falei mais acima, não gosto muito de fazer modificações em circuitos de equipamentos, a não ser por necessidade. No caso do colega que solicitou ajuda para resolver o problema, o nobreak é dele mesmo, de uso pessoal. Neste caso, não vejo problema. A única coisa que deve se preocupar é quanto à segurança, pois estará desativando uma das proteções do circuito. Mas, como também afirmei acima, como o nobreak é de uso pessoal, poderá facilmente implementar um circuito simples para substituir a proteção que foi inibida. Eu, pessoalmente, já fiz modificações em equipamentos meus que estão funcionando até hoje.... corrigindo até falhas de projetos. Não recomendo que se faça tais modificações, a não ser que tenha consentimento do proprietário do equipamento, de preferência por escrito, para evitar dores de cabeça futuras. -
 dúvida SMS Manager net4+ 1400BiFX - Desativar função SAVE BATTERY
JAROD respondeu o tópico de Frank Neroz em Fontes & No-Breakes
Concordo.... mas vou encontrar um circuito simples que possa implementar para proteger o nobreak em caso de sobreaquecimento.... Não sou muito favorável em modificar o circuito a não ser por necessidade.... já fiz modificações, mas com bastante cautela e segurança. -
 dúvida SMS Manager net4+ 1400BiFX - Desativar função SAVE BATTERY
JAROD respondeu o tópico de Frank Neroz em Fontes & No-Breakes
Esse resistor é para ajuste da corrente. O que sugiro é desligar um dos fios que vai para o termostato do transformador.... o teu nobreak não vai desligar pelo save battery.... mas é preciso testar e ver se não vai apresentar outros problemas.... pelo que testei, o nobreak funciona normal, porém se houver aquecimento no transformador ele vai estar sem proteção.... precisa fazer a alteração e monitorar para ver como ele se comporta. Eu sugiro montar um circuito auxiliar para monitorar a temperatura e desligar o transformador em caso de sobreaquecimento. -
 dúvida SMS Manager net4+ 1400BiFX - Desativar função SAVE BATTERY
JAROD respondeu o tópico de Frank Neroz em Fontes & No-Breakes
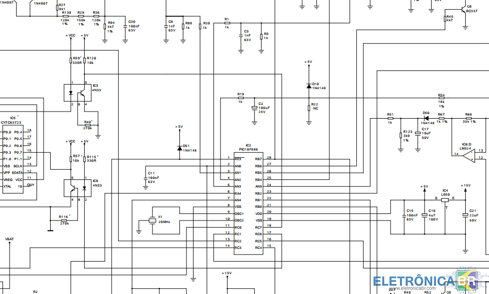
A questão é.... o nobreak tem várias proteções, que são feitas pelos circuitos LM324. O IC6 (C) que está no destaque de parte do esquema é o responsável por enviar informações da corrente consumida pelo nobreak, além de monitorar um termostato (creio eu). Como eu sempre retiro a placa do nobreak (é totalmente soquetada) para fazer os testes dos componentes, percebí que ao alimentar a placa com uma fonte, ela nunca desliga, não aciona o save battery. E isso se deve ao fato do conector CN6 estar desconectado. Quando conecta o cabo ou fecha o circuito entre os pinos 1 e 2 do conector, o save battery aciona e desliga a placa. Acredito que já deva ter sacado o que deve fazer.... mas faça vários testes antes de deixar o nobreak desta forma... qualquer coisa estamos aí para auxiliar. -
 dúvida SMS Manager net4+ 1400BiFX - Desativar função SAVE BATTERY
JAROD respondeu o tópico de Frank Neroz em Fontes & No-Breakes
-
 dúvida SMS Manager net4+ 1400BiFX - Desativar função SAVE BATTERY
JAROD respondeu o tópico de Frank Neroz em Fontes & No-Breakes
@Frank Neroz Prezado, tive a oportunidade de consertar mais alguns destes modelos e realizar uma análise mais profunda do funcionamento. Fiz alguns testes relacionados ao funcionamento do nobreak em si e sobre esta questão de desabilitar o save battery e cheguei a algumas conclusões. Caso ainda tenha interesse, retorne. -
 dúvida SMS Manager net4+ 1400BiFX - Desativar função SAVE BATTERY
JAROD respondeu o tópico de Frank Neroz em Fontes & No-Breakes
IC6A está com o pino 3 ligado ao neutro através do resistor R37 de 360K. Tive que devolver o equipamento que estava aqui e não deu para fazer outros ensaios... e o processador realmente tem a etiqueta SCM015004. -
 dúvida SMS Manager net4+ 1400BiFX - Desativar função SAVE BATTERY
JAROD respondeu o tópico de Frank Neroz em Fontes & No-Breakes
-
 dúvida SMS Manager net4+ 1400BiFX - Desativar função SAVE BATTERY
JAROD respondeu o tópico de Frank Neroz em Fontes & No-Breakes
Frank, conforme a @Priscila Cristiane comentou acima, o problema é que o processador não aceita desabilitar esta função. Fiz algumas medições com o nobreak em rede, em bateria com carga e sem carga mas nada conclusivo. Acredito que o processador pegue a leitura do IC6A para verificar se existe carga na saída ou não, porém as leituras de tensões nestes pinos não foram conclusivas. -
 dúvida SMS Manager net4+ 1400BiFX - Desativar função SAVE BATTERY
JAROD respondeu o tópico de Frank Neroz em Fontes & No-Breakes
Tire uma foto da placa, dos dois lados.... estou com um na bancada, se forem iguais, posso dar uma olhada como faz. -
 dúvida SMS Manager net4+ 1400BiFX - Desativar função SAVE BATTERY
JAROD respondeu o tópico de Frank Neroz em Fontes & No-Breakes
d) FUNÇÃO “BATTERY SAVER”: Em operação no modo bateria, caso não possua equipamentos ligados ao nobreak, as tomadas de saídas são desligadas automaticamente, preservando a vida útil da(s) bateria(s). O nobreak é configurado na fábrica com a função Battery Saver “ativada”. Para desativar / ativar esta função execute o procedimendo a seguir: • Mantenha o nobreak conectado na rede elétrica (em condições normais). • Desligue o nobreak através do botão liga/desliga/mute , conforme o item a) LIGAR/DESLIGAR O NOBREAK. • Para os modelos com o botão de Battery Saver disponível no painel traseiro, mantenha pressionado o botão , soltando-o no momento em que soar o alarme. • Para os modelos que não dispõem do botão de Battery Saver no painel traseiro, pressione o botão liga/desliga com três breves toques consecutivos; Em ambos os modos de operação da função, o LED acenderá juntamente com o alarme sonoro indicando a opção que foi configurada: Azul: Ativando a função Battery Saver; Vermelho: Desativando a função Battery Saver. http://smslegrand.com/uploads/1/0/5/5/105549193/manual_sms_net4_.pdf
SOBRE O ELETRÔNICABR
Técnico sem o EletrônicaBR não é um técnico completo! Leia Mais...
