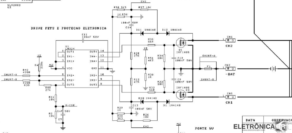
em análise nobreak ts-shara ts-134 não aparece tensão na saída quando fica alimentado pela bateria
Avalie este tópico:
-
Conteúdo Similar
-
 em análise Nobreak Intelbras ATTIV 600VA 220V com Defeito na saída de tensão
Iniciado por Ian Taylor De Jesus Andrade em
- 9 respostas
- 216 visualizações
-
 em análise NHS MINI III / MB600_KV30 / Não sai tensão de 110v alternada na saída mas carrega a bateria
Iniciado por edipocunha em
- mini
- mb600_kv30
- (mais 6)
- 15 respostas
- 211 visualizações
-
 esquema Nobreak Apc UPS 600 - Não carrega bateria
Iniciado por Saulo Gottardo em
- 2 respostas
- 1.536 visualizações
-
 em análise Nobreak UPS APC RS 1200 - Não carrega Bateria
Iniciado por Carlos Cogliatti em
- 0 respostas
- 21 visualizações
-
 dúvida TS Shara - UPS Concept 1400VA [TS-177] - Não funciona na bateria
Iniciado por Dhiraj Jadhir em
- 2 respostas
- 153 visualizações
-
SOBRE O ELETRÔNICABR
Técnico sem o EletrônicaBR não é um técnico completo! Leia Mais...

Posts em destaque
Participe agora da conversa!
Você pode postar agora e se cadastrar mais tarde. Se você tiver uma conta, faça login para postar com sua conta.