Pesquisar na Comunidade
Mostrando resultados para as tags ''carregador.''.
Foram encontrados 11 registros
-
Fala galera, estou com notebook dell inspiron 15-5510, com seguinte problema, ligo a fonte no notebook e ela desliga, ja testei jack e esta ok, e tambem ja troquei fonte e continua mesma coisa, alguem tem esquema pra me mandar?? ou me ajudar com esse problema? 213109-1 cyborg-n15 mb tgl new pd ptkx9$cb
- 11 respostas
-
- dell inspiron 15-5510
- dell
- (mais 17)
-
 resolvido Vaio Fit15 - 6-71-N50V0-D02 - desligando ao colocar carregador.
MSInfoHelp! postou um tópico em Casos resolvidos - Notebooks
Boa tarde, estou com esse notebook, e o mesmo desliga ao colocar o carregador intermitente, não consegui esse esquema, ao analisar o circuito de carga percebi um ligeiro aquecimento no local, mas precisamente no CI de charger e mosfets PQ4, PQ7 e PQ9, algo me chamou atenção nas tensões do PQ4... PQ4: Dreno: 19V, Source: 11.9V e Gate: 11.9V PQ7: Dreno: 19V, Source: 11.9V e Gate: 15.28V PQ9: Dreno: 11.9V, Source: 0v e Gate: 1.9V Alguma dica? Pode ser mesmo o PQ4 causador disso? A tensão de gate dele não deveria ser maior? -
 dúvida Asus X102BA - X102BA - nao liga e nem acende led ao conectar o carregador.
gomesjd22 postou um tópico em Treinamento Notebooks
Estou com o notebook Asus placa X102BA, que apresenta todas as tensões mas que nao liga.- 1 resposta
-
- placa morta
- notebook
- (mais 13)
-
 resolvido HP Pavilion 15t-bc000 DAG35AMB8E0 REV:E não liga se estiver só com carregador.
Donini II postou um tópico em Casos resolvidos - Notebooks
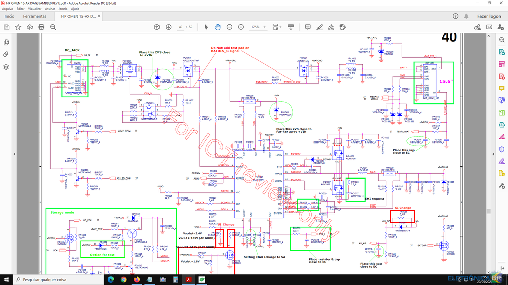
Mais uma vez, preciso da ajuda dos amigos para resolver esse note HP. Notebook só liga se estiver com bateria carregada, se tirar bateria e colocar só o carregador, acende o led do conector mas não liga, quando aperta o power pisca o led do conector. Troquei o ci de charge(PU1001) e dois mosfets AON7408(PQ1006 e PQ1007) vide imagens anexas. Não estou conseguindo identificar qual é o ci comutador, seria o PQ1001(AON6414AL) o comutador? Esquema: https://eletronicabr.com/files/file/34610-esquema-hp-omen-15-ax015tx-dag35amb8e0-rev-e/ -
 em análise Dell P11F Placa DAGM6CMB8D0 Rev.: D. Desarmando o carregador.
wizof36 postou um tópico em Notebook's
Este note desarma o carregador assim que plugamos. Com certeza é curto. Coloquei na assimétrica e deu um consumo absurdo (2,53) com 5V. Aquecem: PQ11, PQ12, PC191 e o Processador. Removi o processador e aparentemente sumiu o curto, ocorre que colocando outro processador, o curto volta! Vou postar em seguida o link do esquema. Vou precisar de ajuda! Obrigado. -
 devolvido Positivo Sim 7480-ECS MB40IA1- Não reconhece o carregador.
wizof36 postou um tópico em Notebook's
Este note entrou com defeito de ligar apenas pela bateria. Ao remover a bateria ou ao terminar a carga, mesmo colocando o carregador com ou sem a bateria ele não ligava. Após exame rápido descobri o PF1 com defeito, passando somente 8V em um dos lados, o outro normal 19V. Substitui este fusível e o notebook voltou a ligar com o carregador somente e além disto também voltou a carregar a bateria. Após carregar duas vezes até 100%, liberei o note. Dois dias depois voltou com o mesmo defeito. Só liga e se mantem ligado com a bateria carregada. Se plugar o carregador não carrega a bateria e nem liga o note. Desta vez o PF1 não estava aberto, está passando 19V para os dois lados e também chega os 3.3V pinos 3 e 4 do soquete da bateria. Sendo assim deveria carregar a bateria e inclusive ligar o note. O que pode ter acontecido, pifou o mosfete comutador??? -
 em análise Acer E1 571 - LA 7912P - liga com a bateria, mais nao liga com o carregador
Brunokijiloko postou um tópico em Notebook's
Ola, estou com uma placa la 7912p do notebook acer, e1 571. ela esta com o seguinte defeito. com a bateria o notebook liga normalmente, da pra usar, e tudo, apresentando todas as tensão. so que ao ligar o carregador, o carregador, desarma. e nao liga. ja verifiquei os capacitor proximo a entrada do VIN, e nao estão em curto. ja nao sei mais por onde olhar.4 os PQ9 E PQ10, ja retirei e coloquei o carregador, e continua desarmando. alguem tem alguma ideia de onde pode ser que este curto esteja. -
 dúvida Bateria de Lítio no BE600-BR - Esquema carregador.
ftrentini postou um tópico em Fontes & No-Breakes
Boa tarde! Tenho parados alguns BE600-BR (640-0258E) e quero equipá-los com bateria de lítio para um projeto pessoal, em minha residência. Fiz dois testes, com uma bateria montada no BMS em 3S e outra 4S, mas, como todos os no-break que eu faço isso, preciso eventualmente regular o carregador. Mas nesse no-break específico, o circuito do carregador parece ser controlado pelo processador, e não por um CI comparador, como o TL431. Tentei adquirir créditos para um download único, mas não consegui, teria que fazer uma assinatura VIP, que pra mim, não é interessante. Se alguém puder me ajudar com essa parte específica do circuito, eu agradeço. -
Trabalho com manutenção de notebook e desktop mas não tenho muito conhecimento na área da eletrônica, essa semana peguei um notebook DELL vostro 3560 que não estava ligando e quando conectava o carregador ele desarmava, realizando alguns testes identifiquei que alguns componentes estavam esquentando e principalmente um capacitor de cerâmica SMD, removi esse capacito e o equipamento parou de apresentar o curto e chegou a ligar. Minha duvida é se eu tenho que substituir por um do mesmo, se caso sim como eu consigo saber qual é a capacitância correta. Esse capacitor que removi fica próximo aos CI MOSFET PQ108 e PQ110 da placa mãe LA-8241P
-
 devolvido Dell Latitude E7440 - Compal LA-9591P - Aquecendo quando coloca o carregador.
anderhodel postou um tópico em Notebook's
Boa noite amigos! Este notebook esta esquentando quando colocamos a bateria, em ambas situações tanto com a bateria como apenas no carregador elas não esquentam, quando unidos a máquina vai a 80g° verificando o circuito vi que o gerenciador está largando 13V na linha geral, isto e normal? Já me dei mal num dell mais moderno que era mesma situação, troquei tudo que era componente e ele mandava esta tensão em toda linha, inclusive fiz reballing no processador mais complicado que existe e pasmem deu certo, mas depois de um tempo o problema volto novamente, mas sei que não foi o reballing pois estava assim antes. Agradeço a ajuda de qualquer tipo, muito obrigado fiquem com Deus.
SOBRE O ELETRÔNICABR
Técnico sem o EletrônicaBR não é um técnico completo! Leia Mais...
