Pesquisar na Comunidade
Mostrando resultados para as tags ''mobo''.
Foram encontrados 90 registros
-
Visualizar Arquivo Bios rom mobo h110 d4 Modelo: H110 D4 W210205001. Uploader Rodrigo Prevedel Enviado 12/08/2025 Categoria Diversos
-
-
 dúvida ipmh61p1 suporta ivy bridge?
Luizinware postou um tópico em Motherboards, PCs, All in One & Cia
Oi pessoal, Tenho uma placa-mãe ipmh61p1 da pcware quero fazer um upgrade de processador para uma i5 3470 . Vi que os processadores intel sandy bridge e ivy bridge têm o mesmo padrão de pinagem. queria saber se, a minha placa-mãe suporta os processadores intel de terceira geração (ivy bridge)? pois já fui no site da pcware e está fora do ar, mando e-mail e não tenho resposta atualmente minha versão de bios é 0302 alguém sabe tira essa duvida? -
 bios Positivo Mobo 5950 / MB ES10ISX / Rev C
Nycolas Schimid Palacio Borowski postou um tópico em Pedidos de esquemas ou bios de notebooks.
Estou com esse PC-Tablet do governo de Pernambuco, que está com acesso travado devido ao Intel TDS (theft deterrent server). Vi que existem diversas formas de destravamento, por software acessando os servidores da intel (não funcionou pois parece que já geraram uma senha para esse aqui e não lembram), soldando um novo chip Nuvotron (destacado na imagem abaixo). Mas como dá para notar na imagem, retirei o chip da BIOS pois uma das soluções também é regravar a BIOS com um .bin alternativo, inclusive já estou com o CHIP na Minipro (gravadora de eprom) mas ainda não consegui o arquivo certo. . Vou deixar mais fotos da placa caso ajude. Enfim, aceito qualquer arquivos de BIOS que tenha probabilidade de dar certo, já fiz o backup da original : D Agradeço desde já qualquer ajuda ! Edit: a referência da placa mãe estava embaixo desse metal: -
 resolvido Positivo Mobo 5950 MB ES10ISX Rev C acesso bloqueado pelo intel TDS
Nycolas Schimid Palacio Borowski postou um tópico em Casos resolvidos - Notebooks
Boa tarde, galera. Estou com esse pc-tablet do governo de Pernambuco para desbloquear e ficar "utilizável". Pesquisei bastante sobre já e vi que há basicamente 3 métodos de desbloqueio: - Acessando o servidor TDS da intel e inserindo algumas informações, mas esse método parece não ser definitivo e neste dispositivo específico não deu certo, não sei se porque o TDS 2014 da intel não funciona mais ou se fizeram uma senha de acesso pra essa máquina e perderam. - Trocando o chip Nuvotron da placa, o que necessita adquirir esse chip, esperar chegar e trocar, tá meio fora de cogitação - Regravando a BIOS com um arquivo alternativo que não faz a verificação de segurança no chip Nuvotron. <-- Essa é minha esperança, até já estou com o chip da BIOS na gravadora. Porém, não encontro o .BIN em lugar nenhum. Então venho pedir encarecidamente a ajuda de vocês para conseguir o arquivo e regravar a BIOS. Caso haja necessidade de mais algum informação é só falar. Obrigado desde já ! -
 bios Preciso da bios do Notebook Itautec Infoway A7420 mobo w240bu w251baq
Lucasm_bsc postou um tópico em Pedidos de esquemas ou bios de notebooks.
Estou com um notebook Itautec Infoway A7420 placa mãe W240BU/W251BAQ e preciso da bios. -
 dúvida Tablet do Governo Positivo Mobo 5900. Ele tá bloqueado, como faço o desbloqueio?
EduardoAlves25 postou um tópico em Tablet, Ipad
Já tentei colocar a bios de outro que tenho aqui desbloqueado e msm assim não foi. Já tentei pelo tds e não vai, só dá erro! Será que se eu comprar aquelas bios que vendem no mercado livre funciona? -
olá amigos, estou com essa placa na bancada e preciso da ajuda dos nobres colegas. tem a tensão de 19v, 5v, e 3v depois de precionar o botão de power aparece todas as outras tensões menos nas bobinas do vcore ja regravei a bios. nao aparenta curto na linha estou suspeitando que o pwm não esteja chaveando essas tensões ele é um rt8179b e nao tenho ideia de onde começar a testar ele.
-
 resolvido Acer Aspire A515-51-51UX MOBO C5V01 LA-E891P Não Liga
Querosergrande postou um tópico em Casos resolvidos - Notebooks
Olá amigos! Estou com o supracitado equipamento, que possui o botão de power no teclado. Verifiquei em algumas vezes que se o teclado estiver danificado, o equipamento não liga. Existe um curto nas pinagens do teclado do teclado que faz ele ligar, correto? Alguém saberia me informar quais pinos são esses? Gostaria de saber se realmente é o teclado, pois o equipamento parou de uma hora para outra. Grato -
 bios BIOS Placa mãe POS-EIB75CO ver 04.06.05.rom
João Brasil postou um tópico em Gerenciador de arquivos
Visualizar Arquivo BIOS Placa mãe POS-EIB75CO ver 04.06.05.rom Bios da minha placa mãe POS-EIB75CO ver 04.06.05.rom. Se alguém tiver uma versão mais recente ou uma placa igual essa de 'fabricante", geralmente EUP 2013 como essa placa tem a sua similar da ECS, to achando q é essa: B75H2-M3 V1.0. Alguém confirma? Se for tem uma versão mais recente que essa. Atenciosamente, Uploader João Brasil Enviado 20-09-2020 Categoria Positivo -
Visualizar Arquivo Positivo mobo 5950 Bios funcionando tirado de um notebook em bom estado Uploader Técnico Alan Rafael Enviado 17-10-2020 Categoria Informática
-
 bios BIOS DA MOBO IPMH61P1
iThorin postou um tópico em Pedidos de esquemas ou bios de MotherBoards e All-in-One.
Estou com uma mobo IPMH61P1 ela está com um problema que pode ser bug da bios (ou n) qnd ligo a placa demora um pouco para o cooler girar (tipo o cooler balança umas 2x)qnd liga começa a girar rapido demais fora que quando reinicio o pc tenho que trocar o pente de ram de um slot para o outro para poder dar tela, o antigo dono atualizou com uma bios da IPMSB-VH1 ainda assim continua com o mesmo problema, a data da bios é de 20/06/2012, queria saber se tem um arquivo mais atual assim vou atualizar e ver se é um bug ou defeito da placa mesmo. Agradeço desde já quem puder colaborar com a bios ou alguma solução. Essa é a bios que está no momento. Vou upar depois os videos de como tem que fazer para ela poder dar tela. -
 em análise Cce Win MOBO A14IMXX V1.0 DDR3- 71R-A14IM0-T810 não liga
jucalouco postou um tópico em Notebook's
Estou com essa placa na bancada ela não liga nada so encontro 19v. poderiam me ajudar ja tenho e esquema em mãos agradeço a ajuda de todos -
 bios atualização da bios da mobo ms-7267 ver: 4.5
Matheus Cristiano postou um tópico em Pedidos de esquemas ou bios de MotherBoards e All-in-One.
Bom dia, boa tarde ou boa noite. Antes de tudo quero me desculpar por qualquer erro na postagem desse tópico, e por erros ortográficos. ps: sou completamente leigo nesse assunto, então talvez eu fale algo que não faça sentido. bom, vou direto ao assunto. é o seguinte, tenho um pc fraquinho, com 4gb de ram, dual core 2.0ghz, gpu de 2gb e 2 hd, um hd de notebook de 300gb e outro hd de desktop de 250gb. minha placa mãe só reconhece 3,12 gb de ram. as 4 portas usb da minha mobo não funcionam. o celular carrega quando conecto nas portas usb da placa, mais não transfere dados. as portas usb tbm não reconhece mouse, teclado, pen driver, nada que conecta nele funciona. mais tem energia. depois de algumas pesquisas, eu vi que os 2 problemas poderiam se resolver com a atualização da bios. o modelo da minha placa mãe é a 945GCM5 V2 MS 7267 VER: 4.5 mais no cpu-z e outros aplicativos semelhantes, minha placa mãe aparece como se fosse a "POS-MI945AA" em "informações do sistema" também aparece. não sei se é possível a mobo funcionar assim, mais acho que minha mobo esteja com a bios errada, e talvez seja por isso ela tem esses problemas. então eu resolvi trocar a bios para a certa, fiz uma pesquisa no google sobre como atualizar a bios, (não sei como fazer isso) e procurei os arquivos certo. eu encontrei o arquivo aqui na eletronicabr, até então não conhecia o site. fiz o cadastro, e não consigo fazer o download do arquivo. o link do arquivo que eu estou tentando baixar é esse (se alguém tiver outro link por favor me mande): alguém pode me ajudar a baixar o arquivo? e se possível, algum link explicativo de como atualizar a bios da mobo ( sem ser pelo pen driver, pq meu usb não funciona, tenho uma placa pci-e com 4 portas usb, mais ela só é reconhecida depois que o Windows iniciou.) se tiver algum erro no tópico, eu peço desculpas. sou novo aqui e não conheço as regras do site. -
 resolvido Lenovo Mobo Nm-A751 Rev:1.0 defeito nao liga.
jucalouco postou um tópico em Casos resolvidos - Notebooks
Estou com esse notebook aki, que ele nao liga so achei 20v na entrada do pf101 e na sai tem 3.3v pl102 e pl101 tem 3.3v e o pq311 tem so 3.3v nos pinos 5.6.7.8 nois pino 1ao4 0v. Na bios tbem ta 0vts toda as bobinas 0v. Gostaria de uma ajuda de vcs -
 dúvida HP 15-ay009dx, LA-D704P Rev: 4.0, sem iluminação na tela com video no fundo
Pedro Costa777 postou um tópico em Notebook's
Boa tarde me chamo Pedro e estou com um problema em um HP 15-ay009dx, MOBO LA-D704P REV: 4.0. O mesmo esta sem iluminação no vídeo, porém já testei tela e cabo flat e não é nenhum dos dois, troquei memoria RAM e fiz o reset da BIOS e atualização dos arquivos de BIOS e também não resolveu. Ele continua funcionando perfeitamente com ligação de vídeo externo (via HDMI) porém ja comecei a ficar sem esperanças com o mesmo pois ha momentos em que ele volta a funcionar normalmente como se nada tivesse acontecido. -
 bios positivo mobo black 3060/DA0UW1MB8C0 REV:C
masternando postou um tópico em Gerenciador de arquivos
positivo mobo black 3060/DA0UW1MB8C0 REV:C Visualizar Arquivo BIOS Uploader masternando Enviado 05-04-2021 Categoria Positivo -
 resolvido Positivo Mobo M900 - DAIL1AMB6BO Rev: B - Sem vídeo
Alfar72 postou um tópico em Casos resolvidos - Notebooks
No primeiro momento não ligavam nenhum led, logo de uma limpeza e no momento de medição das tensões das bobinas apareceu o led vermelho e liga passando ao led azul mais mesmo assim não apresenta vídeo. 5 V nas portas USB mas quando ligo o mouse essa tensão cai e o led do mouse não liga, mas só nessa porta, a outra segue com 5 V. Alguma dica para onde posso seguir o diagnostico? -
MOBO Apm80 -D3
Pedro Henrique Rodrigues Medeiro postou um tópico em Motherboards, PCs, All in One & Cia
Ola boa noite, Tenho uma Apm80-D3 socket am3/am3+ 2 slots de memoria dimm ddr3 800/1600mhz 2slot pci 1slot pci1x 1slot pci 16x Processador amd phenom 4x 945t 2 memorias de 4 gb 1333mhz Problemas: pci express 16x reconhece uma placa antiga um geforce 8500 gt(2007) Mas não reconhece a gtx 660(2014) Creio que seja a bios pq reconhecu a placa com a bios de fabrica, troquei a bios com o indicado do proprio site da pcware, e nao fIz um backup do que veio, dai em diante nao reconhece mais. Tirei a placa fiz os testes com o multimetro em todos os circuitos da placa. E obtive alguns curtos(não certos pq conheço pouco de eletrônica, só o básico), não fiz o teste em outra mobo. So vou ter certeza de duas formas encontrando alguem que possa fazer o teste pra mim ou trocando a bios. Vcs podem me ajudar só com a bios pq o amigo mais proximo mora em duas cidades de diferença. E não tenho tempo pra ir la e fazer o teste. Desde já agradeço. -
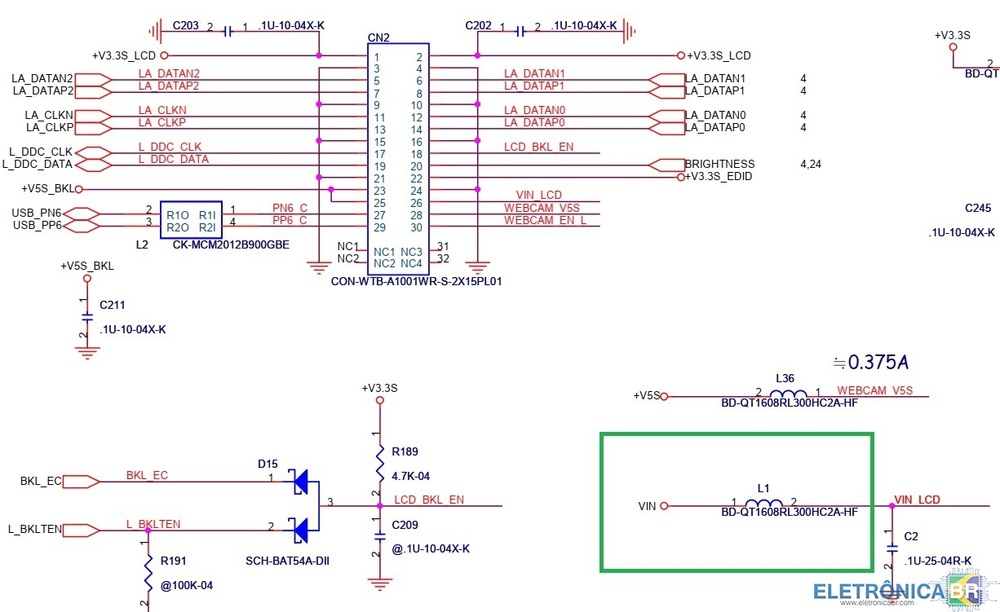
Boa dia! A placa já mencionada não dá vídeo na tela LCD, mas dá vídeo externo. Verifiquei que a bobina L1 por onde passa o VIN_LCD queimou ou foi arrancada e removeu um dos lados onde fica a solda, olhei o esquema como não domino o conhecimento eletrônico com profundidade peço ajuda para resolver esse problema. Existe continuidade do ponto da bobina que ficou na placa até o pino 26 do conector CN2. Vejam as imagens para que possam entender e me ajudarem
-
 em análise HP Pavillion G4 - Mobo DAR18DMB6D0 REV D não dá vídeo
juniopms postou um tópico em Notebook's
To com notebook Hp Pavillion G4 placa mãe DAR18DMB6D0 REV D que após atualizar a bios instalei o win 10 e no final quando reiniciou não subiu vídeo, só fica piscando o caps lock, troquei memória, tirei HD e nada, tirei a bateria do CMOS e ele ligou normal aí quando reiniciei e reconectei a bateria o problema voltou, será que foi a bios que deu problema? -
 em análise Positivo Mobo 5000, placa DA0UW3MB6D1 REV: D. Acende led, mais nao inicializa.
tecno2025 postou um tópico em Notebook's
Como faço para ligar essa placa, se botão de ligar quebrou, e qual o defeito dessa placa? https://youtu.be/52Fpt0qWvVM -
 devolvido Lenovo Ideapad 330-15IGM - EG431EG532FG5N2 NM-B661 Rev: 1.0 - Não liga
Querosergrande postou um tópico em Notebook's
Dia linda, semana maravilhosa queridos colegas de trabalho! Equipamento: Notebook Lenovo Ideapad 330-15IGM Placa: EG431/EG532/FG5N2 NM-B661 Rev: 1.0 Fabricação: 28 de Fevereiro de 2018 Chegou na semana passada para mim, um notebook Lenovo que o cliente disse ter parado de ligar após o seu cachorro ter mordido o fio do carregador. Entretanto, o fio do carregador não apresenta mordida aparente, mas apresentava um adaptador de DC Jack conectado ao macho do carregador PA-1450-55LB que EU ACREDITO ser original, mas a ponta não era igual a conexão do DC Jack do equipamento. ANÁLISE DA PLACA O equipamento trabalha com 20V de tensão e corrente máxima de 2.25A. Utilizando minha fonte assimétrica, injetei os 20V e uma corrente baixa e tentei aumentar até 1A. O comportamento é o consumo zero de corrente. Não consegui o esquema elétrico da placa e tentei ir fazendo as medições com a tensão de 20V injetada no DC jack e o segui até um MOSFET na entrada. Esse cara é um 6414A. Na entrada ele recebe os 20V e em seguida essa tensão desaparece. Acredito que seja por alguma questão de sinal do power, pois o botão de ligar desse equipamento fica no teclado e o sinal é conduzido através do cabo do mesmo, e fiz o teste isolado, sem remover o teclado da carcaça. Pelo fato de precisar estourar diversas travas de plástico na carcaça para remover o teclado, não gostaria de remover sem que os colegas aqui presentes julguem necessário. Fiz algumas medições no componente MOSFET 6414A, mas como estava bem perdido, procurei um equivalente e encontrei na minha sucata um 1516 e substituí. Mesmo sintoma de placa e sem êxito. Resumindo: Continuo perdido em como proceder! Alguém teria sugestões e poderia acompanhar o caso? Forte abraço, Jefferson Batista -
 resolvido positivo mobo 5950 / Es10is2 / bloqueado pelo intel theft
mauriciomaira postou um tópico em Casos resolvidos - Notebooks
estou com um netbook tablet do governo de pernambuco o positivo 5950 que é o modelo branco... foi formatado e após alguns dias apresentou o referido bloqueio... esxite algum meio de desbloqueio definitivo.. o intel theft deterrent agent nao bai xa os certificados e ele fica bloqueando após 10 inicialização... vi que aqui no forum tem uma bios modificada para o desbloqueio mas consta como do cce... serve para esse positivo tb? -
 dúvida Bios Notebook cce mobo 5000 ou 5950, Placa ES10is2
Yan Chester Portugal Miranda postou um tópico em Notebook's
Estou com um notebook citado acima com problema na bios, achei o arquivo .bin no site mas não sou autorizado a fazer o download. Gostaria de ajuda para obter o arquivo. O Link do arquivo esta abaixo Agradeço desde já.
SOBRE O ELETRÔNICABR
Técnico sem o EletrônicaBR não é um técnico completo! Leia Mais...
