Pesquisar na Comunidade
Mostrando resultados para as tags ''110v''.
Foram encontrados 24 registros
-
 doc Duvidas na alimentação. Placa da máquina de retrabalho.
DorCrônica postou um arquivo em Eletrônica
2 downloads
Tudo bem pessoal. Não, tenho muita experiência ainda. Comprei essa maquina de retrabalho no ML, não queria ter que devolver. Daí abrir, como curioso que sou. E acho que ela até funcionaria em 220v. Pq tem um capacitor de 400v. Alguém com mais experiência pode tirar essa dúvida. Tem fotos da placa dela anexada. Placa da máquina de retrabalho, queria mudar a entrada de 110v, para 220v. Já fiz isso em placa de fonte de um ps1 fat. Funciona normal. -
 doc Duvidas na alimentação. Placa da máquina de retrabalho.
DorCrônica postou um tópico em Gerenciador de arquivos
Duvidas na alimentação. Placa da máquina de retrabalho. Visualizar Arquivo Tudo bem pessoal. Não, tenho muita experiência ainda. Comprei essa maquina de retrabalho no ML, não queria ter que devolver. Daí abrir, como curioso que sou e acha que ela até funcionaria em 220v. Pq tem um capacitor de 400v. Alguém com mais experiência pode tirar essa dúvida. Tem fotos da placa dela anexada. Placa da máquina de retrabalho, queria mudar a entrada de 110v, para 220v. Já fiz isso em placa de fonte de um ps1 fat. Funciona normal. Uploader DorCrônica Enviado 28/07/2025 Categoria Eletrônica -
Olá, amigos, estou c um pepino aqui p resolver d um equipamento pessoal, esta impressora é 110V e foi ligada acidentalmente em 220V, pois bem aconteceu o previsto né kkkk, queimou o 1 capacitor, vários diodos, fusível e 1 transistor, todos foram trocados e mesmo assim ela não voltou a vida, não passa sinal p q a impressora ligue, o q pod ser? abaixo descrevo os componentes originais e os atuais por não ter encontrado iguais, na imagem em anexo circulado em vermelho tudo q foi trocado. *capacitor 200V/220uF original pelo 250V/220uF *transistor K8A50D original pelo K8A65D *fusível 127V/4A original pelo 250V/4A *diodos V6 35 original pelos 1N4007 (q não dei boa ao ligar já estouraram todos) posteriormente pelos UF4007 Mic (q não estouraram e falaram ser o q daria certo aq em uma loja d componentes)
- 9 respostas
-
- impressora
- etiquetas
- (mais 13)
-
 dúvida Estação de solda - Yaxun 902+ 110V 220V
Matheus NetWorks postou um tópico em Estações de retrabalho BGA, Perfis e Treinamento
Pessoal, estou procurando uma Yaxun 902+ para comprar, porém só encontro em 110V e a minha rede é de 220V, teria algum problema usar um estabilizador para alimentar a estação?- 5 respostas
-
- estação de solda
- yaxun 902+
- (mais 6)
-
 dica Fonte ps4 adp240ar em 110v liga e desliga em 1 segundo e em 220v as vezes funciona!
CarlosSLVR postou um tópico em Casos resolvidos - Vídeo Games
Defeito fonte ps4 Adp-240ar ligada em 110v liga o ps4 acende luz azul e logo desliga coisa de mais ou menos um segundo e nao liga mais pelo botao do ps4, tem que desligar da tomada e ligar de novo e aí apresenta o mesmo problema novamente! Se ligar em 220v ela funciona porem as vezes apresenta o problema tambem! Descobri uma alteraçao no valor de um dos resistores R18, R19 e R20 circulados na foto, eles sao ligados em serie com valor de 2Mohm cada! Um deles R19 estava dando 1,76 Mohm pra testa-los na placa eu tive que fazer um pequeno corte na trilha que os interliga, retirei ele da placa e testei fora e aí o valor estava normal novamente! O problema era aquela cola vermelha que tem em baixo desses resistores que depois de um tempo essa cola começa a alterar o valor deles que sao de resistencia alta! Retirei da placa todos os resistores circulados em vermelho na foto (R18, R19 e R20 = 2Mohms), (R23, R24 e R25 = 2,7Mohms)! Removi toda essa cola vermelha que fica em baixo deles e após conferir os valores de cada resistor fora da placa tudo ok, eu os retornei na placa e a fonte passou a funcionar normalmente! -
 dúvida Intelbrás XNB 1440VA Bi - Só liga em 110V
Sperotto postou um tópico em Fontes & No-Breakes
Pessoal Recebi esse nobreak bivolt funcionando somente em 110V (aqui a rede é 220V). Quando ligo em 220V o transformador ronca alto e a proteção é acionada. Não encontrei o esquema e não tenho certeza de qual setor é responsável pela seleção automática. O que pude fazer foi verificar os relés... Sem sucesso Modo inversor está normal. Segue fotos da placa Grato -
 esquema Polar wp1000 110v
sergiodance postou um tópico em Pedidos de esquemas para Fontes e Nobreaks
Olá, teriam o esquema do bebedouro polar wp1000? -
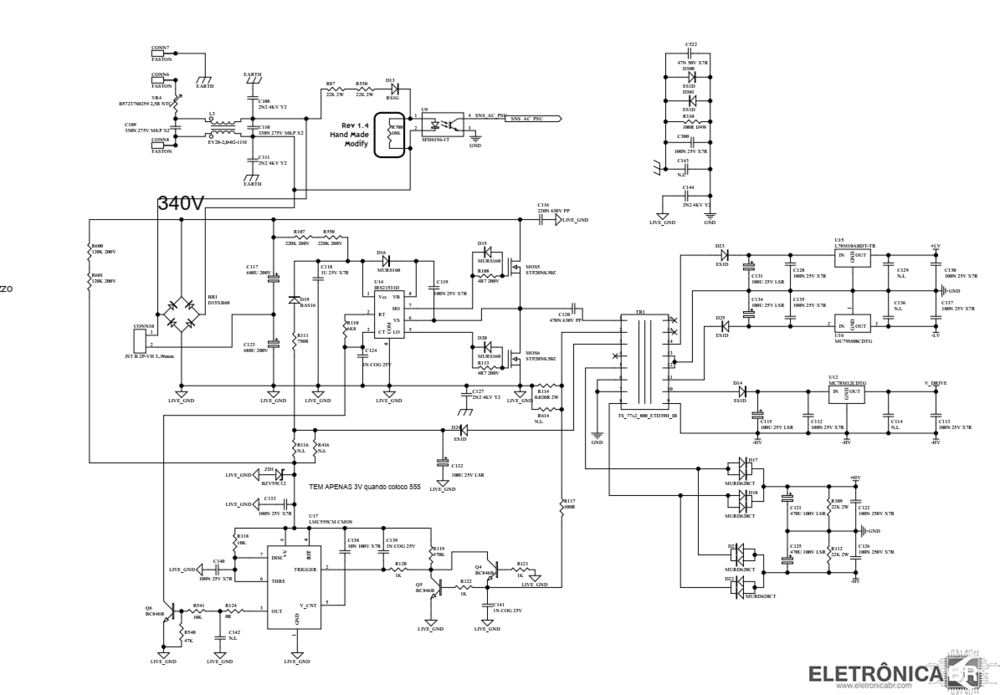
 resolvido Caixa Ativa RCF -ART715 -LIgada em 220V com chave em 110V
Jorge Perpetuo postou um tópico em Casos resolvidos -Ap Som, GPS, Gadgets e Tecnologia
Boa noite ,estou com essa caixa que foi ligada em 220V com chave em 110 estou com perrengue aqui Estou com problema na fonte que alimenta o u17 (555) quando coloco 555 fonte cai para 3V quando retiro U17 os 12v aparecem (Já troquei 555 t) Tenho 340V no capacitor C117, r600 e r601 estão marcando 120k ou seja estão boas ,se elas tivessem alteradas poderia causar problemas Troquei os Q4,Q5,Q6 não estão soldados na placa U14 e mosfet Não tem nada em curto Estou fazendo algo errado?já peguei essa caixa outras vezes sempre deu certo trocando as peças ,não é uma fonte problemática -
 dúvida No-Break Force Line Max Security 700VA - Bivolt (Não Funciona em 110V)
Icaro P Rnkovic postou um tópico em Fontes & No-Breakes
Olá pessoal, estou com um no-break force line bi-volt na bancada que entrou não ligava nada. Arrumei uma trilha que estava rompida, troquei 1 rele de 12V que não estava funcionando e agora o mesmo funciona normal em modo bateria e rede, porem não consegue reconhecer a rede 110V e quando da o tempo da bateria o mesmo desliga, já em 220V funciona normal. Testei os transistor e diodos dos reles e estão normais. Efetuei a troca do LM324 e nada resolvido Alguém teria alguma dica?-
- resolvido (finalizado)
- no-break
- (mais 7)
-
Tenho uma fonte ac entrada 110v 220v saída retificada 390v dc qual circuito eu consigo intregar nela para ajusta a tensao de 6v a 60v
- 1 resposta
-
- como fazer uma fonte ajustavel
- tenho
- (mais 14)
-
 dúvida NoBreak SMS Legrand - Mirage 2kVA 110v - Circuito de carregamento das baterias apresentando falha.
gff311200 postou um tópico em Fontes & No-Breakes
Bom dia, Solicito ajuda dos colegas, estou com um nobreak SMS Legrand Mirage 2kVA 110v, cliente se confundiu ao ligar o nobreak e injetou uma tensão de 220v, causando carbonização de componente do circuito de entrada da placa, após limpeza e troca dos componentes danificados o nobreak voltou a receber tensão de entrada normalmente, equipamento ligou e aprensentou tensão de saída, porém o autoteste dele indentificou uma anomalia no circuito de carregamente, aprensentando o erro " CH ! " no display, após verificar o manual do equipamento identifiquei que esse erro se rerefe ao mal funcionamento do circuito de carregamento das baterias... Não encontrei esquema elétrico desse equipamento em nenhum lugar, a placa desse equipamento é bem complexa e como tenho pouca experiencia na area de nobreaks eu não consegui identificar o circuito de charger, se algum colega com mais experiencia em análise sem esquema puder me dar uma luz eu já estou sofrendo com esse equipamento a uns 4 dias e não consegui realizar o reparo... Alguns teste que fiz... Modo BYPASS, funcionou perfeitamente, então a energia de entrada ta passando corretamente pra saída !! Removi as baterias e injetei tensão de entrada de 110v porém o mesmo não liga, nem sequer o display, como se não tivesse energia... Ao plugar a o cabo positivo da bateria no conector da placa, acontece um chispa muito forte, mas ao lado do mesmo tem um capacitor grande, acredito que pode não ser um curto, porque ao encostar a primeira vez acontece a chispa e se enconstar a segunda vez nada acontece, então e como se tivesse carregando o capacitor quando encosto no conector da placa o cabo da bateria ... Testei o MOSFET IRF640N e ele aprensentou bom funcionamento, fiz os tentes sem aplicar tensão, desoldei da placa e fiz os teste de continuidade do mesmo usando um multimetro digial, também fiz teste nos 4 MOSFET's IRFP4227, da mesma forma que o mosfet anterior e os mesmo aprensentaram bom funcionamento ... Estou anexando fotos da placa para que tenham alguma referencia, também vou anexar o manual da fabricante... MANUAL: https://www.sms.com.br/download/ZG93bmxvYWRzLzIxNTc2Yy1tYW5jb21wbGV0by1kb3ZpMDQ0NjQwLWV0LTAwMjM2NjAtMDYtc2l0ZS5wZGY -
 dúvida Estação de retrabalho 701b 110v
Reports _zRedArkeiro_ postou um tópico em Estações de retrabalho BGA, Perfis e Treinamento
Olá, eu comprei uma estação usada e ela não está esquentando o soprador, ele sai vento mas não esquenta, o bico de solda esquenta normal, fui verificar a placa, e nela não tá chegando nenhuma energia no componente que vai pro bico do soprado, alguém pode me ajudar? VID_20241201_233107.mp4- 2 respostas
-
- estação
- retrabalho
-
(mais 2)
Tags:
-
Visualizar Arquivo Projeto inversor de tensão DC/AC 600watts 12VOLTS 110V 220 (.DPCB) PCBDROID! !! FOTOLITO! !! Projeto conversor dc-ac 110V 220volts. Inversor 600watts. Fotolitos pdf + projeto do pcbdroid (.dpcb) Pcbdroid 2.0.7. Uploader Pablo Aby Enviado 18/06/2024 Categoria Montagens, projetos e afins
-
 esquema SMS Legrand - Mirage 2kVA - 110v
gff311200 postou um tópico em Pedidos de esquemas para Fontes e Nobreaks
Boa tarde, solicito o esquema elétrico do nobreak SMS Legrand Mirage 2kVA 110v, está acusando problema no circuito de carregamento da baterias, preciso do esquema elétrico para tentar idenficiar o problema ! Referencia na placa 16-303145-01G (A). -
 dúvida Circuito de partida suave 110v para motor monofásico de makita 14A
Joao GuiP postou um tópico em Eletrônica em Geral
Bom dia/ Boa Tarde/noite Pessoal, eu emprestei minha esquadia MAKITA para um familiar (não escolhemos família) e ela voltou sem funcionar. Como estou sem grana resolvi abrir para ver se conseguia identificar o problema e me deparei com esse componente com um furo estranho, como se algo tivesse esquentado e queimado o plástico de proteção. Na net esse circuito tem o nome de "Circuito Flex De Ign 110V - 631612-4 - MAKITA", esse foi o máximo de informação que consegui. Vocês conseguem me dar uma orientação se é possível montar um circuito desses em uma ida à santa Efigênia ou devo desistir e comprar o caríssimo circuito da Makita mesmo. -
Entrou na nossa assistência esse nobreak. Ele entrou que apitava sem parar quando ligasse na rede, e não desligava... o led do painel ficava alternando entre azul e vermelho. Medindo os relés, todos estavam bons... parti para medir os BCs 337 e 327, achei um estragado, o Q3, já troquei. Suspeitei do LM358 e troquei também. A partir daí, ele passou a desligar quando se aperta o botão do painel, e agora não acende mais o led vermelho, mas o azul fica piscando e apitando, embora a saída de 110 esteja saindo normal. Vi noutra postagem que sugeriam checar fuga em diodos, mas isso me parece bem difícil... nesse caso vocês trocam todos ? Se alguém tivesse o esquema, poderia me orientar como conseguir ? Grato desde já...
-
 dúvida Conversão de circuito de 110v para 220v, testador de diodo zener.
BlackDiamond postou um tópico em Eletrônica em Geral
Conversão de circuito AC110V para AC220V, preciso converter esse circuito pois minhas tomadas são todas 220v e não quero comprar um transformador 110 para 220v então , com os componentes certos eu posso ligar o testador no 220V. -
Grande parte dos equipamentos eletrônicos e eletrodomésticos utilizados no cotidiano oferece a opção para ligação de 110 ou 220 volts. Saiba quais são as diferenças entre elas e outras curiosidades Na hora de comprar um novo aparelho elétrico, é comum nos depararmos com especificações que mostram diferentes voltagens nos detalhes técnicos do produto em questão. 110V e 220V são as que, atualmente, são adotadas em todo o território nacional. Há ainda os aparelhos bivolt, aqueles que aceitam dois tipos de tensão. Mas o que explica a existência desses três tipos de voltagem? E quais são as principais diferenças entre elas? O Showmetech te conta essas e outras curiosidades nesta matéria. A origem dos 110V e 220V Eventualmente, você já deve ter viajado para outras cidades do Brasil em que as tomadas tinham uma tensão diferente das que você estava habituado a utilizar, ficando dessa forma sem poder usar o secador de cabelo, o barbeador ou até mesmo o carregador da bateria do seu smartphone. Mas por que há essa variação? Para responder essa pergunta, é preciso voltar um pouco no tempo. No final do século XIX e início do século XX, período no qual a rede elétrica passou a ser instalada no país, diversas companhias que existiam por aqui passaram a tomar conta de cada região do Brasil. Isso significa que não houve uma convenção sobre a energia elétrica na época, permitindo que cada concessionária seguisse influências do seu país de origem. Por exemplo, nos Estados Unidos, o 110V sobressaía, e as regiões brasileiras que tiveram influências dos americanos, como o Sudeste, optaram por esse tipo de potencial elétrico. Poucos foram os casos de concessionárias que adotaram as duas tensões em uma mesma instalação. As escolhas dos métodos que seriam utilizados foram feitas levando em consideração, principalmente, a economia e segurança que um sistema poderia apresentar em relação ao outro. A distribuição de energia elétrica tende a ficar mais barata com transformadores e fiação de postes no 220V. Apesar disso, o 110V é uma opção mais segura, sendo por este motivo a mais utilizada no país. Atualmente, o continente americano inteiro usa mais 110V, enquanto que Europa, África e Ásia optam em sua maioria por 220V. Há diferença entre as tensões? Apesar dos diversos mitos existentes, não há diferença técnica entre as duas tensões. Basicamente, a única diferença entre ambas as tensões está relacionada às instalações elétricas, ou seja, o que difere o uso de 110V e 220V é o dimensionamento dos componentes da instalação elétrica. Uma instalação em 220V permite que os fios que atravessam os cômodos de uma residência sejam mais finos do que os utilizados em instalações de 110V. Isso significa que não há uma diferença técnica entre as duas tensões. O desempenho dos aparelhos será exatamente o mesmo, independentemente se ele estará conectado a uma tomada de 110V ou 220V. Muitas pessoas acreditam erroneamente que aparelhos de tensão 220V consomem menos energia — há quem também pense que o gasto será maior — quando comparados aos de menor tensão. O consumo de energia elétrica depende exclusivamente da potência (em Watts) e do tempo de uso do equipamento. Casas e apartamentos que possuam tensão 110V ou 220V têm o mesmo desempenho e consumos idênticos de energia. Qual delas é a mais segura? Novo padrão brasileiro de tomadas diminui o risco de choques elétricos em residências. Segundo especialistas, levar um choque em uma tomada de 220V é duas vezes mais perigoso, simplesmente pelo fato desta tensão ser o dobro da outra. Sendo assim, se você procura por uma maior segurança, a melhor escolha será adotar a tensão de 110V. No entanto, com a implantação do novo padrão de tomadas no Brasil, esse risco diminui significativamente. Os novos plugs tornam praticamente impossível que o consumidor leve um choque ao colocar equipamentos na tomada. No entanto, é preciso ficar atento quanto à tensão fornecida pela tomada e à aceita pelo aparelho eletrônico. Se seu aparelho for bivolt automático, não há o que se preocupar, pois existe um circuito eletrônico protetor que detecta e opera na tensão da tomada. Na maioria dos casos, os aparelhos bivolt automáticos funcionam em tensões de 100 a 240 volts. O problema é conectar um aparelho em uma tensão acima da suportada por ele. Quando ligamos um aparelho de 110V, por exemplo, em uma tomada de 220V, ele irá queimar por não estar preparado para aquela tensão elétrica. Nesse caso, será necessário utilizar um transformador de tensão. Eles irão converter os 220 volts de tensão da tomada para os 127 volts de tensão aceitos pelo seu aparelho. Por outro lado, ligar um aparelho de 220V em uma tomada de 127 volts não ocasionará danos ao aparelho, no entanto, ele não funcionará corretamente, ou seja, com menos força, como é o caso de um ventilador ou chuveiro elétrico, por exemplo. Já em casos que envolvam aparelhos digitais, o mais provável é que eles nem sequer liguem, por não haver “força” suficiente que permita o funcionamento pleno do equipamento. Mas e o 127V? Como você percebeu ao longo da matéria, utilizamos 110V para nos referirmos a uma das tensões existentes no país. No entanto, a tensão nominal de 110V não é mais utilizada há alguns anos, justamente por não ser mais reconhecida pelo governo brasileiro, já que em dezembro de 1999 todas as concessionárias de energia precisaram substituir as redes em 110V para o sistema padrão de 127V ou 220V. Porém, como a linguagem popular compreende 127V como 110V, utilizamos deste termo, afinal, o importante é se fazer entender por todos. No entanto, ainda há equipamentos mais antigos que operam na tensão extinta de 110V. Mas, afinal, é seguro utilizá-los numa tensão de 127V? Essa é uma dúvida que gera confusão até mesmo ao realizar rápidas pesquisas no Google, já que respostas bem controversas a respeito do assunto são exibidas no buscador. Para esclarecer essa questão de uma vez por todas, o Showmetech conversou com o engenheiro eletricista e professor da UNIFTC, Henrique Correia Santos. Segundo o especialista, o uso de aparelhos projetados para operar em 110V em redes de 127V pode sim diminuir a vida útil dos equipamentos. É ainda preciso ter cuidado, pois o uso contínuo pode comprometer a parte elétrica do imóvel, ocasionando eventuais problemas, como quedas de energia, disjuntores desligando e até mesmo curtos-circuitos. A melhor dica para evitar frustrações e até mesmo incidentes é estar sempre atento aos detalhes sobre energia e tensão apresentados pela ficha técnica dos equipamentos. Além disso, manter uma manutenção periódica na rede elétrica da residência ajuda na vida útil dos aparelhos utilizados no imóvel. A diferença entre tomadas de 10A e 20A O uso correto do padrão de tomadas é importante para evitar acidentes e perdas de equipamentos domésticos Como dito anteriormente no texto, em vigor desde 2011, o novo padrão de tomadas do país trouxe algumas mudanças e foi responsável por permitir uma maior segurança no uso de equipamentos elétricos em ambientes residenciais, comerciais e industriais. Entre as novidades estão os dois modelos de tomadas disponíveis por aqui: 10A e 20A. O padrão 10A é mais fino e possui plugues e tomadas com 4mm de diâmetro. No geral, as tomadas neste padrão são utilizadas para alimentar equipamentos como eletrodomésticos, computadores de baixo e médio desempenho, carregadores e TVs. Neste modelo, a potência máxima permitida em 127V é de 1270 W, e para 220V a potência máxima suportada é de 2200 W. Já no caso de equipamentos mais potentes, que exigem uma carga reforçada para funcionar, como é o caso de aparelhos de ar-condicionado, secadores de cabelo profissionais e máquinas de lavar roupa, tomadas de 20A se tornam necessárias. Elas possuem plugues e orifícios mais grossos, com 4,8mm de espessura, e uma maior capacidade de transmitir energia com segurança. Nessas tomadas, a potência máxima permitida em 127V é de 2540 W, e para 220V, a potência máxima é de 4400 W. As diferenças nos tamanhos dos componentes também foram pensadas para evitar possíveis acidentes durante o uso de equipamentos elétricos. Dessa forma, evita-se que se conecte um plugue de 20A em uma tomada de 10A, prevenindo superaquecimento nos fios e riscos de incêndios. É ainda preciso estar atento com a espessura dos fios condutores da tomada. Caso os cabos sejam muito finos, pode ocorrer um sobreaquecimento nesse cabo. Confira abaixo a espessura ideal para os cabos: 1,5 mm²' ====== 15,5 ampères 2,5 mm² ====== 21,0 ampères 4,0 mm² ====== 28,0 ampères 6,0 mm² ====== 36,0 ampères 10,0 mm² ====== 50 ampères É importante que o projeto elétrico do imóvel contemple os dois padrões de tomadas. É possível utilizar equipamentos de 10A em tomadas de 20 A sem maiores problemas. No entanto, o contrário não deve ser feito em hipótese alguma. Portanto, mesmo que haja a necessidade, jamais utilize adaptadores para utilizar equipamentos que necessitam de 20A em tomadas de 10A. A voltagem nos estados e cidades Confira a tabela com as voltagens utilizadas nas principais cidades do país Como explicamos no início do texto, atualmente existem diferentes tensões entre as cidades brasileiras porque a rede elétrica foi implantada por diferentes empresas sem um padrão no começo do século XX, Isso nunca foi padronizado porque o custo seria muito alto. Abaixo, é possível conferir uma tabela com as voltagens utilizadas em diversos estados e cidades do Brasil. ESTADO ===== VOLTAGEM NAS PRINCIPAIS CIDADES ACRE ===== 127V – Rio Branco, Cruzeiro do Sul e demais cidades ALAGOAS ===== 220V – Maceió, Maragogi, São Miguel dos Milagres e demais cidades AMAPÁ ===== 127V – Macapá e demais cidades AMAZONAS ===== 127V – Manaus, Parintins, Tabatinga, Tefé e demais cidades BAHIA ===== 127V – Salvador, Ilhéus, Itacaré e Feira de Santana 220V – Porto Seguro (Caraíva, Trancoso e Arraial d’Ajuda), Morro de SP e Praia do Forte CEARÁ ===== 220V – Fortaleza, Jericoacoara, Canoa Quebrada, Aquiraz, Juazeiro do Norte e demais cidades DISTRITO FEDERAL =====220V – Brasília e demais cidades ESPÍRITO SANTO ===== 127V – Vitória, Vila Velha, Guarapari, Conceição da Barra, Colatina, Itaúna e demais cidades GOIÁS ===== 220V – Goiânia e demais cidades MARANHÃO ===== 220V – São Luís, Barreirinhas, Alcântara e demais cidades MATO GROSSO ===== 127V – Cuiabá, Chapada dos Guimarães, Nobres e a maioria das cidades MATO GROSSO DO SUL ===== 127V – Campo Grande, Bonito, Corumbá e demais cidades MINAS GERAIS ===== 127V – Belo Horizonte, Ouro Preto, Mariana, Tiradentes, Diamantina, Juiz de Fora, Uberaba, Caxambu, São Lourenço, Monte Verde, São João del Rei e a maioria das cidades 220V – Uberlândia e algumas outras cidades PARÁ ===== 127V – Belém, Santarém, Marabá, Alter do Chão, Altamira e demais municípios PARANÁ ===== 127V – Curitiba, Foz do Iguaçu, Cascavel, Ponta Grossa, Ilha do Mel e a maioria das cidades 220V – Rio Negro e Guarapuava PARAÍBA ===== 220V – João Pessoa, Campina Grande e demais cidades PERNAMBUCO ===== 220V – Recife, Porto de Galinhas, Olinda, Fernando de Noronha, Tamandaré, Petrolina e demais cidades PIAUÍ ===== 220V – Teresina e demais cidades RIO DE JANEIRO ===== 127V – Rio de Janeiro, Niterói, Búzios, Cabo Frio, Arraial do Cabo, Ilha Grande, Angra dos Reis, Paraty, Trindade, Petrópolis, Teresópolis e a maioria das cidades 220V – Nova Friburgo RIO GRANDE DO NORTE ===== 220V – Natal, Tibau do Sul (Pipa) e demais cidades RIO GRANDE DO SUL ===== 110V – Porto Alegre, Rio Grande, Canoas, Torres e alguns outros municípios 220V – Gramado, Canela, Caxias do Sul, Bento Gonçalves, Bagé, Pelotas, Uruguaiana e outros municípios RONDÔNIA ===== 127V – Porto Velho, Vilhena, Guajará-Mirim e demais cidades RORAIMA ===== 127V – Boa Vista SANTA CATARINA ===== 220V – Florianópolis, Balneário Camboriú, Joinville, Blumenau, Bombinhas e demais cidades SÃO PAULO ===== 127V – São Paulo, ABCD, Guarulhos, Campinas, Guarujá, São Vicente, Praia Grande, Ilhabela, Ubatuba, Brotas, Ribeirão Preto e a maioria dos municípios 220V – Santos, Jundiaí, Bertioga, Caraguatatuba, São José dos Campos, Mogi das Cruzes, Vinhedo e algumas outras cidades SERGIPE ===== 127V – Aracaju e a maioria dos municípios TOCANTINS ===== 220V – Palmas e demais regiões, incluindo Jalapão fonte: showmetech
-
Ola pessoal estou com o nobreak KEOR BR 6KVA AUTO em bancada , ele chegou com os erros FLE 68 56 00 entramos em contato com a SMS LEGRAND e adiquirimos o SOFTWARE tiramos os erros porem agora o carregador dele esta com 207V supeito que essa tensao seja apenas das baterias e ele nao estaja carregando antes de fazer a limpeza dos erros a tensao era de 227V pegando o pino negativo e positivo da baterias, as baterias velhas sao de 2019 e estao bem carregadas por isso comprova que antes da limpeza de erros o carregador estava operante, ele funciona tudo entrada saida inversor porem so a tensao de carregamento esta entre 206v e 207
-
Gostaria de saber se ao trocar a placa- fonte de 110V para 220V também preciso trocar a placa lógica. A impressora é uma Samsung ML-1610 110V. Grato.
-
Conversão de circuito AC110V para AC220V, preciso converter esse circuito pois minhas tomadas são todas 220v e não quero comprar um transformador 110 para 220v então , com os componentes certos eu posso ligar o testador no 220V.
-
 dica nobreak pinto tower SUA 3000 rack 640-0800g 110v nao carrega bateria
Madmax Monteiro postou um tópico em Fontes & No-Breakes
nobreak sua 3000 ent 110v foi ligado em 220v por engano e desarmou disjuntor de entrada imediatamente porem parou de carregar bateria após este incidente tensões de 12v 24v e -9v normais ,auto teste normal , funcionamento em bateria ou em rede normal porem tensão de carga de bateria não passa de 51v mesmo desconectando as baterias do rack. alguém tem alguma dica a respeito . grato
SOBRE O ELETRÔNICABR
Técnico sem o EletrônicaBR não é um técnico completo! Leia Mais...
