Pesquisar na Comunidade
Mostrando resultados para as tags ''carregador' ou '''.
Foram encontrados 238 registros
-
CARREGADOR DE BATERIA GAL 18-20V Visualizar Arquivo Pessoal alguem tem o esquema desse carregador, ou pode me ajudar? Ele nao tem tensao no secundário Uploader JJEF Enviado 27/11/2025 Categoria Diversos
-
- carregador
- bateria
-
(mais 1)
Tags:
-
-
- carregador
- bateria
-
(mais 1)
Tags:
-
fala gente, alguém já pegou esse defeito ? ja regravei a bios, a bios do i/o usando a svod4. c.i de charger substituir por um novo, tenho tensao no botão power, ao preccionar ele vai a nivel logico baixo. ja olhei no i/o e não achei nada diferente. help
-
 esquema Carregador de Bateria DeWALT DCB107 Parte 1
Thenno postou um tópico em Gerenciador de arquivos
Visualizar Arquivo Carregador de Bateria DeWALT DCB107 Parte 1 Curva Rastre Curve Lite Carregador de Bateria DeWALT DCB107 Parte 1 Uploader Thenno Enviado 11-11-2022 Categoria Curvas - Rastre Curve- 4 respostas
-
- 5
-
-
-
- carregador
- bateria
-
(mais 3)
Tags:
-
Boa tarde! Estou com um carregador de bateria automotivo da Force Line modelo 248 B093 (aquele com carcaça plástica, retangular). Pois bem, não encontro o esquema dele na internet. Alguém teria? Acontece que o R12 queimou... não tem como identifica-lo. Coloquei um de 10K... e também queimou. O problema dele foi que as garras se tocaram quando estava ligado. Se alguém puder ajudar, agradeço desde já! Obrigado.
- 12 respostas
-
- carregador
- bateria
- (mais 5)
-
 resolvido carregador asus 19v 2.37a 45w voltagem da saida caindo
Marcelo Leal Lemos postou um tópico em Fontes & No-Breakes
amigos, estou com uma dor de cabeça cruel aqui, eu nem deveria perder tanto tempo nisto mas e questao de retrabalho que voltou, e um carregador asus de 19v 2.37a 45w que ele apresenta voltagem normal na saida 19v e se eu aplicar uma carga nele de 2.3a ele aguenta normal, logo se eu apenas plugar ele no notebook mesmo com o aparelho desligado e sem consumo a voltagem de saida cai para 10v e no osciloscopio a saida do carregador indica pulsos espaçados, o notebook funciona normal sem problemas com outro carregador, vejam vodeo. ja me aconteceu similar com um carregador de acer que tive que trocar por outro mas este e retrabalho de garantia e nao posso trocar ele. WhatsApp Video 2025-10-02 at 4.41.14 PM.mp4- 3 respostas
-
- carregador
- asus
- (mais 4)
-
 devolvido Lenovo ideapad 310 15isk nm-a752 - não liga no botão, somente se tirar a bateria e colocar o carregador
andrehenrique123 postou um tópico em Notebook's
meu notebook não liga mais com o botão power, ele só liga se eu remover a bateria CMOS e a bateria do notebook por 10 minutos, e ao colocar o carregador ele se liga sozinho. Estou em duvida se o problema é na bios, porque o problema apareceu dias depois que eu atualizei a BIOS. e pra piorar a tela dele parou de funcionar -
 dúvida Acer 4349 2839 não carrega com carregador novo acer, só com universal
samwelsennen postou um tópico em Treinamento Eletrônica
Resumindo, só tá carregando no carregador universal, quando coloco o da acer que comprei agora, a tensão cai e não carrega cai para 12.2v, e fica oscilando, já com o universal fica em 18.9 e carrega a bateria normalmente. Não tenho certeza sobre esse mosfet. pode nem ser.. O novo que comprei tá batendo 19,45v, e o universal 19,6, então abri o note e vi que tem esse componente. BA2D1G, próximo a entrada da bateria, com certeza dentro do circuito de alimentação. Não consigo achar o datasheet desse mosfet. Só sei que tá dando continuidade entre o dreno e source e vice versa, nesses pinos largos, e entre o pino menor que talvez seja o gate, tá dando 067 de resistencia entre o dren, e também no source. Alguém saberia o datasheet dele, e qual substituto? -
 dúvida Ts shara powerups 700 bi placa TS-134 carregador chegando a 17v
jorge kist postou um tópico em Fontes & No-Breakes
Ola, peguei esse nobreak com os inversor estourado, troquei os 2 mosfets por dois irfb3306, também o capacitor C22 (1000uf 35v) por um 1000uf 50v que estava estufado O nobreak ficou funcionando normal, porém quando coloquei carregar a bateria, percebi que a tensão de carga foi subindo até beirar os 17v. Sem aquecimento da bateria nem nada... Porém creio que não seja normal... Algum componente que eu possa averiguar a mais? Grato desde já -
Boa noite. Estou com esse notebook Lenovo Ideapad 3 15ITL6. Ele não dá video e fica piscando o led do power. As bobinas tem 5v e 3.3v, as bios tem alimentação, o processador aquece, ventoinha gira. Ao ligar na fonte ele começa a consumir como se estivesse ligando, mas não dá imagem. Já regravei as bios e fiz uma verificação visual, não achei nenhuma anormalidade. Alguma dica por favor?
-
 devolvido Dell Inspiron 5547 / MB LA-B012P / Não carrega bateria / aviso de carregador não identificado
braucksdiego postou um tópico em Notebook's
Olá amigos, tudo bem? Estou com este dell em bancada, testado com várias fontes originais, não identifica o carregador, PQ6 e PQ5 normais, resistores ao redor normais, o que eu fiz ate agora foi medições no circuito, regravei o EC e troquei PQ6 mas nada. Algum amigo poderia me ajudar? Suponho que o sinal PS_ID tenha que ter 3.3v ja que ele vai ao EC e tem um resistor de pull-up com os 3.3alw na linha deste sinal. aguardo a ajuda de voces, desde ja obrigado -
 dúvida Carregador 24V Freedom 2001 5A voltagem oscilante.
paulomauriciopaim postou um tópico em Fontes & No-Breakes
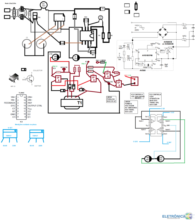
Fala pessoal, boa noite, estou aqui na bancada com o carregador 24V Freedom 2001 5A voltagem oscilante. O quê acontece: Foram substituidos os componentes ruíns da fonte primária Q3, Q4 estourados, diodos ultra, capacitores, resistores como marcado de vermelho da foto. Substituir o LM324 e o TL494 por novos! No secundário encontrei substituir um cooler em curto e assim o Q8 que alimenta o cooler ruim. A fonte voltou a ligar com observação: O led de 3 cores piscando o verde e a voltagem de 24+ oscilantes, e o testado fora cooler não liga sem alimentação de 12v. Montei um esquema parcial, que está na foto abaixo: Outra coisa: já fiz o reparo em outra fonte com o mesmos componentes avariados e ligou normal depois das substituição. Cooler novo:- 4 respostas
-
- freedom 2001 5a
- carregador
- (mais 4)
-
 resolvido Notebook positivo sim 71r-a14hv6-t840 Não liga, matando carregador
Formação Grátis postou um tópico em Casos resolvidos - Notebooks
Ola Pessoal. Estou com um notebook positivo sim que quando no carregador mata o carregador fica piscando. tirei a placa e na fonte de bancada quando coloco a voltagem já em 2v o consumo sobre muito e esquenta o U15. quando tiro o U15 da placa consigo subir ate 19v sem consumo. Pensei que poderia ser ele o U15. troquei por outro praticamente idêntico de outra placa mas continua do mesmo jeito. Alguns capacitores estão bipando perto do Diodo D4 e D3. os capacitores proximos a L3 também bipam todos. Podem me dar uma dica. obrigado. -
 dúvida notebook positivo xci7660 mb 71r-ns4sl6-t813 ligando direto ao conectar o carregador
LeandroOliveira postou um tópico em Notebook's
Ola pessoal estou com esse notebook que quando conecto o carregador ele liga, mas sem imagem, e logo em seguinda desliga, e fica ligando e desligando, nao tenho esquema e nem muita habilidade pra decifrar, to tentando encontrar curto na linha 19v mas no to conseguindo, alguem ai pode me ajudar. -
 dúvida Duvida carregador universal de baterias removiveis de litio e polimero de litio
Luciano gamer postou um tópico em Eletrônica em Geral
Esse carregador universal de baterias removiveis de litio e polimero de litio de smartphones e outros aparelhos foi mau projetado? veja q ele é uma especie de clip e para nao deixar a bateria cair ele pressiona ela com o clip, isso vai causar danos a estrutura interna e desgaste a bateria?- 12 respostas
-
- duvida
- carregador
- (mais 5)
-
 resolvido Bios Dell Inspiron 5468 MB BAL60 LA-D871P carregador não é reconhecido unknown
WJinformaticaoficial postou um tópico em Casos resolvidos - Notebooks
carregador dessa notebook na bios diz unknown como sempre digo, nunca sabemos tudo e como eu nunca precisei mexer nesse circuito acabei nunca vendo como ele funciona to com esse notebook que não reconhece o carregador e portanto nunca vai carregar a bateria e a cliente precisa dele funcionando carregando bateria circuitos de charger tudo ok comutação do carregador e bateria também esta ok tenho o carregador da cliente e um carregador meu e os dois apresentam na bios unknown acima esta o circuito do ps_id cliente disse que problema ocorreu depois de um tombo onde o mesmo caiu do lado de onde estava conectado o carregador não existe nenhum outro problema na placa além desse já ressoldei todo circuito e nada achei que era solda fria vi com osciloscópio e aparece aquela comunicação ao conectar o carregador e mesmo assim diz unknown chega 3.3v ao pino psid ps_id chega o pino 36 do sio e a comunicação é a mesma que aparece no pino do jack ao conectar o carregador todos resistores estão com suas resistências de acordo com o esquema. to meio perdido @zazulak, @Carlos Porto podem me ajudar nessa indiada ai? já vi outros tópicos que vocês ajudaram muito bem com problemas no PS_ID e outras pessoas que possam colaborar também sintam-se a vontade. -
 dúvida NOTEBOOK DELL Não liga Carregador desliga
Marco Tulio mtdb postou um tópico em Notebook's
Estou com um Notebook Inspiron 3543. Ao conectar o carregador no notebook o mesmo apaga o led. Provavelmente existe um curto na placa mãe do notebook. Abri o mesmo e fiz alguns testes no circuito de energia da placa e não encontrei o componente que está em curto o com defeito. Alguém teria alguma sugestão como devo proceder?- 3 respostas
-
- notebook nao liga
- notebook
- (mais 4)
-
 em análise Carregador Portátil Samsung USB Tipo C, 10.000 mAh EB-P1100CSPGBR
lucio aguiar postou um tópico em Celulares, Smartfones e Câmeras fotográficas
Pessoal bom dia! Estou com dois PowerBank´s da Samsung adquiridos no final do ano passado que deram praticamente o mesmo defeito. Os dois carregam normalmente, porém na hora de carregarem os aparelhos começam e depois param, um começou assim ate não liberar tensão nas saídas USB`s, já o outro ainda libera um pouco de tensão e logo em seguida para. Alguém já teve esse problema similar com de outra marca ou do mesmo? Me Ajudem Por Favor, preciso de uma Luz no fim do Túnel! -
 dúvida Semp Toshiba modelo 1401 placa 71r-a14rv4-t840 não liga no carregador só pisca o led vermelho
Danilo Barton postou um tópico em Notebook's
Ola amigos, Estou com esse notebook que estava funcionando porém o audio estava baixo, chiando e sem bateria. Procurei algumas baterias para ele, algumas nao foram detectadas e uma "funcionou" mas estava marcando milhares de horas restantes. Creio que ela estava em curto. Deveria ter retirado ela mas por vacilo resolvi deixar para ver quanto tempo ia durar. Agora ele so liga com a bateria, se ligar ele sem bateria direto no carregador ele nao liga, apenas pisca o led vermelho. Andei pesquisando e creio que o defeito é no CI charger, gostaria de saber se é possivel fazer testes nele para saber se o defeito realmente está nele. E se for gostaria de saber quais ci charger são compativeis com o 8602GN T50417.2N 1313C3. Aguardo retorno dos irmãos de bancada. Desde já agradeço- 5 respostas
-
- semp thosiba
- 1401
- (mais 11)
-
 devolvido Dell N4050 não detecta carregador original e não carrega bateria
David Junio postou um tópico em Notebook's
Prezados, Equipamento não carrega e não detecta as fontes originais, já testei duas fontes originais e duas baterias. Com bateria: Pinos 1, 2, 3, 4, 5 = 0 6, 7 = 3,3 8, 9 = tensão bateria Sem bateria: Pinos 1, 2, 3, 4 = 0 5 = 3,3 8, 9 = 2.5 Notei que no PU 4001 com a bateria o Dreno = tensão da bateria, Source e gate = 0. Sem bateria Dreno = 2,4, source e gate = 0 -
 devolvido Asus X450L Placa X450LC Rev: 2.2 Mosfet do carregador da bateria queimando. Notebook n reconhece a bateria.
CTM Informatica postou um tópico em Notebook's
Ola pessoal me ajuda com essa situação, toda vez que eu troco o mosfet ele queima, chega 18v nele, ja troquei CI charge e nada. se tiverem alguma ideia. Obrigado! -
 devolvido ACER ASPIRE 5738-MS2264 WISTRON JV50-MV M92 09257-1 DDR2 Reiniciando ao conectar o carregador
kanelabh postou um tópico em Notebook's
Olá pessoal! Gostaria de uma ajuda, se possível: trabalho a alguns anos com manutenção/montagem de computadores. Recentemente comecei a me interessar por eletrônica, o que me levou a aceitar notebooks para manutenção. Portanto, sou leigo em eletrônica. Estou lendo o máximo que posso, estudando e vendo vídeos aqui no fórum para aprender. Mas estou com a seguinte situação em que necessito de ajudar: Uma cliente ganhou um notebook Acer (modelo do tópico) que estava ligando e reiniciando, além de não "dar vídeo". Após desmonta-lo percebi muita oxidação em algumas regiões da placa e na carcaça inferior, com muita ferrugem em alguns pontos metálicos. Fiz a limpeza (com jato de ar frio e com álcool isopropílico). Daí em diante ele funcionou. Entro na BIOS normalmente (V1.13), consegui instalar o Windows rapidamente (hd em ótimo estado), reconhecendo todos os periféricos. Bateria está aparentemente viciada ( carrega e descarrega muito rápido, chegando ao ponto de desligar com 30%). Eis o problema que não consigo resolver: se conecto o carregador (com o notebook desligado), o led de carregamento da bateria acende, ela carrega (mesmo que muito rápido para o tempo normal) e acende o led azul com o tempo, indicando bateria carregada. Mas se conecto o carregador com o notebook ligado, em alguns segundo o notebook reinicia, e fica nesse looping. Mesmo ligando a placa fora da carcaça (pensei ser algum mal contato) o problema persiste. Medi a tensão no jack do carregador e fica estável nos 19,1v (com o notebook ligado ou desligado). Seguem algumas fotos para verem o estado anterior e posterior da limpeza (notem que em um ponto da placa ficou maculada pelo tempo que deve ter ficado molhado e talvez ligaram -
 em análise Acer E5-553G-T4TJ MB DA0ZABMB6E0 Para de dar vídeo com ao conectar o carregador
snoopred postou um tópico em Notebook's
Galera bom dia, sou novo no grupo e não tenho muita experiencia em eletrônica, conto com a ajuda de vocês! Estou com um notebook em minha bancada e ta me dando uma certa dor de cabeça. - Direto na bateria sem o carregador ele funciona perfeitamente. - Sem a bateria no carregador ele funciona perfeitamente. - Na bateria e na tomada ele funciona por um curto período de tempo e para de dar vídeo. Ele simplesmente apaga a tela, o Led de power continua aceso, cooler girando porem sem imagem. - Parece que ele esquenta muito, porem não consigo entrar no sistema para ver a temperatura, pois logo perde o vídeo. - Procedimentos já feitos, medi a tensão do carregador e esta OK. - Tirei a bateria da placa por um tempo e recoloquei. - Examinei cada detalhe da placa e não tem sinal de nada danificado. - Já limpei tudo e troquei pasta térmica. - Desconectei hardware por hardware, nada mudou o resultado. - Fiz o esquema de apertar o botão power por um tempo com tudo desconectado. - Tentei entrar com outro sistema porem perde o vídeo antes de subir. - Temperatura do processador ta quente, GPU a mesma coisa e alguns capacitores perto da bateria e power Jack estão até que temperatura boa ( consigo deixar o dedo) Quem poder enviar o esquema eletrico ficarei grato Notebook: acer aspire e5-553g-t4tj Se alguém tiver uma luz e poder me dar dicas ficarei grato, valeuuu! -
 devolvido Lenovo Ideapad G40-70 NM-A272 liga somente quando carregador conectado
bmv informatica postou um tópico em Notebook's
Ola bom dia to com esse lenovo ele funciona normal quando conectado a fonte liga funciona carrega a bateria se tirar o carregador funciona normal mais se eu precisar ligar somente com ele na bateria ele pisca o led e nao liga so meio novato em eletrônica puderem me ajudar agradeco -
 resolvido Lenovo IdeaPad 310 NM-A752 r1.0 não liga com carregador
lojadisk postou um tópico em Casos resolvidos - Notebooks
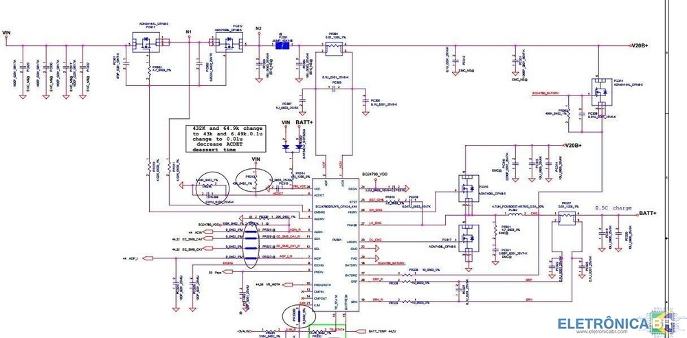
Boa noite pessoal, estou com o equipamento citado acima que "não liga" com o carregador. Quando plugamos a fonte o Botão power fica morrendo a tensão como na foto a seguir 7 Com isso obviamente a placa não liga, porém se eu plugar a bateria sem o carregador a placa funciona normalmente, mas não carrega. O que me leva a crer que é o CI de charger. Maaaas, ao plugar a bateria e logo depois a fonte ele começa a carregar e se eu quiser remover a bateria não tem problema nenhum pois ele continua ligado. Com isso, desliguei e deixo um tempo sem alimentação logo em seguida ligo somente na fonte e nada... Fiz o seguinte abri a PJ301 e a tensão fica normal, fecho a PJ301 a tensão começa a morrer, porem não morre VIN, somente a tensão gerada pelo CI que é V20B+ Será o CI? será outra coisa?
SOBRE O ELETRÔNICABR
Técnico sem o EletrônicaBR não é um técnico completo! Leia Mais...
