Pesquisar na Comunidade
Mostrando resultados para as tags ''dazqsamb6f1''.
Foram encontrados 26 registros
-
Acer TravelMate P243-M Placa mãe DAZQSAMB6F1 Visualizar Arquivo Bios testada e funcionando. Uploader Joce Souza Enviado 09/07/2025 Categoria ACER
-
- acer
- travelmate
- (mais 9)
-
-
- acer
- travelmate
-
(mais 3)
Tags:
-
 resolvido Acer e1-471 / dazqsamb6f1 / sem audio alto falante
infocel technology postou um tópico em Casos resolvidos - Notebooks
ola amigos estou com esse acer q nao sai audio na caixinha no fone funciona normal, ja testei com outro windows, atualizei os drivers, ja foi trocado o ci do codec e ficou na mesma. Eu medi as tensoes no conector e em todos pinos tem 2,5v lembro q ja tive um problema desse e eu tive q desativar o conector do headset agradeço a ajuda desde ja- 4 respostas
-
- acer
- e1-471dazqsamb6f1
- (mais 8)
-
 dúvida Acer Aspire E1-471 PLACA MÃE DAZQSAMB6F1 diodo esquenta ao plugar bateria e fonte juntos
diegomervil postou um tópico em Notebook's
Boa noite, pela primeira vez pego um caso assim, esse notebook acer tinha um capacitor cerâmico em curto, depois da remoção o mesmo voltou a ligar.. só que, o note liga normalmente pela fonte e pela bateria, porém ao conectar a fonte com a bateria conectada o diodo marcado nas fotos esquenta muito ao ponto de queimar o dedo, testei voltagens do gerenciador de carga e ta tudo ok, o note não reconhece carga porém passa voltagem suficiente para carregar a bateria, to muito confuso, não vi nada assim. Se alguem pegou uma bronca dessa como resolver? e se possível tem como adaptar outro Diodo(o mesmo só tem na aliexpress e não acho sucatas na minha região)? -
 devolvido Acer Aspire E1-471-6404 / DAZQSAMB6F1 Rev: F / Não liga
Manoel74 postou um tópico em Notebook's
Olá pessoal. Esse notebook chegou da seguinte forma; Ligava normal, a tela ficava piscando e depois de um tempo se desligava. O pwm pu9 "RT8223P", estava tendo um leve aquecimento, substituí o mesmo e a placa não ligou mais , ás tensões primarias estão morrendo, ao aferir os pinos descobri que o pino 14 está em curto. Ao injetar tensão, tenho um consumo que chega a 1amp, porém nada esquenta, já ferifiquei o PR254 e PC172 "o PR254 não existe na placa", não consigo identificar o causador. Alguém pode mim ajudar?- 23 respostas
-
 resolvido Acer E1-471 DAZQSAMB6F1 Não Carrega bateria
Italo Resende postou um tópico em Casos resolvidos - Notebooks
Prezados, boa noite. Estava com o notebook em questão com o defeito de não ligar, aquecendo o CI de charger. Realizei a troca do CI e dos dois mosfets da linha de entrada do charger. O notebook voltou a ligar normalmente, porém, apresenta agora o seguinte defeito. Ao ligar somente no carregador, funciona normalmente, ao ligar somente na bateria também funciona normalmente. Se eu ligar carregador após a bateria conectada, ele funciona porém não carrega a bateria, se eu remover a bateria com o carregador conectado e tornar a colocar sem remover o carregador, ela carrega normalmente. Resumindo, para carregar a bateria é necessário remover e recolocar com o carregador plugado. Poderiam ajudar a solucionar esse problema? Agradeço desde já. -
 em análise Acer E1 471 DAZQSAMB6F1 REV F Liga e Desliga
Kingeek_info postou um tópico em Notebook's
Saudações à todos da comunidade, espero que estejam bem. Estou com esse equipamento em minha bancada, onde a maquina liga e desliga rapidamente, 1 segundo ou menos. Nesse tempo que fica ligado consegui testar algumas tensões e constatar algumas coisas. Abaixo tenho as PL's aferidas e também algumas observações. PL7: 0,8V PL8: 1.1V PL16: 1.4V PL15: 5V PL14: 3V PL13: 0V PL12: 0V PL11: 0V CMOS: 3,3V (Pilha Nova) +B Antes de startar: 19,7V +B Depois de startar: 19,4V Reparei que a linha de alimentação do processador, ou seja PL13, PL12, PL11, que são responsáveis pelo VCC_GFX e VCC_CORE, não estão com tensão! Fiz medições no PU6 TPS51650 (PWM que controla essas fases). Segue alguns pinos medidos: PINO 37: VBAT (19V) PINO 17: PGOOD (0,4)V Quando starta PINO 23: PGOOD (0,9V) Quando starta (Rapidamente da essa tensão) PINO 48: 5V PINO 16: VRON (3,3V) PINO 15: 3V Percebi também que tem o U24 que manda um sinal de PWR OK para o PCH onde entra o sinal do PGOOD do PWM e do SIO e manda para o SIO e esse sinal não está sendo gerado. no U24 tenho essas medições: PINO 1: 1,7V (Rapidamente, caí muito rápido) PINO 2: 0,4V PINO 3: TERRA PINO 4: 0,3V (Aqui é a saída de PWGOOD para o PCH) PINO 5: 3V Alimenta o CI. Então percebi que alguma fonte está com problema (Acredito eu). Porém não consegui detectar. Eu iria trocar o PU6 TPS 51650, mas em minhas sucatas não tinha. Antes de comprar gostaria de uma segunda opinião. Além de medições, o que foi feito: Troca da Pilha de Bios que estava zerada. Um leve aquecida no PCH para teste. Troca de processador. Troca de memória. Teste em outras fontes. Alguém tem uma ideia de outro teste que possa fazer? Obrigado à todos.- 10 respostas
-
- 1
-
-
- acer
- dazqsamb6f1
-
(mais 2)
Tags:
-
Boa tarde amigos. Nós estávamos usando o notebook em questão para testar algumas telas, porém o cabo flat começou a se desgastar e acabou fechando um curto, subiu cheiro de queimado e tudo, após esse curto a placa mãe não liga mais, coloquei na fonte de bancada e fui subindo a tensão aos poucos, porém nenhum componente aqueceu, o consumo da fonte sobe muito pouco e fica variando entre 0A e 0.07A, a variação ocorre de forma muito rápida, fica indo no 0.07A e voltando no 0A. Ao injetar a tensão, quando chego aos 15V a placa começa dar um estalo em algum componente, mas não consegui identificar qual. Até o mosfet PQ30 na entrada, tenho as tensões, quando chega no PQ30 o gate está saindo 8.6V, achei estranho esse valor. Mesmo retirando o mosfet esse valor de 8.6V continua presente no PAD. Poderiam me ajudar a analisar esse problema? Agradeço desde já.
-
 dúvida Acer Aspire E1-471-6404 dazqsamb6f1 Só liga no carregador
compaq postou um tópico em Notebook's
Pessoal esse notebook funciona normalmente apenas conectado no carregador... mas quando coloco a bateria mesmo carregada ele as vezes liga as vezes não liga. Quando liga com a bateria, vejo que ela carrega normalmente. Alguma dica do que pode ser? -
 resolvido Acer e1-471 - dazqsamb6f1 - sem som interno
felipecrestanibjj postou um tópico em Casos resolvidos - Notebooks
Olá, estou com essa maquina que não sai som nas caixas acústicas internas, apenas na saída para fone de ouvido. já testei outros alto falantes, troquei o ci de áudio e o problema persiste, no conector tem uma tensão de 2.5v nos 4 pinos. Olhando no Windows na parte de reprodução de som aparece apenas a saída de fone de ouvido. link do esquema: -
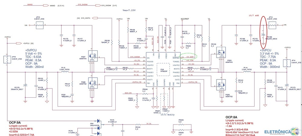
 esquema Esquema e Boardview Acer E1 471 | DAZQSAMB6F1
Carlos Alberto Klafke Filho postou um arquivo em ACER
-
 boardview ACER - E1-471 - QUANTA ZQSA DAZQSAMB6F1 - Rev. F
Samuel Baldessar postou um arquivo em ACER
-
 boardview ACER - E1-471 - QUANTA ZQSA DAZQSAMB6F1 - Rev. F
Samuel Baldessar postou um tópico em Gerenciador de arquivos
ACER - E1-471 - QUANTA ZQSA DAZQSAMB6F1 - Rev. F Visualizar Arquivo BoardView para placa mãe quanta ZQSA / DAZQSAMB6F1 REV: F Utilizei esse boardview para conserto de uma placa DAZQSAMB6E1 Rev: E, achei bem parecido, também serviria para base dessa. Uploader Samuel Baldessar Enviado 10-01-2023 Categoria ACER -
 esquema Esquema e Boardview Acer E1 471 | DAZQSAMB6F1
Carlos Alberto Klafke Filho postou um tópico em Gerenciador de arquivos
Esquema e Boardview Acer E1 471 | DAZQSAMB6F1 Visualizar Arquivo Esquema e Boardview Acer E1 471 | DAZQSAMB6F1 Uploader Carlos Alberto Klafke Filho Enviado 07-03-2022 Categoria ACER -
Bom dia a todos. Estou com esse note na bancada, e ao pressionar o power ele dá um pulso consumindo 0.14a, e desliga logo em seguida. Inicialmente gravei e troquei os chips da bios pois os dois apresentavam erro na leitura, e o note funcionou normalmente, ligando e desligando várias vezes, normal. Quatro dias depois o cliente retornou com ele, exatamente o mesmo problema. Daí testei as bios, regravei, ressoldei e o problema permanece, Tenho as tensões de 3 e 5v, e as tensões nas bios (u6 e u8) ao pressionar o power. Mas ele acende o led do power por 2 segundos e já desliga. Alguém já pegou caso parecido?
- 8 respostas
-
- acer
- e1-471-6613
-
(mais 3)
Tags:
-
 esquema Acer Aspire E1-471-6404 - Quanta ZQTA/ZQSA DAZQSAMB6F1 Rev F
Taf postou um tópico em Gerenciador de arquivos
Acer Aspire E1-471-6404 - Quanta ZQTA/ZQSA DAZQSAMB6F1 Rev F Visualizar Arquivo Esquema elétrico do notebook Acer Aspire E1-471-6404 Projeto da placa: Quanta ZQTA/ZQSA Rev. 1A Modelo da placa: DAZQSAMB6F1 Rev. F Configuração da placa: Processador Intel Ivy Bridge + DDRIII PCH Intel Panther Point Vídeo dedicado nVidia N13P-GS/N13P-GL/N13M-GS SIO NPCE885L Uploader Taf Enviado 17-04-2017 Categoria ACER -
 dica Notebook Acer E1-471-6613 / MB DAZQSAMB6F1 REV.F / Touch e teclado não funcionam
curtolo postou um tópico em Casos resolvidos - Notebooks
Notebook chegou de terceirizada sem funcionar touch e teclado, foram feitos testes com outro teclado sem resultado, teclado e mouse via usb funcionam perfeitamente. Solução: gravação da bios maior (4mb) em novo chip!! Arquivo de bios usado na gravação, postado pelo colega @ederson.s: https://eletronicabr.com/forums/topic/38619-acer-aspire-e1-471-6404-pm-dazqsamb6f1-revf -
 resolvido Acer E1 471 - PLACA DAZQSAMB6F1 - Liga ascende a tela depois apaga e fica escura
Uenderson Pita postou um tópico em Casos resolvidos - Notebooks
Boa tarde, Estou com o segundo notebook com esse defeito do mesmo modelo - Acer E1 471 placa DAZQSAMB6F1 REV:F, quando liga aparece a tela de apresentação da acer depois de alguns segundos apaga a luz e fica a imagem apagada de fundo já troquei o display, busquei curto na placa procurei em alguns fóruns até mesmo alguns tópicos aqui mas não encontrei solução para meu problema lembrando que esse é o segundo E1 471 que pego com o mesmo problema identico porem o primeiro entreguei. -
 resolvido Acer Aspire E1-431, placa DAZQSAMB6F1, não liga
Oficina DoNotebook postou um tópico em Casos resolvidos - Notebooks
A placa mãe não acende nenhum led ao conectar o carregador. Possui as tensões primárias de 19v, 3.3v e 5v que estão sempre presentes. A tensão do botão do power zera quando pressiono. Notei que o fet PQ54 aquece bastante e o chipset aquece levemente. Ao medir as tensões, o pino 3 possui sempre 3.3v, enquanto o pino 1 a maioria das vezes possui 1.5v, fazendo com que o fet aqueça. O pino 2 varia, algumas vezes tem 2.8v, 3.8v, 4.7v ou 5v. Conforme imagem anexa Substituí o fet e o defeito persistiu. Então removi ele e fiz um jumper entre os pinos 3 e 1. Com o jumper a placa mãe chega a ligar. Algumas vezes gerou as tensões das bobinas de 1.5v (PL16), 1.05v (PL8 ) e as bobinas do processador PL11, PL12. A PL13 não apareceu tensão. Mas em regra, com o jumper a placa liga e desliga. Notei que as tensões da memoria sobem e logo caem. No mais é isso. -
 em análise Notebook Acer aspire E1-471-6867 MB dazqsamb6f1 rev f não liga
CSsystem postou um tópico em Notebook's
Entrou esse notebook em nossa assistência pessoal o defeito se não ligar fazendo umas verificações o mesmo tem os 3v PL14 e 5v pl13 Botão Power tem 3v também precionando vai a 0v Dual bios também com os 3v, feito regravação e troca dos bios e mesmo problema persist, não acende nenhum led nem sinal, alguma força aí ?- 5 respostas
-
 devolvido Acer Apire E1-471-6613 Placa DAZQSAMB6F1 - não reconhece HD e o drive de CD
The Trooper postou um tópico em Notebook's
Boa tarde, ( não sei se abri o tópico no lugar correto.... ) Esse Acer não está reconhecendo o HD, como não tenho o esquema testei a tensão em cima do conector do SATA e tenho os 5v, o HD nem liga ( desconfio que possar ser falta de algum sinal SATA, pois fiz um teste ligando só esses 5v da fonte da placa mãe sem conectar na placa a parte de dados e o HD liga. ) E o drive de CD liga porem não reconhece.... Segui as trilhas na placa e pelo que vi, passa por um capacitor em serie e vai direto para o PCH. Alguém já pegou algum problema parecido? ) -
 devolvido Acer - Aspire E1-471 - 6404 - DAZQSAMB6F1 REV-F chegou startar 2 vezes e pronto
ze do crato 2014 postou um tópico em Notebook's
Boa noite! este note o cliente trouxe com o sintoma de nao ligar sequer os leds nem nada, dai coloquei na bancada antes de abrir, e o notebook ligou normal, abriu sistema e tudo, dai desliguei no modo normal, depois liguei funcionou de novo, ate ai tudo bem, coloquei pra formatar pra fazer o teste e ver se iria segurar ligado, dai aconteceu o inesperado, o danado realmente desligou nao ligando mais, e nem acende nada, os amigos teria alguma dica, nao tenho tensao na bios, so consegui encontar 19v tensao de 19v no pq3, pq4 sem tensao, na PR1 tambem sem tensao., na PL 2,5v nas demais bobinas sem tensao alguma. nao encontrei ate o momento nada em curto Cliente nao quis esperar, e anda por sinal adoeci -
 devolvido Acer E1-471 Placa dazqsamb6f1 rev. F Liga e desliga rapidamente
sistemacompleto postou um tópico em Notebook's
Fala galera, Estou com dificuldade neste notebook, ele liga e desliga rapidamente, algo em torno de 1 segundo, apenas acendo o led e ja apaga, ele chegou em curto e descobri o CI PU1 com problema, efetuei a troca e apareceu os 3v e 5v nas bobinas, no tempo que ele permanece ligado as bobinas que não chegam nenhuma tensão são PL11,PL12 e PL13, fiz o teste para ver se essas linhas estavam em curto e não estão, agora não sei se a ideia seria partir para troca do PU6 ou PU8, ou o que poderia testar antes de trocar, tendo em vista que as linhas destas pl´s não apresentam curto, outra coisa que percebi é que a linha +3V não aparece na placa, exemplo no pino 3 do pq22 esta zerado, e acredito que deveria ter essa tensão ali. Link do esquema eletrico usado:- 23 respostas
-
 dúvida Acer - Aspire E1-471-6404 - DAZQSAMB6F1 - tela branca
Elivelton Gonzaga postou um tópico em Notebook's
tenho um notebook acer aspire e1-471-6404 que ta dando tela branca mas aparece imagem em monitor externo, consigo ate regular o brilho da tela do not mas ela nao da imagem de forma alguma alguem consegue me auxiliar e se caso conseguirem me passar o esquema eletrico dessa placa- 4 respostas
-
Notebook acer e1-471 mb dazqsamb6f1 rev.f nao liga nada tenho 19v , 3v e 5v mais não tenho voltagem na bios u6 e tenho pino 1 do u8 tenho 0,47v não acende nenhum led troquei o q2 e q3 e mesmo assim nada já regravei a bios comprei os arquivos pelo ML não tenho conhecimento de analise do esquema
SOBRE O ELETRÔNICABR
Técnico sem o EletrônicaBR não é um técnico completo! Leia Mais...
