Pesquisar na Comunidade
Mostrando resultados para as tags ''charger''.
Foram encontrados 26 registros
-
 dúvida Equivalência entre CI Charger
MJVFC postou um tópico em Identificação e Equivalência de Componentes
Estou com uma placa aqui que usa um Intersil 95522H, comprei 2 unidades pois ficava mais em conta do que comprar apenas uma unidade. Logo em seguida peguei uma outra placa que tem um furo no CI charger e é um Intersil 88738H. Procurei pelos datasheet mas não consegui tantas informações, vi falando que eles são equivalentes e pode ser trocado um pelo outro... Como comprei duas unidades será que posso colocar o 95522H no lugar do 88738H?- 5 respostas
-
- equivalência
- entre
-
(mais 1)
Tags:
-
 dúvida CD Charger Gradiente com fonte externa adaptada
thg.xr3 postou um tópico em Aparelhos de Som, GPS, Gadgets e Tecnologia
Boa noite amigo, sou amador na area de eletrônica e queria tirar uma duvida. existe a possibilidade de se instalar uma fonte externa no meu CD Charger de 3 cds que faz parte do Mini System Gradiente TS-103 ? ele é alimentado por um cabo de 6 vias que vai conectado direto na central do radio. eu sei que existe um modelo igual esse meu que possui uma fonte interna e vai ligado na tomada, mas esse meu como faz parte de um conjunto, nao tem tomada e sim esse cabo 6 vias. gostaria de ajuda para instalar uma fonte externa para poder usar ele em outro radio, vou deixar a foto do cabo e do aparelho desde já agradeço a ajuda. -
 dica HP ProBook 440 G5 / DA0X8BMB6F0 Rev F / DICA sobre defeito: piscando LED 9 vezes
MJVFC postou um tópico em Notebook's
Esta é uma dica para o problema de equipamentos da HP que apresentam o LED piscando 9 vezes. Como sabemos alguns equipamentos tem um LED ou BEEP pra indicar que estão com algum tipo de erro, o que ajuda a diagnosticar os defeitos. DEFEITO: Ao conectar a fonte e tentar ligar o equipamento ele pisca o LED 9 vezes e nada acontece. Ao tentar ligar novamente o mesmo acontece. Procurei sobre o erro em todos os lugares e com todos os tipos de termos possíveis, mas só encontrava as tabelas de erros de outros equipamentos, e nenhum deles tinha uma combinação dessa de piscar por 9 vezes. Realizei diversos os testes, desmontei e desconectei a bateria para dar um reset, teste com várias memórias (e até sem ela), tinha todas as tensões e regravei BIOS. O mesmo defeito apresentava. Finalmente descobri o defeito, era a FONTE. A fonte liga outros equipamentos mas tem algum problema nela que este equipamento citado acabou recusando ela. Utilizei outra fonte e o equipamento ligou normalmente. Espero que as pessoas encontrem essa dica antes de desmontar o equipamento pois pode ser apenas questão de fonte com problema. Facilitaria muito se tivesse a tabela de erros pois lá provavelmente diria que era um problema de "energia" (charger). Se alguém tiver essa informação seria bom para anexar aqui.-
- light error
- code error
- (mais 15)
-
@LEONTEC@FLAVIOTECH@ohm@Roberto275803@Jhones Boa tarde, amigos. Esse notebook da descrição, reconhece carregador e bateria (que é nova) . Porém a bateria não carrega. Baixei um esquema elétrico que em tese é o esquema exato pra essa placa. Mas acontece que vários componentes dessa placa, não se encontra no esquema, inclusive o CI de charger, que no esquema consta como o BQ24780SRUYR. Só que não há esse CI na placa. Eu encontrei o 8685A que seria o OZ8685A. Mas nem datasheet eu encontrei desse CI. Refiz a ressolda nele, mas não deu certo. Algum amigo já pegou essa placa com defeito no CI de charger? Resolveu trocando ou trocou algum mosfet do circuito? Tô pensando em trocar o CI, mas queria uma confirmação.
- 35 respostas
-
 devolvido Notebook Dell Placa Mãe HDL50 LA-L946P Não liga, esta esquentando o charger só de plugar a fonte.
mrc2017 postou um tópico em Notebook's
Boa Tarde amigo... Estou com esse problema, essa placa mãe só de conectar a fonte na placa o C.I de charger frita, ja troquei o C.I e o problema continua, alguém poderia me ajudar, não detectei nenhum curto na entrada, estou perdido, não tenho ideia de onde verificar. -
 em análise Notebook Philco 14L - 71R-E14RV6-T830 - Charger danificado.
STK postou um tópico em Notebook's
Olá a todos. Estou com um notebook philco, o problema foi o CI charger, ou seja, ele não liga, não apresenta nenhum sinal de vida, nenhum led pisca. O único componente que aquece é o OZ8602GN, vi em outros tópicos que existem dois resistores que também apresentam problemas quando esse CI para de funcionar. O que eu quero saber é apenas quais são esses resistores e quais os respectivos valores de resistência? Por acaso esses resistores seriam o R197 e o R201? Obs: Não tenho o esquema elétrico e nem créditos para efetuar o download. -
 em análise Acer Aspire e5-574 DA0ZRMB6G0 Queimando Charger
iohann_palm postou um tópico em Notebook's
Boa tarde!! Note veio não ligando quando DC Jack conectado, só liga se der start apenas com bateria, mas após trocar CI charger tudo funciona, só da um pequeno xiado quando esta ligado e queima o Charger de novo em menos de 3 meses... Alguém já pegou esse defeito? ou alguma luz de como testar melhor?? -
 resolvido Dell Inspiron 14 5468 LA-D87 Rev.1 Problemas de charger
evandrocarlosv postou um tópico em Casos resolvidos - Notebooks
Bom dia; esta maquina chegou com pelo menos três tipos de defeitos. Primeiro cliente relatou que não carregava, chegou comprar bateria numa loja, mas não resolveu e devolveu. Depois que parou de dar vídeo chegou até minha assistência. Ao plugar a fonte ligava, defeito no circuito CRT resolvido. Fazendo as analises percebi não passar tensões de carga no circuito charger. Apos fazer a Bios tornou a dar vídeo, depois procedi com a troca do charger. Apos isso tornou as tensões corretas no conexão da bateria. Chegou carregar uma vez até 12%. Depois disso a bateria só mostra nível menor, mesmo com cargar externa dada e mantendo micro ligado. Micro ligando na bateria tudo corretamente. Carregador é original mesmo sendo 45W é recomendado para este modelo, apenas com carga mais lenta. A questão é; como não estou de posse de outra bateria e até mesmo outro carregador para o modelo, existe alguma aferição que eu possa estar deixando passar, caso alguém se interesse acompanhar comigo estas tensões fico no aguardo, antes de encomendar troca de carregador e bateria sabendo que pode não ser este o defeito. Esta placa não tem esquema correto fui pelo data CHARGER ISL95520HRZ (PU703) base usada imagem em anexo. -
 dúvida Defeitos no Circuito de Charger Dúvida
Shadow2012 postou um tópico em Treinamento Notebooks
Olá amigos, Desculpem se eu não estiver postando no lugar certo. Nas manutenções tenho me deparado com defeitos no circuito de charger que não consigo solucionar. São os casos em que a bateria não carrega. Verifico, com osciloscópio, as formas de onda nos gates dos mos-fets de charger e não encontro pulsos PWM, somente uma tensão contínua. Descartado defeito na própria bateria , então parto para as trocas: CI de charger, mos-fets de entrada, mos-fets de charger e mos-fet comutador. Verifico tensão de alimentação do Ci de charger. Verifico a presença de tensão na linha I2C (SDA e SCL) que vem do i/O até o charger. Depois de tudo isso ainda o defeito permanece. Muitos casos já dei como sem reparo pois, realmente, não sei quais os componentes que, juntamente com o CI de charger, geram o PWM para os gates dos mos-fets de charger. Gostaria de algumas dicas de vocês que já se depararam com defeitos semelhantes e consiguiram resolver e se poderiam em indicar quais "componentes - chaves" que , juntamente com o CI de charger, geram os pulsos PWM para os gates dos mos-fets de charger. Grato -
 dúvida Compatibilidade charger OZ8690/OZ8691 e OZ8692
pedrorosasb postou um tópico em Identificação e Equivalência de Componentes
Boa tarde, pessoal, tudo bem? Estou com um bendito Positivo Master N600 (71R-M14KLA ou 71R-M14KL01) com possível defeito no CI de charge OZ8692. A máquina liga mas a SIO não recebe as tensões de ADAPT_IN e nem ADAPTOR_I, ambos usados para identificar que o carregador foi plugado. Com isso, recebo a mensagem de que o carregador é invalido e que a máquina irá desligar. Procurando esse chip me assustei com o valor (R$100 + frete aqui no Brasil e R$60 na China). Vi que o OZ8690 e OZ8691 tem a mesma quantidade de pinos e a descrição deles (segundo alguns esquemas que olhei) é igual ao do OZ8692. A parte interessante do OZ8690/OZ8691 é o custo: R$25 no Brasil e R$8 na China. Assim sendo, alguem sabe se são compatíveis? Abraço a todos.- 8 respostas
-
- 1
-
-
- compatibilidade
- charger
- (mais 3)
-
 dúvida Acer 5750 - la6901p - Não da imagem, Ci No Break PU1 esquentando.
Felipe Alvěss postou um tópico em Notebook's
Bom galera, eu estou com um Notebook Acer 5750, placa la6901p; ele não dá imagem, quando tento ligar ele com a bateria inserida, ele acende os leds mas não dá imagem, e quando coloco o carregador ele não dá nenhum sinal de led. Abrir para fazer uns testes, e logo de cara vi que quando eu coloco o carregador nele o PWM de charger esquenta muito (a ponto de evaporar instantaneamente o álcool isopropilico) , e queria saber se isso é normal, ou ele estar com problema? E porque ele não dá imagem quando está só com a bateria? Sendo que nesse caso o PWM de charger fica inativo. -
 dúvida Acer Aspire 5250-0465 - P5WE6 LA-7092P - CI charger entrando em curto
Zoom1966 postou um tópico em Notebook's
Olá amigos! Estou precisando de uma ajuda para tentar entender um problema que está me assombrando a vida. O notebook da descrição chegou em minhas mãos sem sinal de vida. Analisando, vi que não havia alimentação no CI charger (PU1, ISL6251AHAZ). Encontrei o resistor PR22 de 10 ohms aberto. É por ele que passa a alimentação do CI charger, indo ao pino 24 do mesmo. Substituí o CI charger e o resistor, fazendo o note voltar a funcionar normalmente, carregando a bateria e com todas as funções normais. Após 20 dias, o note retornou, exatamente com o mesmo defeito. Porém, dessa vez a substituição dos mesmos componentes não ajudou. A fonte 3VALW estava com o mosfet de alta e o capacitor PC42 em curto. Ao injetar 3.3V na saída dessa fonte, descobri a FCH em curto também. Nessa altura, resolvi encontrar uma outra placa e substituir, pois o custo compensava. Todos os testes OK, enviei ao cliente. Mais uns 20 dias e o note voltou com o mesmo defeito!!! Aí eu pergunto aos amigos mais experientes aqui do forum: Que diabos é isso?? Eu testei o carregador (aparentemente original) e não houve variação de tensão ou ripple aparente. Inclusive o cliente o usa em outros notes iguais a esse. Poderia ser algum defeito na bateria? Ou algum defeito de série? No Mercado Livre há muitas placas dessa com defeito à venda, o que me levanta a suspeita. Agradeço a todos que puderem opinar. PS: Não lembro de onde baixei o esquema, mas aqui no fórum tem.- 5 respostas
-
- aspire 5250
- p5we6
- (mais 8)
-
Pessoal, quero contribuir aqui com um video, explicando breviamente sobre o funcionamento do circuito de charger dessa placa, onde o circuito possui um BQ24725. Espero que ajude os iniciantes.
-
RIDGID Charger R840093 Visualizar Arquivo Carregador de Baterias Lithium Ion (LI-ION) e Ni Cd 9,6V ~ 18V Uploader William_R Enviado 17-01-2020 Categoria Diversos
-
 em análise JBL Charger 3 / JBL Charger3 Main Rev:F / Não carrega a bateria
Bit Mix postou um tópico em Aparelhos de Som, GPS, Gadgets e Tecnologia
Boa Tarde amigos, solicitando ajuda. Alguém teria o esquema ? O problema é que a bateria não carrega pelo circuito da placa. Externamente é possível carregar a bateria normalmente. Conector de entrada..ok -
Olá queridos, estou com um problema que vem me irritando há um bom tempo já. PROBLEMA: O notebook basicamente é ótimo na bateria e péssimo no carregador mesmo com temperatura muito baixa. No carregador original: o clock da GPU fica travada nos 405MHz e a CPU cai pra 0,8GHz mesmo com a temperatura estando em 50ºC, apenas consigo utilizar o note por ter encontrado um programa chamado ThrottleStop e desativar a opção BDPROCHOT, mas funciona apenas para a CPU, a GPU continua travada em IDLE. Os problemas acabam quando eu retiro o carregador e deixo apenas na bateria, os jogos aumentam drásticamente os FPS e a CPU sobe pra 2.5 - 3GHz com ou sem o BDPROCHOT do ThrottleStop. Em jogos como por exemplo GTA V consigo 60fps na bateria e no carregador uns 10-15fps e fica impossível jogar, diminuindo o desempenho do computador para todas as tarefas. Além disso, não é possível realizar undervolt e a Bios é totalmente travada pra qualquer alteração de clock ou voltagem. O que já fiz até o momento: Formatei pra windows 10, 7 e 8.1 / Mudei os planos para desempenho máximo, médio e economia de bateria / Desinstalei e instalei drivers mais antigos da GPU integrada e da Dedicada de forma limpa / Instalei uma bios anterior e uma mais atualizada. / Troquei a pasta térmica e limpei o notebook / Utilizei bases e exaustores pra diminuir temperatura / Realizei Cold reset / Instalei e desinstalei o Intel DPST / Desativei o Turbo Clock. Coisas que notei: No carregador a GPU trabalha em PCI Express 2.0 x16 @ 1.1 x16 e na bateria PCI Express 2.0 x16 @ 2.0 x16 / O registro de eventos mostra um Kernel-Processor-Power Event ID 37 / Tanto em temperatura baixa quanto em temperatura alta o desempenho é o mesmo no carregador, e na bateria o desempenho é normal. Pelo que pesquisei por problemas parecidos em outros notebooks vi que algumas bios têm uma temperatura limite que faz o desempenho cair para poupar bateria e diminuir a temperatura da máquina e que isso pode estar baixo demais ou até mesmo estar corrompido, não sei se isso faz sentido mas acredito que possa ser o problema. Como proceder?
-
 tutorial Aula Circuito Charger Notebook CI BQ247
Luciano Neves de Oliveira postou um tópico em Treinamento Notebooks
-
 dúvida APC Smart 2200 _ Power Board _Assy N0:640-0800G_REV07.Possibility to change the charger output voltage.
Bemarios postou um tópico em Fontes & No-Breakes
Hello. I would like to know if there is a possibility to reduce the charge voltage on this ups. It's 55v and I want to reduce it to 54v.It's possible? I read in some models you can do this while setting the ups in programming mode. Regards. -
 dúvida DeWalt DCB107 charger Diagrama
leandrors1 postou um tópico em Identificação e Equivalência de Componentes
Olá pessoal, tudo bem? Estou aqui com um carregador DeWalt DCB107 charger, e tem alguns componentes queimados, aparentemente só olhando eu achei 4 componentes que estão danificados, fora outros que talvez só fazendo teste pra saber! Preciso analisar a placa pra saber qual foi a causa do problema, porém sem um diagrama é muito complicado, gostaria de pedir ajuda a vocês, se alguém de vocês tem esse Diagrama, e possa disponibiliza-lo... Obrigado!. -
Fala Pessoal... ESou inexperiente e fiquei com uma dúvida. Quando vou medir a tensão do mosfete PQ24 (mosfete de Alta), a tensão começa em 19v e vai caindo gradativamente. Este mosfete faz parte do circuito de charger; A prtir do referido mosfete, tudo que esta na linha, ainda que sejam tensões menores, também cai ate nivel lógico zero. Isso comportamento é normaL? Estou com dúvida porque tenho uma outra placa na bancada ACER da mesma geração e nela ocorre o mesmo comportamento. Observação: Estou fazendo os teste sem conectar a a bateria
-
 dúvida Como poderia alimentar uma placa jbl modelo hf-6299-v1.1(2017.07.06) através da porta usb
wtf postou um tópico em Aparelhos de Som, GPS, Gadgets e Tecnologia
Bom, encontrei um jbl na rua e quando fui ver o problema era a clássica entrada de alimentação estourada, então queria alimentar ela através da entrada usb tem alguma forma? -
 resolvido Dell Vostro 15-3567 / Vegas 15341-1 91N85 / Charger Queimado
christian.ricard postou um tópico em Notebook's
Bom dia a todos, recebi essa placa com o charger queimado e trilha rompida, pelo esquema esse charger é um 95521 e vem marcado tb ( Use bom change to ISL88739D) , na placa veio um ISL88750, gostaria da opinião de vcs quanto a compatibilidades entre eles, pois não achei o datasheet de todos. Muito obg. Esquema que estou usando: -
 tutorial ACIN e PACIN, BQ24727, sinais importantes (simulação no proteus) La-9061
Gilson Macedo postou um tópico em Treinamento Notebooks
@CHACO Meu amigo me cobrou, e eu resolvi fazer mais esses vídeos procurando repassar aquilo que aprendi ao longo desses anos no eletronicabr. Fiz com a placa 9902p, mas também serve pra placa 9061p dentre outras. -
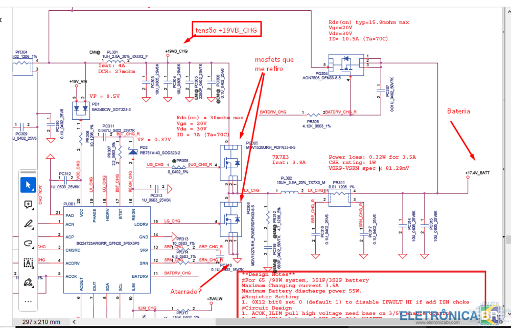
Gente, estou estudando um pouco o circuito charger de um notebook, aí eu me deparei com uma situação que eu não estou entendendo. Suponha que o carregador esteja conectado e a bateria está carregando, isso significa que estes dois mosfets foram ativados pelo ci charger? Se sim, a tensão que vai para a bateria não deveria cair para zero porque o mosfet de baixo está aterrando o circuito quando é ativado? Porque o quê me parece é que o ci só ativa o de cima, daí a tensão +19VB_CHG passa pelo mosfet. Como funciona esta ativação de mosfet, são os dois, um só e qual é? (Enviei uma imagem para vocês).
-
Olá senhores, estou com este equipamento, que passou por outra asistência até chegar a mim. O equipamento estava com o ci de charger errado na placa, de modo que dcin estava sendo direcionado para um pino diferente o que danificou o ci. Ao substituir o ci pelo correto, ocorre que não há nenhuma tensão primária. A tensão de +19V chega nos mosfets que deveriam ser habilitados pelo charger, mas não passa por eles. O charger isl95520hrz, recebe dcin, gera os +5V regulados, mas não aciona os mosfets e não gera acok. Testando na placa, não há nenhum sinal de que os mosfets estejam danificados. Não há tensão de gate. Não há consumo injetando tensão na linha de +19V. Gostaria de sugestões à respeito de como proceder.
SOBRE O ELETRÔNICABR
Técnico sem o EletrônicaBR não é um técnico completo! Leia Mais...
